T
Texas Instruments
| Series | Category | # Parts | Status | Description |
|---|---|---|---|---|
| Part | Spec A | Spec B | Spec C | Spec D | Description |
|---|---|---|---|---|---|
| Series | Category | # Parts | Status | Description |
|---|---|---|---|---|
| Part | Spec A | Spec B | Spec C | Spec D | Description |
|---|---|---|---|---|---|
| Part | Category | Description |
|---|---|---|
Texas Instruments BQ2002CSNTRG4Unknown | Integrated Circuits (ICs) | LINEAR BATTERY CHARGER NICD/NIMH 2000MA 0V TO 6V 8-PIN SOIC T/R |
Texas Instruments LM3676SDX-3.3Obsolete | Integrated Circuits (ICs) | IC REG BUCK 3.3V 600MA 8WSON |
Texas Instruments | Integrated Circuits (ICs) | TMX320DRE311 179PIN UBGA 200MHZ |
Texas Instruments UCC3580N-1G4Obsolete | Integrated Circuits (ICs) | IC REG CTRLR FWRD CONV 16DIP |
Texas Instruments LM2831YMF EVALObsolete | Development Boards Kits Programmers | EVAL BOARD FOR LM2831 |
Texas Instruments | Integrated Circuits (ICs) | BUFFER/LINE DRIVER 8-CH NON-INVERTING 3-ST CMOS 20-PIN SSOP T/R |
Texas Instruments | Integrated Circuits (ICs) | ANALOG OTHER PERIPHERALS |
Texas Instruments | Integrated Circuits (ICs) | RADIATION-HARDENED, QMLP 60V HAL |
Texas Instruments SN75LVDS051DRObsolete | Integrated Circuits (ICs) | IC TRANSCEIVER FULL 2/2 16SOIC |
Texas Instruments | Integrated Circuits (ICs) | AUTOMOTIVE OCTAL D-TYPE FLIP-FLO |
| Series | Category | # Parts | Status | Description |
|---|---|---|---|---|
| Battery Management | 3 | Active | ||
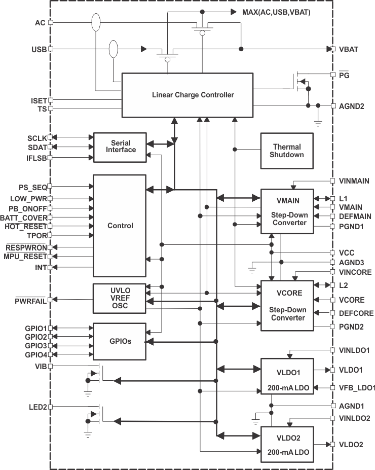
TPS65013Multi-Channel 1-cell Li-Ion PMIC USB/AC Charger, 2DC/DC, 2 LDOs, I2C interface in QFN-48 | Integrated Circuits (ICs) | 3 | Active | The TPS65013 device is an integrated power and battery management IC for applications powered by one Li-ion or Li-polymer cell and which require multiple power rails. The TPS65013 device provides two highly efficient, 1.25-MHz step-down converters targeted at providing the core voltage and peripheral, I/O rails in a processor-based system. Both step-down converters enter a low-power mode at light load for maximum efficiency across the widest possible range of load currents.
The TPS65013 device also integrates two 200-mA LDO voltage regulators, which are enabled via the serial interface. Each LDO operates with an input voltage range between 1.8 V and 6.5 V, allowing them to be supplied from one of the step-down converters or directly from the battery.
The TPS65013 device also has a highly integrated and flexible Li-ion linear charger and system power management. It offers integrated USB-port and AC-adapter supply management with autonomous power-source selection, power FET and current sensor, high accuracy current and voltage regulation, charge status, and charge termination.
The TPS65013 device is an integrated power and battery management IC for applications powered by one Li-ion or Li-polymer cell and which require multiple power rails. The TPS65013 device provides two highly efficient, 1.25-MHz step-down converters targeted at providing the core voltage and peripheral, I/O rails in a processor-based system. Both step-down converters enter a low-power mode at light load for maximum efficiency across the widest possible range of load currents.
The TPS65013 device also integrates two 200-mA LDO voltage regulators, which are enabled via the serial interface. Each LDO operates with an input voltage range between 1.8 V and 6.5 V, allowing them to be supplied from one of the step-down converters or directly from the battery.
The TPS65013 device also has a highly integrated and flexible Li-ion linear charger and system power management. It offers integrated USB-port and AC-adapter supply management with autonomous power-source selection, power FET and current sensor, high accuracy current and voltage regulation, charge status, and charge termination. |
TPS65014Battery Power Management IC (PMIC) for Li-Ion Powered Systems | Battery Management | 2 | Active | The TPS65014 device is an integrated power- and battery-management IC for applications powered by one Li-ion or Li-polymer cell and which require multiple power rails. The TPS65014 provides two highly efficient, step-down converters targeted at providing the core voltage and peripheral I/O rails in a processor-based system. Both step-down converters enter a low-power mode at light load for maximum efficiency across the widest possible range of load currents. The LOW_PWR pin allows the core converter to lower its output voltage when the application processor goes into deep sleep. The TPS65014 also integrates two 200-mA LDO voltage regulators, which are enabled through the serial interface. Each LDO operates with an input voltage range of 1.8 V to 6.5 V, thus allowing them to be supplied from one of the step-down converters or directly from the battery.
The TPS65014 device is an integrated power- and battery-management IC for applications powered by one Li-ion or Li-polymer cell and which require multiple power rails. The TPS65014 provides two highly efficient, step-down converters targeted at providing the core voltage and peripheral I/O rails in a processor-based system. Both step-down converters enter a low-power mode at light load for maximum efficiency across the widest possible range of load currents. The LOW_PWR pin allows the core converter to lower its output voltage when the application processor goes into deep sleep. The TPS65014 also integrates two 200-mA LDO voltage regulators, which are enabled through the serial interface. Each LDO operates with an input voltage range of 1.8 V to 6.5 V, thus allowing them to be supplied from one of the step-down converters or directly from the battery. |
| Battery Management | 4 | Active | ||
| Power Management (PMIC) | 3 | Active | ||
TPS65022Power Management IC (PMIC) for Li-Ion Powered Systems | Integrated Circuits (ICs) | 3 | Active | The TPS65022 is an integrated Power Management IC for applications powered by one Li-Ion or Li-Polymer cell, and which require multiple power rails. The TPS65022 provides three highly efficient, step-down converters targeted at providing the core voltage, peripheral, I/O and memory rails in a processor based system.
All three step-down converters enter a low-power mode at light load for maximum efficiency across the widest possible range of load currents. The TPS65022 also integrates two general-purpose 200-mA LDO voltage regulators, which are enabled with an external input pin. Each LDO operates with an input voltage range between 1.5 V and 6.5 V, allowing them to be supplied from one of the step-down converters or directly from the battery.
The default output voltage of the LDOs can be digitally set to 4 different voltage combinations using the DEFLDO1 and DEFLDO2 pins.
The serial interface can be used for dynamic voltage scaling, masking interrupts, or for disabling, enabling, and setting the LDO output voltages. The interface is compatible with the Fast/Standard mode I2C specification, allowing transfers at up to 400 kHz. The TPS65022 is available in a 40-pin (RHA) VQFN package, and operates over a free-air temperature of –40°C to 85°C.
The TPS65022 is an integrated Power Management IC for applications powered by one Li-Ion or Li-Polymer cell, and which require multiple power rails. The TPS65022 provides three highly efficient, step-down converters targeted at providing the core voltage, peripheral, I/O and memory rails in a processor based system.
All three step-down converters enter a low-power mode at light load for maximum efficiency across the widest possible range of load currents. The TPS65022 also integrates two general-purpose 200-mA LDO voltage regulators, which are enabled with an external input pin. Each LDO operates with an input voltage range between 1.5 V and 6.5 V, allowing them to be supplied from one of the step-down converters or directly from the battery.
The default output voltage of the LDOs can be digitally set to 4 different voltage combinations using the DEFLDO1 and DEFLDO2 pins.
The serial interface can be used for dynamic voltage scaling, masking interrupts, or for disabling, enabling, and setting the LDO output voltages. The interface is compatible with the Fast/Standard mode I2C specification, allowing transfers at up to 400 kHz. The TPS65022 is available in a 40-pin (RHA) VQFN package, and operates over a free-air temperature of –40°C to 85°C. |
TPS650236-channel Power Management IC (PMIC) with 3DC/DCs, 3 LDOs, I2C Interface and DVS | Evaluation and Demonstration Boards and Kits | 10 | Active | The TPS65023-Q1 device is an integrated power-management integrated circuit (IC) for applications powered by one Li-Ion or Li-Polymer cell, which require multiple power rails. The TPS65023-Q1 device provides three highly efficient, step-down converters targeted at providing the core voltage, peripheral, input and output (I/O), and memory rails in a processor-based system. The core converter allows for on-the-fly voltage changes through a serial interface, allowing the system to implement dynamic power savings. All three step-down converters enter a low-power mode at light load for maximum efficiency across the widest possible range of load currents.
The TPS65023-Q1 device also integrates two general-purpose 200-mA LDO voltage regulators, which are enabled with an external input pin. Each LDO operates with an input voltage range between 1.5 V and 6.5 V, allowing them to be supplied from one of the step-down converters or directly from the battery. The default output voltage of the LDOs can be digitally set to four different voltage combinations using the DEFLDO1 and DEFLDO2 pins. The serial interface can be used for dynamic voltage scaling, masking interrupts, or for disabling, enabling, and setting the LDO output voltages. The interface is compatible with the fast- or standard-mode I2C specifications, allowing transfers at up to 400 kHz. The TPS65023-Q1 device operates over a free-air temperature of –40°C to 125°C.
The TPS65023-Q1 device is an integrated power-management integrated circuit (IC) for applications powered by one Li-Ion or Li-Polymer cell, which require multiple power rails. The TPS65023-Q1 device provides three highly efficient, step-down converters targeted at providing the core voltage, peripheral, input and output (I/O), and memory rails in a processor-based system. The core converter allows for on-the-fly voltage changes through a serial interface, allowing the system to implement dynamic power savings. All three step-down converters enter a low-power mode at light load for maximum efficiency across the widest possible range of load currents.
The TPS65023-Q1 device also integrates two general-purpose 200-mA LDO voltage regulators, which are enabled with an external input pin. Each LDO operates with an input voltage range between 1.5 V and 6.5 V, allowing them to be supplied from one of the step-down converters or directly from the battery. The default output voltage of the LDOs can be digitally set to four different voltage combinations using the DEFLDO1 and DEFLDO2 pins. The serial interface can be used for dynamic voltage scaling, masking interrupts, or for disabling, enabling, and setting the LDO output voltages. The interface is compatible with the fast- or standard-mode I2C specifications, allowing transfers at up to 400 kHz. The TPS65023-Q1 device operates over a free-air temperature of –40°C to 125°C. |
| Evaluation and Demonstration Boards and Kits | 5 | Active | ||
| Battery Management | 2 | Active | ||
TPS650241Power Management IC (PMIC) for Li-Ion Powered Systems | DC/DC & AC/DC (Off-Line) SMPS Evaluation Boards | 4 | Active | The TPS65024x devices are integrated power management ICs for applications powered by one Li-Ion or Li-Polymer cell, which require multiple power rails. The TPS65024x provide three highly efficient, step-down converters targeted at providing the core voltage, peripheral, I/O, and memory rails in a processor-based system. All three step-down converters enter a low power mode at light load for maximum efficiency across the widest possible range of load currents. The converters can be forced into fixed-frequency PWM mode by pulling the MODE pin high.
The TPS65024x devices are integrated power management ICs for applications powered by one Li-Ion or Li-Polymer cell, which require multiple power rails. The TPS65024x provide three highly efficient, step-down converters targeted at providing the core voltage, peripheral, I/O, and memory rails in a processor-based system. All three step-down converters enter a low power mode at light load for maximum efficiency across the widest possible range of load currents. The converters can be forced into fixed-frequency PWM mode by pulling the MODE pin high. |