TPS25859-Q1Dual 3-A USB Type-C® charging ports controller with load shedding and USB ON/OFF control | Power Management (PMIC) | 1 | Active | The TPS2585x-Q1 is an integrated USB charging port solution, which includes a synchronous DC/DC converter capable of supplying up to 6.6 A and integrated detection and control for implementing USB Battery Charging 1.2 and Type-C ports.
The TPS2585x-Q1 is a family of highly-integrated USB Type-C charging controller for dual-USB ports application.
The TPS2585x-Q1 integrates a monolithic, synchronous, rectified, step-down, switch-mode converter with internal power MOSFETs and two USB current-limit switches with charging port auto-detection. The TPS2585x-Q1 offers a compact solution that achieves 6.6 A of continuous output current with excellent load and line regulation over a wide input supply range. The synchronous buck regulator operates with peak-current mode control and is internally compensated to simplify the design. A resistor on the FREQ pin sets the switching frequency between 200 kHz and 800 kHz.
The TPS2585x-Q1 integrates standard USB Type-C port controller functionality including Configuration Channel (CC) logic for 3-A and 1.5-A current advertisement. TPS25858-Q1 integrates Battery Charging (Rev. 1.2) to provide the required electrical signatures necessary for non-Type-C, legacy USB devices which use USB data line signaling to determine USB port current sourcing capabilities. TPS25859-Q1 can enable each port individually and can report fault condition for each port. The TPS2585x-Q1 also offers VCONN power that can meet the USB3.1 power requirement. The part is especially suitable for dual-port application due to the high system integration and small footprint.
The TPS2585x-Q1 supports intelligent thermal management. The USB output voltage and Type-C current advertisements can be regulated according to the temperature sensing through the TS pin. The TPS2585x-Q1 must connect a NTC thermistor on the TS pin to monitor the ambient temperature or PCB boar temperature, depending on where the NTC thermistor is put in the USB charging module or PCB board. Select a different NTC thermistor and bottom-side series resistor can change the temperature threshold for load shedding.
The TPS2585x-Q1 have four selectable USB output voltage settings: 5.1 V, 5.17 V, 5.3 V, and 5.4 V. The TPS2585x-Q1 integrates a precision current sense amplifier for cable droop compensation and user-programmable current limit tuning. The cable compensation is only available when the output voltage is set to 5.17 V. The cable compensation voltage is 90 mV at 2.4-A output current. Cable compensation aids portable devices in charging at optimum current and voltage under heavy loads by changing the buck regulator output voltage linearly with load current to counteract the voltage drop due to wire resistance in automotive cabling. The BUS voltage measured at a connected portable device remains approximately constant, regardless of load current, allowing the battery charger of the portable device to work optimally.
The TPS2585x-Q1 provides various safety features for USB charging and system operations, including external negative thermistor monitoring, cycle-by-cycle current limit, hiccup short-circuit protection, undervoltage lockout, BUS overcurrent, OUT overcurrent, and die overtemperature protection.
The device family is available in a 25-pin, 3.5 mm × 4.5 mm QFN package.
The TPS2585x-Q1 is an integrated USB charging port solution, which includes a synchronous DC/DC converter capable of supplying up to 6.6 A and integrated detection and control for implementing USB Battery Charging 1.2 and Type-C ports.
The TPS2585x-Q1 is a family of highly-integrated USB Type-C charging controller for dual-USB ports application.
The TPS2585x-Q1 integrates a monolithic, synchronous, rectified, step-down, switch-mode converter with internal power MOSFETs and two USB current-limit switches with charging port auto-detection. The TPS2585x-Q1 offers a compact solution that achieves 6.6 A of continuous output current with excellent load and line regulation over a wide input supply range. The synchronous buck regulator operates with peak-current mode control and is internally compensated to simplify the design. A resistor on the FREQ pin sets the switching frequency between 200 kHz and 800 kHz.
The TPS2585x-Q1 integrates standard USB Type-C port controller functionality including Configuration Channel (CC) logic for 3-A and 1.5-A current advertisement. TPS25858-Q1 integrates Battery Charging (Rev. 1.2) to provide the required electrical signatures necessary for non-Type-C, legacy USB devices which use USB data line signaling to determine USB port current sourcing capabilities. TPS25859-Q1 can enable each port individually and can report fault condition for each port. The TPS2585x-Q1 also offers VCONN power that can meet the USB3.1 power requirement. The part is especially suitable for dual-port application due to the high system integration and small footprint.
The TPS2585x-Q1 supports intelligent thermal management. The USB output voltage and Type-C current advertisements can be regulated according to the temperature sensing through the TS pin. The TPS2585x-Q1 must connect a NTC thermistor on the TS pin to monitor the ambient temperature or PCB boar temperature, depending on where the NTC thermistor is put in the USB charging module or PCB board. Select a different NTC thermistor and bottom-side series resistor can change the temperature threshold for load shedding.
The TPS2585x-Q1 have four selectable USB output voltage settings: 5.1 V, 5.17 V, 5.3 V, and 5.4 V. The TPS2585x-Q1 integrates a precision current sense amplifier for cable droop compensation and user-programmable current limit tuning. The cable compensation is only available when the output voltage is set to 5.17 V. The cable compensation voltage is 90 mV at 2.4-A output current. Cable compensation aids portable devices in charging at optimum current and voltage under heavy loads by changing the buck regulator output voltage linearly with load current to counteract the voltage drop due to wire resistance in automotive cabling. The BUS voltage measured at a connected portable device remains approximately constant, regardless of load current, allowing the battery charger of the portable device to work optimally.
The TPS2585x-Q1 provides various safety features for USB charging and system operations, including external negative thermistor monitoring, cycle-by-cycle current limit, hiccup short-circuit protection, undervoltage lockout, BUS overcurrent, OUT overcurrent, and die overtemperature protection.
The device family is available in a 25-pin, 3.5 mm × 4.5 mm QFN package. |
TPS25860-Q1USB Type-C® + Type-A dual charging ports controller with load shedding, 2.2 MHz | Integrated Circuits (ICs) | 1 | Active | The TPS2586x-Q1 is an integrated USB charging port solution, which includes a synchronous, high efficiency DC/DC converter and integrated detection and control for implementing USB Battery Charging 1.2 and Type-C ports.
The TPS2586x-Q1 is a family of highly-integrated USB charging controller for Type-C and Type-A dual ports application.
The device integrates a monolithic, synchronous, rectified, step-down, switch-mode converter with internal power MOSFETs and two USB current-limit switches with charging port auto-detection. The TPS2586x-Q1 offers a compact solution with excellent load and line regulation over a wide input supply range. The synchronous buck regulator operates with peak-current mode control and is internally compensated to simplify the design. A resistor on the FREQ pin sets the switching frequency between 200 kHz and 3 MHz. Operating below 400 kHz results in better system efficiency and operation above 2.1 MHz avoids the AM radio bands and allows for use of a smaller inductor.
The TPS2586x-Q1 integrates standard USB Type-C port controller functionality including Configuration Channel (CC) logic for 3-A and 1.5-A current advertisement. Battery Charging (Rev. 1.2) integration provides the required electrical signatures necessary for non-Type-C, legacy USB devices which use USB data line signaling to determine USB port current sourcing capabilities. The TPS2586x-Q1 also has integrated VCONN power that can meet the USB3.1 power requirement. The part is especially suitable for dual-port application due to the high system integration and small footprint.
Since the TPS2586x-Q1 supports intelligent thermal regulation, the output current and voltage can be regulated according to the temperature sensing through the TS pin. The device needs to connect a NTC thermistor on the TS pin to monitor the ambient temperature or PCB board temperature, depending on where the NTC thermistor is put in the USB charging module or PCB board. Select a different NTC thermistor and bottom-side series resistor can change the temperature for load shedding.
The TPS2586x-Q1 have four selectable USB output voltage settings: 5.1 V, 5.17 V, 5.3 V, and 5.4 V. The TPS2586x-Q1 integrates a precision current sense amplifier for cable droop compensation and user-programmable current limit tuning. The cable compensation is only available when the output voltage is set to 5.17 V. The cable compensation voltage is 90 mV at 2.4-A output current. Cable compensation aids portable devices in charging at optimum current and voltage under heavy loads by changing the buck regulator output voltage linearly with load current to counteract the voltage drop due to wire resistance in automotive cabling. The BUS voltage measured at a connected portable device remains approximately constant, regardless of load current, allowing the battery charger of the portable device to work optimally.
The TPS2586x-Q1 provides various safety features for USB charging and system operations, including external negative thermistor monitoring, cycle-by-cycle current limit, hiccup short-circuit protection, undervoltage lockout, BUS overcurrent, OUT overcurrent, and die overtemperature protection.
The device family is available in 25-pin, 3.5-mm × 4.5-mm QFN package.
The TPS2586x-Q1 is an integrated USB charging port solution, which includes a synchronous, high efficiency DC/DC converter and integrated detection and control for implementing USB Battery Charging 1.2 and Type-C ports.
The TPS2586x-Q1 is a family of highly-integrated USB charging controller for Type-C and Type-A dual ports application.
The device integrates a monolithic, synchronous, rectified, step-down, switch-mode converter with internal power MOSFETs and two USB current-limit switches with charging port auto-detection. The TPS2586x-Q1 offers a compact solution with excellent load and line regulation over a wide input supply range. The synchronous buck regulator operates with peak-current mode control and is internally compensated to simplify the design. A resistor on the FREQ pin sets the switching frequency between 200 kHz and 3 MHz. Operating below 400 kHz results in better system efficiency and operation above 2.1 MHz avoids the AM radio bands and allows for use of a smaller inductor.
The TPS2586x-Q1 integrates standard USB Type-C port controller functionality including Configuration Channel (CC) logic for 3-A and 1.5-A current advertisement. Battery Charging (Rev. 1.2) integration provides the required electrical signatures necessary for non-Type-C, legacy USB devices which use USB data line signaling to determine USB port current sourcing capabilities. The TPS2586x-Q1 also has integrated VCONN power that can meet the USB3.1 power requirement. The part is especially suitable for dual-port application due to the high system integration and small footprint.
Since the TPS2586x-Q1 supports intelligent thermal regulation, the output current and voltage can be regulated according to the temperature sensing through the TS pin. The device needs to connect a NTC thermistor on the TS pin to monitor the ambient temperature or PCB board temperature, depending on where the NTC thermistor is put in the USB charging module or PCB board. Select a different NTC thermistor and bottom-side series resistor can change the temperature for load shedding.
The TPS2586x-Q1 have four selectable USB output voltage settings: 5.1 V, 5.17 V, 5.3 V, and 5.4 V. The TPS2586x-Q1 integrates a precision current sense amplifier for cable droop compensation and user-programmable current limit tuning. The cable compensation is only available when the output voltage is set to 5.17 V. The cable compensation voltage is 90 mV at 2.4-A output current. Cable compensation aids portable devices in charging at optimum current and voltage under heavy loads by changing the buck regulator output voltage linearly with load current to counteract the voltage drop due to wire resistance in automotive cabling. The BUS voltage measured at a connected portable device remains approximately constant, regardless of load current, allowing the battery charger of the portable device to work optimally.
The TPS2586x-Q1 provides various safety features for USB charging and system operations, including external negative thermistor monitoring, cycle-by-cycle current limit, hiccup short-circuit protection, undervoltage lockout, BUS overcurrent, OUT overcurrent, and die overtemperature protection.
The device family is available in 25-pin, 3.5-mm × 4.5-mm QFN package. |
| Power Management (PMIC) | 1 | Active | |
| Power Management (PMIC) | 1 | Active | |
| Power Management - Specialized | 1 | Active | |
TPS25868-Q1USB Type-C® + Type-A dual charging ports controller with programmable current limit & load shedding | Integrated Circuits (ICs) | 1 | Active | The TPS2586x-Q1 is an integrated USB charging port solution, which includes a synchronous, high efficiency DC/DC converter and integrated detection and control for implementing USB Battery Charging 1.2 and Type-C ports.
The TPS2586x-Q1 is a family of highly-integrated USB charging controller for Type-C and Type-A dual ports application.
The device integrates a monolithic, synchronous, rectified, step-down, switch-mode converter with internal power MOSFETs and two USB current-limit switches with charging port auto-detection. The TPS2586x-Q1 offers a compact solution with excellent load and line regulation over a wide input supply range. The synchronous buck regulator operates with peak-current mode control and is internally compensated to simplify the design. A resistor on the FREQ pin sets the switching frequency between 200 kHz and 800 kHz, operating below 400 kHz results in better system efficiency.
The TPS2586x-Q1 integrates standard USB Type-C port controller functionality including Configuration Channel (CC) logic for 3-A and 1.5-A current advertisement. Battery Charging (Rev. 1.2) integration provides the required electrical signatures necessary for non-Type-C, legacy USB devices which use USB data line signaling to determine USB port current sourcing capabilities. The TPS2586x-Q1 also has integrated VCONN power that can meet the USB3.1 power requirement. The part is especially suitable for dual-port application due to the high system integration and small footprint.
Since the TPS2586x-Q1 supports intelligent thermal regulation, the output current and voltage can be regulated according to the temperature sensing through the TS pin. It needs to connect a NTC thermistor on the TS pin to monitor the ambient temperature or PCB board temperature, depending on where the NTC thermistor is put in the USB charging module or PCB board. Select a different NTC thermistor and bottom-side series resistor can change the temperature for load shedding.
The TPS2586x-Q1 have four selectable USB output voltage settings: 5.1 V, 5.17 V, 5.3 V, and 5.4 V. The TPS2586x-Q1 integrates a precision current sense amplifier for cable droop compensation and user-programmable current limit tuning. The cable compensation is only available when the output voltage is set to 5.17 V. The cable compensation voltage is 90 mV at 2.4-A output current. Cable compensation aids portable devices in charging at optimum current and voltage under heavy loads by changing the buck regulator output voltage linearly with load current to counteract the voltage drop due to wire resistance in automotive cabling. The BUS voltage measured at a connected portable device remains approximately constant, regardless of load current, allowing the battery charger of the portable device to work optimally.
The TPS2586x-Q1 provides various safety features for USB charging and system operations, including external negative thermistor monitoring, cycle-by-cycle current limit, hiccup short-circuit protection, undervoltage lockout, BUS overcurrent, OUT overcurrent, and die overtemperature protection.
The device family is available in 25-pin, 3.5-mm × 4.5-mm QFN package.
The TPS2586x-Q1 is an integrated USB charging port solution, which includes a synchronous, high efficiency DC/DC converter and integrated detection and control for implementing USB Battery Charging 1.2 and Type-C ports.
The TPS2586x-Q1 is a family of highly-integrated USB charging controller for Type-C and Type-A dual ports application.
The device integrates a monolithic, synchronous, rectified, step-down, switch-mode converter with internal power MOSFETs and two USB current-limit switches with charging port auto-detection. The TPS2586x-Q1 offers a compact solution with excellent load and line regulation over a wide input supply range. The synchronous buck regulator operates with peak-current mode control and is internally compensated to simplify the design. A resistor on the FREQ pin sets the switching frequency between 200 kHz and 800 kHz, operating below 400 kHz results in better system efficiency.
The TPS2586x-Q1 integrates standard USB Type-C port controller functionality including Configuration Channel (CC) logic for 3-A and 1.5-A current advertisement. Battery Charging (Rev. 1.2) integration provides the required electrical signatures necessary for non-Type-C, legacy USB devices which use USB data line signaling to determine USB port current sourcing capabilities. The TPS2586x-Q1 also has integrated VCONN power that can meet the USB3.1 power requirement. The part is especially suitable for dual-port application due to the high system integration and small footprint.
Since the TPS2586x-Q1 supports intelligent thermal regulation, the output current and voltage can be regulated according to the temperature sensing through the TS pin. It needs to connect a NTC thermistor on the TS pin to monitor the ambient temperature or PCB board temperature, depending on where the NTC thermistor is put in the USB charging module or PCB board. Select a different NTC thermistor and bottom-side series resistor can change the temperature for load shedding.
The TPS2586x-Q1 have four selectable USB output voltage settings: 5.1 V, 5.17 V, 5.3 V, and 5.4 V. The TPS2586x-Q1 integrates a precision current sense amplifier for cable droop compensation and user-programmable current limit tuning. The cable compensation is only available when the output voltage is set to 5.17 V. The cable compensation voltage is 90 mV at 2.4-A output current. Cable compensation aids portable devices in charging at optimum current and voltage under heavy loads by changing the buck regulator output voltage linearly with load current to counteract the voltage drop due to wire resistance in automotive cabling. The BUS voltage measured at a connected portable device remains approximately constant, regardless of load current, allowing the battery charger of the portable device to work optimally.
The TPS2586x-Q1 provides various safety features for USB charging and system operations, including external negative thermistor monitoring, cycle-by-cycle current limit, hiccup short-circuit protection, undervoltage lockout, BUS overcurrent, OUT overcurrent, and die overtemperature protection.
The device family is available in 25-pin, 3.5-mm × 4.5-mm QFN package. |
| Integrated Circuits (ICs) | 1 | Active | |
| Evaluation Boards | 2 | Obsolete | |
| Evaluation Boards | 3 | Active | |
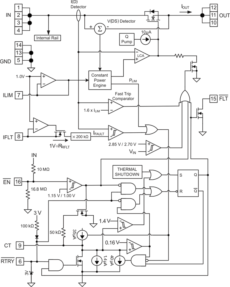
TPS259102.9-V to 20-V, 30mΩ, 0.8-6.5A eFuse | Evaluation and Demonstration Boards and Kits | 3 | Active | The TPS25910 device provides highly integrated hot-swap power management and superior protection in applications up to 20 V. The maximum UV turn-on threshold of 2.9 V makes the TPS25910 device well suited to standard bus voltages as low as 3.3 V. This device is intended for systems where a voltage bus must be protected from undesired permanent and transient overload.
At start-up or when hot plugging into the system bus, the TPS25910 device limits the inrush current by controlling the ramp rate of the output voltage, VOUT. The slew rate of VOUTcan be adjusted with a capacitor between the GATE pin and the GND pin.
Built in SOA protection ensures that the internal MOSFET operates inside a safe operating area (SOA) under the harshest operating conditions. In addition, the current-limit threshold, which is independent of the power limit, can be adjusted with a resistor between the ILIM pin and the GND pin.
The TPS25910 device provides a fault indicator output when in thermal fault.
The TPS25910 device is available in a 16-pin QFN package.
The TPS25910 device provides highly integrated hot-swap power management and superior protection in applications up to 20 V. The maximum UV turn-on threshold of 2.9 V makes the TPS25910 device well suited to standard bus voltages as low as 3.3 V. This device is intended for systems where a voltage bus must be protected from undesired permanent and transient overload.
At start-up or when hot plugging into the system bus, the TPS25910 device limits the inrush current by controlling the ramp rate of the output voltage, VOUT. The slew rate of VOUTcan be adjusted with a capacitor between the GATE pin and the GND pin.
Built in SOA protection ensures that the internal MOSFET operates inside a safe operating area (SOA) under the harshest operating conditions. In addition, the current-limit threshold, which is independent of the power limit, can be adjusted with a resistor between the ILIM pin and the GND pin.
The TPS25910 device provides a fault indicator output when in thermal fault.
The TPS25910 device is available in a 16-pin QFN package. |