| Development Boards, Kits, Programmers | 2 | Active | |
| Integrated Circuits (ICs) | 2 | Active | |
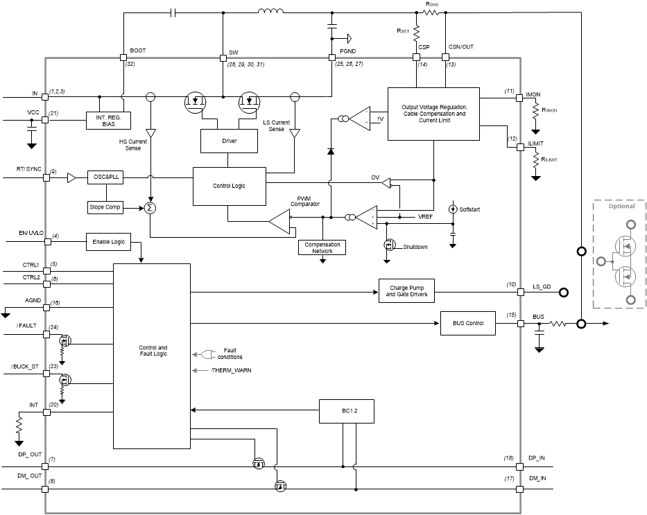
TPS25842USB Type-A SDP/CDP automotive charge port converter cable compensation | Power Management (PMIC) | 2 | Active | The TPS2584x-Q1 is a USB Type-A BC1.2 charging solution that includes a synchronous DC/DC converter. With cable droop compensation, the Vbus voltage remains constant regardless of load current, ensuring connected portable devices charge at optimal current and voltage even under heavy loads.
The TPS2584x-Q1 includes high bandwidth analog switches for DP and DM pass-through.
The TPS25840-Q1 also integrates short-to-battery protection on VBUS, DM_IN and DP_IN pins. These pins can withstand voltage up to 18 V. TPS25842-Q1 does not support data line (Dx) short-to-VBATprotection.
The synchronous buck regulator operates with current mode control and is internally compensated to simplify design. A resistor on the RT pin sets the switching frequency between 300 kHz and 2.2 MHz. Operating below 400 kHz results in better system efficiency. Operation above 2.1 MHz avoids the AM radio bands and allows for use of a smaller inductor.
The TPS2584x-Q1 integrates electrical signatures necessary for legacy devices which use USB data lines to determine charging configuration.
A precision current sense amplifier is included for user programmable cable droop compensation and current limit tuning. Cable compensation aids portable devices in charging at optimum current and voltage under heavy loads by changing the buck regulator output voltage linearly with load current to counteract the voltage drop due to wire resistance in automotive cabling. The VBUS voltage measured at a connected portable device remains approximately constant, regardless of load current, allowing the portable device’s battery charger to work optimally.
The USB specifications require current limiting of USB charging ports, but give system designers reasonable flexibility to choose overcurrent protection levels based on system requirements. The TPS2584x-Q1 uses a novel two-threshold current limit circuit allowing system designers to either program average current limit protection of the buck regulator, or optionally, current limit using an external NMOS between the CSN/OUT and BUS pins. The NFET implementation enables the TPS2584x-Q1 buck regulator to supply a 5-V output for other loads during an overcurrent condition on the USB port.
Protection features include cycle-by-cycle current limit, hiccup short-circuit protection, undervoltage lockout, VBUS overvoltage and overcurrent, data line (Dx) short to VBUS, and die overtemperature protection.
The TPS25840-Q1 includes high bandwidth analog switches for DP and DM pass-through, and support data line (Dx) short to VBAT protection. TPS25842-Q1 don’t support data line (Dx) short to VBAT protection.
The TPS2584x-Q1 is a USB Type-A BC1.2 charging solution that includes a synchronous DC/DC converter. With cable droop compensation, the Vbus voltage remains constant regardless of load current, ensuring connected portable devices charge at optimal current and voltage even under heavy loads.
The TPS2584x-Q1 includes high bandwidth analog switches for DP and DM pass-through.
The TPS25840-Q1 also integrates short-to-battery protection on VBUS, DM_IN and DP_IN pins. These pins can withstand voltage up to 18 V. TPS25842-Q1 does not support data line (Dx) short-to-VBATprotection.
The synchronous buck regulator operates with current mode control and is internally compensated to simplify design. A resistor on the RT pin sets the switching frequency between 300 kHz and 2.2 MHz. Operating below 400 kHz results in better system efficiency. Operation above 2.1 MHz avoids the AM radio bands and allows for use of a smaller inductor.
The TPS2584x-Q1 integrates electrical signatures necessary for legacy devices which use USB data lines to determine charging configuration.
A precision current sense amplifier is included for user programmable cable droop compensation and current limit tuning. Cable compensation aids portable devices in charging at optimum current and voltage under heavy loads by changing the buck regulator output voltage linearly with load current to counteract the voltage drop due to wire resistance in automotive cabling. The VBUS voltage measured at a connected portable device remains approximately constant, regardless of load current, allowing the portable device’s battery charger to work optimally.
The USB specifications require current limiting of USB charging ports, but give system designers reasonable flexibility to choose overcurrent protection levels based on system requirements. The TPS2584x-Q1 uses a novel two-threshold current limit circuit allowing system designers to either program average current limit protection of the buck regulator, or optionally, current limit using an external NMOS between the CSN/OUT and BUS pins. The NFET implementation enables the TPS2584x-Q1 buck regulator to supply a 5-V output for other loads during an overcurrent condition on the USB port.
Protection features include cycle-by-cycle current limit, hiccup short-circuit protection, undervoltage lockout, VBUS overvoltage and overcurrent, data line (Dx) short to VBUS, and die overtemperature protection.
The TPS25840-Q1 includes high bandwidth analog switches for DP and DM pass-through, and support data line (Dx) short to VBAT protection. TPS25842-Q1 don’t support data line (Dx) short to VBAT protection. |
TPS25842-Q1USB Type-A SDP/CDP automotive charge port converter cable compensation | Power Management - Specialized | 1 | Active | The TPS2584x-Q1 is a USB Type-A BC1.2 charging solution that includes a synchronous DC/DC converter. With cable droop compensation, the Vbus voltage remains constant regardless of load current, ensuring connected portable devices charge at optimal current and voltage even under heavy loads.
The TPS2584x-Q1 includes high bandwidth analog switches for DP and DM pass-through.
The TPS25840-Q1 also integrates short-to-battery protection on VBUS, DM_IN and DP_IN pins. These pins can withstand voltage up to 18 V. TPS25842-Q1 does not support data line (Dx) short-to-VBATprotection.
The synchronous buck regulator operates with current mode control and is internally compensated to simplify design. A resistor on the RT pin sets the switching frequency between 300 kHz and 2.2 MHz. Operating below 400 kHz results in better system efficiency. Operation above 2.1 MHz avoids the AM radio bands and allows for use of a smaller inductor.
The TPS2584x-Q1 integrates electrical signatures necessary for legacy devices which use USB data lines to determine charging configuration.
A precision current sense amplifier is included for user programmable cable droop compensation and current limit tuning. Cable compensation aids portable devices in charging at optimum current and voltage under heavy loads by changing the buck regulator output voltage linearly with load current to counteract the voltage drop due to wire resistance in automotive cabling. The VBUS voltage measured at a connected portable device remains approximately constant, regardless of load current, allowing the portable device’s battery charger to work optimally.
The USB specifications require current limiting of USB charging ports, but give system designers reasonable flexibility to choose overcurrent protection levels based on system requirements. The TPS2584x-Q1 uses a novel two-threshold current limit circuit allowing system designers to either program average current limit protection of the buck regulator, or optionally, current limit using an external NMOS between the CSN/OUT and BUS pins. The NFET implementation enables the TPS2584x-Q1 buck regulator to supply a 5-V output for other loads during an overcurrent condition on the USB port.
Protection features include cycle-by-cycle current limit, hiccup short-circuit protection, undervoltage lockout, VBUS overvoltage and overcurrent, data line (Dx) short to VBUS, and die overtemperature protection.
The TPS25840-Q1 includes high bandwidth analog switches for DP and DM pass-through, and support data line (Dx) short to VBAT protection. TPS25842-Q1 don’t support data line (Dx) short to VBAT protection.
The TPS2584x-Q1 is a USB Type-A BC1.2 charging solution that includes a synchronous DC/DC converter. With cable droop compensation, the Vbus voltage remains constant regardless of load current, ensuring connected portable devices charge at optimal current and voltage even under heavy loads.
The TPS2584x-Q1 includes high bandwidth analog switches for DP and DM pass-through.
The TPS25840-Q1 also integrates short-to-battery protection on VBUS, DM_IN and DP_IN pins. These pins can withstand voltage up to 18 V. TPS25842-Q1 does not support data line (Dx) short-to-VBATprotection.
The synchronous buck regulator operates with current mode control and is internally compensated to simplify design. A resistor on the RT pin sets the switching frequency between 300 kHz and 2.2 MHz. Operating below 400 kHz results in better system efficiency. Operation above 2.1 MHz avoids the AM radio bands and allows for use of a smaller inductor.
The TPS2584x-Q1 integrates electrical signatures necessary for legacy devices which use USB data lines to determine charging configuration.
A precision current sense amplifier is included for user programmable cable droop compensation and current limit tuning. Cable compensation aids portable devices in charging at optimum current and voltage under heavy loads by changing the buck regulator output voltage linearly with load current to counteract the voltage drop due to wire resistance in automotive cabling. The VBUS voltage measured at a connected portable device remains approximately constant, regardless of load current, allowing the portable device’s battery charger to work optimally.
The USB specifications require current limiting of USB charging ports, but give system designers reasonable flexibility to choose overcurrent protection levels based on system requirements. The TPS2584x-Q1 uses a novel two-threshold current limit circuit allowing system designers to either program average current limit protection of the buck regulator, or optionally, current limit using an external NMOS between the CSN/OUT and BUS pins. The NFET implementation enables the TPS2584x-Q1 buck regulator to supply a 5-V output for other loads during an overcurrent condition on the USB port.
Protection features include cycle-by-cycle current limit, hiccup short-circuit protection, undervoltage lockout, VBUS overvoltage and overcurrent, data line (Dx) short to VBUS, and die overtemperature protection.
The TPS25840-Q1 includes high bandwidth analog switches for DP and DM pass-through, and support data line (Dx) short to VBAT protection. TPS25842-Q1 don’t support data line (Dx) short to VBAT protection. |
TPS25846-Q1USB BC1.2 5-V 3.5-A output, 36-V input synchronous step-down converter with client mode support | Integrated Circuits (ICs) | 2 | Active | The TPS25846-Q1 is a USB Type-A BC1.2 charging solution that includes a synchronous DC/DC converter. With cable droop compensation, the Vbus voltage remains constant regardless of load current, ensuring connected portable devices are charged at optimal current and voltage even under heavy loads.
The TPS25846-Q1 includes high bandwidth analog switches for DP and DM pass-through. The device also integrates short to battery protection on VBUS, DM_IN and DP_IN pins. These pins can withstand voltage up to 18 V.
The synchronous buck regulator operates with current mode control and is internally compensated to simplify design. A resistor on the RT pin sets the switching frequency between 300 kHz and 2.2 MHz. Operating below 400 kHz results in better system efficiency. Operation above 2.1 MHz avoids the AM radio bands and allows for use of a smaller inductor.
The TPS25846-Q1 integrates electrical signatures necessary for legacy devices which use USB data lines to determine charging configuration.
A precision current sense amplifier is included for user programmable cable droop compensation and current limit tuning. Cable compensation aids portable devices in charging at optimum current and voltage under heavy loads by changing the buck regulator output voltage linearly with load current to counteract the voltage drop due to wire resistance in automotive cabling. The VBUS voltage measured at a connected portable device remains approximately constant, regardless of load current, allowing the portable device’s battery charger to work optimally.
The USB specifications require current limiting of USB charging ports, but give system designers reasonable flexibility to choose overcurrent protection levels based on system requirements. The TPS25846-Q1 uses a novel two-threshold current limit circuit allowing system designers to either program average current limit protection of the buck regulator, or optionally, current limit using an external NMOS between the CSN/OUT and BUS pins. The NFET implementation enables the TPS25846-Q1 buck regulator to supply a 5-V output for other loads during an overcurrent condition on the USB port.
Protection features include cycle-by-cycle current limit, hiccup short-circuit protection, undervoltage lockout, VBUS overvoltage and overcurrent, data line (Dx) short to VBUS, and die overtemperature protection.
The TPS25846-Q1 includes high bandwidth analog switches for DP and DM pass-through, and support data line (Dx) short-to-VBAT protection.
The TPS25846-Q1 is a USB Type-A BC1.2 charging solution that includes a synchronous DC/DC converter. With cable droop compensation, the Vbus voltage remains constant regardless of load current, ensuring connected portable devices are charged at optimal current and voltage even under heavy loads.
The TPS25846-Q1 includes high bandwidth analog switches for DP and DM pass-through. The device also integrates short to battery protection on VBUS, DM_IN and DP_IN pins. These pins can withstand voltage up to 18 V.
The synchronous buck regulator operates with current mode control and is internally compensated to simplify design. A resistor on the RT pin sets the switching frequency between 300 kHz and 2.2 MHz. Operating below 400 kHz results in better system efficiency. Operation above 2.1 MHz avoids the AM radio bands and allows for use of a smaller inductor.
The TPS25846-Q1 integrates electrical signatures necessary for legacy devices which use USB data lines to determine charging configuration.
A precision current sense amplifier is included for user programmable cable droop compensation and current limit tuning. Cable compensation aids portable devices in charging at optimum current and voltage under heavy loads by changing the buck regulator output voltage linearly with load current to counteract the voltage drop due to wire resistance in automotive cabling. The VBUS voltage measured at a connected portable device remains approximately constant, regardless of load current, allowing the portable device’s battery charger to work optimally.
The USB specifications require current limiting of USB charging ports, but give system designers reasonable flexibility to choose overcurrent protection levels based on system requirements. The TPS25846-Q1 uses a novel two-threshold current limit circuit allowing system designers to either program average current limit protection of the buck regulator, or optionally, current limit using an external NMOS between the CSN/OUT and BUS pins. The NFET implementation enables the TPS25846-Q1 buck regulator to supply a 5-V output for other loads during an overcurrent condition on the USB port.
Protection features include cycle-by-cycle current limit, hiccup short-circuit protection, undervoltage lockout, VBUS overvoltage and overcurrent, data line (Dx) short to VBUS, and die overtemperature protection.
The TPS25846-Q1 includes high bandwidth analog switches for DP and DM pass-through, and support data line (Dx) short-to-VBAT protection. |
TPS258502.2-MHz, low-EMI, dual, 3-A USB Type-C charging ports converter with thermal management | Power Management (PMIC) | 1 | Active | The TPS258x-Q1 is an integrated USB charging port solution, which includes a synchronous DC/DC converter capable of supplying up to 6.6 A and integrated detection and control for implementing USB Battery Charging 1.2 and Type-C ports.
The TPS2585x-Q1 is a family of highly-integrated USB Type-C charging controller for dual-USB ports application.
The device integrates a monolithic, synchronous, rectified, step-down, switch-mode converter with internal power MOSFETs and two USB current-limit switches with charging port auto-detection. The TPS2585x-Q1 offers a compact solution that achieves 6.6 A of continuous output current with excellent load and line regulation over a wide input supply range. The synchronous buck regulator operates with peak-current mode control and is internally compensated to simplify the design. A resistor on the FREQ pin sets the switching frequency between 200 kHz and 3 MHz. Operating below 400 kHz results in better system efficiency and operation above 2.1 MHz avoids the AM radio bands and allows for use of a smaller inductor.
The TPS2585x-Q1 integrates standard USB Type-C port controller functionality including Configuration Channel (CC) logic for 3-A and 1.5-A current advertisement. Battery charging (Rev. 1.2) integration provides the required electrical signatures necessary for non-Type-C, legacy USB devices which use USB data line signaling to determine USB port current sourcing capabilities. The TPS2585x-Q1 also has integrated VCONN power that can meet the USB3.1 power requirement. The part is especially suitable for dual-port application due to the high system integration and small footprint.
The TPS2585x-Q1 supports intelligent thermal management. The USB output voltage and Type-C current advertisements can be regulated according to the temperature sensing through the TS pin. It must connect a NTC thermistor on the TS pin to monitor the ambient temperature or PCB boar temperature, depending on where the NTC thermistor is put in the USB charging module or PCB board. Select a different NTC thermistor and bottom-side series resistor can change the temperature threshold for load shedding.
The TPS2585x-Q1 have four selectable USB output voltage settings: 5.1 V, 5.17 V, 5.3 V, and 5.4 V. The TPS2585x-Q1 integrates a precision current sense amplifier for cable droop compensation and user-programmable current limit tuning. The cable compensation is only available when the output voltage is set to 5.17 V. The cable compensation voltage is 90 mV at 2.4-A output current. Cable compensation aids portable devices in charging at optimum current and voltage under heavy loads by changing the buck regulator output voltage linearly with load current to counteract the voltage drop due to wire resistance in automotive cabling. The BUS voltage measured at a connected portable device remains approximately constant, regardless of load current, allowing the battery charger of the portable device to work optimally.
The TPS2585x-Q1 provides various safety features for USB charging and system operations, including external negative thermistor monitoring, cycle-by-cycle current limit, hiccup short-circuit protection, undervoltage lockout, BUS overcurrent, OUT overcurrent, and die overtemperature protection.
The device family is available in a 25-pin, 3.5 mm x 4.5 mm QFN package.
The TPS258x-Q1 is an integrated USB charging port solution, which includes a synchronous DC/DC converter capable of supplying up to 6.6 A and integrated detection and control for implementing USB Battery Charging 1.2 and Type-C ports.
The TPS2585x-Q1 is a family of highly-integrated USB Type-C charging controller for dual-USB ports application.
The device integrates a monolithic, synchronous, rectified, step-down, switch-mode converter with internal power MOSFETs and two USB current-limit switches with charging port auto-detection. The TPS2585x-Q1 offers a compact solution that achieves 6.6 A of continuous output current with excellent load and line regulation over a wide input supply range. The synchronous buck regulator operates with peak-current mode control and is internally compensated to simplify the design. A resistor on the FREQ pin sets the switching frequency between 200 kHz and 3 MHz. Operating below 400 kHz results in better system efficiency and operation above 2.1 MHz avoids the AM radio bands and allows for use of a smaller inductor.
The TPS2585x-Q1 integrates standard USB Type-C port controller functionality including Configuration Channel (CC) logic for 3-A and 1.5-A current advertisement. Battery charging (Rev. 1.2) integration provides the required electrical signatures necessary for non-Type-C, legacy USB devices which use USB data line signaling to determine USB port current sourcing capabilities. The TPS2585x-Q1 also has integrated VCONN power that can meet the USB3.1 power requirement. The part is especially suitable for dual-port application due to the high system integration and small footprint.
The TPS2585x-Q1 supports intelligent thermal management. The USB output voltage and Type-C current advertisements can be regulated according to the temperature sensing through the TS pin. It must connect a NTC thermistor on the TS pin to monitor the ambient temperature or PCB boar temperature, depending on where the NTC thermistor is put in the USB charging module or PCB board. Select a different NTC thermistor and bottom-side series resistor can change the temperature threshold for load shedding.
The TPS2585x-Q1 have four selectable USB output voltage settings: 5.1 V, 5.17 V, 5.3 V, and 5.4 V. The TPS2585x-Q1 integrates a precision current sense amplifier for cable droop compensation and user-programmable current limit tuning. The cable compensation is only available when the output voltage is set to 5.17 V. The cable compensation voltage is 90 mV at 2.4-A output current. Cable compensation aids portable devices in charging at optimum current and voltage under heavy loads by changing the buck regulator output voltage linearly with load current to counteract the voltage drop due to wire resistance in automotive cabling. The BUS voltage measured at a connected portable device remains approximately constant, regardless of load current, allowing the battery charger of the portable device to work optimally.
The TPS2585x-Q1 provides various safety features for USB charging and system operations, including external negative thermistor monitoring, cycle-by-cycle current limit, hiccup short-circuit protection, undervoltage lockout, BUS overcurrent, OUT overcurrent, and die overtemperature protection.
The device family is available in a 25-pin, 3.5 mm x 4.5 mm QFN package. |
TPS25851-Q1Dual 3-A USB Type-C® charging ports controller with load shedding & plug polarity detection, 2.2 MHz | Integrated Circuits (ICs) | 1 | Active | The TPS258x-Q1 is an integrated USB charging port solution, which includes a synchronous DC/DC converter capable of supplying up to 6.6 A and integrated detection and control for implementing USB Battery Charging 1.2 and Type-C ports.
The TPS2585x-Q1 is a family of highly-integrated USB Type-C charging controller for dual-USB ports application.
The device integrates a monolithic, synchronous, rectified, step-down, switch-mode converter with internal power MOSFETs and two USB current-limit switches with charging port auto-detection. The TPS2585x-Q1 offers a compact solution that achieves 6.6 A of continuous output current with excellent load and line regulation over a wide input supply range. The synchronous buck regulator operates with peak-current mode control and is internally compensated to simplify the design. A resistor on the FREQ pin sets the switching frequency between 200 kHz and 3 MHz. Operating below 400 kHz results in better system efficiency and operation above 2.1 MHz avoids the AM radio bands and allows for use of a smaller inductor.
The TPS2585x-Q1 integrates standard USB Type-C port controller functionality including Configuration Channel (CC) logic for 3-A and 1.5-A current advertisement. Battery charging (Rev. 1.2) integration provides the required electrical signatures necessary for non-Type-C, legacy USB devices which use USB data line signaling to determine USB port current sourcing capabilities. The TPS2585x-Q1 also has integrated VCONN power that can meet the USB3.1 power requirement. The part is especially suitable for dual-port application due to the high system integration and small footprint.
The TPS2585x-Q1 supports intelligent thermal management. The USB output voltage and Type-C current advertisements can be regulated according to the temperature sensing through the TS pin. It must connect a NTC thermistor on the TS pin to monitor the ambient temperature or PCB boar temperature, depending on where the NTC thermistor is put in the USB charging module or PCB board. Select a different NTC thermistor and bottom-side series resistor can change the temperature threshold for load shedding.
The TPS2585x-Q1 have four selectable USB output voltage settings: 5.1 V, 5.17 V, 5.3 V, and 5.4 V. The TPS2585x-Q1 integrates a precision current sense amplifier for cable droop compensation and user-programmable current limit tuning. The cable compensation is only available when the output voltage is set to 5.17 V. The cable compensation voltage is 90 mV at 2.4-A output current. Cable compensation aids portable devices in charging at optimum current and voltage under heavy loads by changing the buck regulator output voltage linearly with load current to counteract the voltage drop due to wire resistance in automotive cabling. The BUS voltage measured at a connected portable device remains approximately constant, regardless of load current, allowing the battery charger of the portable device to work optimally.
The TPS2585x-Q1 provides various safety features for USB charging and system operations, including external negative thermistor monitoring, cycle-by-cycle current limit, hiccup short-circuit protection, undervoltage lockout, BUS overcurrent, OUT overcurrent, and die overtemperature protection.
The device family is available in a 25-pin, 3.5 mm x 4.5 mm QFN package.
The TPS258x-Q1 is an integrated USB charging port solution, which includes a synchronous DC/DC converter capable of supplying up to 6.6 A and integrated detection and control for implementing USB Battery Charging 1.2 and Type-C ports.
The TPS2585x-Q1 is a family of highly-integrated USB Type-C charging controller for dual-USB ports application.
The device integrates a monolithic, synchronous, rectified, step-down, switch-mode converter with internal power MOSFETs and two USB current-limit switches with charging port auto-detection. The TPS2585x-Q1 offers a compact solution that achieves 6.6 A of continuous output current with excellent load and line regulation over a wide input supply range. The synchronous buck regulator operates with peak-current mode control and is internally compensated to simplify the design. A resistor on the FREQ pin sets the switching frequency between 200 kHz and 3 MHz. Operating below 400 kHz results in better system efficiency and operation above 2.1 MHz avoids the AM radio bands and allows for use of a smaller inductor.
The TPS2585x-Q1 integrates standard USB Type-C port controller functionality including Configuration Channel (CC) logic for 3-A and 1.5-A current advertisement. Battery charging (Rev. 1.2) integration provides the required electrical signatures necessary for non-Type-C, legacy USB devices which use USB data line signaling to determine USB port current sourcing capabilities. The TPS2585x-Q1 also has integrated VCONN power that can meet the USB3.1 power requirement. The part is especially suitable for dual-port application due to the high system integration and small footprint.
The TPS2585x-Q1 supports intelligent thermal management. The USB output voltage and Type-C current advertisements can be regulated according to the temperature sensing through the TS pin. It must connect a NTC thermistor on the TS pin to monitor the ambient temperature or PCB boar temperature, depending on where the NTC thermistor is put in the USB charging module or PCB board. Select a different NTC thermistor and bottom-side series resistor can change the temperature threshold for load shedding.
The TPS2585x-Q1 have four selectable USB output voltage settings: 5.1 V, 5.17 V, 5.3 V, and 5.4 V. The TPS2585x-Q1 integrates a precision current sense amplifier for cable droop compensation and user-programmable current limit tuning. The cable compensation is only available when the output voltage is set to 5.17 V. The cable compensation voltage is 90 mV at 2.4-A output current. Cable compensation aids portable devices in charging at optimum current and voltage under heavy loads by changing the buck regulator output voltage linearly with load current to counteract the voltage drop due to wire resistance in automotive cabling. The BUS voltage measured at a connected portable device remains approximately constant, regardless of load current, allowing the battery charger of the portable device to work optimally.
The TPS2585x-Q1 provides various safety features for USB charging and system operations, including external negative thermistor monitoring, cycle-by-cycle current limit, hiccup short-circuit protection, undervoltage lockout, BUS overcurrent, OUT overcurrent, and die overtemperature protection.
The device family is available in a 25-pin, 3.5 mm x 4.5 mm QFN package. |
TPS25852Dual 3-A USB Type-C® charging ports controller with USB ports ON/OFF control, 2.2 MHz | Power Management (PMIC) | 1 | Active | The TPS258x-Q1 is an integrated USB charging port solution, which includes a synchronous DC/DC converter capable of supplying up to 6.6 A and integrated detection and control for implementing USB Battery Charging 1.2 and Type-C ports.
The TPS2585x-Q1 is a family of highly-integrated USB Type-C charging controller for dual-USB ports application.
The device integrates a monolithic, synchronous, rectified, step-down, switch-mode converter with internal power MOSFETs and two USB current-limit switches with charging port auto-detection. The TPS2585x-Q1 offers a compact solution that achieves 6.6 A of continuous output current with excellent load and line regulation over a wide input supply range. The synchronous buck regulator operates with peak-current mode control and is internally compensated to simplify the design. A resistor on the FREQ pin sets the switching frequency between 200 kHz and 3 MHz. Operating below 400 kHz results in better system efficiency and operation above 2.1 MHz avoids the AM radio bands and allows for use of a smaller inductor.
The TPS2585x-Q1 integrates standard USB Type-C port controller functionality including Configuration Channel (CC) logic for 3-A and 1.5-A current advertisement. Battery charging (Rev. 1.2) integration provides the required electrical signatures necessary for non-Type-C, legacy USB devices which use USB data line signaling to determine USB port current sourcing capabilities. The TPS2585x-Q1 also has integrated VCONN power that can meet the USB3.1 power requirement. The part is especially suitable for dual-port application due to the high system integration and small footprint.
The TPS2585x-Q1 supports intelligent thermal management. The USB output voltage and Type-C current advertisements can be regulated according to the temperature sensing through the TS pin. It must connect a NTC thermistor on the TS pin to monitor the ambient temperature or PCB boar temperature, depending on where the NTC thermistor is put in the USB charging module or PCB board. Select a different NTC thermistor and bottom-side series resistor can change the temperature threshold for load shedding.
The TPS2585x-Q1 have four selectable USB output voltage settings: 5.1 V, 5.17 V, 5.3 V, and 5.4 V. The TPS2585x-Q1 integrates a precision current sense amplifier for cable droop compensation and user-programmable current limit tuning. The cable compensation is only available when the output voltage is set to 5.17 V. The cable compensation voltage is 90 mV at 2.4-A output current. Cable compensation aids portable devices in charging at optimum current and voltage under heavy loads by changing the buck regulator output voltage linearly with load current to counteract the voltage drop due to wire resistance in automotive cabling. The BUS voltage measured at a connected portable device remains approximately constant, regardless of load current, allowing the battery charger of the portable device to work optimally.
The TPS2585x-Q1 provides various safety features for USB charging and system operations, including external negative thermistor monitoring, cycle-by-cycle current limit, hiccup short-circuit protection, undervoltage lockout, BUS overcurrent, OUT overcurrent, and die overtemperature protection.
The device family is available in a 25-pin, 3.5 mm x 4.5 mm QFN package.
The TPS258x-Q1 is an integrated USB charging port solution, which includes a synchronous DC/DC converter capable of supplying up to 6.6 A and integrated detection and control for implementing USB Battery Charging 1.2 and Type-C ports.
The TPS2585x-Q1 is a family of highly-integrated USB Type-C charging controller for dual-USB ports application.
The device integrates a monolithic, synchronous, rectified, step-down, switch-mode converter with internal power MOSFETs and two USB current-limit switches with charging port auto-detection. The TPS2585x-Q1 offers a compact solution that achieves 6.6 A of continuous output current with excellent load and line regulation over a wide input supply range. The synchronous buck regulator operates with peak-current mode control and is internally compensated to simplify the design. A resistor on the FREQ pin sets the switching frequency between 200 kHz and 3 MHz. Operating below 400 kHz results in better system efficiency and operation above 2.1 MHz avoids the AM radio bands and allows for use of a smaller inductor.
The TPS2585x-Q1 integrates standard USB Type-C port controller functionality including Configuration Channel (CC) logic for 3-A and 1.5-A current advertisement. Battery charging (Rev. 1.2) integration provides the required electrical signatures necessary for non-Type-C, legacy USB devices which use USB data line signaling to determine USB port current sourcing capabilities. The TPS2585x-Q1 also has integrated VCONN power that can meet the USB3.1 power requirement. The part is especially suitable for dual-port application due to the high system integration and small footprint.
The TPS2585x-Q1 supports intelligent thermal management. The USB output voltage and Type-C current advertisements can be regulated according to the temperature sensing through the TS pin. It must connect a NTC thermistor on the TS pin to monitor the ambient temperature or PCB boar temperature, depending on where the NTC thermistor is put in the USB charging module or PCB board. Select a different NTC thermistor and bottom-side series resistor can change the temperature threshold for load shedding.
The TPS2585x-Q1 have four selectable USB output voltage settings: 5.1 V, 5.17 V, 5.3 V, and 5.4 V. The TPS2585x-Q1 integrates a precision current sense amplifier for cable droop compensation and user-programmable current limit tuning. The cable compensation is only available when the output voltage is set to 5.17 V. The cable compensation voltage is 90 mV at 2.4-A output current. Cable compensation aids portable devices in charging at optimum current and voltage under heavy loads by changing the buck regulator output voltage linearly with load current to counteract the voltage drop due to wire resistance in automotive cabling. The BUS voltage measured at a connected portable device remains approximately constant, regardless of load current, allowing the battery charger of the portable device to work optimally.
The TPS2585x-Q1 provides various safety features for USB charging and system operations, including external negative thermistor monitoring, cycle-by-cycle current limit, hiccup short-circuit protection, undervoltage lockout, BUS overcurrent, OUT overcurrent, and die overtemperature protection.
The device family is available in a 25-pin, 3.5 mm x 4.5 mm QFN package. |
| Power Management - Specialized | 1 | Active | |
TPS25858Dual 3-A USB Type-C® charging ports controller with programmable current limit and load shedding | Power Management - Specialized | 2 | Active | The TPS2585x-Q1 is an integrated USB charging port solution, which includes a synchronous DC/DC converter capable of supplying up to 6.6 A and integrated detection and control for implementing USB Battery Charging 1.2 and Type-C ports.
The TPS2585x-Q1 is a family of highly-integrated USB Type-C charging controller for dual-USB ports application.
The TPS2585x-Q1 integrates a monolithic, synchronous, rectified, step-down, switch-mode converter with internal power MOSFETs and two USB current-limit switches with charging port auto-detection. The TPS2585x-Q1 offers a compact solution that achieves 6.6 A of continuous output current with excellent load and line regulation over a wide input supply range. The synchronous buck regulator operates with peak-current mode control and is internally compensated to simplify the design. A resistor on the FREQ pin sets the switching frequency between 200 kHz and 800 kHz.
The TPS2585x-Q1 integrates standard USB Type-C port controller functionality including Configuration Channel (CC) logic for 3-A and 1.5-A current advertisement. TPS25858-Q1 integrates Battery Charging (Rev. 1.2) to provide the required electrical signatures necessary for non-Type-C, legacy USB devices which use USB data line signaling to determine USB port current sourcing capabilities. TPS25859-Q1 can enable each port individually and can report fault condition for each port. The TPS2585x-Q1 also offers VCONN power that can meet the USB3.1 power requirement. The part is especially suitable for dual-port application due to the high system integration and small footprint.
The TPS2585x-Q1 supports intelligent thermal management. The USB output voltage and Type-C current advertisements can be regulated according to the temperature sensing through the TS pin. The TPS2585x-Q1 must connect a NTC thermistor on the TS pin to monitor the ambient temperature or PCB boar temperature, depending on where the NTC thermistor is put in the USB charging module or PCB board. Select a different NTC thermistor and bottom-side series resistor can change the temperature threshold for load shedding.
The TPS2585x-Q1 have four selectable USB output voltage settings: 5.1 V, 5.17 V, 5.3 V, and 5.4 V. The TPS2585x-Q1 integrates a precision current sense amplifier for cable droop compensation and user-programmable current limit tuning. The cable compensation is only available when the output voltage is set to 5.17 V. The cable compensation voltage is 90 mV at 2.4-A output current. Cable compensation aids portable devices in charging at optimum current and voltage under heavy loads by changing the buck regulator output voltage linearly with load current to counteract the voltage drop due to wire resistance in automotive cabling. The BUS voltage measured at a connected portable device remains approximately constant, regardless of load current, allowing the battery charger of the portable device to work optimally.
The TPS2585x-Q1 provides various safety features for USB charging and system operations, including external negative thermistor monitoring, cycle-by-cycle current limit, hiccup short-circuit protection, undervoltage lockout, BUS overcurrent, OUT overcurrent, and die overtemperature protection.
The device family is available in a 25-pin, 3.5 mm × 4.5 mm QFN package.
The TPS2585x-Q1 is an integrated USB charging port solution, which includes a synchronous DC/DC converter capable of supplying up to 6.6 A and integrated detection and control for implementing USB Battery Charging 1.2 and Type-C ports.
The TPS2585x-Q1 is a family of highly-integrated USB Type-C charging controller for dual-USB ports application.
The TPS2585x-Q1 integrates a monolithic, synchronous, rectified, step-down, switch-mode converter with internal power MOSFETs and two USB current-limit switches with charging port auto-detection. The TPS2585x-Q1 offers a compact solution that achieves 6.6 A of continuous output current with excellent load and line regulation over a wide input supply range. The synchronous buck regulator operates with peak-current mode control and is internally compensated to simplify the design. A resistor on the FREQ pin sets the switching frequency between 200 kHz and 800 kHz.
The TPS2585x-Q1 integrates standard USB Type-C port controller functionality including Configuration Channel (CC) logic for 3-A and 1.5-A current advertisement. TPS25858-Q1 integrates Battery Charging (Rev. 1.2) to provide the required electrical signatures necessary for non-Type-C, legacy USB devices which use USB data line signaling to determine USB port current sourcing capabilities. TPS25859-Q1 can enable each port individually and can report fault condition for each port. The TPS2585x-Q1 also offers VCONN power that can meet the USB3.1 power requirement. The part is especially suitable for dual-port application due to the high system integration and small footprint.
The TPS2585x-Q1 supports intelligent thermal management. The USB output voltage and Type-C current advertisements can be regulated according to the temperature sensing through the TS pin. The TPS2585x-Q1 must connect a NTC thermistor on the TS pin to monitor the ambient temperature or PCB boar temperature, depending on where the NTC thermistor is put in the USB charging module or PCB board. Select a different NTC thermistor and bottom-side series resistor can change the temperature threshold for load shedding.
The TPS2585x-Q1 have four selectable USB output voltage settings: 5.1 V, 5.17 V, 5.3 V, and 5.4 V. The TPS2585x-Q1 integrates a precision current sense amplifier for cable droop compensation and user-programmable current limit tuning. The cable compensation is only available when the output voltage is set to 5.17 V. The cable compensation voltage is 90 mV at 2.4-A output current. Cable compensation aids portable devices in charging at optimum current and voltage under heavy loads by changing the buck regulator output voltage linearly with load current to counteract the voltage drop due to wire resistance in automotive cabling. The BUS voltage measured at a connected portable device remains approximately constant, regardless of load current, allowing the battery charger of the portable device to work optimally.
The TPS2585x-Q1 provides various safety features for USB charging and system operations, including external negative thermistor monitoring, cycle-by-cycle current limit, hiccup short-circuit protection, undervoltage lockout, BUS overcurrent, OUT overcurrent, and die overtemperature protection.
The device family is available in a 25-pin, 3.5 mm × 4.5 mm QFN package. |