TPS62813M2.75-V to 6-V, 3-A step-down converter in a 2-mm x 3-mm QFN package with -55C extended temperature | Power Management (PMIC) | 1 | Active | The TPS6281xM is family of pin-to-pin 1-A, 2-A, 3-A, and 4-A synchronous step-down DC/DC converters. All devices offer high efficiency and ease of use. The family of devices is based on a peak current mode control topology. Low-resistive switches allow up to 4-A continuous output current at high ambient temperature. The switching frequency is externally adjustable from 1.8 MHz to 4 MHz and can also be synchronized to an external clock in the same frequency range. The device can automatically enter power save mode (PSM) at light loads to maintain high efficiency across the whole load range. The device provides 1% output voltage accuracy in PWM mode which helps design a power supply with high output voltage accuracy. The SS/TR pin allows the user to set the start-up time or form tracking of the output voltage to an external source, allowing external sequencing of different supply rails and limiting the inrush current during start-up.
The TPS6281xM device is available in a 2-mm × 3-mm VQFN package with wettable flanks.
The TPS6281xM is family of pin-to-pin 1-A, 2-A, 3-A, and 4-A synchronous step-down DC/DC converters. All devices offer high efficiency and ease of use. The family of devices is based on a peak current mode control topology. Low-resistive switches allow up to 4-A continuous output current at high ambient temperature. The switching frequency is externally adjustable from 1.8 MHz to 4 MHz and can also be synchronized to an external clock in the same frequency range. The device can automatically enter power save mode (PSM) at light loads to maintain high efficiency across the whole load range. The device provides 1% output voltage accuracy in PWM mode which helps design a power supply with high output voltage accuracy. The SS/TR pin allows the user to set the start-up time or form tracking of the output voltage to an external source, allowing external sequencing of different supply rails and limiting the inrush current during start-up.
The TPS6281xM device is available in a 2-mm × 3-mm VQFN package with wettable flanks. |
| Power Management (PMIC) | 3 | Active | |
| Voltage Regulators - DC DC Switching Regulators | 2 | Active | |
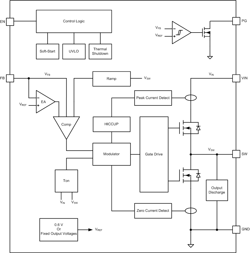
TPS628232.4-V to 5.5-V input, 3-A step-down converter with 1% accuracy in 1.5-mm x 2-mm VSON-HR package | DC/DC & AC/DC (Off-Line) SMPS Evaluation Boards | 3 | Active | The TPS6282x is an all-purpose and easy to use synchronous step-down DC-DC converter with a very low quiescent current of only 4 µA. It supplies up to 3A output current (TPS62823) from a 2.4-V to 5.5-V input voltage. Based on the DCS-Control™ topology it provides a fast transient response.
The internal reference allows to regulate the output voltage down to 0.6 V with a high feedback voltage accuracy of 1% over the junction temperature range of -40°C to 125°C. The 1-A, 2-A, 3-A scalable pin-to-pin and BOM-to-BOM compatible device family can be used with small 470-nH inductors.
The TPS6282x include an automatically entered power save mode to maintain high efficiency down to very light loads.
The device features a Power Good signal and an internal soft start circuit. It is able to operate in 100% mode. For fault protection, it incorporates a HICCUP current limit as well as a thermal shutdown.
The TPS6282x are packaged in a 2 mm x 1.5 mm QFN-8 package.
The TPS6282x is an all-purpose and easy to use synchronous step-down DC-DC converter with a very low quiescent current of only 4 µA. It supplies up to 3A output current (TPS62823) from a 2.4-V to 5.5-V input voltage. Based on the DCS-Control™ topology it provides a fast transient response.
The internal reference allows to regulate the output voltage down to 0.6 V with a high feedback voltage accuracy of 1% over the junction temperature range of -40°C to 125°C. The 1-A, 2-A, 3-A scalable pin-to-pin and BOM-to-BOM compatible device family can be used with small 470-nH inductors.
The TPS6282x include an automatically entered power save mode to maintain high efficiency down to very light loads.
The device features a Power Good signal and an internal soft start circuit. It is able to operate in 100% mode. For fault protection, it incorporates a HICCUP current limit as well as a thermal shutdown.
The TPS6282x are packaged in a 2 mm x 1.5 mm QFN-8 package. |
TPS62824A2.4-V to 5.5-V input, 1-A step-down converter with forced PWM in 1.5-mm×1.5-mm QFN package | Voltage Regulators - DC DC Switching Regulators | 1 | Active | The TPS6282x is an easy-to-use, synchronous step-down DC/DC converters family with a very low quiescent current of only 4µA. Based on the DCS-Control topology, the device provides a fast transient response. The internal reference allows to regulate the output voltage down to 0.6V with a high feedback voltage accuracy of 1% over the junction temperature range of –40°C to 125°C. The family devices are pin-to-pin and BOM-to-BOM compatible. The entire design requires a small 470nH inductor, a single 4.7µF input capacitor, and two 10µF or single 22µF output capacitor.
The TPS6282x is available in two flavors. The first includes an automatically entered power save mode to maintain high efficiency down to very light loads for extending the system battery run-time. The second runs in forced-PWM maintaining a continuous conduction mode to make sure of the least ripple in the output voltage and a quasi-fixed switching frequency. The device features a Power-Good signal and an internal soft-start circuit. The device is able to operate in 100% mode. For fault protection, the device incorporates a HICCUP short-circuit protection as well as a thermal shutdown. The device is available in a 6-pin 1.5mm × 1.5mm QFN package, offering the highest power density design.
The TPS6282x is an easy-to-use, synchronous step-down DC/DC converters family with a very low quiescent current of only 4µA. Based on the DCS-Control topology, the device provides a fast transient response. The internal reference allows to regulate the output voltage down to 0.6V with a high feedback voltage accuracy of 1% over the junction temperature range of –40°C to 125°C. The family devices are pin-to-pin and BOM-to-BOM compatible. The entire design requires a small 470nH inductor, a single 4.7µF input capacitor, and two 10µF or single 22µF output capacitor.
The TPS6282x is available in two flavors. The first includes an automatically entered power save mode to maintain high efficiency down to very light loads for extending the system battery run-time. The second runs in forced-PWM maintaining a continuous conduction mode to make sure of the least ripple in the output voltage and a quasi-fixed switching frequency. The device features a Power-Good signal and an internal soft-start circuit. The device is able to operate in 100% mode. For fault protection, the device incorporates a HICCUP short-circuit protection as well as a thermal shutdown. The device is available in a 6-pin 1.5mm × 1.5mm QFN package, offering the highest power density design. |
TPS62825182.4-V to 5.5-V input, 2-A step-down converter with forced PWM in 1.5-mm × 1.5-mm VSON-HR package | Evaluation Boards | 5 | Active | The TPS6282x is an easy-to-use, synchronous step-down DC/DC converters family with a very low quiescent current of only 4µA. Based on the DCS-Control topology, the device provides a fast transient response. The internal reference allows to regulate the output voltage down to 0.6V with a high feedback voltage accuracy of 1% over the junction temperature range of –40°C to 125°C. The family devices are pin-to-pin and BOM-to-BOM compatible. The entire design requires a small 470nH inductor, a single 4.7µF input capacitor, and two 10µF or single 22µF output capacitor.
The TPS6282x is available in two flavors. The first includes an automatically entered power save mode to maintain high efficiency down to very light loads for extending the system battery run-time. The second runs in forced-PWM maintaining a continuous conduction mode to make sure of the least ripple in the output voltage and a quasi-fixed switching frequency. The device features a Power-Good signal and an internal soft-start circuit. The device is able to operate in 100% mode. For fault protection, the device incorporates a HICCUP short-circuit protection as well as a thermal shutdown. The device is available in a 6-pin 1.5mm × 1.5mm QFN package, offering the highest power density design.
The TPS6282x is an easy-to-use, synchronous step-down DC/DC converters family with a very low quiescent current of only 4µA. Based on the DCS-Control topology, the device provides a fast transient response. The internal reference allows to regulate the output voltage down to 0.6V with a high feedback voltage accuracy of 1% over the junction temperature range of –40°C to 125°C. The family devices are pin-to-pin and BOM-to-BOM compatible. The entire design requires a small 470nH inductor, a single 4.7µF input capacitor, and two 10µF or single 22µF output capacitor.
The TPS6282x is available in two flavors. The first includes an automatically entered power save mode to maintain high efficiency down to very light loads for extending the system battery run-time. The second runs in forced-PWM maintaining a continuous conduction mode to make sure of the least ripple in the output voltage and a quasi-fixed switching frequency. The device features a Power-Good signal and an internal soft-start circuit. The device is able to operate in 100% mode. For fault protection, the device incorporates a HICCUP short-circuit protection as well as a thermal shutdown. The device is available in a 6-pin 1.5mm × 1.5mm QFN package, offering the highest power density design. |
TPS62826182.4-V-5.5-V input, 3-A step-down converter with 1% accuracy in 1.5-mm x 1.5-mm VSON-HR package | Development Boards, Kits, Programmers | 4 | Active | The TPS6282x is an easy-to-use, synchronous step-down DC/DC converters family with a very low quiescent current of only 4µA. Based on the DCS-Control topology, the device provides a fast transient response. The internal reference allows to regulate the output voltage down to 0.6V with a high feedback voltage accuracy of 1% over the junction temperature range of –40°C to 125°C. The family devices are pin-to-pin and BOM-to-BOM compatible. The entire design requires a small 470nH inductor, a single 4.7µF input capacitor, and two 10µF or single 22µF output capacitor.
The TPS6282x is available in two flavors. The first includes an automatically entered power save mode to maintain high efficiency down to very light loads for extending the system battery run-time. The second runs in forced-PWM maintaining a continuous conduction mode to make sure of the least ripple in the output voltage and a quasi-fixed switching frequency. The device features a Power-Good signal and an internal soft-start circuit. The device is able to operate in 100% mode. For fault protection, the device incorporates a HICCUP short-circuit protection as well as a thermal shutdown. The device is available in a 6-pin 1.5mm × 1.5mm QFN package, offering the highest power density design.
The TPS6282x is an easy-to-use, synchronous step-down DC/DC converters family with a very low quiescent current of only 4µA. Based on the DCS-Control topology, the device provides a fast transient response. The internal reference allows to regulate the output voltage down to 0.6V with a high feedback voltage accuracy of 1% over the junction temperature range of –40°C to 125°C. The family devices are pin-to-pin and BOM-to-BOM compatible. The entire design requires a small 470nH inductor, a single 4.7µF input capacitor, and two 10µF or single 22µF output capacitor.
The TPS6282x is available in two flavors. The first includes an automatically entered power save mode to maintain high efficiency down to very light loads for extending the system battery run-time. The second runs in forced-PWM maintaining a continuous conduction mode to make sure of the least ripple in the output voltage and a quasi-fixed switching frequency. The device features a Power-Good signal and an internal soft-start circuit. The device is able to operate in 100% mode. For fault protection, the device incorporates a HICCUP short-circuit protection as well as a thermal shutdown. The device is available in a 6-pin 1.5mm × 1.5mm QFN package, offering the highest power density design. |
TPS628272.5-V to 5.5-V input, 4-A step-down converter with 1% accuracy in 1.5-mm x 1.5-mm QFN | Development Boards, Kits, Programmers | 2 | Active | The TPS6282x is an easy-to-use, synchronous step-down DC/DC converters family with a very low quiescent current of only 4µA. Based on the DCS-Control topology, the device provides a fast transient response. The internal reference allows to regulate the output voltage down to 0.6V with a high feedback voltage accuracy of 1% over the junction temperature range of –40°C to 125°C. The family devices are pin-to-pin and BOM-to-BOM compatible. The entire design requires a small 470nH inductor, a single 4.7µF input capacitor, and two 10µF or single 22µF output capacitor.
The TPS6282x is available in two flavors. The first includes an automatically entered power save mode to maintain high efficiency down to very light loads for extending the system battery run-time. The second runs in forced-PWM maintaining a continuous conduction mode to make sure of the least ripple in the output voltage and a quasi-fixed switching frequency. The device features a Power-Good signal and an internal soft-start circuit. The device is able to operate in 100% mode. For fault protection, the device incorporates a HICCUP short-circuit protection as well as a thermal shutdown. The device is available in a 6-pin 1.5mm × 1.5mm QFN package, offering the highest power density design.
The TPS6282x is an easy-to-use, synchronous step-down DC/DC converters family with a very low quiescent current of only 4µA. Based on the DCS-Control topology, the device provides a fast transient response. The internal reference allows to regulate the output voltage down to 0.6V with a high feedback voltage accuracy of 1% over the junction temperature range of –40°C to 125°C. The family devices are pin-to-pin and BOM-to-BOM compatible. The entire design requires a small 470nH inductor, a single 4.7µF input capacitor, and two 10µF or single 22µF output capacitor.
The TPS6282x is available in two flavors. The first includes an automatically entered power save mode to maintain high efficiency down to very light loads for extending the system battery run-time. The second runs in forced-PWM maintaining a continuous conduction mode to make sure of the least ripple in the output voltage and a quasi-fixed switching frequency. The device features a Power-Good signal and an internal soft-start circuit. The device is able to operate in 100% mode. For fault protection, the device incorporates a HICCUP short-circuit protection as well as a thermal shutdown. The device is available in a 6-pin 1.5mm × 1.5mm QFN package, offering the highest power density design. |
TPS6283012.25-V to 5.5-V, 1-A step-down converter with 1% accuracy in small QFN and SOT583 packages | Voltage Regulators - DC DC Switching Regulators | 1 | Active | The TPS62830x is an easy-to-use, synchronous, step-down, DC/DC converters family with low quiescent current. Based on the DCS-Control topology, TPS62830x provides a fast transient response with small output capacitance. The internal reference allows to regulate the output voltage down to 0.5V with a high feedback voltage accuracy of 1% over the junction temperature range of –40°C to 125°C. The family is available in two packages and each package devices are pin-to-pin compatible.
The TPS62830x has a MODE pin to control the device mode of operation. Power save mode maintains high efficiency down to very light loads for extending the system battery run-time. Forced-PWM mode maintains a continuous conduction mode to make sure the least ripple in the output voltage and a quasi-fixed switching frequency. The device features a Power-Good signal and a well-controlled internal soft-start circuit. TPS62830x is able to operate in 100% mode. For fault protection, TPS62830x incorporates a HICCUP short-circuit protection as well as a thermal shutdown. One device option has a latch-off protection for short circuit as well as overvoltage incidents. The family is available in two packages: an 8-pin 1.0mm × 2.0mm QFN package, offering the highest power density design, and an 8-pin 1.6mm × 2.1mm SOT583 package, offering an easy-to-assemble designs.
The TPS62830x is an easy-to-use, synchronous, step-down, DC/DC converters family with low quiescent current. Based on the DCS-Control topology, TPS62830x provides a fast transient response with small output capacitance. The internal reference allows to regulate the output voltage down to 0.5V with a high feedback voltage accuracy of 1% over the junction temperature range of –40°C to 125°C. The family is available in two packages and each package devices are pin-to-pin compatible.
The TPS62830x has a MODE pin to control the device mode of operation. Power save mode maintains high efficiency down to very light loads for extending the system battery run-time. Forced-PWM mode maintains a continuous conduction mode to make sure the least ripple in the output voltage and a quasi-fixed switching frequency. The device features a Power-Good signal and a well-controlled internal soft-start circuit. TPS62830x is able to operate in 100% mode. For fault protection, TPS62830x incorporates a HICCUP short-circuit protection as well as a thermal shutdown. One device option has a latch-off protection for short circuit as well as overvoltage incidents. The family is available in two packages: an 8-pin 1.0mm × 2.0mm QFN package, offering the highest power density design, and an 8-pin 1.6mm × 2.1mm SOT583 package, offering an easy-to-assemble designs. |
TPS6283022.25-V to 5.5-V, 2-A step-down converter with 1% accuracy in small QFN and SOT583 packages | Voltage Regulators - DC DC Switching Regulators | 3 | Active | The TPS62830x is an easy-to-use, synchronous, step-down, DC/DC converters family with low quiescent current. Based on the DCS-Control topology, TPS62830x provides a fast transient response with small output capacitance. The internal reference allows to regulate the output voltage down to 0.5V with a high feedback voltage accuracy of 1% over the junction temperature range of –40°C to 125°C. The family is available in two packages and each package devices are pin-to-pin compatible.
The TPS62830x has a MODE pin to control the device mode of operation. Power save mode maintains high efficiency down to very light loads for extending the system battery run-time. Forced-PWM mode maintains a continuous conduction mode to make sure the least ripple in the output voltage and a quasi-fixed switching frequency. The device features a Power-Good signal and a well-controlled internal soft-start circuit. TPS62830x is able to operate in 100% mode. For fault protection, TPS62830x incorporates a HICCUP short-circuit protection as well as a thermal shutdown. One device option has a latch-off protection for short circuit as well as overvoltage incidents. The family is available in two packages: an 8-pin 1.0mm × 2.0mm QFN package, offering the highest power density design, and an 8-pin 1.6mm × 2.1mm SOT583 package, offering an easy-to-assemble designs.
The TPS62830x is an easy-to-use, synchronous, step-down, DC/DC converters family with low quiescent current. Based on the DCS-Control topology, TPS62830x provides a fast transient response with small output capacitance. The internal reference allows to regulate the output voltage down to 0.5V with a high feedback voltage accuracy of 1% over the junction temperature range of –40°C to 125°C. The family is available in two packages and each package devices are pin-to-pin compatible.
The TPS62830x has a MODE pin to control the device mode of operation. Power save mode maintains high efficiency down to very light loads for extending the system battery run-time. Forced-PWM mode maintains a continuous conduction mode to make sure the least ripple in the output voltage and a quasi-fixed switching frequency. The device features a Power-Good signal and a well-controlled internal soft-start circuit. TPS62830x is able to operate in 100% mode. For fault protection, TPS62830x incorporates a HICCUP short-circuit protection as well as a thermal shutdown. One device option has a latch-off protection for short circuit as well as overvoltage incidents. The family is available in two packages: an 8-pin 1.0mm × 2.0mm QFN package, offering the highest power density design, and an 8-pin 1.6mm × 2.1mm SOT583 package, offering an easy-to-assemble designs. |