TPS613011.5A/4.1A multiple LED Camera flash driver with I2CTM compatible interface and Hardware Reset Input | Power Management (PMIC) | 2 | Active | The TPS6130xx device is based on a high-frequency synchronous boost topology with constant current sinks to drive up to three white LEDs in parallel (400-mA, 800-mA, and 400-mA maximum flash current). The extended high-current mode (HC_SEL) allows up to 1025-mA, 2050-mA, and 1025-mA flash current out of the storage capacitor.
The high-capacity storage capacitor on the output of the boost regulator provides the high-peak flash LED current, thereby reducing the peak current demand from the battery to a minimum.
The 2-MHz switching frequency allows the use of small and low profile 2.2-µH inductors. To optimize overall efficiency, the device operates with a 400-mV LED feedback voltage.
The TPS6130xx device not only operates as a regulated current source, but also as a standard voltage boost regulator. The device keeps the output voltage regulated even when the input voltage exceeds the nominal output voltage. The device enters power-save mode operation at light load currents to maintain high efficiency over the entire load current range.
To simplify flashlight synchronization with the camera module, the device offers a trigger pin (FLASH_SYNC) for zero latency LED turnon time.
The TPS6130xx device is based on a high-frequency synchronous boost topology with constant current sinks to drive up to three white LEDs in parallel (400-mA, 800-mA, and 400-mA maximum flash current). The extended high-current mode (HC_SEL) allows up to 1025-mA, 2050-mA, and 1025-mA flash current out of the storage capacitor.
The high-capacity storage capacitor on the output of the boost regulator provides the high-peak flash LED current, thereby reducing the peak current demand from the battery to a minimum.
The 2-MHz switching frequency allows the use of small and low profile 2.2-µH inductors. To optimize overall efficiency, the device operates with a 400-mV LED feedback voltage.
The TPS6130xx device not only operates as a regulated current source, but also as a standard voltage boost regulator. The device keeps the output voltage regulated even when the input voltage exceeds the nominal output voltage. The device enters power-save mode operation at light load currents to maintain high efficiency over the entire load current range.
To simplify flashlight synchronization with the camera module, the device offers a trigger pin (FLASH_SYNC) for zero latency LED turnon time. |
TPS613051.5A/4.1A multiple LED Camera flash driver with I2CTM compatible interface and LED Temp Monitoring | Power Management (PMIC) | 2 | Active | The TPS6130xx device is based on a high-frequency synchronous boost topology with constant current sinks to drive up to three white LEDs in parallel (400-mA, 800-mA, and 400-mA maximum flash current). The extended high-current mode (HC_SEL) allows up to 1025-mA, 2050-mA, and 1025-mA flash current out of the storage capacitor.
The high-capacity storage capacitor on the output of the boost regulator provides the high-peak flash LED current, thereby reducing the peak current demand from the battery to a minimum.
The 2-MHz switching frequency allows the use of small and low profile 2.2-µH inductors. To optimize overall efficiency, the device operates with a 400-mV LED feedback voltage.
The TPS6130xx device not only operates as a regulated current source, but also as a standard voltage boost regulator. The device keeps the output voltage regulated even when the input voltage exceeds the nominal output voltage. The device enters power-save mode operation at light load currents to maintain high efficiency over the entire load current range.
To simplify flashlight synchronization with the camera module, the device offers a trigger pin (FLASH_SYNC) for zero latency LED turnon time.
The TPS6130xx device is based on a high-frequency synchronous boost topology with constant current sinks to drive up to three white LEDs in parallel (400-mA, 800-mA, and 400-mA maximum flash current). The extended high-current mode (HC_SEL) allows up to 1025-mA, 2050-mA, and 1025-mA flash current out of the storage capacitor.
The high-capacity storage capacitor on the output of the boost regulator provides the high-peak flash LED current, thereby reducing the peak current demand from the battery to a minimum.
The 2-MHz switching frequency allows the use of small and low profile 2.2-µH inductors. To optimize overall efficiency, the device operates with a 400-mV LED feedback voltage.
The TPS6130xx device not only operates as a regulated current source, but also as a standard voltage boost regulator. The device keeps the output voltage regulated even when the input voltage exceeds the nominal output voltage. The device enters power-save mode operation at light load currents to maintain high efficiency over the entire load current range.
To simplify flashlight synchronization with the camera module, the device offers a trigger pin (FLASH_SYNC) for zero latency LED turnon time. |
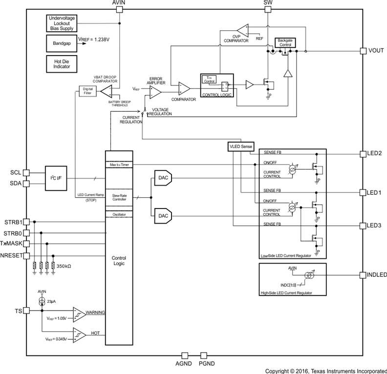
TPS613101.5A multiple LED Camera flash driver with I2C compatible interface | Integrated Circuits (ICs) | 2 | Active | The TPS6131x family is an integrated solution with a wide feature set for driving up to three LEDs for still-camera flash strobe and video-camera lighting applications. It is based on a high efficiency synchronous boost topology with combinable current sinks to drive up to three white LEDs in parallel. The 2-MHz switching frequency allows the use of small and low-profile 2.2-µH inductors. To optimize overall efficiency, the device operates with a low LED-feedback voltage and regulated output-voltage adaptation.
The device integrates a control scheme that automatically optimizes the LED current flash budget as a function of the battery voltage condition.
The TPS6131x not only operates as a regulated current source, but also as a standard voltage boost regulator. The device enters power-save mode operation at light load currents to maintain high efficiency over the entire load current range. These operating modes can be useful to supply other high power devices in the system (for example, a hands-free audio PA).
To simplify video light and flash synchronization with the camera module, the device offers a dedicated control interface (STRB0, STRB1) for zero latency LED turnon time.
The TPS6131x family is an integrated solution with a wide feature set for driving up to three LEDs for still-camera flash strobe and video-camera lighting applications. It is based on a high efficiency synchronous boost topology with combinable current sinks to drive up to three white LEDs in parallel. The 2-MHz switching frequency allows the use of small and low-profile 2.2-µH inductors. To optimize overall efficiency, the device operates with a low LED-feedback voltage and regulated output-voltage adaptation.
The device integrates a control scheme that automatically optimizes the LED current flash budget as a function of the battery voltage condition.
The TPS6131x not only operates as a regulated current source, but also as a standard voltage boost regulator. The device enters power-save mode operation at light load currents to maintain high efficiency over the entire load current range. These operating modes can be useful to supply other high power devices in the system (for example, a hands-free audio PA).
To simplify video light and flash synchronization with the camera module, the device offers a dedicated control interface (STRB0, STRB1) for zero latency LED turnon time. |
TPS613111.5A multiple LED Camera flash driver with I2C compatible interface. | LED Drivers | 2 | Active | The TPS6131x family is an integrated solution with a wide feature set for driving up to three LEDs for still-camera flash strobe and video-camera lighting applications. It is based on a high efficiency synchronous boost topology with combinable current sinks to drive up to three white LEDs in parallel. The 2-MHz switching frequency allows the use of small and low-profile 2.2-µH inductors. To optimize overall efficiency, the device operates with a low LED-feedback voltage and regulated output-voltage adaptation.
The device integrates a control scheme that automatically optimizes the LED current flash budget as a function of the battery voltage condition.
The TPS6131x not only operates as a regulated current source, but also as a standard voltage boost regulator. The device enters power-save mode operation at light load currents to maintain high efficiency over the entire load current range. These operating modes can be useful to supply other high power devices in the system (for example, a hands-free audio PA).
To simplify video light and flash synchronization with the camera module, the device offers a dedicated control interface (STRB0, STRB1) for zero latency LED turnon time.
The TPS6131x family is an integrated solution with a wide feature set for driving up to three LEDs for still-camera flash strobe and video-camera lighting applications. It is based on a high efficiency synchronous boost topology with combinable current sinks to drive up to three white LEDs in parallel. The 2-MHz switching frequency allows the use of small and low-profile 2.2-µH inductors. To optimize overall efficiency, the device operates with a low LED-feedback voltage and regulated output-voltage adaptation.
The device integrates a control scheme that automatically optimizes the LED current flash budget as a function of the battery voltage condition.
The TPS6131x not only operates as a regulated current source, but also as a standard voltage boost regulator. The device enters power-save mode operation at light load currents to maintain high efficiency over the entire load current range. These operating modes can be useful to supply other high power devices in the system (for example, a hands-free audio PA).
To simplify video light and flash synchronization with the camera module, the device offers a dedicated control interface (STRB0, STRB1) for zero latency LED turnon time. |
TPS6132216-uA Quiescent Current, 1.8-A Switch Current Boost Converter | DC/DC & AC/DC (Off-Line) SMPS Evaluation Boards | 11 | Active | The TPS61322 is a synchronous boost converter with only 6.5-µA quiescent current. The TPS61322 provides a power-supply solution for products powered by alkaline battery, NiMH rechargeable battery, or one-cell Li-ion battery. The boost converter is based on a hysteretic control topology using synchronous rectification to obtain maximum efficiency at minimal quiescent current. The TPS61322 also allows the use of small external inductor and capacitors. Higher than 90% efficiency is achieved at 10-mA load from 1.5-V input to 2.2-V output conversion.
The TPS61322 can also support high output current applications with an external schottky diode. The TPS613222A provides higher than 500-mA output current capability at 3-V input voltage to 5-V output voltage conversion with an external Schottky diode in parallel with the internal rectifier FET.
The output voltage is set internally to a fixed output voltage from 1.8 V to 5.5 V in increments of 0.1 V. Thus, it only needs two external components to get the desired output voltage. The TPS61322 also implements thermal shutdown protection function.
The TPS61322 is available in a 2.9-mm × 1.3-mm 3-pin SOT package or a 2.9-mm × 1.6-mm 5-pin SOT package.
The TPS61322 is a synchronous boost converter with only 6.5-µA quiescent current. The TPS61322 provides a power-supply solution for products powered by alkaline battery, NiMH rechargeable battery, or one-cell Li-ion battery. The boost converter is based on a hysteretic control topology using synchronous rectification to obtain maximum efficiency at minimal quiescent current. The TPS61322 also allows the use of small external inductor and capacitors. Higher than 90% efficiency is achieved at 10-mA load from 1.5-V input to 2.2-V output conversion.
The TPS61322 can also support high output current applications with an external schottky diode. The TPS613222A provides higher than 500-mA output current capability at 3-V input voltage to 5-V output voltage conversion with an external Schottky diode in parallel with the internal rectifier FET.
The output voltage is set internally to a fixed output voltage from 1.8 V to 5.5 V in increments of 0.1 V. Thus, it only needs two external components to get the desired output voltage. The TPS61322 also implements thermal shutdown protection function.
The TPS61322 is available in a 2.9-mm × 1.3-mm 3-pin SOT package or a 2.9-mm × 1.6-mm 5-pin SOT package. |
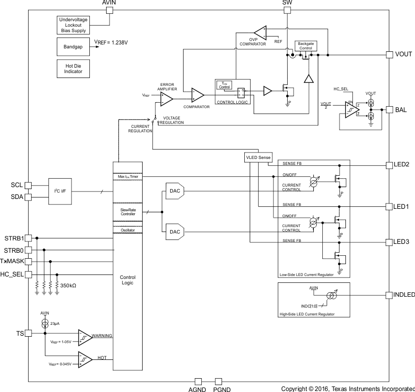
TPS613251.5A/4.1A multiple LED Camera flash driver with I2C compatible interface | LED Drivers | 2 | Active | The TPS6132x device is based on a high-frequency synchronous boost topology with constant current sinks to drive up to three white LEDs in parallel (445-mA, 890-mA, 445-mA maximum flash current). The extended high-current mode (HC_SEL) allows up to 1025-mA, 2050-mA, and 1025-mA flash current out of the storage capacitor.
The high-capacity storage capacitor on the output of the boost regulator provides the high-peak flash LED current, thereby reducing the peak current demand from the battery to a minimum.
The 2-MHz switching frequency allows the use of small and low profile 2.2-μH inductors. To optimize overall efficiency, the device operates with a 400-mV LED feedback voltage.
The TPS6132x device not only operates as a regulated current source, but also as a standard voltage boost regulator. The device keeps the output voltage regulated even when the input voltage exceeds the nominal output voltage. The device enters power-save mode operation at light load currents to maintain high efficiency over the entire load current range.
To simplify DC-light and flashlight synchronization with the camera module, the device offers a dedicated control interface (STRB0 and STRB1 pins) for zero latency LED turnon time.
The TPS6132x device is based on a high-frequency synchronous boost topology with constant current sinks to drive up to three white LEDs in parallel (445-mA, 890-mA, 445-mA maximum flash current). The extended high-current mode (HC_SEL) allows up to 1025-mA, 2050-mA, and 1025-mA flash current out of the storage capacitor.
The high-capacity storage capacitor on the output of the boost regulator provides the high-peak flash LED current, thereby reducing the peak current demand from the battery to a minimum.
The 2-MHz switching frequency allows the use of small and low profile 2.2-μH inductors. To optimize overall efficiency, the device operates with a 400-mV LED feedback voltage.
The TPS6132x device not only operates as a regulated current source, but also as a standard voltage boost regulator. The device keeps the output voltage regulated even when the input voltage exceeds the nominal output voltage. The device enters power-save mode operation at light load currents to maintain high efficiency over the entire load current range.
To simplify DC-light and flashlight synchronization with the camera module, the device offers a dedicated control interface (STRB0 and STRB1 pins) for zero latency LED turnon time. |
TPS6137625-V, 4.5-A, boost converter with 2.5% accuracy input average current limit & true disconnection | Integrated Circuits (ICs) | 1 | Active | The TPS61376 is a high voltage non-synchronous boost converter with input average current limit and true load disconnect functions. The input average current limit threshold can be programmed through the ILIM pin from 0.1A to 3.0A. The isolation FET between the VP and SW pin will completely cut off the path between input and output when the device is disabled. The TPS61376 has a wide input voltage range from 2.9V to 23V and output voltage covers up to 25V.
The TPS61376 implements the peak current mode with the adaptive off-time control topology. The device works in PWM mode at moderate to heavy loads. At the light load conditions, the device enters PFM mode to maintain high efficiency over the entire load current range.
The TPS61376 also integrates robust protection features including output overvoltage protection, cycle-by-cycle overcurrent protection and thermal shutdown.
The TPS61376 offers a very small solution size with a 2.5mm × 2.0mm HotRod™ Lite VQFN package.
The TPS61376 is a high voltage non-synchronous boost converter with input average current limit and true load disconnect functions. The input average current limit threshold can be programmed through the ILIM pin from 0.1A to 3.0A. The isolation FET between the VP and SW pin will completely cut off the path between input and output when the device is disabled. The TPS61376 has a wide input voltage range from 2.9V to 23V and output voltage covers up to 25V.
The TPS61376 implements the peak current mode with the adaptive off-time control topology. The device works in PWM mode at moderate to heavy loads. At the light load conditions, the device enters PFM mode to maintain high efficiency over the entire load current range.
The TPS61376 also integrates robust protection features including output overvoltage protection, cycle-by-cycle overcurrent protection and thermal shutdown.
The TPS61376 offers a very small solution size with a 2.5mm × 2.0mm HotRod™ Lite VQFN package. |
TPS61377123-VIN, 25-VOUT 6-A synchronous boost converter with programmable peak current limit | Power Management (PMIC) | 1 | Active | The TPS61377 is a high-voltage synchronous boost converter with a 50-mΩ low-side power switch and a 40-mΩ high-side rectifier switch to provide a high efficiency and small size solution. The TPS61377 has a wide input voltage range of 2.9 V to 23 V and the output voltage covers up to 25 V with 6-A switching current capability.
The TPS61377 uses an adaptive constant off-time peak current control topology to regulate the output voltage. Under moderate to heavy load condition, the TPS61377 operates in pulse width modulation (PWM) mode. At light load, the device has two operating modes that can be selected via the MODE pin. One is pulse frequency modulation (PFM) mode to improve light-load efficiency, and the other is forced PWM mode to avoid audible noise and other application problems caused by low switching frequency.
The TPS61377 implements a soft-start function and a programmable peak switching current limit function. The TPS61377 also provides output overvoltage protection, cycle-by-cycle overcurrent protection, and thermal shutdown protection.
The TPS61377 offers a very small solution size with a 2.5-mm × 2.0-mm HotRod™ Lite VQFN package.
The TPS61377 is a high-voltage synchronous boost converter with a 50-mΩ low-side power switch and a 40-mΩ high-side rectifier switch to provide a high efficiency and small size solution. The TPS61377 has a wide input voltage range of 2.9 V to 23 V and the output voltage covers up to 25 V with 6-A switching current capability.
The TPS61377 uses an adaptive constant off-time peak current control topology to regulate the output voltage. Under moderate to heavy load condition, the TPS61377 operates in pulse width modulation (PWM) mode. At light load, the device has two operating modes that can be selected via the MODE pin. One is pulse frequency modulation (PFM) mode to improve light-load efficiency, and the other is forced PWM mode to avoid audible noise and other application problems caused by low switching frequency.
The TPS61377 implements a soft-start function and a programmable peak switching current limit function. The TPS61377 also provides output overvoltage protection, cycle-by-cycle overcurrent protection, and thermal shutdown protection.
The TPS61377 offers a very small solution size with a 2.5-mm × 2.0-mm HotRod™ Lite VQFN package. |
TPS61378-Q118.5V output, 4.8A synchronous boost converter with load disconnect | DC/DC & AC/DC (Off-Line) SMPS Evaluation Boards | 4 | Active | The TPS61378-Q1 is a fully-integrated synchronous boost converter with an integrated load disconnect function. The input voltage covers 2.3V to 14V while the maximal output voltage covers up to 18.5V. The switching current limit is programmable from 1A to 4.8A. The device consumes 25µA quiescent current from VIN.
The TPS61378-Q1 employs peak current mode control with the switching frequency programmable from 200kHz to 2.2MHz. The device works in fixed frequency PWM operation in medium to heavy loads. There are two optional modes in light load by configuring the MODE pin: auto PFM mode and forced PWM to balance the efficiency and noise immunity in light load. The switching frequency can be synchronized to an external clock. The TPS61378-Q1 uses the spread spectrum of the internal clock to be more EMI friendly at FPWM mode. In addition, there is an internal soft-start time to limit the inrush current.
The TPS61378-Q1 has various fixed output voltage versions to save the external feedback resistor. It supports the external loop compensation so that the stability and transient response can be optimized at wider VOUT/VIN ranges. It also integrates robust protection features including output short protection, output overvoltage protection, and thermal shutdown protection. The TPS61378-Q1 is available in a 3mm × 3mm 16-pin QFN package with wettable flank.
The TPS61378-Q1 is a fully-integrated synchronous boost converter with an integrated load disconnect function. The input voltage covers 2.3V to 14V while the maximal output voltage covers up to 18.5V. The switching current limit is programmable from 1A to 4.8A. The device consumes 25µA quiescent current from VIN.
The TPS61378-Q1 employs peak current mode control with the switching frequency programmable from 200kHz to 2.2MHz. The device works in fixed frequency PWM operation in medium to heavy loads. There are two optional modes in light load by configuring the MODE pin: auto PFM mode and forced PWM to balance the efficiency and noise immunity in light load. The switching frequency can be synchronized to an external clock. The TPS61378-Q1 uses the spread spectrum of the internal clock to be more EMI friendly at FPWM mode. In addition, there is an internal soft-start time to limit the inrush current.
The TPS61378-Q1 has various fixed output voltage versions to save the external feedback resistor. It supports the external loop compensation so that the stability and transient response can be optimized at wider VOUT/VIN ranges. It also integrates robust protection features including output short protection, output overvoltage protection, and thermal shutdown protection. The TPS61378-Q1 is available in a 3mm × 3mm 16-pin QFN package with wettable flank. |
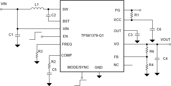
TPS61379-Q125µA quiescent current synchronous boost converter | Integrated Circuits (ICs) | 1 | Active | The TPS61379-Q1 is a fully integrated synchronous boost converter with load disconnect function integrated. The input voltage covers 2.3 V to 14 V, while the maximal output voltage is up to 18.5 V. The switching current limit is 2 A typical. It consumes 25-µA quiescent current from VIN.
The TPS61379-Q1 employs the peak current mode control with the switching frequency programmable from 200 kHz to 2.2 MHz. The device works in fixed frequency PWM operation in medium to heavy load. There are two optional modes in light load by configuring the MODE pin: auto PFM mode and forced PWM to balance the efficiency and noise immunity in light load. The switching frequency can be synchronized to an external clock. The TPS61379-Q1 uses the spread spectrum of the internal clock to be more EMI friendly at FPWM mode. In addition, there is an internal soft-start time to limit the inrush current.
The TPS61379-Q1 has various fixed output voltage versions to save the external feedback resistor. It supports the external loop compensation so that the stability and transient response can be optimized at wider VOUT/VINranges. It also integrates robust protection features including the output short protection, output overvoltage protection, and thermal shutdown protection. The TPS61379-Q1 is available in a 3-mm × 3-mm 16-pin QFN package with wettable flank.
The TPS61379-Q1 is a fully integrated synchronous boost converter with load disconnect function integrated. The input voltage covers 2.3 V to 14 V, while the maximal output voltage is up to 18.5 V. The switching current limit is 2 A typical. It consumes 25-µA quiescent current from VIN.
The TPS61379-Q1 employs the peak current mode control with the switching frequency programmable from 200 kHz to 2.2 MHz. The device works in fixed frequency PWM operation in medium to heavy load. There are two optional modes in light load by configuring the MODE pin: auto PFM mode and forced PWM to balance the efficiency and noise immunity in light load. The switching frequency can be synchronized to an external clock. The TPS61379-Q1 uses the spread spectrum of the internal clock to be more EMI friendly at FPWM mode. In addition, there is an internal soft-start time to limit the inrush current.
The TPS61379-Q1 has various fixed output voltage versions to save the external feedback resistor. It supports the external loop compensation so that the stability and transient response can be optimized at wider VOUT/VINranges. It also integrates robust protection features including the output short protection, output overvoltage protection, and thermal shutdown protection. The TPS61379-Q1 is available in a 3-mm × 3-mm 16-pin QFN package with wettable flank. |