T
Texas Instruments
| Series | Category | # Parts | Status | Description |
|---|---|---|---|---|
| Part | Spec A | Spec B | Spec C | Spec D | Description |
|---|---|---|---|---|---|
| Series | Category | # Parts | Status | Description |
|---|---|---|---|---|
| Part | Spec A | Spec B | Spec C | Spec D | Description |
|---|---|---|---|---|---|
| Part | Category | Description |
|---|---|---|
Texas Instruments | Integrated Circuits (ICs) | BUS DRIVER, BCT/FBT SERIES |
Texas Instruments | Integrated Circuits (ICs) | 12BIT 3.3V~3.6V 210MHZ PARALLEL VQFN-48-EP(7X7) ANALOG TO DIGITAL CONVERTERS (ADC) ROHS |
Texas Instruments | Integrated Circuits (ICs) | TMX320DRE311 179PIN UBGA 200MHZ |
Texas Instruments TPS61040DRVTG4Unknown | Integrated Circuits (ICs) | IC LED DRV RGLTR PWM 350MA 6WSON |
Texas Instruments LP3876ET-2.5Obsolete | Integrated Circuits (ICs) | IC REG LINEAR 2.5V 3A TO220-5 |
Texas Instruments LMS1585ACSX-ADJObsolete | Integrated Circuits (ICs) | IC REG LIN POS ADJ 5A DDPAK |
Texas Instruments INA111APG4Obsolete | Integrated Circuits (ICs) | IC INST AMP 1 CIRCUIT 8DIP |
Texas Instruments | Integrated Circuits (ICs) | AUTOMOTIVE, QUAD 36V 1.2MHZ OPERATIONAL AMPLIFIER |
Texas Instruments OPA340NA/3KG4Unknown | Integrated Circuits (ICs) | IC OPAMP GP 1 CIRCUIT SOT23-5 |
Texas Instruments PT5112AObsolete | Power Supplies - Board Mount | DC DC CONVERTER 8V 8W |
| Series | Category | # Parts | Status | Description |
|---|---|---|---|---|
TPS55065-Q11.5-V to 40-V, 500-mA buck-boost converter with 5-V fixed output voltage, AEC-Q100 qualified | DC/DC & AC/DC (Off-Line) SMPS Evaluation Boards | 2 | Active | The TPS55065 is a switched-mode regulator with integrated switches for voltage-mode control. With the aid of external components (LC combination), the device regulates the output to 5 V ±3% for a wide input-voltage range.
The TPS55065 device offers a reset function to detect and indicate when the 5-V output rail is outside of the specified tolerance. This reset delay is programmable using an external timing capacitor on the REST terminal. Additionally, an alarm (AOUT) feature is activated when the input supply rail Vdriveris below a prescaled specified value (set by the AINterminal).
The TPS55065 device has a frequency-modulation scheme to minimize EMI. The clock modulator permits a modulation of the switching frequency to reduce interference energy in the frequency band.
The 5-Vg output is a switched 5-V regulated output with internal current limiting to prevent assertion of RESET when powering a capacitive load on the supply line. This function is controlled by the 5Vg_ENABLE terminal. If there is a short to ground on this output (5Vg output), the output self-protects by operating in a chopping mode. This does, however, increase the output ripple voltage on VOUTduring this fault condition.
The TPS55065 is a switched-mode regulator with integrated switches for voltage-mode control. With the aid of external components (LC combination), the device regulates the output to 5 V ±3% for a wide input-voltage range.
The TPS55065 device offers a reset function to detect and indicate when the 5-V output rail is outside of the specified tolerance. This reset delay is programmable using an external timing capacitor on the REST terminal. Additionally, an alarm (AOUT) feature is activated when the input supply rail Vdriveris below a prescaled specified value (set by the AINterminal).
The TPS55065 device has a frequency-modulation scheme to minimize EMI. The clock modulator permits a modulation of the switching frequency to reduce interference energy in the frequency band.
The 5-Vg output is a switched 5-V regulated output with internal current limiting to prevent assertion of RESET when powering a capacitive load on the supply line. This function is controlled by the 5Vg_ENABLE terminal. If there is a short to ground on this output (5Vg output), the output self-protects by operating in a chopping mode. This does, however, increase the output ripple voltage on VOUTduring this fault condition. |
| Uncategorized | 1 | Obsolete | ||
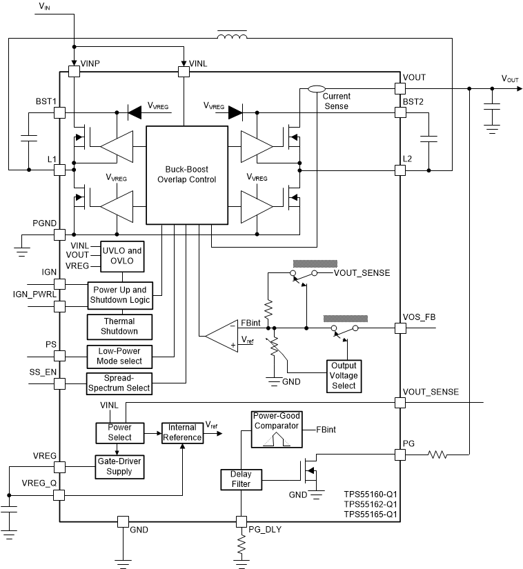
TPS55160-Q13.6-V to 36-V, 1-A output, 2-MHz, synchronous step-up and step-down converter | Development Boards, Kits, Programmers | 2 | Active | The TPS5516x-Q1 family of devices is a high-voltage synchronous buck-boost DC-DC converter. The device provides a stable power-supply output from a wide varying input-power supply such as an automotive car battery. The buck-boost overlap control ensures automatic transition between step-down and step-up mode with optimal efficiency. The TPS55165-Q1 output voltage can be set to a fixed level of 5 V or 12 V. The TPS55160-Q1 and TPS55162-Q1 devices have a configurable output voltage ranging from 5.7 V to 9 V that is set by an external resistive divider.
Output currents can be as high as 1 A for a normal car battery voltage, and can be maintained at 0.4 A for lower input voltages, such as those for common battery-cranking profiles. The buck-boost converter is based on a fixed-frequency, pulse-width-modulation (PWM) control circuit using synchronous rectification to obtain maximum efficiency. The switching frequency is set to 2 MHz (typical) which allows for the usage of a small inductor that uses less board space.
The TPS5516x-Q1 family of devices is a high-voltage synchronous buck-boost DC-DC converter. The device provides a stable power-supply output from a wide varying input-power supply such as an automotive car battery. The buck-boost overlap control ensures automatic transition between step-down and step-up mode with optimal efficiency. The TPS55165-Q1 output voltage can be set to a fixed level of 5 V or 12 V. The TPS55160-Q1 and TPS55162-Q1 devices have a configurable output voltage ranging from 5.7 V to 9 V that is set by an external resistive divider.
Output currents can be as high as 1 A for a normal car battery voltage, and can be maintained at 0.4 A for lower input voltages, such as those for common battery-cranking profiles. The buck-boost converter is based on a fixed-frequency, pulse-width-modulation (PWM) control circuit using synchronous rectification to obtain maximum efficiency. The switching frequency is set to 2 MHz (typical) which allows for the usage of a small inductor that uses less board space. |
TPS55162-Q13.6-V to 36-V, 1-A output, 2-MHz, synchronous step-up and step-down converter, AEC-Q100 qualified | Integrated Circuits (ICs) | 2 | Active | The TPS5516x-Q1 family of devices is a high-voltage synchronous buck-boost DC-DC converter. The device provides a stable power-supply output from a wide varying input-power supply such as an automotive car battery. The buck-boost overlap control ensures automatic transition between step-down and step-up mode with optimal efficiency. The TPS55165-Q1 output voltage can be set to a fixed level of 5 V or 12 V. The TPS55160-Q1 and TPS55162-Q1 devices have a configurable output voltage ranging from 5.7 V to 9 V that is set by an external resistive divider.
Output currents can be as high as 1 A for a normal car battery voltage, and can be maintained at 0.4 A for lower input voltages, such as those for common battery-cranking profiles. The buck-boost converter is based on a fixed-frequency, pulse-width-modulation (PWM) control circuit using synchronous rectification to obtain maximum efficiency. The switching frequency is set to 2 MHz (typical) which allows for the usage of a small inductor that uses less board space.
The TPS5516x-Q1 family of devices is a high-voltage synchronous buck-boost DC-DC converter. The device provides a stable power-supply output from a wide varying input-power supply such as an automotive car battery. The buck-boost overlap control ensures automatic transition between step-down and step-up mode with optimal efficiency. The TPS55165-Q1 output voltage can be set to a fixed level of 5 V or 12 V. The TPS55160-Q1 and TPS55162-Q1 devices have a configurable output voltage ranging from 5.7 V to 9 V that is set by an external resistive divider.
Output currents can be as high as 1 A for a normal car battery voltage, and can be maintained at 0.4 A for lower input voltages, such as those for common battery-cranking profiles. The buck-boost converter is based on a fixed-frequency, pulse-width-modulation (PWM) control circuit using synchronous rectification to obtain maximum efficiency. The switching frequency is set to 2 MHz (typical) which allows for the usage of a small inductor that uses less board space. |
TPS55165-Q12-V to 36-V, 1-A output, 2-MHz, 5-V or 12-V fixed output voltage, step-up and step-down converter | Integrated Circuits (ICs) | 2 | Active | The TPS5516x-Q1 family of devices is a high-voltage synchronous buck-boost DC-DC converter. The device provides a stable power-supply output from a wide varying input-power supply such as an automotive car battery. The buck-boost overlap control ensures automatic transition between step-down and step-up mode with optimal efficiency. The TPS55165-Q1 output voltage can be set to a fixed level of 5 V or 12 V. The TPS55160-Q1 and TPS55162-Q1 devices have a configurable output voltage ranging from 5.7 V to 9 V that is set by an external resistive divider.
Output currents can be as high as 1 A for a normal car battery voltage, and can be maintained at 0.4 A for lower input voltages, such as those for common battery-cranking profiles. The buck-boost converter is based on a fixed-frequency, pulse-width-modulation (PWM) control circuit using synchronous rectification to obtain maximum efficiency. The switching frequency is set to 2 MHz (typical) which allows for the usage of a small inductor that uses less board space.
The TPS5516x-Q1 family of devices is a high-voltage synchronous buck-boost DC-DC converter. The device provides a stable power-supply output from a wide varying input-power supply such as an automotive car battery. The buck-boost overlap control ensures automatic transition between step-down and step-up mode with optimal efficiency. The TPS55165-Q1 output voltage can be set to a fixed level of 5 V or 12 V. The TPS55160-Q1 and TPS55162-Q1 devices have a configurable output voltage ranging from 5.7 V to 9 V that is set by an external resistive divider.
Output currents can be as high as 1 A for a normal car battery voltage, and can be maintained at 0.4 A for lower input voltages, such as those for common battery-cranking profiles. The buck-boost converter is based on a fixed-frequency, pulse-width-modulation (PWM) control circuit using synchronous rectification to obtain maximum efficiency. The switching frequency is set to 2 MHz (typical) which allows for the usage of a small inductor that uses less board space. |
TPS552872-Q1Automotive, 36-V, 4-A fully integrated buck-boost converter | Power Management (PMIC) | 1 | Active | The TPS552872-Q1 is a synchronous buck-boost converter that is optimized for converting battery voltage or adapter voltage into power supply rails. The TPS552872-Q1 integrates four MOSFET switches providing a compact solution for a variety of applications. The TPS552872-Q1 has up to 36V input voltage capability. When working in boost mode, the TPS552872-Q1 can deliver 30 W from a 12-V input. It is capable of delivering 25 W from 9-V input voltage.
The TPS552872-Q1 employs an average current-mode control scheme. The switching frequency is programmable from 200 kHz to 2.2 MHz by an external resistor and can be synchronized to an external clock. The TPS552872-Q1 also provides optional spread spectrum to minimize peak EMI.
The TPS552872-Q1 offers output over-voltage protection, average inductor current limit, cycle-by-cycle peak current limit, output short circuit protection. The TPS552872-Q1 also ensures safe operating with optional output current limit and hiccup-mode protection in sustained overload conditions.
The TPS552872-Q1 can use a small inductor and small capacitors with high switching frequency. It is available in a 3.0-mm × 5.0-mm QFN package.
The TPS552872-Q1 is a synchronous buck-boost converter that is optimized for converting battery voltage or adapter voltage into power supply rails. The TPS552872-Q1 integrates four MOSFET switches providing a compact solution for a variety of applications. The TPS552872-Q1 has up to 36V input voltage capability. When working in boost mode, the TPS552872-Q1 can deliver 30 W from a 12-V input. It is capable of delivering 25 W from 9-V input voltage.
The TPS552872-Q1 employs an average current-mode control scheme. The switching frequency is programmable from 200 kHz to 2.2 MHz by an external resistor and can be synchronized to an external clock. The TPS552872-Q1 also provides optional spread spectrum to minimize peak EMI.
The TPS552872-Q1 offers output over-voltage protection, average inductor current limit, cycle-by-cycle peak current limit, output short circuit protection. The TPS552872-Q1 also ensures safe operating with optional output current limit and hiccup-mode protection in sustained overload conditions.
The TPS552872-Q1 can use a small inductor and small capacitors with high switching frequency. It is available in a 3.0-mm × 5.0-mm QFN package. |
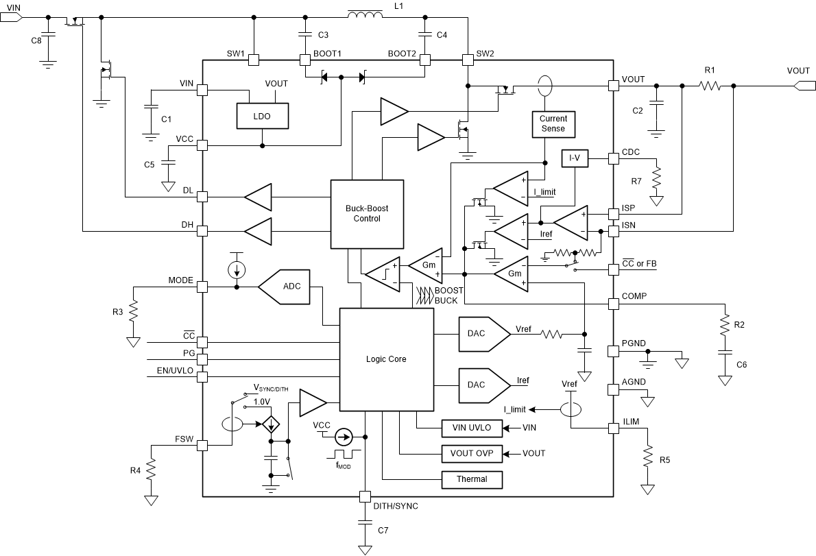
TPS55288-Q136-V, 16-A buck-boost converter with I2C control, AEC-Q100 qualified | Development Boards, Kits, Programmers | 5 | Active | The TPS55288-Q1 is a synchronous four-switch buck-boost converter capable of regulating the output voltage at, above, or below the input voltage. The TPS55288-Q1 operates over 2.7-V to 36-V wide input voltage and is capable of outputing 0.8-V to 22-V voltage to support a variety of applications.
The TPS55288-Q1 integrates two 16-A MOSFETs of the boost leg to balance the solution size and efficiency. With the programmable output voltage and output current limit through I2C interface, the TPS55288-Q1 is fully compliant to the USB PD specification. The TPS55288-Q1 is capable of delivering 100 W from 12-V input voltage.
The TPS55288-Q1 employs an average current-mode control scheme. The switching frequency is programmable from 200 kHz to 2.2 MHz by an external resistor and can be synchronized to an external clock. The TPS55288-Q1 also provides optional spread spectrum to minimize peak EMI.
The TPS55288-Q1 offers output over-voltage protection, average inductor current limit, cycle-by-cycle peak current limit and output short circuit protection. The TPS55288-Q1 also ensures safe operating with optional output current limit and hiccup-mode protection in sustained overload conditions.
The TPS55288-Q1 can use a small inductor and small capacitors with high switching frequency. It is available in a 4.0-mm × 3.5-mm QFN package.
The TPS55288-Q1 is a synchronous four-switch buck-boost converter capable of regulating the output voltage at, above, or below the input voltage. The TPS55288-Q1 operates over 2.7-V to 36-V wide input voltage and is capable of outputing 0.8-V to 22-V voltage to support a variety of applications.
The TPS55288-Q1 integrates two 16-A MOSFETs of the boost leg to balance the solution size and efficiency. With the programmable output voltage and output current limit through I2C interface, the TPS55288-Q1 is fully compliant to the USB PD specification. The TPS55288-Q1 is capable of delivering 100 W from 12-V input voltage.
The TPS55288-Q1 employs an average current-mode control scheme. The switching frequency is programmable from 200 kHz to 2.2 MHz by an external resistor and can be synchronized to an external clock. The TPS55288-Q1 also provides optional spread spectrum to minimize peak EMI.
The TPS55288-Q1 offers output over-voltage protection, average inductor current limit, cycle-by-cycle peak current limit and output short circuit protection. The TPS55288-Q1 also ensures safe operating with optional output current limit and hiccup-mode protection in sustained overload conditions.
The TPS55288-Q1 can use a small inductor and small capacitors with high switching frequency. It is available in a 4.0-mm × 3.5-mm QFN package. |
TPS552882-Q136-V, 16-A buck-boost converter, AEC-Q100 qualified | Development Boards, Kits, Programmers | 2 | Active | The TPS552882-Q1 is a synchronous four-switch buck-boost converter capable of regulating the output voltage at, above, or below the input voltage. The TPS552882-Q1 operates over 2.7-V to 36-V wide input voltage and is capable of outputing 0.8-V to 22-V voltage to support a variety of applications.
The TPS552882-Q1 integrates two 16-A MOSFETs of the boost leg to balance the solution size and efficiency. The TPS552882-Q1 uses external resistor divider to set the output voltage with 1.2-V intenral reference voltage. The TPS552882-Q1 is capable of delivering 100 W from 12-V input voltage.
The TPS552882-Q1 employs an average current-mode control scheme. The switching frequency is programmable from 200 kHz to 2.2 MHz by an external resistor and can be synchronized to an external clock. The TPS552882-Q1 also provides optional spread spectrum to minimize peak EMI.
The TPS552882-Q1 offers output overvoltage protection, average inductor current limit, cycle-by-cycle peak current limit, and output short circuit protection. The TPS552882-Q1 also ensures safe operating with optional output current limit and hiccup-mode protection in sustained overload conditions.
The TPS552882-Q1 can use a small inductor and small capacitors with high switching frequency. It is available in a 4.0-mm × 3.5-mm QFN package.
The TPS552882-Q1 is a synchronous four-switch buck-boost converter capable of regulating the output voltage at, above, or below the input voltage. The TPS552882-Q1 operates over 2.7-V to 36-V wide input voltage and is capable of outputing 0.8-V to 22-V voltage to support a variety of applications.
The TPS552882-Q1 integrates two 16-A MOSFETs of the boost leg to balance the solution size and efficiency. The TPS552882-Q1 uses external resistor divider to set the output voltage with 1.2-V intenral reference voltage. The TPS552882-Q1 is capable of delivering 100 W from 12-V input voltage.
The TPS552882-Q1 employs an average current-mode control scheme. The switching frequency is programmable from 200 kHz to 2.2 MHz by an external resistor and can be synchronized to an external clock. The TPS552882-Q1 also provides optional spread spectrum to minimize peak EMI.
The TPS552882-Q1 offers output overvoltage protection, average inductor current limit, cycle-by-cycle peak current limit, and output short circuit protection. The TPS552882-Q1 also ensures safe operating with optional output current limit and hiccup-mode protection in sustained overload conditions.
The TPS552882-Q1 can use a small inductor and small capacitors with high switching frequency. It is available in a 4.0-mm × 3.5-mm QFN package. |
TPS55289-Q1AEC-Q100 qualified, 36-V 8-A fully integrated buck-boost converter with I²C interface | Power Management (PMIC) | 2 | Active | The TPS55289-Q1 is a synchronous buck-boost converter that is optimized for converting battery voltage or adapter voltage into power supply rails. The TPS55289-Q1 integrates four MOSFET switches providing a compact solution for USB Power Delivery (USB PD) application.
The TPS55289-Q1 has up to 36V input voltage capability. Through the I2C interface, the output voltage of the TPS55289-Q1 can be programmed from 0.8V to 22V with 10mV step. When working in boost mode, it can deliver 60W from a 12V input voltage. It is capable of delivering 45W from 9V input voltage.
The TPS55289-Q1 employs an average current-mode control scheme. The switching frequency is programmable from 200kHz to 2.2MHz by an external resistor and can be synchronized to an external clock. The TPS55289-Q1 also provides optional spread spectrum to minimize peak EMI.
The TPS55289-Q1 offers output over-voltage protection, average inductor current limit, cycle-by-cycle peak current limit and output short circuit protection. The TPS55289-Q1 also ensures safe operating with optional output current limit and hiccup-mode protection in sustained overload conditions.
The TPS55289-Q1 can use a small inductor and small capacitors with high switching frequency. It is available in a 3.0mm × 5.0mm QFN package.
The TPS55289-Q1 is a synchronous buck-boost converter that is optimized for converting battery voltage or adapter voltage into power supply rails. The TPS55289-Q1 integrates four MOSFET switches providing a compact solution for USB Power Delivery (USB PD) application.
The TPS55289-Q1 has up to 36V input voltage capability. Through the I2C interface, the output voltage of the TPS55289-Q1 can be programmed from 0.8V to 22V with 10mV step. When working in boost mode, it can deliver 60W from a 12V input voltage. It is capable of delivering 45W from 9V input voltage.
The TPS55289-Q1 employs an average current-mode control scheme. The switching frequency is programmable from 200kHz to 2.2MHz by an external resistor and can be synchronized to an external clock. The TPS55289-Q1 also provides optional spread spectrum to minimize peak EMI.
The TPS55289-Q1 offers output over-voltage protection, average inductor current limit, cycle-by-cycle peak current limit and output short circuit protection. The TPS55289-Q1 also ensures safe operating with optional output current limit and hiccup-mode protection in sustained overload conditions.
The TPS55289-Q1 can use a small inductor and small capacitors with high switching frequency. It is available in a 3.0mm × 5.0mm QFN package. |
TPS552892-Q1Automotive 36-V, 8-A fully integrated buck-boost converter | Power Management (PMIC) | 2 | Active | The TPS552892-Q1 is a synchronous buck-boost converter that is optimized for converting battery voltage or adapter voltage into power supply rails. The TPS552892-Q1 integrates four MOSFET switches providing a compact solution for a variety of applications. The TPS552892-Q1 has up to 36V input voltage capability. When working in boost mode, the TPS552892-Q1 can deliver 60 W from a 12-V input. It is capable of delivering 45 W from 9-V input voltage.
The TPS552892-Q1 employs an average current-mode control scheme. The switching frequency is programmable from 200 kHz to 2.2 MHz by an external resistor and can be synchronized to an external clock. The TPS552892-Q1 also provides optional spread spectrum to minimize peak EMI.
The TPS552892-Q1 offers output over-voltage protection, average inductor current limit, cycle-by-cycle peak current limit, output short circuit protection. The TPS552892-Q1 also ensures safe operating with optional output current limit and hiccup-mode protection in sustained overload conditions.
The TPS552892-Q1 can use a small inductor and small capacitors with high switching frequency. It is available in a 3.0-mm × 5.0-mm QFN package.
The TPS552892-Q1 is a synchronous buck-boost converter that is optimized for converting battery voltage or adapter voltage into power supply rails. The TPS552892-Q1 integrates four MOSFET switches providing a compact solution for a variety of applications. The TPS552892-Q1 has up to 36V input voltage capability. When working in boost mode, the TPS552892-Q1 can deliver 60 W from a 12-V input. It is capable of delivering 45 W from 9-V input voltage.
The TPS552892-Q1 employs an average current-mode control scheme. The switching frequency is programmable from 200 kHz to 2.2 MHz by an external resistor and can be synchronized to an external clock. The TPS552892-Q1 also provides optional spread spectrum to minimize peak EMI.
The TPS552892-Q1 offers output over-voltage protection, average inductor current limit, cycle-by-cycle peak current limit, output short circuit protection. The TPS552892-Q1 also ensures safe operating with optional output current limit and hiccup-mode protection in sustained overload conditions.
The TPS552892-Q1 can use a small inductor and small capacitors with high switching frequency. It is available in a 3.0-mm × 5.0-mm QFN package. |