| Integrated Circuits (ICs) | 4 | Obsolete | |
| Power Management (PMIC) | 2 | Active | |
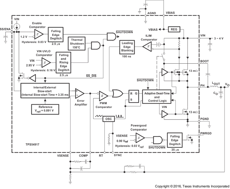
TPS549173V to 4V Input, 9A Synchronous Step-Down SWIFT™ Converter | Development Boards, Kits, Programmers | 3 | Active | As a member of the SWIFT™ family of DC-DC regulators, the TPS54917 low-input voltage high-output current synchronous buck PWM converter offers the same features as the TPS54910 in a smaller package and higher switching frequency, which allows for a smaller total solution. Included on the substrate with the listed features are a true, high performance, voltage error amplifier that enables maximum performance under transient conditions and flexibility in choosing the output filter L and C components; an undervoltage lockout (UVLO) circuit to prevent start-up until the input voltage reaches 3 V; an internally and externally set slow-start circuit to limit in-rush currents; and a power good output useful for processor or logic reset, fault signaling, and supply sequencing.
The TPS54917 is available in a thermally enhanced 34-pin VQFN (RUV) PowerPAD™ package, which eliminates bulky heat sinks. TI provides evaluation modules and the SwitcherPro design software tool to aid in achieving high-performance power supply designs to meet aggressive equipment development cycles.
As a member of the SWIFT™ family of DC-DC regulators, the TPS54917 low-input voltage high-output current synchronous buck PWM converter offers the same features as the TPS54910 in a smaller package and higher switching frequency, which allows for a smaller total solution. Included on the substrate with the listed features are a true, high performance, voltage error amplifier that enables maximum performance under transient conditions and flexibility in choosing the output filter L and C components; an undervoltage lockout (UVLO) circuit to prevent start-up until the input voltage reaches 3 V; an internally and externally set slow-start circuit to limit in-rush currents; and a power good output useful for processor or logic reset, fault signaling, and supply sequencing.
The TPS54917 is available in a thermally enhanced 34-pin VQFN (RUV) PowerPAD™ package, which eliminates bulky heat sinks. TI provides evaluation modules and the SwitcherPro design software tool to aid in achieving high-performance power supply designs to meet aggressive equipment development cycles. |
TPS549729-A Active Bus Termination/ DDR Memory DC/DC Converter | Power Management (PMIC) | 1 | Active | As a member of the SWIFT™ family of dc/dc regulators, the TPS54972 low-input voltage high-output current synchronous-buck PWM converter integrates all required active components. Included on the substrate with the listed features are a true, high performance, voltage error amplifier that enables maximum performance under transient conditions and flexibility in choosing the output filter L and C components; an under-voltage-lockout circuit to prevent start-up until the input voltage reaches 3.0 V; an internally set slow-start circuit to limit in-rush currents; and a status output to indicate valid operating conditions.
The TPS54972 is available in a thermally enhanced 28-pin TSSOP (PWP) PowerPAD™ package, which eliminates bulky heatsinks. TI provides evaluation modules and the SWIFT designer software tool to aid in quickly achieving high-performance power supply designs to meet aggressive equipment development cycles.
As a member of the SWIFT™ family of dc/dc regulators, the TPS54972 low-input voltage high-output current synchronous-buck PWM converter integrates all required active components. Included on the substrate with the listed features are a true, high performance, voltage error amplifier that enables maximum performance under transient conditions and flexibility in choosing the output filter L and C components; an under-voltage-lockout circuit to prevent start-up until the input voltage reaches 3.0 V; an internally set slow-start circuit to limit in-rush currents; and a status output to indicate valid operating conditions.
The TPS54972 is available in a thermally enhanced 28-pin TSSOP (PWP) PowerPAD™ package, which eliminates bulky heatsinks. TI provides evaluation modules and the SWIFT designer software tool to aid in quickly achieving high-performance power supply designs to meet aggressive equipment development cycles. |
TPS549733.3V Input, 9A Synchronous Step-Down Converter for Prebiased Outputs | Power Management (PMIC) | 2 | LTB | As a member of the SWIFT™ family of dc/dc regulators, the TPS54973 low-input voltage high-output current synchronous buck PWM converter integrates all required active components. Included on the substrate with the listed features are a true, high performance, voltage error amplifier that enables maximum performance and flexibility in choosing the output filter L and C components; an undervoltage-lockout circuit to prevent start-up until the input voltage reaches 3 V; an internally or externally set slow-start circuit to limit in-rush currents; and a power good output useful for processor/logic reset, fault signaling, and supply sequencing.
For reliable power up in output precharge applications, the TPS54973 is designed to only source current during startup.
The TPS54973 is available in a thermally enhanced 28-pin TSSOP (PWP) PowerPAD™ package, which eliminates bulky heatsinks. TI provides evaluation modules and the SWIFT™ designer software tool to aid in quickly achieving high-performance power supply designs to meet aggressive equipment development cycles.
As a member of the SWIFT™ family of dc/dc regulators, the TPS54973 low-input voltage high-output current synchronous buck PWM converter integrates all required active components. Included on the substrate with the listed features are a true, high performance, voltage error amplifier that enables maximum performance and flexibility in choosing the output filter L and C components; an undervoltage-lockout circuit to prevent start-up until the input voltage reaches 3 V; an internally or externally set slow-start circuit to limit in-rush currents; and a power good output useful for processor/logic reset, fault signaling, and supply sequencing.
For reliable power up in output precharge applications, the TPS54973 is designed to only source current during startup.
The TPS54973 is available in a thermally enhanced 28-pin TSSOP (PWP) PowerPAD™ package, which eliminates bulky heatsinks. TI provides evaluation modules and the SWIFT™ designer software tool to aid in quickly achieving high-performance power supply designs to meet aggressive equipment development cycles. |
| Power Management (PMIC) | 2 | Obsolete | |
TPS549803.3V Input, 9A Synchronous Step-Down Converter for Sequencing | Integrated Circuits (ICs) | 1 | LTB | As a member of the SWIFT™ family of dc/dc regulators, the TPS54980 low-input voltage high-output current synchronous buck PWM converter integrates all required active components. Using the TRACKIN pin with other regulators, simultaneous power up and down are easily implemented. Included on the substrate with the listed features are a true, high performance, voltage error amplifier that enables maximum performance and flexibility in choosing the output filter L and C components; an under-voltage-lockout circuit to prevent start-up until the input voltage reaches 3 V; an internally or externally set slow-start circuit to limit inrush currents; and a power good output useful for processor/logic reset.
The TPS54980 is available in a thermally enhanced 28-pin TSSOP (PWP) PowerPAD™ package, which eliminates bulky heatsinks. TI provides evaluation modules and the SWIFT™ designer software tool to aid in quickly achieving high-performance power supply designs to meet aggressive equipment development cycles.
As a member of the SWIFT™ family of dc/dc regulators, the TPS54980 low-input voltage high-output current synchronous buck PWM converter integrates all required active components. Using the TRACKIN pin with other regulators, simultaneous power up and down are easily implemented. Included on the substrate with the listed features are a true, high performance, voltage error amplifier that enables maximum performance and flexibility in choosing the output filter L and C components; an under-voltage-lockout circuit to prevent start-up until the input voltage reaches 3 V; an internally or externally set slow-start circuit to limit inrush currents; and a power good output useful for processor/logic reset.
The TPS54980 is available in a thermally enhanced 28-pin TSSOP (PWP) PowerPAD™ package, which eliminates bulky heatsinks. TI provides evaluation modules and the SWIFT™ designer software tool to aid in quickly achieving high-performance power supply designs to meet aggressive equipment development cycles. |
TPS549B221.5-V to 18-V, 25-A synchronous SWIFT™ buck converter with differential remote sense and PMBus | Development Boards, Kits, Programmers | 8 | Active | The TPS549A20 is a small-sized, synchronous buck converter with anadaptive on-time D-CAP3 control mode. The device offers ease-of-use and low bill-of-material countfor space-conscious power systems.
This device features high-performance integrated MOSFETs, accurate 0.6-V reference, andan integrated boost switch. Competitive features include very-low external-component count, fastload-transient response, auto-skip mode operation, internal soft-start control, and no requirementfor compensation. The device also features fault report viaPMBus to simplify the power supply design
A forced continuous conduction mode helps meet tight voltage regulation accuracyrequirements for performance DSPs and FPGAs. The TPS549A20 is available in a28-pin VQFN-CLIP package and is specified from –40°C to 125°C ambient temperature.
The TPS549A20 is a small-sized, synchronous buck converter with anadaptive on-time D-CAP3 control mode. The device offers ease-of-use and low bill-of-material countfor space-conscious power systems.
This device features high-performance integrated MOSFETs, accurate 0.6-V reference, andan integrated boost switch. Competitive features include very-low external-component count, fastload-transient response, auto-skip mode operation, internal soft-start control, and no requirementfor compensation. The device also features fault report viaPMBus to simplify the power supply design
A forced continuous conduction mode helps meet tight voltage regulation accuracyrequirements for performance DSPs and FPGAs. The TPS549A20 is available in a28-pin VQFN-CLIP package and is specified from –40°C to 125°C ambient temperature. |
TPS54J0614-V to 16-V input, 6-A synchronous buck converter, 600-mV reference voltage and hiccup current limit | DC/DC & AC/DC (Off-Line) SMPS Evaluation Boards | 13 | Active | The TPS54A24 is a full-featured 17-V, 10-A synchronous step-down DC/DC converter in a standard 4 mm × 4 mm WQFN package.
The device is optimized for small solution size through high efficiency and integrating the high-side and low-side MOSFETs. Further space savings are achieved through peak-current-mode control, which reduces component count, and by selecting a high switching frequency, reducing the inductor footprint.
The peak-current-mode control simplifies the loop compensation and provides fast transient response. Cycle-by-cycle peak current limiting on the high-side and low-side sourcing current limit protects the device in overload situations. Hiccup limits MOSFET power dissipation if a short circuit or over loading fault persists.
A power-good supervisor circuit monitors the regulator output. The PGOOD pin is an open-drain output and goes high impedance when the output voltage is in regulation. An internal deglitch time prevents the PGOOD pin from pulling low unless a fault has occurred.
A dedicated EN pin can be used to control the regulator on/off and adjust the input undervoltage lockout. The output voltage start-up ramp is controlled by the SS/TRK pin, which allows operation as either a standalone power supply or in tracking situations.
The TPS54A24 is a full-featured 17-V, 10-A synchronous step-down DC/DC converter in a standard 4 mm × 4 mm WQFN package.
The device is optimized for small solution size through high efficiency and integrating the high-side and low-side MOSFETs. Further space savings are achieved through peak-current-mode control, which reduces component count, and by selecting a high switching frequency, reducing the inductor footprint.
The peak-current-mode control simplifies the loop compensation and provides fast transient response. Cycle-by-cycle peak current limiting on the high-side and low-side sourcing current limit protects the device in overload situations. Hiccup limits MOSFET power dissipation if a short circuit or over loading fault persists.
A power-good supervisor circuit monitors the regulator output. The PGOOD pin is an open-drain output and goes high impedance when the output voltage is in regulation. An internal deglitch time prevents the PGOOD pin from pulling low unless a fault has occurred.
A dedicated EN pin can be used to control the regulator on/off and adjust the input undervoltage lockout. The output voltage start-up ramp is controlled by the SS/TRK pin, which allows operation as either a standalone power supply or in tracking situations. |
TPS550102.95V To 6V Input, 2W, Isolated DC/DC Converter with Integrated FETS | Evaluation Boards | 2 | Active | The TPS55010 is a transformer driver designed to provide isolated power for isolated interfaces, such as RS-485 and RS-232, from 3.3 V or 5 V input supply.
The device uses fixed frequency current mode control and half bridge power stage with primary side feedback to regulate the output voltage for power levels up to 2W. The switching frequency is adjustable from 100 kHz to 2000 kHz so solution size, efficiency and noise can be optimized. The switching frequency is set with a resistor or is synchronized to external clock using the RT/CLK pin. To minimize inrush currents, a small capacitor can be connected to the SS pin. The EN pin can be used as an enable pin or to increase the default input UVLO voltage from 2.6V.
With the same transformer the TPS55010 can provide a solution for different input and output voltage combinations by adjusting the primary side voltage. Off the shelf transformers are available to provide single positive, or dual positive and negative output voltages.
The TPS55010 is available in a 3mm x 3mm 16 pin QFN package with thermal pad.
The TPS55010 is a transformer driver designed to provide isolated power for isolated interfaces, such as RS-485 and RS-232, from 3.3 V or 5 V input supply.
The device uses fixed frequency current mode control and half bridge power stage with primary side feedback to regulate the output voltage for power levels up to 2W. The switching frequency is adjustable from 100 kHz to 2000 kHz so solution size, efficiency and noise can be optimized. The switching frequency is set with a resistor or is synchronized to external clock using the RT/CLK pin. To minimize inrush currents, a small capacitor can be connected to the SS pin. The EN pin can be used as an enable pin or to increase the default input UVLO voltage from 2.6V.
With the same transformer the TPS55010 can provide a solution for different input and output voltage combinations by adjusting the primary side voltage. Off the shelf transformers are available to provide single positive, or dual positive and negative output voltages.
The TPS55010 is available in a 3mm x 3mm 16 pin QFN package with thermal pad. |