T
Texas Instruments
| Series | Category | # Parts | Status | Description |
|---|---|---|---|---|
| Part | Spec A | Spec B | Spec C | Spec D | Description |
|---|---|---|---|---|---|
| Series | Category | # Parts | Status | Description |
|---|---|---|---|---|
| Part | Spec A | Spec B | Spec C | Spec D | Description |
|---|---|---|---|---|---|
| Part | Category | Description |
|---|---|---|
Texas Instruments | Integrated Circuits (ICs) | BUS DRIVER, BCT/FBT SERIES |
Texas Instruments | Integrated Circuits (ICs) | 12BIT 3.3V~3.6V 210MHZ PARALLEL VQFN-48-EP(7X7) ANALOG TO DIGITAL CONVERTERS (ADC) ROHS |
Texas Instruments | Integrated Circuits (ICs) | TMX320DRE311 179PIN UBGA 200MHZ |
Texas Instruments TPS61040DRVTG4Unknown | Integrated Circuits (ICs) | IC LED DRV RGLTR PWM 350MA 6WSON |
Texas Instruments LP3876ET-2.5Obsolete | Integrated Circuits (ICs) | IC REG LINEAR 2.5V 3A TO220-5 |
Texas Instruments LMS1585ACSX-ADJObsolete | Integrated Circuits (ICs) | IC REG LIN POS ADJ 5A DDPAK |
Texas Instruments INA111APG4Obsolete | Integrated Circuits (ICs) | IC INST AMP 1 CIRCUIT 8DIP |
Texas Instruments | Integrated Circuits (ICs) | AUTOMOTIVE, QUAD 36V 1.2MHZ OPERATIONAL AMPLIFIER |
Texas Instruments OPA340NA/3KG4Unknown | Integrated Circuits (ICs) | IC OPAMP GP 1 CIRCUIT SOT23-5 |
Texas Instruments PT5112AObsolete | Power Supplies - Board Mount | DC DC CONVERTER 8V 8W |
| Series | Category | # Parts | Status | Description |
|---|---|---|---|---|
| Data Acquisition | 3 | Active | ||
| Integrated Circuits (ICs) | 3 | Active | ||
| Integrated Circuits (ICs) | 3 | Active | ||
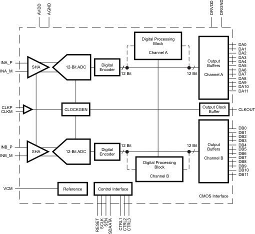
ADS62P22Dual-Channel, 12-Bit, 65-MSPS Analog-to-Digital Converter (ADC) | Evaluation Boards | 3 | Active | ADS62P2X is a dual channel 12-bit A/D converter family with maximum sample rates up to 125 MSPS. It combines high performance and low power consumption in a compact 64 QFN package. Using an internal sample and hold and low jitter clock buffer, the ADC supports high SNR and high SFDR at high input frequencies. It has coarse and fine gain options that can be used to improve SFDR performance at lower full-scale input ranges.
ADS62P2X includes a digital processing block that consists of several useful and commonly used digital functions such as ADC offset correction, fine gain correction (in steps of 0.05 dB), decimation by 2,4,8 and in-built and custom programmable filters. By default, the digital processing block is bypassed, and its functions are disabled.
Two output interface options exist – parallel CMOS and DDR LVDS (Double Data Rate). ADS62P2X includes internal references while traditional reference pins and associated decoupling capacitors have been eliminated. Nevertheless, the device can also be driven with an external reference. The device is specified over the industrial temperature range (–40°C to 85°C).
ADS62P2X is a dual channel 12-bit A/D converter family with maximum sample rates up to 125 MSPS. It combines high performance and low power consumption in a compact 64 QFN package. Using an internal sample and hold and low jitter clock buffer, the ADC supports high SNR and high SFDR at high input frequencies. It has coarse and fine gain options that can be used to improve SFDR performance at lower full-scale input ranges.
ADS62P2X includes a digital processing block that consists of several useful and commonly used digital functions such as ADC offset correction, fine gain correction (in steps of 0.05 dB), decimation by 2,4,8 and in-built and custom programmable filters. By default, the digital processing block is bypassed, and its functions are disabled.
Two output interface options exist – parallel CMOS and DDR LVDS (Double Data Rate). ADS62P2X includes internal references while traditional reference pins and associated decoupling capacitors have been eliminated. Nevertheless, the device can also be driven with an external reference. The device is specified over the industrial temperature range (–40°C to 85°C). |
ADS62P23Dual-Channel, 12-Bit, 80-MSPS Analog-to-Digital Converter (ADC) | Analog to Digital Converters (ADC) | 2 | Active | ADS62P2X is a dual channel 12-bit A/D converter family with maximum sample rates up to 125 MSPS. It combines high performance and low power consumption in a compact 64 QFN package. Using an internal sample and hold and low jitter clock buffer, the ADC supports high SNR and high SFDR at high input frequencies. It has coarse and fine gain options that can be used to improve SFDR performance at lower full-scale input ranges.
ADS62P2X includes a digital processing block that consists of several useful and commonly used digital functions such as ADC offset correction, fine gain correction (in steps of 0.05 dB), decimation by 2,4,8 and in-built and custom programmable filters. By default, the digital processing block is bypassed, and its functions are disabled.
Two output interface options exist – parallel CMOS and DDR LVDS (Double Data Rate). ADS62P2X includes internal references while traditional reference pins and associated decoupling capacitors have been eliminated. Nevertheless, the device can also be driven with an external reference. The device is specified over the industrial temperature range (–40°C to 85°C).
ADS62P2X is a dual channel 12-bit A/D converter family with maximum sample rates up to 125 MSPS. It combines high performance and low power consumption in a compact 64 QFN package. Using an internal sample and hold and low jitter clock buffer, the ADC supports high SNR and high SFDR at high input frequencies. It has coarse and fine gain options that can be used to improve SFDR performance at lower full-scale input ranges.
ADS62P2X includes a digital processing block that consists of several useful and commonly used digital functions such as ADC offset correction, fine gain correction (in steps of 0.05 dB), decimation by 2,4,8 and in-built and custom programmable filters. By default, the digital processing block is bypassed, and its functions are disabled.
Two output interface options exist – parallel CMOS and DDR LVDS (Double Data Rate). ADS62P2X includes internal references while traditional reference pins and associated decoupling capacitors have been eliminated. Nevertheless, the device can also be driven with an external reference. The device is specified over the industrial temperature range (–40°C to 85°C). |
ADS62P24Dual-Channel, 12-Bit, 105-MSPS Analog-to-Digital Converter (ADC) | Analog to Digital Converters (ADCs) Evaluation Boards | 1 | Obsolete | ADS62P2X is a dual channel 12-bit A/D converter family with maximum sample rates up to 125 MSPS. It combines high performance and low power consumption in a compact 64 QFN package. Using an internal sample and hold and low jitter clock buffer, the ADC supports high SNR and high SFDR at high input frequencies. It has coarse and fine gain options that can be used to improve SFDR performance at lower full-scale input ranges.
ADS62P2X includes a digital processing block that consists of several useful and commonly used digital functions such as ADC offset correction, fine gain correction (in steps of 0.05 dB), decimation by 2,4,8 and in-built and custom programmable filters. By default, the digital processing block is bypassed, and its functions are disabled.
Two output interface options exist – parallel CMOS and DDR LVDS (Double Data Rate). ADS62P2X includes internal references while traditional reference pins and associated decoupling capacitors have been eliminated. Nevertheless, the device can also be driven with an external reference. The device is specified over the industrial temperature range (–40°C to 85°C).
ADS62P2X is a dual channel 12-bit A/D converter family with maximum sample rates up to 125 MSPS. It combines high performance and low power consumption in a compact 64 QFN package. Using an internal sample and hold and low jitter clock buffer, the ADC supports high SNR and high SFDR at high input frequencies. It has coarse and fine gain options that can be used to improve SFDR performance at lower full-scale input ranges.
ADS62P2X includes a digital processing block that consists of several useful and commonly used digital functions such as ADC offset correction, fine gain correction (in steps of 0.05 dB), decimation by 2,4,8 and in-built and custom programmable filters. By default, the digital processing block is bypassed, and its functions are disabled.
Two output interface options exist – parallel CMOS and DDR LVDS (Double Data Rate). ADS62P2X includes internal references while traditional reference pins and associated decoupling capacitors have been eliminated. Nevertheless, the device can also be driven with an external reference. The device is specified over the industrial temperature range (–40°C to 85°C). |
| Integrated Circuits (ICs) | 3 | Active | ||
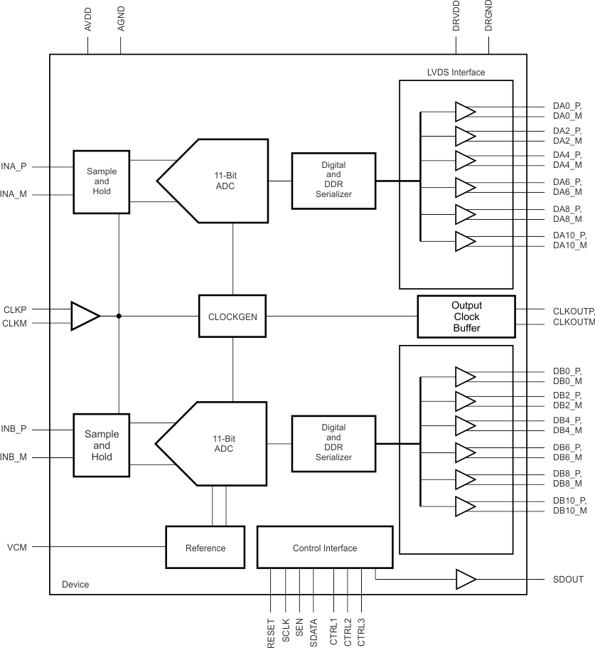
ADS62P28Dual-Channel, 12-Bit, 210-MSPS Analog-to-Digital Converter (ADC) | Data Acquisition | 2 | Active | The ADS62Px9/x8 is a family of dual channel 14-bit and 12-bit A/D converters with sampling rates up to 250 MSPS. It combines high dynamic performance and low power consumption in a compact 64 QFN package. This makes it well-suited for multi-carrier, wide band-width communications applications.
The ADS62Px9/x8 has gain options that can be used to improve SFDR performance at lower full-scale input ranges. It includes a dc offset correction loop that can be used to cancel the ADC offset. Both DDR LVDS (Double Data Rate) and parallel CMOS digital output interfaces are available.
It includes internal references while the traditional reference pins and associated decoupling capacitors have been eliminated. Nevertheless, the device can also be driven with an external reference. The device is specified over the industrial temperature range (–40°C to 85°C).
The ADS62Px9/x8 is a family of dual channel 14-bit and 12-bit A/D converters with sampling rates up to 250 MSPS. It combines high dynamic performance and low power consumption in a compact 64 QFN package. This makes it well-suited for multi-carrier, wide band-width communications applications.
The ADS62Px9/x8 has gain options that can be used to improve SFDR performance at lower full-scale input ranges. It includes a dc offset correction loop that can be used to cancel the ADC offset. Both DDR LVDS (Double Data Rate) and parallel CMOS digital output interfaces are available.
It includes internal references while the traditional reference pins and associated decoupling capacitors have been eliminated. Nevertheless, the device can also be driven with an external reference. The device is specified over the industrial temperature range (–40°C to 85°C). |
ADS62P29Dual-Channel, 12-Bit, 250-MSPS Analog-to-Digital Converter (ADC) | Analog to Digital Converters (ADCs) Evaluation Boards | 4 | Active | The ADS62Px9/x8 is a family of dual channel 14-bit and 12-bit A/D converters with sampling rates up to 250 MSPS. It combines high dynamic performance and low power consumption in a compact 64 QFN package. This makes it well-suited for multi-carrier, wide band-width communications applications.
The ADS62Px9/x8 has gain options that can be used to improve SFDR performance at lower full-scale input ranges. It includes a dc offset correction loop that can be used to cancel the ADC offset. Both DDR LVDS (Double Data Rate) and parallel CMOS digital output interfaces are available.
It includes internal references while the traditional reference pins and associated decoupling capacitors have been eliminated. Nevertheless, the device can also be driven with an external reference. The device is specified over the industrial temperature range (–40°C to 85°C).
The ADS62Px9/x8 is a family of dual channel 14-bit and 12-bit A/D converters with sampling rates up to 250 MSPS. It combines high dynamic performance and low power consumption in a compact 64 QFN package. This makes it well-suited for multi-carrier, wide band-width communications applications.
The ADS62Px9/x8 has gain options that can be used to improve SFDR performance at lower full-scale input ranges. It includes a dc offset correction loop that can be used to cancel the ADC offset. Both DDR LVDS (Double Data Rate) and parallel CMOS digital output interfaces are available.
It includes internal references while the traditional reference pins and associated decoupling capacitors have been eliminated. Nevertheless, the device can also be driven with an external reference. The device is specified over the industrial temperature range (–40°C to 85°C). |
| Analog to Digital Converters (ADCs) Evaluation Boards | 3 | Active | ||