T
Texas Instruments
| Series | Category | # Parts | Status | Description |
|---|---|---|---|---|
| Part | Spec A | Spec B | Spec C | Spec D | Description |
|---|---|---|---|---|---|
| Series | Category | # Parts | Status | Description |
|---|---|---|---|---|
| Part | Spec A | Spec B | Spec C | Spec D | Description |
|---|---|---|---|---|---|
| Series | Category | # Parts | Status | Description |
|---|---|---|---|---|
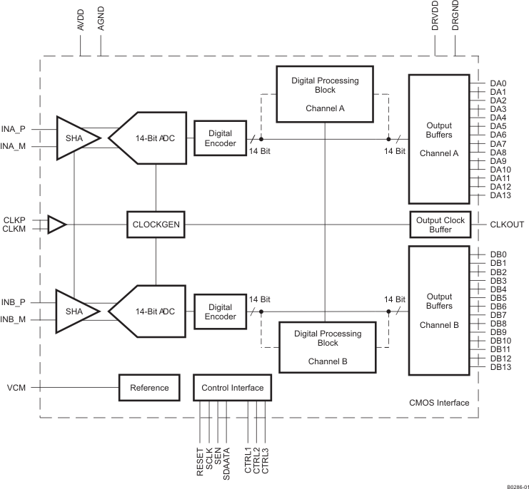
ADS62P43Dual-Channel, 14-Bit, 80-MSPS Analog-to-Digital Converter (ADC) | Development Boards, Kits, Programmers | 2 | Active | ADS62P4X is a dual channel 14-bit A/D converter family with maximum sample rates up to 125 MSPS. It combines high performance and low power consumption in a compact 64 QFN package. Using an internal sample and hold and low jitter clock buffer, the ADC supports high SNR and high SFDR at high input frequencies. It has coarse and fine gain options that can be used to improve SFDR performance at lower full-scale input ranges.
ADS62P4X includes a digital processing block that consists of several useful and commonly used digital functions such as ADC offset correction, fine gain correction (in steps of 0.05 dB), decimation by 2,4,8 and in-built and custom programmable filters. By default, the digital processing block is bypassed, and its functions are disabled.
Two output interface options exist – parallel CMOS and DDR LVDS (Double Data Rate). ADS62P4X includes internal references while traditional reference pins and associated decoupling capacitors have been eliminated. Nevertheless, the device can also be driven with an external reference. The device is specified over the industrial temperature range (–40°C to 85°C).
ADS62P4X is a dual channel 14-bit A/D converter family with maximum sample rates up to 125 MSPS. It combines high performance and low power consumption in a compact 64 QFN package. Using an internal sample and hold and low jitter clock buffer, the ADC supports high SNR and high SFDR at high input frequencies. It has coarse and fine gain options that can be used to improve SFDR performance at lower full-scale input ranges.
ADS62P4X includes a digital processing block that consists of several useful and commonly used digital functions such as ADC offset correction, fine gain correction (in steps of 0.05 dB), decimation by 2,4,8 and in-built and custom programmable filters. By default, the digital processing block is bypassed, and its functions are disabled.
Two output interface options exist – parallel CMOS and DDR LVDS (Double Data Rate). ADS62P4X includes internal references while traditional reference pins and associated decoupling capacitors have been eliminated. Nevertheless, the device can also be driven with an external reference. The device is specified over the industrial temperature range (–40°C to 85°C). |
ADS62P44Dual-Channel, 14-Bit, 105-MSPS Analog-to-Digital Converter (ADC) | Integrated Circuits (ICs) | 2 | Active | ADS62P4X is a dual channel 14-bit A/D converter family with maximum sample rates up to 125 MSPS. It combines high performance and low power consumption in a compact 64 QFN package. Using an internal sample and hold and low jitter clock buffer, the ADC supports high SNR and high SFDR at high input frequencies. It has coarse and fine gain options that can be used to improve SFDR performance at lower full-scale input ranges.
ADS62P4X includes a digital processing block that consists of several useful and commonly used digital functions such as ADC offset correction, fine gain correction (in steps of 0.05 dB), decimation by 2,4,8 and in-built and custom programmable filters. By default, the digital processing block is bypassed, and its functions are disabled.
Two output interface options exist – parallel CMOS and DDR LVDS (Double Data Rate). ADS62P4X includes internal references while traditional reference pins and associated decoupling capacitors have been eliminated. Nevertheless, the device can also be driven with an external reference. The device is specified over the industrial temperature range (–40°C to 85°C).
ADS62P4X is a dual channel 14-bit A/D converter family with maximum sample rates up to 125 MSPS. It combines high performance and low power consumption in a compact 64 QFN package. Using an internal sample and hold and low jitter clock buffer, the ADC supports high SNR and high SFDR at high input frequencies. It has coarse and fine gain options that can be used to improve SFDR performance at lower full-scale input ranges.
ADS62P4X includes a digital processing block that consists of several useful and commonly used digital functions such as ADC offset correction, fine gain correction (in steps of 0.05 dB), decimation by 2,4,8 and in-built and custom programmable filters. By default, the digital processing block is bypassed, and its functions are disabled.
Two output interface options exist – parallel CMOS and DDR LVDS (Double Data Rate). ADS62P4X includes internal references while traditional reference pins and associated decoupling capacitors have been eliminated. Nevertheless, the device can also be driven with an external reference. The device is specified over the industrial temperature range (–40°C to 85°C). |
| Integrated Circuits (ICs) | 3 | Active | ||
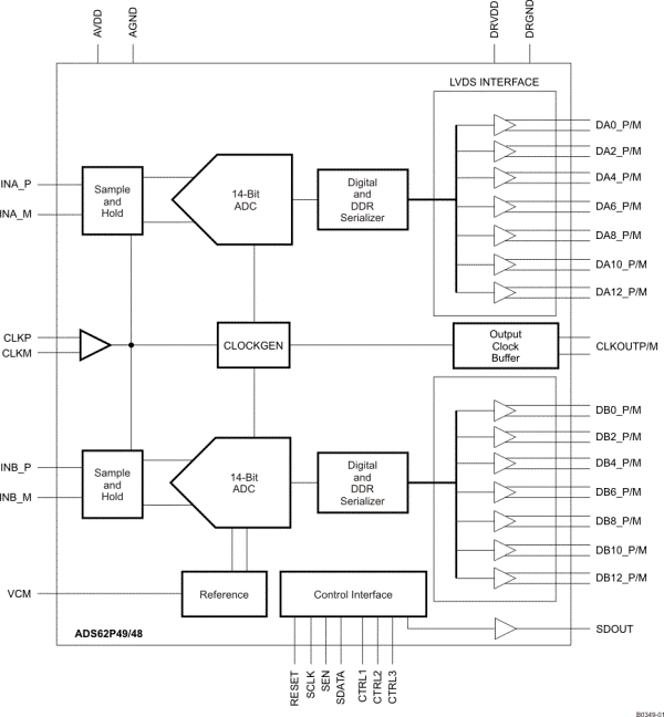
ADS62P48Dual-Channel, 14-Bit, 210-MSPS Analog-to-Digital Converter (ADC) | Data Acquisition | 2 | Active | The ADS62Px9/x8 is a family of dual channel 14-bit and 12-bit A/D converters with sampling rates up to 250 MSPS. It combines high dynamic performance and low power consumption in a compact 64 QFN package. This makes it well-suited for multi-carrier, wide band-width communications applications.
The ADS62Px9/x8 has gain options that can be used to improve SFDR performance at lower full-scale input ranges. It includes a dc offset correction loop that can be used to cancel the ADC offset. Both DDR LVDS (Double Data Rate) and parallel CMOS digital output interfaces are available.
It includes internal references while the traditional reference pins and associated decoupling capacitors have been eliminated. Nevertheless, the device can also be driven with an external reference. The device is specified over the industrial temperature range (–40°C to 85°C).
The ADS62Px9/x8 is a family of dual channel 14-bit and 12-bit A/D converters with sampling rates up to 250 MSPS. It combines high dynamic performance and low power consumption in a compact 64 QFN package. This makes it well-suited for multi-carrier, wide band-width communications applications.
The ADS62Px9/x8 has gain options that can be used to improve SFDR performance at lower full-scale input ranges. It includes a dc offset correction loop that can be used to cancel the ADC offset. Both DDR LVDS (Double Data Rate) and parallel CMOS digital output interfaces are available.
It includes internal references while the traditional reference pins and associated decoupling capacitors have been eliminated. Nevertheless, the device can also be driven with an external reference. The device is specified over the industrial temperature range (–40°C to 85°C). |
ADS62P49Dual-Channel, 14-Bit, 250-MSPS Analog-to-Digital Converter (ADC) | Evaluation Boards | 4 | Active | The ADS62Px9/x8 is a family of dual channel 14-bit and 12-bit A/D converters with sampling rates up to 250 MSPS. It combines high dynamic performance and low power consumption in a compact 64 QFN package. This makes it well-suited for multi-carrier, wide band-width communications applications.
The ADS62Px9/x8 has gain options that can be used to improve SFDR performance at lower full-scale input ranges. It includes a dc offset correction loop that can be used to cancel the ADC offset. Both DDR LVDS (Double Data Rate) and parallel CMOS digital output interfaces are available.
It includes internal references while the traditional reference pins and associated decoupling capacitors have been eliminated. Nevertheless, the device can also be driven with an external reference. The device is specified over the industrial temperature range (–40°C to 85°C).
The ADS62Px9/x8 is a family of dual channel 14-bit and 12-bit A/D converters with sampling rates up to 250 MSPS. It combines high dynamic performance and low power consumption in a compact 64 QFN package. This makes it well-suited for multi-carrier, wide band-width communications applications.
The ADS62Px9/x8 has gain options that can be used to improve SFDR performance at lower full-scale input ranges. It includes a dc offset correction loop that can be used to cancel the ADC offset. Both DDR LVDS (Double Data Rate) and parallel CMOS digital output interfaces are available.
It includes internal references while the traditional reference pins and associated decoupling capacitors have been eliminated. Nevertheless, the device can also be driven with an external reference. The device is specified over the industrial temperature range (–40°C to 85°C). |
ADS62PF49Dual Channel 250MSPS Feedback Receiver IC | RF and Wireless | 1 | Active | The ADS62PF49 is a dual-channel feedback reciever IC with sampling rates up to 250 MSPS. It allows a high-resolution, 14-bit output for a limited time followed by a low-resolution mode with a minimum of 8x longer time. It is pin-compatible to the ADS62P49 and ADS62C17 dual ADCs.
The ADS62PF49 has gain options that can be used to improve SFDR performance at lower full-scale input ranges. It includes a dc offset correction loop that can be used to cancel the analog-to-digital conversion (ADC) offset.
It includes internal references while the traditional reference pins and associated decoupling capacitors have been eliminated. The device is specified over the industrial temperature range (–40°C to 85°C).
The ADS62PF49 is a dual-channel feedback reciever IC with sampling rates up to 250 MSPS. It allows a high-resolution, 14-bit output for a limited time followed by a low-resolution mode with a minimum of 8x longer time. It is pin-compatible to the ADS62P49 and ADS62C17 dual ADCs.
The ADS62PF49 has gain options that can be used to improve SFDR performance at lower full-scale input ranges. It includes a dc offset correction loop that can be used to cancel the analog-to-digital conversion (ADC) offset.
It includes internal references while the traditional reference pins and associated decoupling capacitors have been eliminated. The device is specified over the industrial temperature range (–40°C to 85°C). |
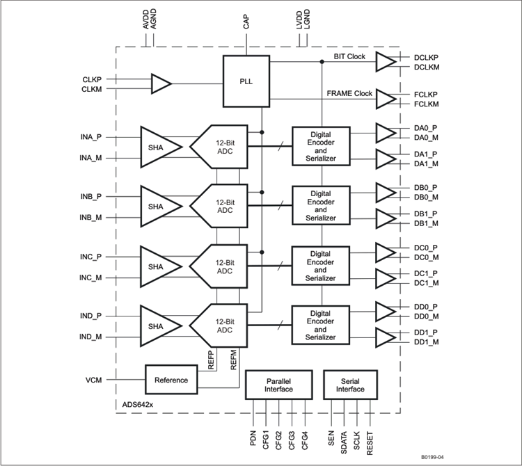
ADS6422Quad-Channel, 12-Bit, 65-MSPS Analog-to-Digital Converter (ADC) | Integrated Circuits (ICs) | 3 | Active | The ADS6424/ADS6423/ADS6422 (ADS642X) is a family of high performance 12-bit 105/80/65 MSPS quad channel A-D converters. Serial LVDS data outputs reduce the number of interface lines, resulting in a compact 64-pin QFN package (9 mm × 9 mm) that allows for high system integration density. The device includes 3.5dB coarse gain option that can be used to improve SFDR performance with little degradation in SNR. In addition to the coarse gain, fine gain options also exist, programmable in 1dB steps up to 6dB.
The output interface is 2-wire, where each ADC data is serialized and output over two LVDS pairs. This makes it possible to halve the serial data rate (compared to a 1-wire interface) and restrict it to less than 1Gbps easing receiver design. The ADS642X also includes the traditional 1-wire interface that can be used at lower sampling frequencies.
An internal phase lock loop (PLL) multiplies the incoming ADC sampling clock to derive the bit clock. The bit clock is used to serialize the 12-bit data from each channel. In addition to the serial data streams, the frame and bit clocks are also transmitted as LVDS outputs. The LVDS output buffers have features such as programmable LVDS currents, current doubling modes and internal termination options. These can be used to widen eye-openings and improve signal integrity, easing capture by the receiver.
The ADC channel outputs can be transmitted either as MSB or LSB first and 2s complement or straight binary.
ADS642X has internal references, but can also support an external reference mode. The device is specified over the industrial temperature range (–40°C to 85°C).
The ADS6424/ADS6423/ADS6422 (ADS642X) is a family of high performance 12-bit 105/80/65 MSPS quad channel A-D converters. Serial LVDS data outputs reduce the number of interface lines, resulting in a compact 64-pin QFN package (9 mm × 9 mm) that allows for high system integration density. The device includes 3.5dB coarse gain option that can be used to improve SFDR performance with little degradation in SNR. In addition to the coarse gain, fine gain options also exist, programmable in 1dB steps up to 6dB.
The output interface is 2-wire, where each ADC data is serialized and output over two LVDS pairs. This makes it possible to halve the serial data rate (compared to a 1-wire interface) and restrict it to less than 1Gbps easing receiver design. The ADS642X also includes the traditional 1-wire interface that can be used at lower sampling frequencies.
An internal phase lock loop (PLL) multiplies the incoming ADC sampling clock to derive the bit clock. The bit clock is used to serialize the 12-bit data from each channel. In addition to the serial data streams, the frame and bit clocks are also transmitted as LVDS outputs. The LVDS output buffers have features such as programmable LVDS currents, current doubling modes and internal termination options. These can be used to widen eye-openings and improve signal integrity, easing capture by the receiver.
The ADC channel outputs can be transmitted either as MSB or LSB first and 2s complement or straight binary.
ADS642X has internal references, but can also support an external reference mode. The device is specified over the industrial temperature range (–40°C to 85°C). |
ADS6423Quad-Channel, 12-Bit, 80-MSPS Analog-to-Digital Converter (ADC) | Data Acquisition | 1 | Active | The ADS6424/ADS6423/ADS6422 (ADS642X) is a family of high performance 12-bit 105/80/65 MSPS quad channel A-D converters. Serial LVDS data outputs reduce the number of interface lines, resulting in a compact 64-pin QFN package (9 mm × 9 mm) that allows for high system integration density. The device includes 3.5dB coarse gain option that can be used to improve SFDR performance with little degradation in SNR. In addition to the coarse gain, fine gain options also exist, programmable in 1dB steps up to 6dB.
The output interface is 2-wire, where each ADC data is serialized and output over two LVDS pairs. This makes it possible to halve the serial data rate (compared to a 1-wire interface) and restrict it to less than 1Gbps easing receiver design. The ADS642X also includes the traditional 1-wire interface that can be used at lower sampling frequencies.
An internal phase lock loop (PLL) multiplies the incoming ADC sampling clock to derive the bit clock. The bit clock is used to serialize the 12-bit data from each channel. In addition to the serial data streams, the frame and bit clocks are also transmitted as LVDS outputs. The LVDS output buffers have features such as programmable LVDS currents, current doubling modes and internal termination options. These can be used to widen eye-openings and improve signal integrity, easing capture by the receiver.
The ADC channel outputs can be transmitted either as MSB or LSB first and 2s complement or straight binary.
ADS642X has internal references, but can also support an external reference mode. The device is specified over the industrial temperature range (–40°C to 85°C).
The ADS6424/ADS6423/ADS6422 (ADS642X) is a family of high performance 12-bit 105/80/65 MSPS quad channel A-D converters. Serial LVDS data outputs reduce the number of interface lines, resulting in a compact 64-pin QFN package (9 mm × 9 mm) that allows for high system integration density. The device includes 3.5dB coarse gain option that can be used to improve SFDR performance with little degradation in SNR. In addition to the coarse gain, fine gain options also exist, programmable in 1dB steps up to 6dB.
The output interface is 2-wire, where each ADC data is serialized and output over two LVDS pairs. This makes it possible to halve the serial data rate (compared to a 1-wire interface) and restrict it to less than 1Gbps easing receiver design. The ADS642X also includes the traditional 1-wire interface that can be used at lower sampling frequencies.
An internal phase lock loop (PLL) multiplies the incoming ADC sampling clock to derive the bit clock. The bit clock is used to serialize the 12-bit data from each channel. In addition to the serial data streams, the frame and bit clocks are also transmitted as LVDS outputs. The LVDS output buffers have features such as programmable LVDS currents, current doubling modes and internal termination options. These can be used to widen eye-openings and improve signal integrity, easing capture by the receiver.
The ADC channel outputs can be transmitted either as MSB or LSB first and 2s complement or straight binary.
ADS642X has internal references, but can also support an external reference mode. The device is specified over the industrial temperature range (–40°C to 85°C). |
ADS6424Quad-Channel, 12-Bit, 105-MSPS Analog-to-Digital Converter (ADC) | Development Boards, Kits, Programmers | 4 | Active | The ADS6424/ADS6423/ADS6422 (ADS642X) is a family of high performance 12-bit 105/80/65 MSPS quad channel A-D converters. Serial LVDS data outputs reduce the number of interface lines, resulting in a compact 64-pin QFN package (9 mm × 9 mm) that allows for high system integration density. The device includes 3.5dB coarse gain option that can be used to improve SFDR performance with little degradation in SNR. In addition to the coarse gain, fine gain options also exist, programmable in 1dB steps up to 6dB.
The output interface is 2-wire, where each ADC data is serialized and output over two LVDS pairs. This makes it possible to halve the serial data rate (compared to a 1-wire interface) and restrict it to less than 1Gbps easing receiver design. The ADS642X also includes the traditional 1-wire interface that can be used at lower sampling frequencies.
An internal phase lock loop (PLL) multiplies the incoming ADC sampling clock to derive the bit clock. The bit clock is used to serialize the 12-bit data from each channel. In addition to the serial data streams, the frame and bit clocks are also transmitted as LVDS outputs. The LVDS output buffers have features such as programmable LVDS currents, current doubling modes and internal termination options. These can be used to widen eye-openings and improve signal integrity, easing capture by the receiver.
The ADC channel outputs can be transmitted either as MSB or LSB first and 2s complement or straight binary.
ADS642X has internal references, but can also support an external reference mode. The device is specified over the industrial temperature range (–40°C to 85°C).
The ADS6424/ADS6423/ADS6422 (ADS642X) is a family of high performance 12-bit 105/80/65 MSPS quad channel A-D converters. Serial LVDS data outputs reduce the number of interface lines, resulting in a compact 64-pin QFN package (9 mm × 9 mm) that allows for high system integration density. The device includes 3.5dB coarse gain option that can be used to improve SFDR performance with little degradation in SNR. In addition to the coarse gain, fine gain options also exist, programmable in 1dB steps up to 6dB.
The output interface is 2-wire, where each ADC data is serialized and output over two LVDS pairs. This makes it possible to halve the serial data rate (compared to a 1-wire interface) and restrict it to less than 1Gbps easing receiver design. The ADS642X also includes the traditional 1-wire interface that can be used at lower sampling frequencies.
An internal phase lock loop (PLL) multiplies the incoming ADC sampling clock to derive the bit clock. The bit clock is used to serialize the 12-bit data from each channel. In addition to the serial data streams, the frame and bit clocks are also transmitted as LVDS outputs. The LVDS output buffers have features such as programmable LVDS currents, current doubling modes and internal termination options. These can be used to widen eye-openings and improve signal integrity, easing capture by the receiver.
The ADC channel outputs can be transmitted either as MSB or LSB first and 2s complement or straight binary.
ADS642X has internal references, but can also support an external reference mode. The device is specified over the industrial temperature range (–40°C to 85°C). |
| Analog to Digital Converters (ADC) | 3 | Active | ||
| Part | Category | Description |
|---|---|---|
Texas Instruments | Integrated Circuits (ICs) | BUS DRIVER, BCT/FBT SERIES |
Texas Instruments | Integrated Circuits (ICs) | 12BIT 3.3V~3.6V 210MHZ PARALLEL VQFN-48-EP(7X7) ANALOG TO DIGITAL CONVERTERS (ADC) ROHS |
Texas Instruments | Integrated Circuits (ICs) | TMX320DRE311 179PIN UBGA 200MHZ |
Texas Instruments TPS61040DRVTG4Unknown | Integrated Circuits (ICs) | IC LED DRV RGLTR PWM 350MA 6WSON |
Texas Instruments LP3876ET-2.5Obsolete | Integrated Circuits (ICs) | IC REG LINEAR 2.5V 3A TO220-5 |
Texas Instruments LMS1585ACSX-ADJObsolete | Integrated Circuits (ICs) | IC REG LIN POS ADJ 5A DDPAK |
Texas Instruments INA111APG4Obsolete | Integrated Circuits (ICs) | IC INST AMP 1 CIRCUIT 8DIP |
Texas Instruments | Integrated Circuits (ICs) | AUTOMOTIVE, QUAD 36V 1.2MHZ OPERATIONAL AMPLIFIER |
Texas Instruments OPA340NA/3KG4Unknown | Integrated Circuits (ICs) | IC OPAMP GP 1 CIRCUIT SOT23-5 |
Texas Instruments PT5112AObsolete | Power Supplies - Board Mount | DC DC CONVERTER 8V 8W |