T
Texas Instruments
| Series | Category | # Parts | Status | Description |
|---|---|---|---|---|
| Part | Spec A | Spec B | Spec C | Spec D | Description |
|---|---|---|---|---|---|
| Series | Category | # Parts | Status | Description |
|---|---|---|---|---|
| Part | Spec A | Spec B | Spec C | Spec D | Description |
|---|---|---|---|---|---|
| Part | Category | Description |
|---|---|---|
Texas Instruments | Integrated Circuits (ICs) | BUS DRIVER, BCT/FBT SERIES |
Texas Instruments | Integrated Circuits (ICs) | 12BIT 3.3V~3.6V 210MHZ PARALLEL VQFN-48-EP(7X7) ANALOG TO DIGITAL CONVERTERS (ADC) ROHS |
Texas Instruments | Integrated Circuits (ICs) | TMX320DRE311 179PIN UBGA 200MHZ |
Texas Instruments TPS61040DRVTG4Unknown | Integrated Circuits (ICs) | IC LED DRV RGLTR PWM 350MA 6WSON |
Texas Instruments LP3876ET-2.5Obsolete | Integrated Circuits (ICs) | IC REG LINEAR 2.5V 3A TO220-5 |
Texas Instruments LMS1585ACSX-ADJObsolete | Integrated Circuits (ICs) | IC REG LIN POS ADJ 5A DDPAK |
Texas Instruments INA111APG4Obsolete | Integrated Circuits (ICs) | IC INST AMP 1 CIRCUIT 8DIP |
Texas Instruments | Integrated Circuits (ICs) | AUTOMOTIVE, QUAD 36V 1.2MHZ OPERATIONAL AMPLIFIER |
Texas Instruments OPA340NA/3KG4Unknown | Integrated Circuits (ICs) | IC OPAMP GP 1 CIRCUIT SOT23-5 |
Texas Instruments PT5112AObsolete | Power Supplies - Board Mount | DC DC CONVERTER 8V 8W |
| Series | Category | # Parts | Status | Description |
|---|---|---|---|---|
TPPM0301400-mA, low-dropout voltage regulator | Power Management (PMIC) | 1 | Active | The TPPM0301 is a low-dropout regulator with auxiliary power management that provides a constant 3.3-V supply at the output capable of driving a 400-mA load.
The TPPM0301 provides a regulated power output for systems that have multiple input sources and require a constant voltage source with a low-dropout voltage. This is a single output, multiple input intelligent power source selection device with a low-dropout regulator for either 5VCC or 5VAUX inputs, and a low- resistance bypass switch for the 3.3VAUX input.
Transitions may occur from one input supply to another without generating a glitch, outside of the specification range, on the 3.3-V output. The device has an incorporated reverse blocking scheme to prevent excess leakage from the input terminals in the event that the output voltage is greater than the input voltage.
The input voltage is prioritized in the following order: 5VCC, 5VAUX, and 3.3VAUX.
The TPPM0301 is a low-dropout regulator with auxiliary power management that provides a constant 3.3-V supply at the output capable of driving a 400-mA load.
The TPPM0301 provides a regulated power output for systems that have multiple input sources and require a constant voltage source with a low-dropout voltage. This is a single output, multiple input intelligent power source selection device with a low-dropout regulator for either 5VCC or 5VAUX inputs, and a low- resistance bypass switch for the 3.3VAUX input.
Transitions may occur from one input supply to another without generating a glitch, outside of the specification range, on the 3.3-V output. The device has an incorporated reverse blocking scheme to prevent excess leakage from the input terminals in the event that the output voltage is greater than the input voltage.
The input voltage is prioritized in the following order: 5VCC, 5VAUX, and 3.3VAUX. |
TPPM0302400-mA, low-dropout voltage regulator with power good | Power Management (PMIC) | 2 | Active | The TPPM0302 is a low-dropout regulator with auxiliary power management that provides a constant 3.3-V supply at the output capable of driving a 400-mA load.
The TPPM0302 provides a regulated power output for systems that have multiple input sources and require a constant voltage source with a low-dropout voltage. This is a single output, multiple input, intelligent power source selection device with a low-dropout regulator for either 5VCC or 5VAUX inputs, and a low-resistance bypass switch for the 3.3VAUX input.
Transitions may occur from one input supply to another without generating a glitch, outside of the specification range, on the 3.3-V output. The device has an incorporated reverse blocking scheme to prevent excess leakage from the input terminals in the event that the output voltage is greater than the input voltage. The output voltage is continually monitored for constant output, and any deviation from the internal set limit (2.8V) is reported by a low signal on the POK\ output.
The input voltage is prioritized in the following order: 5VCC, 5VAUX, and 3.3VAUX.
The TPPM0302 is a low-dropout regulator with auxiliary power management that provides a constant 3.3-V supply at the output capable of driving a 400-mA load.
The TPPM0302 provides a regulated power output for systems that have multiple input sources and require a constant voltage source with a low-dropout voltage. This is a single output, multiple input, intelligent power source selection device with a low-dropout regulator for either 5VCC or 5VAUX inputs, and a low-resistance bypass switch for the 3.3VAUX input.
Transitions may occur from one input supply to another without generating a glitch, outside of the specification range, on the 3.3-V output. The device has an incorporated reverse blocking scheme to prevent excess leakage from the input terminals in the event that the output voltage is greater than the input voltage. The output voltage is continually monitored for constant output, and any deviation from the internal set limit (2.8V) is reported by a low signal on the POK\ output.
The input voltage is prioritized in the following order: 5VCC, 5VAUX, and 3.3VAUX. |
| Voltage Regulators - Linear, Low Drop Out (LDO) Regulators | 3 | Active | ||
TPS1100Single P-channel Enhancement-Mode MOSFET | Transistors | 3 | Active | The TPS1100 is a single P-channel enhancement-mode MOSFET. The device has been optimized for 3-V or 5-V power distribution in battery-powered systems by means of Texas Instruments LinBiCMOSTMprocess. With a maximum VGS(th)of -1.5 V and an IDSSof only 0.5 uA, the TPS1100 is the ideal high-side switch for low-voltage, portable battery-management systems where maximizing battery life is a primary concern. The low rDS(on)and excellent ac characteristics (rise time 10 ns typical) make the TPS1100 the logical choice for low-voltage switching applications such as power switches for pulse-width-modulated (PWM) controllers or motor/bridge drivers.
The ultrathin thin shrink small-outline package or TSSOP (PW) version with its smaller footprint and reduction in height fits in places where other P-channel MOSFETs cannot. The size advantage is especially important where board real estate is at a premium and height restrictions do not allow for a small-outline integrated circuit (SOIC) package.
Such applications include notebook computers, personal digital assistants (PDAs), cellular telephones, and PCMCIA cards. For existing designs, the D-packaged version has a pinout common with other p-channel MOSFETs in SOIC packages.
Caution. This device contains circuits to protect its inputs and outputs against damage due to high static voltages or electrostatic fields. These circuits have been qualified to protect this device against electrostatic discharges (ESD) of up to 2 kV according to MIL-STD-883C, Method 3015; however, it is advised that precautions be taken to avoid application of any voltage higher than maximum-rated voltages to these high-impedance circuits.
The TPS1100 is a single P-channel enhancement-mode MOSFET. The device has been optimized for 3-V or 5-V power distribution in battery-powered systems by means of Texas Instruments LinBiCMOSTMprocess. With a maximum VGS(th)of -1.5 V and an IDSSof only 0.5 uA, the TPS1100 is the ideal high-side switch for low-voltage, portable battery-management systems where maximizing battery life is a primary concern. The low rDS(on)and excellent ac characteristics (rise time 10 ns typical) make the TPS1100 the logical choice for low-voltage switching applications such as power switches for pulse-width-modulated (PWM) controllers or motor/bridge drivers.
The ultrathin thin shrink small-outline package or TSSOP (PW) version with its smaller footprint and reduction in height fits in places where other P-channel MOSFETs cannot. The size advantage is especially important where board real estate is at a premium and height restrictions do not allow for a small-outline integrated circuit (SOIC) package.
Such applications include notebook computers, personal digital assistants (PDAs), cellular telephones, and PCMCIA cards. For existing designs, the D-packaged version has a pinout common with other p-channel MOSFETs in SOIC packages.
Caution. This device contains circuits to protect its inputs and outputs against damage due to high static voltages or electrostatic fields. These circuits have been qualified to protect this device against electrostatic discharges (ESD) of up to 2 kV according to MIL-STD-883C, Method 3015; however, it is advised that precautions be taken to avoid application of any voltage higher than maximum-rated voltages to these high-impedance circuits. |
TPS1101Single P-channel Enhancement-Mode MOSFET | Single FETs, MOSFETs | 2 | Active | The TPS1101 is a single, low-rDS(on), P-channel, enhancement-mode MOSFET. The device has been optimized for 3-V or 5-V power distribution in battery-powered systems by means of the Texas Instruments LinBiCMOSTM
process. With a maximum VGS(th)of -1.5 V and an IDSSof only 0.5 uA, the TPS1101 is the ideal high-side switch for low-voltage, portable battery-management systems where maximizing battery life is a primary concern. The low rDS(on)and excellent ac characteristics (rise time 5.5 ns typical) of the TPS1101 make it the logical choice for low-voltage switching applications such as power switches for pulse-width-modulated (PWM) controllers or motor/bridge drivers.
The ultrathin thin shrink small-outline package or TSSOP (PW) version fits in height-restricted places where other P-channel MOSFETs cannot. The size advantage is especially important where board height restrictions do not allow for an small-outline integrated circuit (SOIC) package. Such applications include notebook computers, personal digital assistants (PDAs), cellular telephones, and PCMCIA cards. For existing designs, the D-packaged version has a pinout common with other P-channel MOSFETs in SOIC packages.
The TPS1101 is a single, low-rDS(on), P-channel, enhancement-mode MOSFET. The device has been optimized for 3-V or 5-V power distribution in battery-powered systems by means of the Texas Instruments LinBiCMOSTM
process. With a maximum VGS(th)of -1.5 V and an IDSSof only 0.5 uA, the TPS1101 is the ideal high-side switch for low-voltage, portable battery-management systems where maximizing battery life is a primary concern. The low rDS(on)and excellent ac characteristics (rise time 5.5 ns typical) of the TPS1101 make it the logical choice for low-voltage switching applications such as power switches for pulse-width-modulated (PWM) controllers or motor/bridge drivers.
The ultrathin thin shrink small-outline package or TSSOP (PW) version fits in height-restricted places where other P-channel MOSFETs cannot. The size advantage is especially important where board height restrictions do not allow for an small-outline integrated circuit (SOIC) package. Such applications include notebook computers, personal digital assistants (PDAs), cellular telephones, and PCMCIA cards. For existing designs, the D-packaged version has a pinout common with other P-channel MOSFETs in SOIC packages. |
TPS1211-Q1Automotive, 3.5V to 45V high-side driver with protection and diagnostics | Power Distribution Switches, Load Drivers | 2 | Active | The TPS1211-Q1 family is a 45V, smart high-side driver with protection and diagnostics. With wide operating voltage range of 3.5V–40V, the device is suitable for 12V system designs.
The device has a strong 3.7A peak source (PU) and 4A peak sink (PD) gate driver that enables power switching using parallel FETs in high-current system designs. Use INP as the gate driver control input.
The device has accurate current sensing (±2% at 30mV) output (IMON) enabling system designs for energy management. The device has integrated two-level overcurrent protection with FLT_I output with complete adjustability of thresholds and response time. Auto-retry and latch-off fault behavior can be configured. The device features remote overtemperature protection with FLT_T output.
The TPS12111-Q1 integrates a pre-charge driver (G) with control input (INP_G). This features enables designs that must drive large capacitive loads. In shutdown mode (EN/UVLO < 0.3V), the controller draws a total shutdown current of 0.9µA (typical).
The TPS1211-Q1 is available in a 19-pin VSSOP package with a pin removed between adjacent high voltage and low voltage pins, providing 0.8mm clearance.
The TPS1211-Q1 family is a 45V, smart high-side driver with protection and diagnostics. With wide operating voltage range of 3.5V–40V, the device is suitable for 12V system designs.
The device has a strong 3.7A peak source (PU) and 4A peak sink (PD) gate driver that enables power switching using parallel FETs in high-current system designs. Use INP as the gate driver control input.
The device has accurate current sensing (±2% at 30mV) output (IMON) enabling system designs for energy management. The device has integrated two-level overcurrent protection with FLT_I output with complete adjustability of thresholds and response time. Auto-retry and latch-off fault behavior can be configured. The device features remote overtemperature protection with FLT_T output.
The TPS12111-Q1 integrates a pre-charge driver (G) with control input (INP_G). This features enables designs that must drive large capacitive loads. In shutdown mode (EN/UVLO < 0.3V), the controller draws a total shutdown current of 0.9µA (typical).
The TPS1211-Q1 is available in a 19-pin VSSOP package with a pin removed between adjacent high voltage and low voltage pins, providing 0.8mm clearance. |
TPS16412.7-V to 40-V 152-mΩ 1.8-A eFuse with output power limiting | Surge Suppression Ics | 5 | Active | The TPS1641x familyare integrated eFuse devices with accurate power limit or current limit. The device family provides robust protection with integrated overcurrent protection, overvoltage protection, IN to OUT short detection, and overtemperature protection.
TPS16410TPS16411, TPS16414, and TPS16415 devices provide ±5% power limiting at 15 W for loads and it also provide configurable blanking time for transient overload or overcurrent events. TPS16410, TPS16411, TPS16414, and TPS16415 can be used in low power circuits (LPCs) for 15-W power limiting as per IEC60335 and UL60730 standards. TPS1641x devices provide protection from adjacent pin short and pin short to GND faults.
Applications such as backplane power protection in PLC and DCS modules configure the current limit with a resistor on the ILIM pin. TPS16412, TPS16413, TPS16416, and TPS16417 devices provide ±6% current limiting at 1 A for loads and also provide output slew rate control with dVdT pin to charge large capacitive loads at power up.
TPS1641x features IN to OUT short detection and indicate IN to OUT short on the FLT pin. The FLT pin either provides to MCU as digital input or to drive an external PFET.
The devices are characterized for operation over a junction temperature range of –40°C to +125°C.
The TPS1641x familyare integrated eFuse devices with accurate power limit or current limit. The device family provides robust protection with integrated overcurrent protection, overvoltage protection, IN to OUT short detection, and overtemperature protection.
TPS16410TPS16411, TPS16414, and TPS16415 devices provide ±5% power limiting at 15 W for loads and it also provide configurable blanking time for transient overload or overcurrent events. TPS16410, TPS16411, TPS16414, and TPS16415 can be used in low power circuits (LPCs) for 15-W power limiting as per IEC60335 and UL60730 standards. TPS1641x devices provide protection from adjacent pin short and pin short to GND faults.
Applications such as backplane power protection in PLC and DCS modules configure the current limit with a resistor on the ILIM pin. TPS16412, TPS16413, TPS16416, and TPS16417 devices provide ±6% current limiting at 1 A for loads and also provide output slew rate control with dVdT pin to charge large capacitive loads at power up.
TPS1641x features IN to OUT short detection and indicate IN to OUT short on the FLT pin. The FLT pin either provides to MCU as digital input or to drive an external PFET.
The devices are characterized for operation over a junction temperature range of –40°C to +125°C. |
TPS1653058-V 4.5-A eFuse with pulse current support | Integrated Circuits (ICs) | 1 | Active | The TPS16530 is an easy to use, positive 58-V, 4.5-A eFuse with a 31-mΩ integrated FET. Protection for the load, source and eFuse itself are provided along with adjustable features such as accurate overcurrent protection, fast short circuit protection, output slew rate control and undervoltage lockout. PGOOD can be used for enable and disable control of the downstream DC-DC converters.
The enable pin provides external control for enabling and disabling the internal FET. The shutdown pin can be used for putting the device in low power shutdown mode. For system status monitoring and downstream load control, the device provides fault and a precise current monitor output. The MODE pin allows flexibility to configure the device between the two current-limiting fault responses (latch off and auto-retry).
The devices are available in 20-pin HTSSOP and 24-pin VQFN packages and are specified over a –40°C to +125°C temperature range.
The TPS16530 is an easy to use, positive 58-V, 4.5-A eFuse with a 31-mΩ integrated FET. Protection for the load, source and eFuse itself are provided along with adjustable features such as accurate overcurrent protection, fast short circuit protection, output slew rate control and undervoltage lockout. PGOOD can be used for enable and disable control of the downstream DC-DC converters.
The enable pin provides external control for enabling and disabling the internal FET. The shutdown pin can be used for putting the device in low power shutdown mode. For system status monitoring and downstream load control, the device provides fault and a precise current monitor output. The MODE pin allows flexibility to configure the device between the two current-limiting fault responses (latch off and auto-retry).
The devices are available in 20-pin HTSSOP and 24-pin VQFN packages and are specified over a –40°C to +125°C temperature range. |
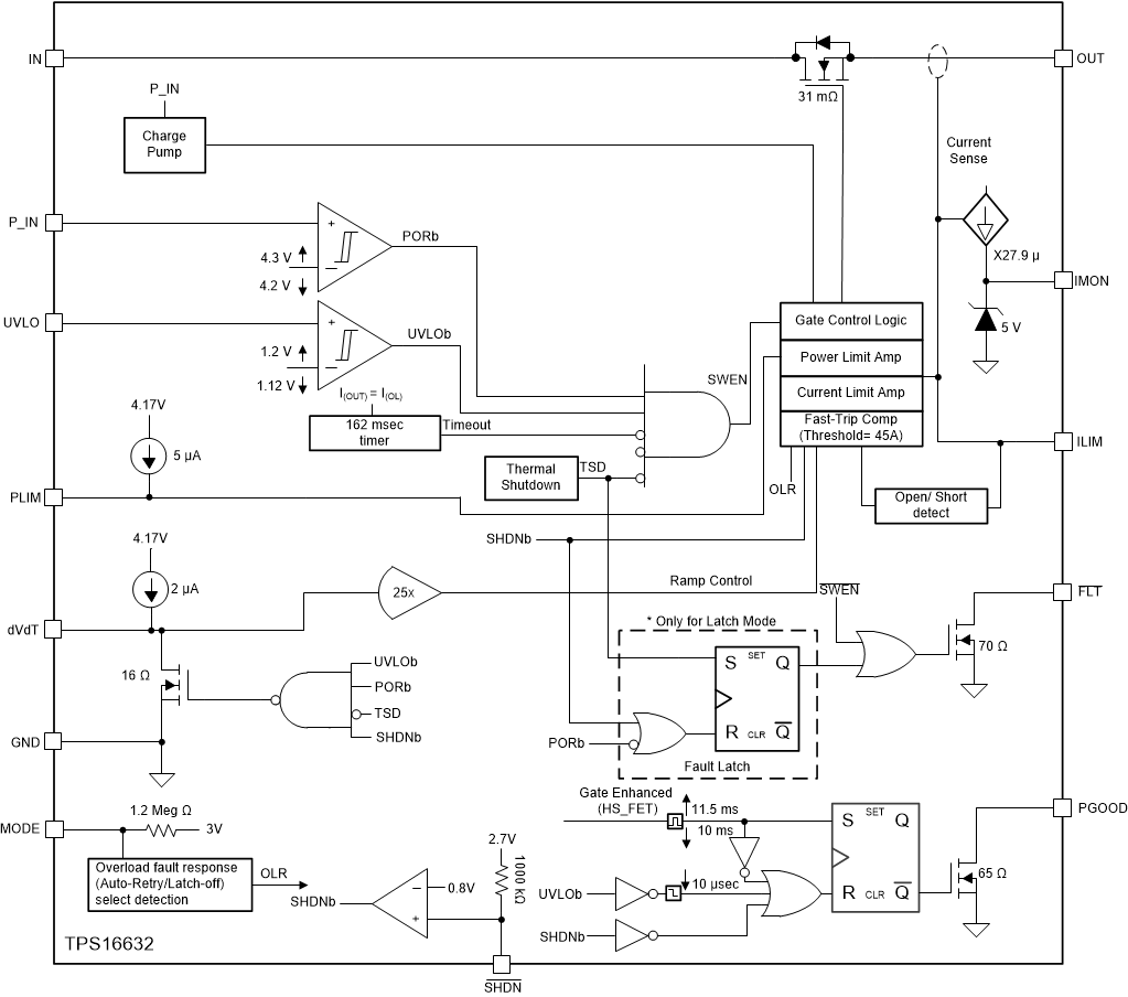
TPS166304.5-V to 60-V, 31mΩ, 0.6-6A eFuse with output power limiting | Power Distribution Switches, Load Drivers | 5 | Active | The TPS1663x is an easy-to-use, positive 60-V, 6-A eFuse with a 31-mΩ integrated FET. Protection for the load, source, and eFuse itself are provided along with adjustable features such as accurate overcurrent protection, fast short circuit protection, output slew rate control, overvoltage protection and undervoltage lockout. The TPS16332 device integrates adjustable output power limiting (PLIM) functionality that simplifies and enables compliance to standards such as IEC61010-1 and UL1310. The device also includes adjustable overcurrent functionality. PGOOD can be used for enable and disable control of the downstream DC/DC converters.
A shutdown pin provides external control for enabling and disabling the internal FET, as well as placing the device in a low current shutdown mode. For system status monitoring and downstream load control, the device provides fault and a precise current monitor output. The MODE pin allows flexibility to configure the device between the two current-limiting fault responses (latch off and auto-retry).
The devices are available in a 4-mm × 4-mm 24-pin VQFN package and are specified over a –40°C to +125°C temperature range.
The TPS1663x is an easy-to-use, positive 60-V, 6-A eFuse with a 31-mΩ integrated FET. Protection for the load, source, and eFuse itself are provided along with adjustable features such as accurate overcurrent protection, fast short circuit protection, output slew rate control, overvoltage protection and undervoltage lockout. The TPS16332 device integrates adjustable output power limiting (PLIM) functionality that simplifies and enables compliance to standards such as IEC61010-1 and UL1310. The device also includes adjustable overcurrent functionality. PGOOD can be used for enable and disable control of the downstream DC/DC converters.
A shutdown pin provides external control for enabling and disabling the internal FET, as well as placing the device in a low current shutdown mode. For system status monitoring and downstream load control, the device provides fault and a precise current monitor output. The MODE pin allows flexibility to configure the device between the two current-limiting fault responses (latch off and auto-retry).
The devices are available in a 4-mm × 4-mm 24-pin VQFN package and are specified over a –40°C to +125°C temperature range. |
| Evaluation and Demonstration Boards and Kits | 1 | Active | ||