T
Texas Instruments
| Series | Category | # Parts | Status | Description |
|---|---|---|---|---|
| Part | Spec A | Spec B | Spec C | Spec D | Description |
|---|---|---|---|---|---|
| Series | Category | # Parts | Status | Description |
|---|---|---|---|---|
| Part | Spec A | Spec B | Spec C | Spec D | Description |
|---|---|---|---|---|---|
| Series | Category | # Parts | Status | Description |
|---|---|---|---|---|
TPD6E0046 channel 1.6-pF, 5.5-V, 8-kV ESD protection diode for High Speed Interfaces | TVS Diodes | 1 | Active | The TPD6E004 device is a low-capacitance, ±15-kV ESD protection diode array designed to protect sensitive electronics attached to communication lines. Each channel consists of a pair of diodes that steers ESD current pulses to V CC or GND. The TPD6E004 protects against ESD pulses up to ±15-kV human-body model (HBM), ±8-kV contact ESD, and ±12-kV air-gap ESD as specified in IEC 61000-4-2. This device has a typical 1.6-pF capacitance per channel, making it an excellent choice for use in high-speed data I/O interfaces.
The TPD6E004 device is available in the RSE package and is specified for –40°C to +85°C operation.
The TPD6E004 device is a 6-channel ESD structure designed for USB, Ethernet, and FireWire applications.
The TPD6E004 device is a low-capacitance, ±15-kV ESD protection diode array designed to protect sensitive electronics attached to communication lines. Each channel consists of a pair of diodes that steers ESD current pulses to V CC or GND. The TPD6E004 protects against ESD pulses up to ±15-kV human-body model (HBM), ±8-kV contact ESD, and ±12-kV air-gap ESD as specified in IEC 61000-4-2. This device has a typical 1.6-pF capacitance per channel, making it an excellent choice for use in high-speed data I/O interfaces.
The TPD6E004 device is available in the RSE package and is specified for –40°C to +85°C operation.
The TPD6E004 device is a 6-channel ESD structure designed for USB, Ethernet, and FireWire applications. |
TPD6E05U066 channel 0.5-pF, 5.5-V, ±12-kV ESD protection diode for USB, HDMI & High Speed Interfaces | TVS Diodes | 1 | Active | The TPDxE05U06 is a family of unidirectional Transient Voltage Suppressor (TVS) based Electrostatic Discharge (ESD) protection diodes with ultra-low capacitance. Each device can dissipate ESD strikes above the maximum level specified by the IEC 61000-4-2 international standard. The TPDxE05U06 ultra-low loading capacitance makes the device and excellent choice for protecting any high-speed signal pins.
Typical applications for TPDxE05U06 includes high speed signal lines in HDMI 1.4b, HDMI 2.0, USB 3.0, MHL, LVDS, DisplayPort, PCI-Express, eSata, and V-by-One HS.
The TPDxE05U06 is a family of unidirectional Transient Voltage Suppressor (TVS) based Electrostatic Discharge (ESD) protection diodes with ultra-low capacitance. Each device can dissipate ESD strikes above the maximum level specified by the IEC 61000-4-2 international standard. The TPDxE05U06 ultra-low loading capacitance makes the device and excellent choice for protecting any high-speed signal pins.
Typical applications for TPDxE05U06 includes high speed signal lines in HDMI 1.4b, HDMI 2.0, USB 3.0, MHL, LVDS, DisplayPort, PCI-Express, eSata, and V-by-One HS. |
| Filters | 2 | Active | ||
TPD6F0036 channel 5.5-V, ±12kV ESD protection & EMI Filter with 200-MHz -3-dB | EMI/RFI Filters (LC, RC Networks) | 1 | Active | The TPDxF003 family is a series of highly integrated devices designed to provide Electromagnetic Interference (EMI) filtering in all systems subjected to electromagnetic interference. These filters also provide a Transient Voltage Suppressor (TVS) diode circuit for Electrostatic Discharge (ESD) protection which prevents damage to the application when subjected to ESD stress far exceeding IEC 61000-4-2 (Level 4).
The TPDxF003 family is specified for –40°C to 85°C operation. These filters are also packaged in space-saving 0.4-mm pitch DQD packages.
The TPDxF003 family is a series of highly integrated devices designed to provide Electromagnetic Interference (EMI) filtering in all systems subjected to electromagnetic interference. These filters also provide a Transient Voltage Suppressor (TVS) diode circuit for Electrostatic Discharge (ESD) protection which prevents damage to the application when subjected to ESD stress far exceeding IEC 61000-4-2 (Level 4).
The TPDxF003 family is specified for –40°C to 85°C operation. These filters are also packaged in space-saving 0.4-mm pitch DQD packages. |
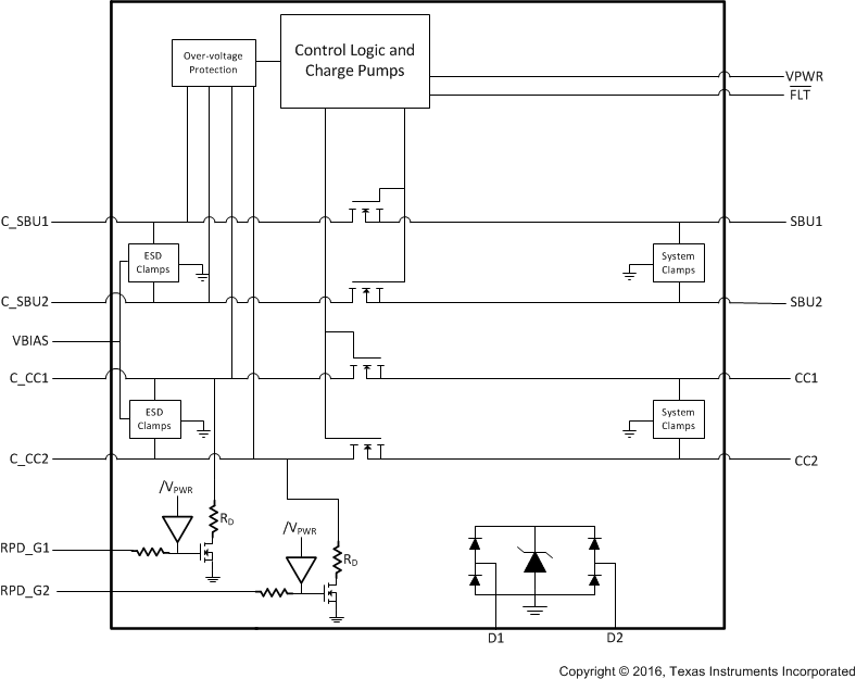
TPD6S300AUSB Type-C® port protector: short-to-VBUS overvoltage and 6ch ESD protection with improved OVP | Development Boards, Kits, Programmers | 3 | Active | The TPD6S300A is a single-chip USB Type-C port protection device that provides 20-V Short-to-VBUSovervoltage and IEC ESD protection.
Since the release of the USB Type-C connector, many products and accessories for USB Type-C have been released that do not meet the USB Type-C specification. One example of this is USB Type-C Power Delivery adaptors that only place 20 V on the VBUSline. Another concern for USB Type-C is that mechanical twisting and sliding of the connector could short pins due to the close proximity they have in this small connector. This can cause 20-V VBUSto be shorted to the CC and SBU pins. Also due to the proximity of the pins in the Type-C connector, there is a heightened concern that debris and moisture will cause the 20-V VBUSpin to be shorted to the CC and SBU pins.
These non-ideal equipments and mechanical events make it necessary for the CC and SBU pins to be 20-V tolerant, even though the pins only operate at 5 V or lower. The TPD6S300A enables the CC and SBU pins to be 20-V tolerant without interfering with normal operation by providing overvoltage protection on the CC and SBU pins. The device places high voltage FETs in series on the SBU and CC lines. When a voltage above the OVP threshold is detected on these lines, the high voltage switches are opened up, isolating the rest of the system from the high voltage condition present on the connector.
Finally, most systems require IEC 61000-4-2 system level ESD protection for external pins. The TPD6S300A integrates IEC 61000-4-2 ESD protection for the CC1, CC2, SBU1, SBU2, DP, and DM pins, eliminating the need to place high voltage TVS diodes externally on the connector.
The TPD6S300A is a single-chip USB Type-C port protection device that provides 20-V Short-to-VBUSovervoltage and IEC ESD protection.
Since the release of the USB Type-C connector, many products and accessories for USB Type-C have been released that do not meet the USB Type-C specification. One example of this is USB Type-C Power Delivery adaptors that only place 20 V on the VBUSline. Another concern for USB Type-C is that mechanical twisting and sliding of the connector could short pins due to the close proximity they have in this small connector. This can cause 20-V VBUSto be shorted to the CC and SBU pins. Also due to the proximity of the pins in the Type-C connector, there is a heightened concern that debris and moisture will cause the 20-V VBUSpin to be shorted to the CC and SBU pins.
These non-ideal equipments and mechanical events make it necessary for the CC and SBU pins to be 20-V tolerant, even though the pins only operate at 5 V or lower. The TPD6S300A enables the CC and SBU pins to be 20-V tolerant without interfering with normal operation by providing overvoltage protection on the CC and SBU pins. The device places high voltage FETs in series on the SBU and CC lines. When a voltage above the OVP threshold is detected on these lines, the high voltage switches are opened up, isolating the rest of the system from the high voltage condition present on the connector.
Finally, most systems require IEC 61000-4-2 system level ESD protection for external pins. The TPD6S300A integrates IEC 61000-4-2 ESD protection for the CC1, CC2, SBU1, SBU2, DP, and DM pins, eliminating the need to place high voltage TVS diodes externally on the connector. |
TPD7S0197-channel Integrated ESD solution for -VGA Port with Integrated level shifter and Matching Impedance | Mixed Technology | 2 | Active | The TPD7S019 device is an integrated electrostatic discharge (ESD) circuit protection solution for VGA and DVI-I connectors. It integrates transient voltage suppression (TVS) protection diodes for VIDEO, DDC and SYNC signals and meets the IEC61000-4-2 standard for ±8-kV contact ESD protection. The TVS diodes only add low capacitances to help signals run at high-speed. It also provides level-shifting for the DDC signals saving external level-shifters. Two noninverting drivers on HSYNC and VSYNC convert TTL input levels to CMOS output levels and each buffer has a series termination resistor connected to the SYNC_OUT pin, eliminating the external termination resistors. Three supply lines control the power rails of the VIDEO, DDC and SYNC channels to facilitate interfacing with low voltage video controller ICs in mixed supply-voltage environments. The TPD7S019 comes with two package options. The 16-pin RSV is compact and space-saving. The 16-pin DBQ package and pinout are optimized for easy board layout.
This ESD protection product is a good solution to protect the VGA and DVI-I ports for desktop and laptop PCs, set top boxes, TVs and monitors.
The TPD7S019 device is an integrated electrostatic discharge (ESD) circuit protection solution for VGA and DVI-I connectors. It integrates transient voltage suppression (TVS) protection diodes for VIDEO, DDC and SYNC signals and meets the IEC61000-4-2 standard for ±8-kV contact ESD protection. The TVS diodes only add low capacitances to help signals run at high-speed. It also provides level-shifting for the DDC signals saving external level-shifters. Two noninverting drivers on HSYNC and VSYNC convert TTL input levels to CMOS output levels and each buffer has a series termination resistor connected to the SYNC_OUT pin, eliminating the external termination resistors. Three supply lines control the power rails of the VIDEO, DDC and SYNC channels to facilitate interfacing with low voltage video controller ICs in mixed supply-voltage environments. The TPD7S019 comes with two package options. The 16-pin RSV is compact and space-saving. The 16-pin DBQ package and pinout are optimized for easy board layout.
This ESD protection product is a good solution to protect the VGA and DVI-I ports for desktop and laptop PCs, set top boxes, TVs and monitors. |
TPD8E0038 channel 9-pF, 5.5-V, ±12-kV ESD protection diode | TVS Diodes | 1 | Active | The TPD8E003 device is a unidirectional Transient Voltage Suppressor (TVS) based Electrostatic Discharge (ESD) protection diode array. The TPD8E003 is rated to dissipate ESD strikes above the maximum level specified in the IEC 61000-4-2 international standard (Level 4). This device provides 8 channels of ESD protection in a space-saving WSON package. Typical applications for the TPD8E003 include Keypad, GPIO, resistive touchscreen, and low-speed memory interfaces. Also, see the TPD2E2U06 and TPD4E05U06 for 2- and 4-channel ESD protection solutions, respectively.
The TPD8E003 device is a unidirectional Transient Voltage Suppressor (TVS) based Electrostatic Discharge (ESD) protection diode array. The TPD8E003 is rated to dissipate ESD strikes above the maximum level specified in the IEC 61000-4-2 international standard (Level 4). This device provides 8 channels of ESD protection in a space-saving WSON package. Typical applications for the TPD8E003 include Keypad, GPIO, resistive touchscreen, and low-speed memory interfaces. Also, see the TPD2E2U06 and TPD4E05U06 for 2- and 4-channel ESD protection solutions, respectively. |
TPD8F0038-channel EMI filter for display interface | EMI/RFI Filters (LC, RC Networks) | 1 | Active | The TPDxF003 family is a series of highly integrated devices designed to provide Electromagnetic Interference (EMI) filtering in all systems subjected to electromagnetic interference. These filters also provide a Transient Voltage Suppressor (TVS) diode circuit for Electrostatic Discharge (ESD) protection which prevents damage to the application when subjected to ESD stress far exceeding IEC 61000-4-2 (Level 4).
The TPDxF003 family is specified for –40°C to 85°C operation. These filters are also packaged in space-saving 0.4-mm pitch DQD packages.
The TPDxF003 family is a series of highly integrated devices designed to provide Electromagnetic Interference (EMI) filtering in all systems subjected to electromagnetic interference. These filters also provide a Transient Voltage Suppressor (TVS) diode circuit for Electrostatic Discharge (ESD) protection which prevents damage to the application when subjected to ESD stress far exceeding IEC 61000-4-2 (Level 4).
The TPDxF003 family is specified for –40°C to 85°C operation. These filters are also packaged in space-saving 0.4-mm pitch DQD packages. |
TPD8S0098 channel 0.8-pF, 5.5-V, ±8-kV ESD protection diode for HDMI & Displayport | TVS Diodes | 1 | Active | The TPD8S009 device is an eight-channel TVS diode array for ESD protection. The TPD8S009 is rated to dissipate contact ESD strikes at the maximum level specified in the IEC 61000-4-2 international standard (Level 4), with ±8kV contact discharge ESD protection. The low capacitance (0.8pF) of this device, coupled with the excellent matching between differential signal pairs enables this device to provide transient voltage suppression circuit protection for high-speed idfferential data rates (3dB bandwidth > 4GHz).
The TPD8S009 is offered in a 8-pin SON package. This package offers easy design and layout, as the package matches exactly with the HDMI and DisplayPort high-speed pinout.
The TPD8S009 device is an eight-channel TVS diode array for ESD protection. The TPD8S009 is rated to dissipate contact ESD strikes at the maximum level specified in the IEC 61000-4-2 international standard (Level 4), with ±8kV contact discharge ESD protection. The low capacitance (0.8pF) of this device, coupled with the excellent matching between differential signal pairs enables this device to provide transient voltage suppression circuit protection for high-speed idfferential data rates (3dB bandwidth > 4GHz).
The TPD8S009 is offered in a 8-pin SON package. This package offers easy design and layout, as the package matches exactly with the HDMI and DisplayPort high-speed pinout. |
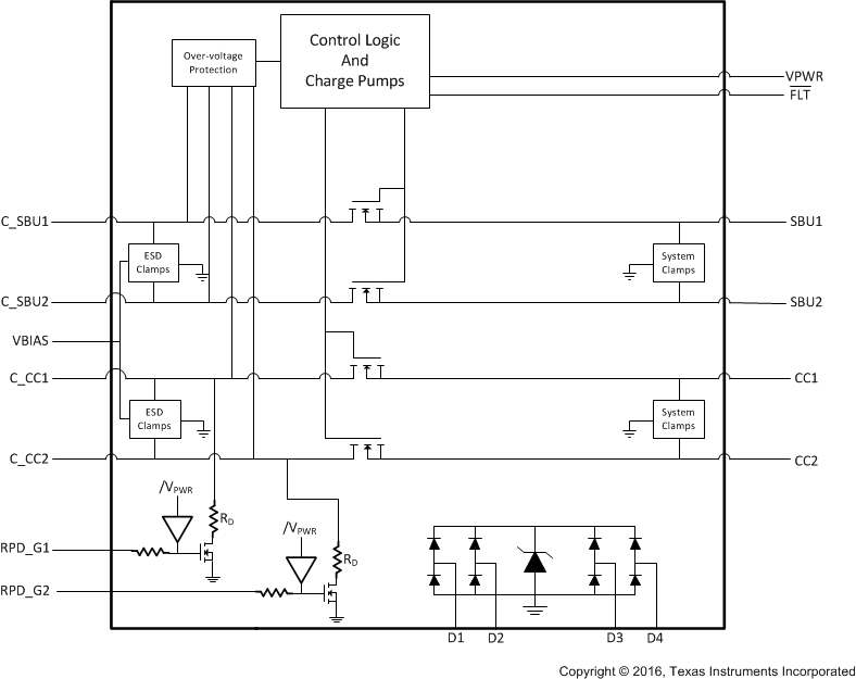
TPD8S300AUSB Type-C™ port protector: short-to-VBUS overvoltage and 8-ch ESD protection with improved OVP | Circuit Protection | 2 | Active | The TPD8S300 is a single chip USB Type-C port protection solution that provides 20-V Short-to-VBUSovervoltage and IEC ESD protection.
Since the release of the USB Type-C connector, many products and accessories for USB Type-C have been released which do not meet the USB Type-C specification. One example of this is USB Type-C Power Delivery adaptors that only place 20 V on the VBUSline. Another concern for USB Type-C is that mechanical twisting and sliding of the connector could short pins due to the close proximity they have in this small connector. This can cause 20-V VBUSto be shorted to the CC and SBU pins. Also, due to the close proximity of the pins in the Type-C connector, there is a heightened concern that debris and moisture will cause the 20-V VBUSpin to be shorted to the CC and SBU pins.
These non-ideal equipments and mechanical events make it necessary for the CC and SBU pins to be 20-V tolerant, even though they only operate at 5 V or lower. The TPD8S300 enables the CC and SBU pins to be 20-V tolerant without interfering with normal operation by providing overvoltage protection on the CC and SBU pins. The device places high voltage FETs in series on the SBU and CC lines. When a voltage above the OVP threshold is detected on these lines, the high voltage switches are opened up, isolating the rest of the system from the high voltage condition present on the connector.
Finally, most systems require IEC 61000-4-2 system level ESD protection for their external pins. The TPD8S300 integrates IEC 61000-4-2 ESD protection for the CC1, CC2, SBU1, SBU2, DP_T (Top side D+), DM_T (Top Side D–), DP_B (Bottom Side D+), DM_B (Bottom Side D–) pins, removing the need to place high voltage TVS diodes externally on the connector.
The TPD8S300 is a single chip USB Type-C port protection solution that provides 20-V Short-to-VBUSovervoltage and IEC ESD protection.
Since the release of the USB Type-C connector, many products and accessories for USB Type-C have been released which do not meet the USB Type-C specification. One example of this is USB Type-C Power Delivery adaptors that only place 20 V on the VBUSline. Another concern for USB Type-C is that mechanical twisting and sliding of the connector could short pins due to the close proximity they have in this small connector. This can cause 20-V VBUSto be shorted to the CC and SBU pins. Also, due to the close proximity of the pins in the Type-C connector, there is a heightened concern that debris and moisture will cause the 20-V VBUSpin to be shorted to the CC and SBU pins.
These non-ideal equipments and mechanical events make it necessary for the CC and SBU pins to be 20-V tolerant, even though they only operate at 5 V or lower. The TPD8S300 enables the CC and SBU pins to be 20-V tolerant without interfering with normal operation by providing overvoltage protection on the CC and SBU pins. The device places high voltage FETs in series on the SBU and CC lines. When a voltage above the OVP threshold is detected on these lines, the high voltage switches are opened up, isolating the rest of the system from the high voltage condition present on the connector.
Finally, most systems require IEC 61000-4-2 system level ESD protection for their external pins. The TPD8S300 integrates IEC 61000-4-2 ESD protection for the CC1, CC2, SBU1, SBU2, DP_T (Top side D+), DM_T (Top Side D–), DP_B (Bottom Side D+), DM_B (Bottom Side D–) pins, removing the need to place high voltage TVS diodes externally on the connector. |
| Part | Category | Description |
|---|---|---|
Texas Instruments | Integrated Circuits (ICs) | BUS DRIVER, BCT/FBT SERIES |
Texas Instruments | Integrated Circuits (ICs) | 12BIT 3.3V~3.6V 210MHZ PARALLEL VQFN-48-EP(7X7) ANALOG TO DIGITAL CONVERTERS (ADC) ROHS |
Texas Instruments | Integrated Circuits (ICs) | TMX320DRE311 179PIN UBGA 200MHZ |
Texas Instruments TPS61040DRVTG4Unknown | Integrated Circuits (ICs) | IC LED DRV RGLTR PWM 350MA 6WSON |
Texas Instruments LP3876ET-2.5Obsolete | Integrated Circuits (ICs) | IC REG LINEAR 2.5V 3A TO220-5 |
Texas Instruments LMS1585ACSX-ADJObsolete | Integrated Circuits (ICs) | IC REG LIN POS ADJ 5A DDPAK |
Texas Instruments INA111APG4Obsolete | Integrated Circuits (ICs) | IC INST AMP 1 CIRCUIT 8DIP |
Texas Instruments | Integrated Circuits (ICs) | AUTOMOTIVE, QUAD 36V 1.2MHZ OPERATIONAL AMPLIFIER |
Texas Instruments OPA340NA/3KG4Unknown | Integrated Circuits (ICs) | IC OPAMP GP 1 CIRCUIT SOT23-5 |
Texas Instruments PT5112AObsolete | Power Supplies - Board Mount | DC DC CONVERTER 8V 8W |