T
Texas Instruments
| Series | Category | # Parts | Status | Description |
|---|---|---|---|---|
| Part | Spec A | Spec B | Spec C | Spec D | Description |
|---|---|---|---|---|---|
| Series | Category | # Parts | Status | Description |
|---|---|---|---|---|
| Part | Spec A | Spec B | Spec C | Spec D | Description |
|---|---|---|---|---|---|
| Series | Category | # Parts | Status | Description |
|---|---|---|---|---|
SN75112Dual Line Driver | Drivers, Receivers, Transceivers | 2 | Obsolete | The SN55110A, SN75110A, and SN75112 dual line drivers have improved output current regulation with supply voltage and temperature variations. In addition, the higher current of the SN75112 (27 mA) allows data to be transmitted over longer lines. These drivers offer optimum performance when used with the SN55107A, SN75107A, and SN75108A line receivers.
These drivers feature independent channels with common voltage supply and ground terminals. The significant difference between the three drivers is in the output-current specification. The driver circuits feature a constant output current that is switched to either of two output terminals by the appropriate logic levels at the input terminals. The output current can be switched off (inhibited) by low logic levels on the enable inputs. The output current is nominally 12 mA for the '110A devices, and is 27 mA for the SN75112.
The enable/inhibit feature is provided so the circuits can be used in party-line or data-bus applications. A strobe or inhibitor (enable D), common to both drivers, is included for increased driver-logic versatility. The output current in the inhibited mode, IO(off), is specified so that minimum line loading is induced when the driver is used in a party-line system with other drivers. The output impedance of the driver in the inhibited mode is very high. The output impedance of a transistor is biased to cutoff.
The driver outputs have a common-mode voltage range of –3 V to 10 V, allowing common-mode voltage on the line without affecting driver performance.
All inputs are diode clamped and are designed to satisfy TTL-system requirements. The inputs are tested at 2 V for high-logic-level input conditions and 0.8 V for low-logic-level input conditions. These tests ensure 400-mV noise margin when interfaced with TTL Series 54/74.
The SN55110A is characterized for operation over the full military temperature range of –55°C to 125°C. The SN75110A and SN75112 are characterized for operation from 0°C to 70°C.
The SN55110A, SN75110A, and SN75112 dual line drivers have improved output current regulation with supply voltage and temperature variations. In addition, the higher current of the SN75112 (27 mA) allows data to be transmitted over longer lines. These drivers offer optimum performance when used with the SN55107A, SN75107A, and SN75108A line receivers.
These drivers feature independent channels with common voltage supply and ground terminals. The significant difference between the three drivers is in the output-current specification. The driver circuits feature a constant output current that is switched to either of two output terminals by the appropriate logic levels at the input terminals. The output current can be switched off (inhibited) by low logic levels on the enable inputs. The output current is nominally 12 mA for the '110A devices, and is 27 mA for the SN75112.
The enable/inhibit feature is provided so the circuits can be used in party-line or data-bus applications. A strobe or inhibitor (enable D), common to both drivers, is included for increased driver-logic versatility. The output current in the inhibited mode, IO(off), is specified so that minimum line loading is induced when the driver is used in a party-line system with other drivers. The output impedance of the driver in the inhibited mode is very high. The output impedance of a transistor is biased to cutoff.
The driver outputs have a common-mode voltage range of –3 V to 10 V, allowing common-mode voltage on the line without affecting driver performance.
All inputs are diode clamped and are designed to satisfy TTL-system requirements. The inputs are tested at 2 V for high-logic-level input conditions and 0.8 V for low-logic-level input conditions. These tests ensure 400-mV noise margin when interfaced with TTL Series 54/74.
The SN55110A is characterized for operation over the full military temperature range of –55°C to 125°C. The SN75110A and SN75112 are characterized for operation from 0°C to 70°C. |
SN75113Dual Differential Line Driver | Drivers, Receivers, Transceivers | 2 | Active | The SN55113 and SN75113 dual differential line drivers with 3-state outputs are designed to provide all the features of the SN55114 and SN75114 line drivers with the added feature of driver output controls. Individual controls are provided for each output pair, as well as a common control for both output pairs. If any output is low, the associated output is in a high-impedance state and the output can neither drive nor load the bus. This permits many devices to be connected together on the same transmission line for party-line applications.
The output stages are similar to TTL totem-pole outputs, but with the sink outputs, YS and ZS, and the corresponding active pullup terminals, YP and ZP, available on adjacent package pins.
The SN55113 is characterized for operation over the full military temperature range of -55°C to 125°C. The SN75113 is characterized for operation over the temperature range of 0°C to 70°C.
The SN55113 and SN75113 dual differential line drivers with 3-state outputs are designed to provide all the features of the SN55114 and SN75114 line drivers with the added feature of driver output controls. Individual controls are provided for each output pair, as well as a common control for both output pairs. If any output is low, the associated output is in a high-impedance state and the output can neither drive nor load the bus. This permits many devices to be connected together on the same transmission line for party-line applications.
The output stages are similar to TTL totem-pole outputs, but with the sink outputs, YS and ZS, and the corresponding active pullup terminals, YP and ZP, available on adjacent package pins.
The SN55113 is characterized for operation over the full military temperature range of -55°C to 125°C. The SN75113 is characterized for operation over the temperature range of 0°C to 70°C. |
SN75114Dual Differential Line Driver | Interface | 3 | Active | The SN55114 and SN75114 dual differential line drivers are designed to provide differential output signals with the high-current capability for driving balanced lines, such as twisted pair, at normal line impedances without high power dissipation. The output stages are similar to TTL totem-pole outputs, but with the sink outputs, YS and ZS, and the corresponding active pullup terminals, YP and ZP, available on adjacent package pins. Since the output stages provide TTL-compatible output levels, these devices can also be used as TTL expanders or phase splitters.
The SN55114 is characterized for operation over the full military temperature range of -55°C to 125°C. The SN75114 is characterized for operation from 0°C to 70°C.
The SN55114 and SN75114 dual differential line drivers are designed to provide differential output signals with the high-current capability for driving balanced lines, such as twisted pair, at normal line impedances without high power dissipation. The output stages are similar to TTL totem-pole outputs, but with the sink outputs, YS and ZS, and the corresponding active pullup terminals, YP and ZP, available on adjacent package pins. Since the output stages provide TTL-compatible output levels, these devices can also be used as TTL expanders or phase splitters.
The SN55114 is characterized for operation over the full military temperature range of -55°C to 125°C. The SN75114 is characterized for operation from 0°C to 70°C. |
SN75115Dual Differential Line Receiver | Drivers, Receivers, Transceivers | 4 | Active | The SN55115 and SN75115 dual differential line receivers are designed to sense small differential signals in the presence of large common-mode noise. These devices give TTL-compatible output signals as a function of the differential input voltage. The open-collector output configuration permits the wire-ANDing of similar TTL outputs (such as SN5401/SN7401) or other SN55115/SN75115 line receivers. This permits a level of logic to be implemented without extra delay.
The output stages are similar to TTL totem-pole outputs, but with sink outputs, 1YS and 2YS, and the corresponding active pullup terminals, 1YP and 2YP, available on adjacent package pins. The frequency response and noise immunity may be provided by a single external capacitor. A strobe input is provided for each channel. With the strobe in the low level, the receiver is disabled and the outputs are forced to a high level.
The SN55115 is characterized for operation over the full military temperature range of -55°C to 125°C. The SN75115 is characterized for operation from 0°C to 70°C.
H = VI>= VIHmin or VIDmore positive than VT+max L = VI<= VILmax or VIDmore negative thanVT-max X = irrelevant
The SN55115 and SN75115 dual differential line receivers are designed to sense small differential signals in the presence of large common-mode noise. These devices give TTL-compatible output signals as a function of the differential input voltage. The open-collector output configuration permits the wire-ANDing of similar TTL outputs (such as SN5401/SN7401) or other SN55115/SN75115 line receivers. This permits a level of logic to be implemented without extra delay.
The output stages are similar to TTL totem-pole outputs, but with sink outputs, 1YS and 2YS, and the corresponding active pullup terminals, 1YP and 2YP, available on adjacent package pins. The frequency response and noise immunity may be provided by a single external capacitor. A strobe input is provided for each channel. With the strobe in the low level, the receiver is disabled and the outputs are forced to a high level.
The SN55115 is characterized for operation over the full military temperature range of -55°C to 125°C. The SN75115 is characterized for operation from 0°C to 70°C.
H = VI>= VIHmin or VIDmore positive than VT+max L = VI<= VILmax or VIDmore negative thanVT-max X = irrelevant |
SN75116Differential Line Transceiver | Interface | 2 | Active | These integrated circuits are designed for use in interfacing between TTL-type digital systems and differential data-transmission lines. They are especially useful for party-line (data-bus) applications. Each of these circuit types combine in one package a 3-state differential line driver and a differential-input line receiver, both of which operate from a single 5-V power supply. The driver inputs and the receiver outputs are TTL compatible. The driver employed is similar to the SN55113 and SN75113 3-state line drivers, and the receiver is similar to the SN55115 and SN75115 line receivers.
The SN55116, SN75116, and SN75118 offer all the features of the SN55113 and SN75113 drivers and the SN55115 and SN75115 receivers combined. The driver performs the dual input AND and NAND functions when enabled or presents a high impedance to the load when in the disabled state. The driver output stages are similar to TTL totem-pole outputs, but have the current-sinking portion separated from the current-sourcing portion and both are brought out to adjacent package terminals. This feature allows the user the option of using the driver in the open-collector output configuration, or, by connecting the adjacent source and sink terminals together, of using the driver in the normal totem-pole output configuration.
The receiver portion of the SN55116, SN75116, and SN75118 features a differential-input circuit having a common-mode voltage range of ±15 V. An internal 130-equivalent resistor also is provided, which optionally can be used to terminate the transmission line. A frequency-response control terminal allows the user to reduce the speed of the receiver or to improve differential noise immunity. The receivers of the SN55116 and SN75116 have an output strobe and a split totem-pole output. The receiver of the SN75118 has an output-enable for the 3-state split totem-pole output. The receiver section of either circuit is independent of the driver section except for the VCCand ground terminals.
The SN75117 and SN75119 provide the basic driver and receiver functions of the SN55116, SN75116, and SN75118, but use a package that is only half as large. The SN75117 and SN75119 are intended primarily for party-line or bus-organized systems because the driver outputs are internally connected to the receiver inputs. The driver has a single data input and a single enable input. The SN75117 receiver has an output strobe, while the SN75119 receiver has a 3-state output enable. However, these devices do not provide output connection options, line-termination resistors, or receiver frequency-response controls.
The SN55116 is characterized for operation over the full military temperature range of -55°C to 125°C. The SN75116, SN75117, SN75118, and SN75119 are characterized for operation from 0°C to 70°C.
These integrated circuits are designed for use in interfacing between TTL-type digital systems and differential data-transmission lines. They are especially useful for party-line (data-bus) applications. Each of these circuit types combine in one package a 3-state differential line driver and a differential-input line receiver, both of which operate from a single 5-V power supply. The driver inputs and the receiver outputs are TTL compatible. The driver employed is similar to the SN55113 and SN75113 3-state line drivers, and the receiver is similar to the SN55115 and SN75115 line receivers.
The SN55116, SN75116, and SN75118 offer all the features of the SN55113 and SN75113 drivers and the SN55115 and SN75115 receivers combined. The driver performs the dual input AND and NAND functions when enabled or presents a high impedance to the load when in the disabled state. The driver output stages are similar to TTL totem-pole outputs, but have the current-sinking portion separated from the current-sourcing portion and both are brought out to adjacent package terminals. This feature allows the user the option of using the driver in the open-collector output configuration, or, by connecting the adjacent source and sink terminals together, of using the driver in the normal totem-pole output configuration.
The receiver portion of the SN55116, SN75116, and SN75118 features a differential-input circuit having a common-mode voltage range of ±15 V. An internal 130-equivalent resistor also is provided, which optionally can be used to terminate the transmission line. A frequency-response control terminal allows the user to reduce the speed of the receiver or to improve differential noise immunity. The receivers of the SN55116 and SN75116 have an output strobe and a split totem-pole output. The receiver of the SN75118 has an output-enable for the 3-state split totem-pole output. The receiver section of either circuit is independent of the driver section except for the VCCand ground terminals.
The SN75117 and SN75119 provide the basic driver and receiver functions of the SN55116, SN75116, and SN75118, but use a package that is only half as large. The SN75117 and SN75119 are intended primarily for party-line or bus-organized systems because the driver outputs are internally connected to the receiver inputs. The driver has a single data input and a single enable input. The SN75117 receiver has an output strobe, while the SN75119 receiver has a 3-state output enable. However, these devices do not provide output connection options, line-termination resistors, or receiver frequency-response controls.
The SN55116 is characterized for operation over the full military temperature range of -55°C to 125°C. The SN75116, SN75117, SN75118, and SN75119 are characterized for operation from 0°C to 70°C. |
SN75117Differential Line Transreceiver | Drivers, Receivers, Transceivers | 1 | Active | These integrated circuits are designed for use in interfacing between TTL-type digital systems and differential data-transmission lines. They are especially useful for party-line (data-bus) applications. Each of these circuit types combine in one package a 3-state differential line driver and a differential-input line receiver, both of which operate from a single 5-V power supply. The driver inputs and the receiver outputs are TTL compatible. The driver employed is similar to the SN55113 and SN75113 3-state line drivers, and the receiver is similar to the SN55115 and SN75115 line receivers.
The SN55116, SN75116, and SN75118 offer all the features of the SN55113 and SN75113 drivers and the SN55115 and SN75115 receivers combined. The driver performs the dual input AND and NAND functions when enabled or presents a high impedance to the load when in the disabled state. The driver output stages are similar to TTL totem-pole outputs, but have the current-sinking portion separated from the current-sourcing portion and both are brought out to adjacent package terminals. This feature allows the user the option of using the driver in the open-collector output configuration, or, by connecting the adjacent source and sink terminals together, of using the driver in the normal totem-pole output configuration.
The receiver portion of the SN55116, SN75116, and SN75118 features a differential-input circuit having a common-mode voltage range of ±15 V. An internal 130-equivalent resistor also is provided, which optionally can be used to terminate the transmission line. A frequency-response control terminal allows the user to reduce the speed of the receiver or to improve differential noise immunity. The receivers of the SN55116 and SN75116 have an output strobe and a split totem-pole output. The receiver of the SN75118 has an output-enable for the 3-state split totem-pole output. The receiver section of either circuit is independent of the driver section except for the VCCand ground terminals.
The SN75117 and SN75119 provide the basic driver and receiver functions of the SN55116, SN75116, and SN75118, but use a package that is only half as large. The SN75117 and SN75119 are intended primarily for party-line or bus-organized systems because the driver outputs are internally connected to the receiver inputs. The driver has a single data input and a single enable input. The SN75117 receiver has an output strobe, while the SN75119 receiver has a 3-state output enable. However, these devices do not provide output connection options, line-termination resistors, or receiver frequency-response controls.
The SN55116 is characterized for operation over the full military temperature range of -55°C to 125°C. The SN75116, SN75117, SN75118, and SN75119 are characterized for operation from 0°C to 70°C.
These integrated circuits are designed for use in interfacing between TTL-type digital systems and differential data-transmission lines. They are especially useful for party-line (data-bus) applications. Each of these circuit types combine in one package a 3-state differential line driver and a differential-input line receiver, both of which operate from a single 5-V power supply. The driver inputs and the receiver outputs are TTL compatible. The driver employed is similar to the SN55113 and SN75113 3-state line drivers, and the receiver is similar to the SN55115 and SN75115 line receivers.
The SN55116, SN75116, and SN75118 offer all the features of the SN55113 and SN75113 drivers and the SN55115 and SN75115 receivers combined. The driver performs the dual input AND and NAND functions when enabled or presents a high impedance to the load when in the disabled state. The driver output stages are similar to TTL totem-pole outputs, but have the current-sinking portion separated from the current-sourcing portion and both are brought out to adjacent package terminals. This feature allows the user the option of using the driver in the open-collector output configuration, or, by connecting the adjacent source and sink terminals together, of using the driver in the normal totem-pole output configuration.
The receiver portion of the SN55116, SN75116, and SN75118 features a differential-input circuit having a common-mode voltage range of ±15 V. An internal 130-equivalent resistor also is provided, which optionally can be used to terminate the transmission line. A frequency-response control terminal allows the user to reduce the speed of the receiver or to improve differential noise immunity. The receivers of the SN55116 and SN75116 have an output strobe and a split totem-pole output. The receiver of the SN75118 has an output-enable for the 3-state split totem-pole output. The receiver section of either circuit is independent of the driver section except for the VCCand ground terminals.
The SN75117 and SN75119 provide the basic driver and receiver functions of the SN55116, SN75116, and SN75118, but use a package that is only half as large. The SN75117 and SN75119 are intended primarily for party-line or bus-organized systems because the driver outputs are internally connected to the receiver inputs. The driver has a single data input and a single enable input. The SN75117 receiver has an output strobe, while the SN75119 receiver has a 3-state output enable. However, these devices do not provide output connection options, line-termination resistors, or receiver frequency-response controls.
The SN55116 is characterized for operation over the full military temperature range of -55°C to 125°C. The SN75116, SN75117, SN75118, and SN75119 are characterized for operation from 0°C to 70°C. |
| Drivers, Receivers, Transceivers | 6 | Active | ||
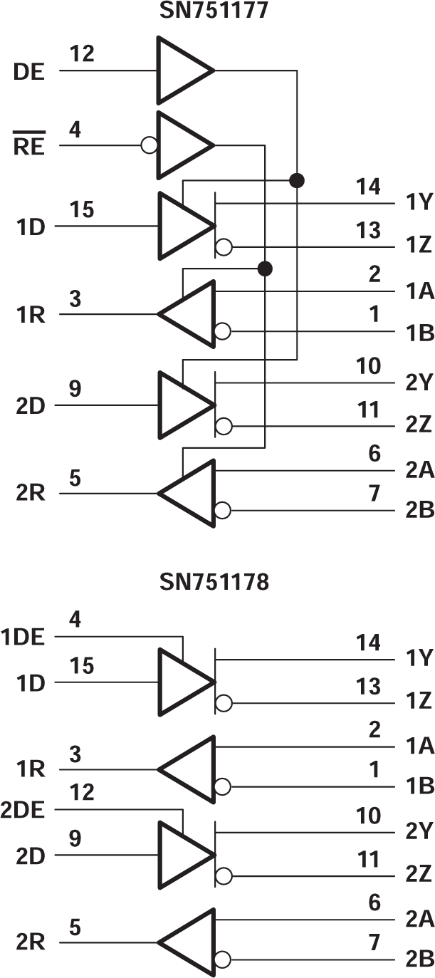
SN751178Dual Differential Driver/Receiver Pairs | Interface | 4 | Active | The SN751177 and SN751178 dual differential drivers and receivers are monolithic integrated circuits that are designed for balanced multipoint bus transmission at rates up to 10 Mbits. The devices are designed to improve the performance of full-duplex data communications over long bus lines and meet ANSI Standards TIA/EIA-422-B and TIA/EIA-485-A and ITU Recommendations V.10 and V.11.
The SN751177 and SN751178 driver outputs provide limiting for both positive and negative currents and thermal-shutdown protection from line-fault conditions on the transmission bus line.
The receiver features high input impedance of at least 12kΩ, an input sensitivity of ±200mV over a common-mode input voltage range of −12V to 12V, and typical input hysteresis of 50mV. Fail-safe design makes sure the receiver inputs are open, the receiver outputs are always high.
The SN751177 and SN751178 are characterized for operation from −20°C to 85°C.
The SN751177 and SN751178 dual differential drivers and receivers are monolithic integrated circuits that are designed for balanced multipoint bus transmission at rates up to 10 Mbits. The devices are designed to improve the performance of full-duplex data communications over long bus lines and meet ANSI Standards TIA/EIA-422-B and TIA/EIA-485-A and ITU Recommendations V.10 and V.11.
The SN751177 and SN751178 driver outputs provide limiting for both positive and negative currents and thermal-shutdown protection from line-fault conditions on the transmission bus line.
The receiver features high input impedance of at least 12kΩ, an input sensitivity of ±200mV over a common-mode input voltage range of −12V to 12V, and typical input hysteresis of 50mV. Fail-safe design makes sure the receiver inputs are open, the receiver outputs are always high.
The SN751177 and SN751178 are characterized for operation from −20°C to 85°C. |
SN75118Differential Line Transceiver | Interface | 1 | Active | These integrated circuits are designed for use in interfacing between TTL-type digital systems and differential data-transmission lines. They are especially useful for party-line (data-bus) applications. Each of these circuit types combine in one package a 3-state differential line driver and a differential-input line receiver, both of which operate from a single 5-V power supply. The driver inputs and the receiver outputs are TTL compatible. The driver employed is similar to the SN55113 and SN75113 3-state line drivers, and the receiver is similar to the SN55115 and SN75115 line receivers.
The SN55116, SN75116, and SN75118 offer all the features of the SN55113 and SN75113 drivers and the SN55115 and SN75115 receivers combined. The driver performs the dual input AND and NAND functions when enabled or presents a high impedance to the load when in the disabled state. The driver output stages are similar to TTL totem-pole outputs, but have the current-sinking portion separated from the current-sourcing portion and both are brought out to adjacent package terminals. This feature allows the user the option of using the driver in the open-collector output configuration, or, by connecting the adjacent source and sink terminals together, of using the driver in the normal totem-pole output configuration.
The receiver portion of the SN55116, SN75116, and SN75118 features a differential-input circuit having a common-mode voltage range of ±15 V. An internal 130-equivalent resistor also is provided, which optionally can be used to terminate the transmission line. A frequency-response control terminal allows the user to reduce the speed of the receiver or to improve differential noise immunity. The receivers of the SN55116 and SN75116 have an output strobe and a split totem-pole output. The receiver of the SN75118 has an output-enable for the 3-state split totem-pole output. The receiver section of either circuit is independent of the driver section except for the VCCand ground terminals.
The SN75117 and SN75119 provide the basic driver and receiver functions of the SN55116, SN75116, and SN75118, but use a package that is only half as large. The SN75117 and SN75119 are intended primarily for party-line or bus-organized systems because the driver outputs are internally connected to the receiver inputs. The driver has a single data input and a single enable input. The SN75117 receiver has an output strobe, while the SN75119 receiver has a 3-state output enable. However, these devices do not provide output connection options, line-termination resistors, or receiver frequency-response controls.
The SN55116 is characterized for operation over the full military temperature range of -55°C to 125°C. The SN75116, SN75117, SN75118, and SN75119 are characterized for operation from 0°C to 70°C.
These integrated circuits are designed for use in interfacing between TTL-type digital systems and differential data-transmission lines. They are especially useful for party-line (data-bus) applications. Each of these circuit types combine in one package a 3-state differential line driver and a differential-input line receiver, both of which operate from a single 5-V power supply. The driver inputs and the receiver outputs are TTL compatible. The driver employed is similar to the SN55113 and SN75113 3-state line drivers, and the receiver is similar to the SN55115 and SN75115 line receivers.
The SN55116, SN75116, and SN75118 offer all the features of the SN55113 and SN75113 drivers and the SN55115 and SN75115 receivers combined. The driver performs the dual input AND and NAND functions when enabled or presents a high impedance to the load when in the disabled state. The driver output stages are similar to TTL totem-pole outputs, but have the current-sinking portion separated from the current-sourcing portion and both are brought out to adjacent package terminals. This feature allows the user the option of using the driver in the open-collector output configuration, or, by connecting the adjacent source and sink terminals together, of using the driver in the normal totem-pole output configuration.
The receiver portion of the SN55116, SN75116, and SN75118 features a differential-input circuit having a common-mode voltage range of ±15 V. An internal 130-equivalent resistor also is provided, which optionally can be used to terminate the transmission line. A frequency-response control terminal allows the user to reduce the speed of the receiver or to improve differential noise immunity. The receivers of the SN55116 and SN75116 have an output strobe and a split totem-pole output. The receiver of the SN75118 has an output-enable for the 3-state split totem-pole output. The receiver section of either circuit is independent of the driver section except for the VCCand ground terminals.
The SN75117 and SN75119 provide the basic driver and receiver functions of the SN55116, SN75116, and SN75118, but use a package that is only half as large. The SN75117 and SN75119 are intended primarily for party-line or bus-organized systems because the driver outputs are internally connected to the receiver inputs. The driver has a single data input and a single enable input. The SN75117 receiver has an output strobe, while the SN75119 receiver has a 3-state output enable. However, these devices do not provide output connection options, line-termination resistors, or receiver frequency-response controls.
The SN55116 is characterized for operation over the full military temperature range of -55°C to 125°C. The SN75116, SN75117, SN75118, and SN75119 are characterized for operation from 0°C to 70°C. |
SN75119Differential Line Transceiver | Integrated Circuits (ICs) | 2 | Obsolete | These integrated circuits are designed for use in interfacing between TTL-type digital systems and differential data-transmission lines. They are especially useful for party-line (data-bus) applications. Each of these circuit types combine in one package a 3-state differential line driver and a differential-input line receiver, both of which operate from a single 5-V power supply. The driver inputs and the receiver outputs are TTL compatible. The driver employed is similar to the SN55113 and SN75113 3-state line drivers, and the receiver is similar to the SN55115 and SN75115 line receivers.
The SN55116, SN75116, and SN75118 offer all the features of the SN55113 and SN75113 drivers and the SN55115 and SN75115 receivers combined. The driver performs the dual input AND and NAND functions when enabled or presents a high impedance to the load when in the disabled state. The driver output stages are similar to TTL totem-pole outputs, but have the current-sinking portion separated from the current-sourcing portion and both are brought out to adjacent package terminals. This feature allows the user the option of using the driver in the open-collector output configuration, or, by connecting the adjacent source and sink terminals together, of using the driver in the normal totem-pole output configuration.
The receiver portion of the SN55116, SN75116, and SN75118 features a differential-input circuit having a common-mode voltage range of ±15 V. An internal 130-equivalent resistor also is provided, which optionally can be used to terminate the transmission line. A frequency-response control terminal allows the user to reduce the speed of the receiver or to improve differential noise immunity. The receivers of the SN55116 and SN75116 have an output strobe and a split totem-pole output. The receiver of the SN75118 has an output-enable for the 3-state split totem-pole output. The receiver section of either circuit is independent of the driver section except for the VCCand ground terminals.
The SN75117 and SN75119 provide the basic driver and receiver functions of the SN55116, SN75116, and SN75118, but use a package that is only half as large. The SN75117 and SN75119 are intended primarily for party-line or bus-organized systems because the driver outputs are internally connected to the receiver inputs. The driver has a single data input and a single enable input. The SN75117 receiver has an output strobe, while the SN75119 receiver has a 3-state output enable. However, these devices do not provide output connection options, line-termination resistors, or receiver frequency-response controls.
The SN55116 is characterized for operation over the full military temperature range of -55°C to 125°C. The SN75116, SN75117, SN75118, and SN75119 are characterized for operation from 0°C to 70°C.
These integrated circuits are designed for use in interfacing between TTL-type digital systems and differential data-transmission lines. They are especially useful for party-line (data-bus) applications. Each of these circuit types combine in one package a 3-state differential line driver and a differential-input line receiver, both of which operate from a single 5-V power supply. The driver inputs and the receiver outputs are TTL compatible. The driver employed is similar to the SN55113 and SN75113 3-state line drivers, and the receiver is similar to the SN55115 and SN75115 line receivers.
The SN55116, SN75116, and SN75118 offer all the features of the SN55113 and SN75113 drivers and the SN55115 and SN75115 receivers combined. The driver performs the dual input AND and NAND functions when enabled or presents a high impedance to the load when in the disabled state. The driver output stages are similar to TTL totem-pole outputs, but have the current-sinking portion separated from the current-sourcing portion and both are brought out to adjacent package terminals. This feature allows the user the option of using the driver in the open-collector output configuration, or, by connecting the adjacent source and sink terminals together, of using the driver in the normal totem-pole output configuration.
The receiver portion of the SN55116, SN75116, and SN75118 features a differential-input circuit having a common-mode voltage range of ±15 V. An internal 130-equivalent resistor also is provided, which optionally can be used to terminate the transmission line. A frequency-response control terminal allows the user to reduce the speed of the receiver or to improve differential noise immunity. The receivers of the SN55116 and SN75116 have an output strobe and a split totem-pole output. The receiver of the SN75118 has an output-enable for the 3-state split totem-pole output. The receiver section of either circuit is independent of the driver section except for the VCCand ground terminals.
The SN75117 and SN75119 provide the basic driver and receiver functions of the SN55116, SN75116, and SN75118, but use a package that is only half as large. The SN75117 and SN75119 are intended primarily for party-line or bus-organized systems because the driver outputs are internally connected to the receiver inputs. The driver has a single data input and a single enable input. The SN75117 receiver has an output strobe, while the SN75119 receiver has a 3-state output enable. However, these devices do not provide output connection options, line-termination resistors, or receiver frequency-response controls.
The SN55116 is characterized for operation over the full military temperature range of -55°C to 125°C. The SN75116, SN75117, SN75118, and SN75119 are characterized for operation from 0°C to 70°C. |
| Part | Category | Description |
|---|---|---|
Texas Instruments | Integrated Circuits (ICs) | BUS DRIVER, BCT/FBT SERIES |
Texas Instruments | Integrated Circuits (ICs) | 12BIT 3.3V~3.6V 210MHZ PARALLEL VQFN-48-EP(7X7) ANALOG TO DIGITAL CONVERTERS (ADC) ROHS |
Texas Instruments | Integrated Circuits (ICs) | TMX320DRE311 179PIN UBGA 200MHZ |
Texas Instruments TPS61040DRVTG4Unknown | Integrated Circuits (ICs) | IC LED DRV RGLTR PWM 350MA 6WSON |
Texas Instruments LP3876ET-2.5Obsolete | Integrated Circuits (ICs) | IC REG LINEAR 2.5V 3A TO220-5 |
Texas Instruments LMS1585ACSX-ADJObsolete | Integrated Circuits (ICs) | IC REG LIN POS ADJ 5A DDPAK |
Texas Instruments INA111APG4Obsolete | Integrated Circuits (ICs) | IC INST AMP 1 CIRCUIT 8DIP |
Texas Instruments | Integrated Circuits (ICs) | AUTOMOTIVE, QUAD 36V 1.2MHZ OPERATIONAL AMPLIFIER |
Texas Instruments OPA340NA/3KG4Unknown | Integrated Circuits (ICs) | IC OPAMP GP 1 CIRCUIT SOT23-5 |
Texas Instruments PT5112AObsolete | Power Supplies - Board Mount | DC DC CONVERTER 8V 8W |