SN74LVC541A-EPEnhanced product 8-ch, 2-V to 3.6-V buffers with 3-state outputs | Logic | 19 | Active | The SN54LVC541A octal buffer/driver is designed for 2.7-V to 3.6-V VCCoperation, and the SN74LVC541A octal buffer/driver is designed for 1.65-V to 3.6-V VCCoperation.
The ’LVC541A devices are ideal for driving bus lines or buffering memory address registers.
These devices feature inputs and outputs on opposite sides of the package to facilitate printed circuit board layout.
The 3-state control gate is a 2-input AND gate with active-low inputs so that, if either output enable (OE1orOE2) input is high, all eight outputs are in the high-impedance state.
Inputs can be driven from either 3.3-V or 5-V devices. This feature allows the use of these devices as translators in a mixed 3.3-V/5-V system environment.
These devices are fully specified for partial-power-down applications using Ioff. The Ioffcircuitry disables the outputs, preventing damaging current backflow through the devices when they are powered down.
To ensure the high-impedance state during power up or power down,OEshould be tied to VCCthrough a pullup resistor; the minimum value of the resistor is determined by the current-sinking capability of the driver.
The SN54LVC541A octal buffer/driver is designed for 2.7-V to 3.6-V VCCoperation, and the SN74LVC541A octal buffer/driver is designed for 1.65-V to 3.6-V VCCoperation.
The ’LVC541A devices are ideal for driving bus lines or buffering memory address registers.
These devices feature inputs and outputs on opposite sides of the package to facilitate printed circuit board layout.
The 3-state control gate is a 2-input AND gate with active-low inputs so that, if either output enable (OE1orOE2) input is high, all eight outputs are in the high-impedance state.
Inputs can be driven from either 3.3-V or 5-V devices. This feature allows the use of these devices as translators in a mixed 3.3-V/5-V system environment.
These devices are fully specified for partial-power-down applications using Ioff. The Ioffcircuitry disables the outputs, preventing damaging current backflow through the devices when they are powered down.
To ensure the high-impedance state during power up or power down,OEshould be tied to VCCthrough a pullup resistor; the minimum value of the resistor is determined by the current-sinking capability of the driver. |
SN74LVC543AOctal Registered Transceiver With 3-State Outputs | Buffers, Drivers, Receivers, Transceivers | 4 | Active | This octal registered transceiver is designed for 1.65-V to 3.6-V VCCoperation.
The SN74LVC543A contains two sets of D-type latches for temporary storage of data flowing in either direction. Separate latch-enable (LEAB\ or LEBA\) and output-enable (OEAB\ or OEBA\) inputs are provided for each register to permit independent control in either direction of data flow.
The A-to-B enable (CEAB)\ input must be low to enter data from A or to output data from B. If CEAB\ is low and LEAB\ is low, the A-to-B latches are transparent; a subsequent low-to-high transition of LEAB\ places the A latches in the storage mode. With CEAB\ and OEAB\ both low, the 3-state B outputs are active and reflect the data present at the output of the A latches. Data flow for B to A is similar to that of A to B, but uses CEBA\, LEBA\, and OEBA\.
This device is fully specified for partial-power-down applications using Ioff. The Ioffcircuitry disables the outputs, preventing damaging current backflow through the device when it is powered down.
To ensure the high-impedance state during power up or power down, OE\ should be tied to VCCthrough a pullup resistor; the minimum value of the resistor is determined by the current-sinking capability of the driver.
Inputs can be driven from either 3.3-V or 5-V devices. This feature allows the use of these devices as translators in a mixed 3.3-V/5-V system environment.
This octal registered transceiver is designed for 1.65-V to 3.6-V VCCoperation.
The SN74LVC543A contains two sets of D-type latches for temporary storage of data flowing in either direction. Separate latch-enable (LEAB\ or LEBA\) and output-enable (OEAB\ or OEBA\) inputs are provided for each register to permit independent control in either direction of data flow.
The A-to-B enable (CEAB)\ input must be low to enter data from A or to output data from B. If CEAB\ is low and LEAB\ is low, the A-to-B latches are transparent; a subsequent low-to-high transition of LEAB\ places the A latches in the storage mode. With CEAB\ and OEAB\ both low, the 3-state B outputs are active and reflect the data present at the output of the A latches. Data flow for B to A is similar to that of A to B, but uses CEBA\, LEBA\, and OEBA\.
This device is fully specified for partial-power-down applications using Ioff. The Ioffcircuitry disables the outputs, preventing damaging current backflow through the device when it is powered down.
To ensure the high-impedance state during power up or power down, OE\ should be tied to VCCthrough a pullup resistor; the minimum value of the resistor is determined by the current-sinking capability of the driver.
Inputs can be driven from either 3.3-V or 5-V devices. This feature allows the use of these devices as translators in a mixed 3.3-V/5-V system environment. |
SN74LVC573A-Q1Automotive Catalog Octal Transparent D-Type Latches With 3-State Outputs | Latches | 19 | Active | The SN74LVC573A-EP octal transparent D-type latch is designed for 2.7-V to 3.6-V VCCoperation.
This device features 3-state outputs designed specifically for driving highly capacitive or relatively low-impedance loads. It is particularly suitable for implementing buffer registers, input/output (I/O) ports, bidirectional bus drivers, and working registers.
While the latch-enable (LE) input is high, the Q outputs follow the data (D) inputs. When LE is taken low, the Q outputs are latched at the logic levels at the D inputs.
A buffered output-enable (OE)\ input can be used to place the eight outputs in either a normal logic state (high or low logic levels) or the high-impedance state. In the high-impedance state, the outputs neither load nor drive the bus lines significantly. The high-impedance state and increased drive provide the capability to drive bus lines without interface or pullup components.
OE\ does not affect the internal operations of the latches. Old data can be retained or new data can be entered while the outputs are in the high-impedance state.
This device is fully specified for partial-power-down applications using Ioff. The Ioffcircuitry disables the outputs, preventing damaging current backflow through the device when it is powered down.
To ensure the high-impedance state during power up or power down, OE\ should be tied to VCCthrough a pullup resistor; the minimum value of the resistor is determined by the current-sinking capability of the driver.
Inputs can be driven from either 3.3-V or 5-V devices. This feature allows the use of this device as a translator in a mixed 3.3-V/5-V system environment.
The SN74LVC573A-EP octal transparent D-type latch is designed for 2.7-V to 3.6-V VCCoperation.
This device features 3-state outputs designed specifically for driving highly capacitive or relatively low-impedance loads. It is particularly suitable for implementing buffer registers, input/output (I/O) ports, bidirectional bus drivers, and working registers.
While the latch-enable (LE) input is high, the Q outputs follow the data (D) inputs. When LE is taken low, the Q outputs are latched at the logic levels at the D inputs.
A buffered output-enable (OE)\ input can be used to place the eight outputs in either a normal logic state (high or low logic levels) or the high-impedance state. In the high-impedance state, the outputs neither load nor drive the bus lines significantly. The high-impedance state and increased drive provide the capability to drive bus lines without interface or pullup components.
OE\ does not affect the internal operations of the latches. Old data can be retained or new data can be entered while the outputs are in the high-impedance state.
This device is fully specified for partial-power-down applications using Ioff. The Ioffcircuitry disables the outputs, preventing damaging current backflow through the device when it is powered down.
To ensure the high-impedance state during power up or power down, OE\ should be tied to VCCthrough a pullup resistor; the minimum value of the resistor is determined by the current-sinking capability of the driver.
Inputs can be driven from either 3.3-V or 5-V devices. This feature allows the use of this device as a translator in a mixed 3.3-V/5-V system environment. |
SN74LVC574A-Q1Automotive Catalog Octal Edge-Triggered D-Type Flip-Flop With 3-State Outputs | Logic | 19 | Active | The SN54LVC574A octal edge-triggered D-type flip-flop is designed for 2.7-V to 3.6-V VCCoperation, and the SN74LVC574A octal edge-triggered D-type flip-flop is designed for 1.65-V to 3.6-V VCCoperation.
These devices feature 3-state outputs designed specifically for driving highly capacitive or relatively low-impedance loads. They are particularly suitable for implementing buffer registers, I/O ports, bidirectional bus drivers, and working registers.
On the positive transition of the clock (CLK) input, the Q outputs are set to the logic levels at the data (D) inputs.
A buffered output-enable (OE)\ input can be used to place the eight outputs in either a normal logic state (high or low logic levels) or the high-impedance state. In the high-impedance state, the outputs neither load nor drive the bus lines significantly. The high-impedance state and increased drive provide the capability to drive bus lines without interface or pullup components.
OE\ does not affect the internal operations of the flip-flops. Old data can be retained or new data can be entered while the outputs are in the high-impedance state.
These devices are fully specified for partial-power-down applications using Ioff. The Ioffcircuitry disables the outputs, preventing damaging current backflow through the device when it is powered down.
To ensure the high-impedance state during power up or power down, OE\ should be tied to VCCthrough a pullup resistor; the minimum value of the resistor is determined by the current-sinking capability of the driver.
Inputs can be driven from either 3.3-V or 5-V devices. This feature allows the use of these devices as translators in a mixed 3.3-V/5-V system environment.
The SN54LVC574A octal edge-triggered D-type flip-flop is designed for 2.7-V to 3.6-V VCCoperation, and the SN74LVC574A octal edge-triggered D-type flip-flop is designed for 1.65-V to 3.6-V VCCoperation.
These devices feature 3-state outputs designed specifically for driving highly capacitive or relatively low-impedance loads. They are particularly suitable for implementing buffer registers, I/O ports, bidirectional bus drivers, and working registers.
On the positive transition of the clock (CLK) input, the Q outputs are set to the logic levels at the data (D) inputs.
A buffered output-enable (OE)\ input can be used to place the eight outputs in either a normal logic state (high or low logic levels) or the high-impedance state. In the high-impedance state, the outputs neither load nor drive the bus lines significantly. The high-impedance state and increased drive provide the capability to drive bus lines without interface or pullup components.
OE\ does not affect the internal operations of the flip-flops. Old data can be retained or new data can be entered while the outputs are in the high-impedance state.
These devices are fully specified for partial-power-down applications using Ioff. The Ioffcircuitry disables the outputs, preventing damaging current backflow through the device when it is powered down.
To ensure the high-impedance state during power up or power down, OE\ should be tied to VCCthrough a pullup resistor; the minimum value of the resistor is determined by the current-sinking capability of the driver.
Inputs can be driven from either 3.3-V or 5-V devices. This feature allows the use of these devices as translators in a mixed 3.3-V/5-V system environment. |
SN74LVC646AOctal Bus Transceiver And Register With 3-State Outputs | Logic | 6 | Active | The SN54LVC646A octal bus transceiver and register is designed for 2.7-V to 3.6-V VCCoperation, and the SN74LVC646A octal bus transceiver and register is designed for 1.65-V to 3.6-V VCCoperation.
These devices consist of bus-transceiver circuits, D-type flip-flops, and control circuitry arranged for multiplexed transmission of data directly from the input bus or from the internal registers. Data on the A or B bus is clocked into the registers on the low-to-high transition of the appropriate clock (CLKAB or CLKBA) input. Figure 1 illustrates the four fundamental bus-management functions that are performed with the ’LVC646A devices.
Output-enable (OE)\ and direction-control (DIR) inputs control the transceiver functions. In the transceiver mode, data present at thehigh-impedance port is stored in either register or in both.
The select-control (SAB and SBA) inputs can multiplex stored and real-time (transparent mode) data. DIR determines which bus receives data when OE\ is low. In the isolation mode (OE\ high), A data is stored in one register and B data can be stored in the other register.
When an output function is disabled, the input function is still enabled and can be used to store and transmit data. Only one of the two buses, A or B, can be driven at a time.
Inputs can be driven from either 3.3-V or 5-V devices. This feature allows the use of these devices as translators in a mixed 3.3-V/5-V system environment.
These devices are fully specified for partial-power-down applications using Ioff. The Ioffcircuitry disables the outputs, preventing damaging current backflow through the device when it is powered down.
To ensure the high-impedance state during power up or power down, OE\ should be tied to VCCthrough a pullup resistor; the minimum value of the resistor is determined by the current-sinking capability of the driver.
The SN54LVC646A octal bus transceiver and register is designed for 2.7-V to 3.6-V VCCoperation, and the SN74LVC646A octal bus transceiver and register is designed for 1.65-V to 3.6-V VCCoperation.
These devices consist of bus-transceiver circuits, D-type flip-flops, and control circuitry arranged for multiplexed transmission of data directly from the input bus or from the internal registers. Data on the A or B bus is clocked into the registers on the low-to-high transition of the appropriate clock (CLKAB or CLKBA) input. Figure 1 illustrates the four fundamental bus-management functions that are performed with the ’LVC646A devices.
Output-enable (OE)\ and direction-control (DIR) inputs control the transceiver functions. In the transceiver mode, data present at thehigh-impedance port is stored in either register or in both.
The select-control (SAB and SBA) inputs can multiplex stored and real-time (transparent mode) data. DIR determines which bus receives data when OE\ is low. In the isolation mode (OE\ high), A data is stored in one register and B data can be stored in the other register.
When an output function is disabled, the input function is still enabled and can be used to store and transmit data. Only one of the two buses, A or B, can be driven at a time.
Inputs can be driven from either 3.3-V or 5-V devices. This feature allows the use of these devices as translators in a mixed 3.3-V/5-V system environment.
These devices are fully specified for partial-power-down applications using Ioff. The Ioffcircuitry disables the outputs, preventing damaging current backflow through the device when it is powered down.
To ensure the high-impedance state during power up or power down, OE\ should be tied to VCCthrough a pullup resistor; the minimum value of the resistor is determined by the current-sinking capability of the driver. |
SN74LVC652AOctal Bus Transceiver And Register With 3-State Outputs | Integrated Circuits (ICs) | 6 | Active | The SN54LVC652A octal bus transceiver and register is designed for 2.7-V to 3.6-V VCCoperation, and the SN74LVC652A octal bus transceiver and register is designed for 1.65-V to 3.6-V VCCoperation.
These devices consist of bus transceiver circuits, D-type flip-flops, and control circuitry arranged for multiplexed transmission of data directly from the data bus or from the internal storage registers.
Output-enable (OEAB and OEBA\) inputs are provided to control the transceiver functions. Select-control (SAB and SBA) inputs are provided to select whether real-time or stored data is transferred. The circuitry used for select control eliminates the typical decoding glitch that occurs in a multiplexer during the transition between stored and real-time data. A low input selects real-time data, and a high input selects stored data. Figure 1 illustrates the four fundamental bus-management functions that are performed with the ’LVC652A devices.
Data on the A or B data bus, or both, is stored in the internal D-type flip-flops by low-to-high transitions at the appropriate clock (CLKAB or CLKBA) inputs, regardless of the select- or enable-control pins. When SAB and SBA are in the real-time transfer mode, it is possible to store data without using the internal D-type flip-flops by simultaneously enabling OEAB and OEBA\. In this configuration, each output reinforces its input. When all other data sources to the two sets of bus lines are at high impedance, each set of bus lines remains at its last state.
Inputs can be driven from either 3.3-V or 5-V devices. This feature allows the use of these devices as translators in a mixed 3.3-V/5-V system environment.
These devices are fully specified for partial-power-down applications using Ioff. The Ioffcircuitry disables the outputs, preventing damaging current backflow through the device when it is powered down.
To ensure the high-impedance state during power up or power down, OEBA\ should be tied to VCCthrough a pullup resistor and OEAB should be tied to GND through a pulldown resistor; the minimum value of the resistor is determined by the current-sinking/current-sourcing capability of the driver.
The SN54LVC652A octal bus transceiver and register is designed for 2.7-V to 3.6-V VCCoperation, and the SN74LVC652A octal bus transceiver and register is designed for 1.65-V to 3.6-V VCCoperation.
These devices consist of bus transceiver circuits, D-type flip-flops, and control circuitry arranged for multiplexed transmission of data directly from the data bus or from the internal storage registers.
Output-enable (OEAB and OEBA\) inputs are provided to control the transceiver functions. Select-control (SAB and SBA) inputs are provided to select whether real-time or stored data is transferred. The circuitry used for select control eliminates the typical decoding glitch that occurs in a multiplexer during the transition between stored and real-time data. A low input selects real-time data, and a high input selects stored data. Figure 1 illustrates the four fundamental bus-management functions that are performed with the ’LVC652A devices.
Data on the A or B data bus, or both, is stored in the internal D-type flip-flops by low-to-high transitions at the appropriate clock (CLKAB or CLKBA) inputs, regardless of the select- or enable-control pins. When SAB and SBA are in the real-time transfer mode, it is possible to store data without using the internal D-type flip-flops by simultaneously enabling OEAB and OEBA\. In this configuration, each output reinforces its input. When all other data sources to the two sets of bus lines are at high impedance, each set of bus lines remains at its last state.
Inputs can be driven from either 3.3-V or 5-V devices. This feature allows the use of these devices as translators in a mixed 3.3-V/5-V system environment.
These devices are fully specified for partial-power-down applications using Ioff. The Ioffcircuitry disables the outputs, preventing damaging current backflow through the device when it is powered down.
To ensure the high-impedance state during power up or power down, OEBA\ should be tied to VCCthrough a pullup resistor and OEAB should be tied to GND through a pulldown resistor; the minimum value of the resistor is determined by the current-sinking/current-sourcing capability of the driver. |
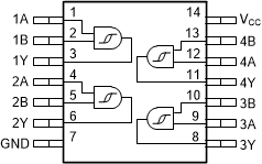
SN74LVC7001AQuadruple two-input 1.2V to 3.6V AND gates with Schmitt-trigger inputs | Gates and Inverters | 1 | Active | The SN74LVC7001A contains four independent 2-input AND gates with Schmitt-trigger inputs. Each gate performs the Boolean function Y = A ● B in positive logic.
The SN74LVC7001A contains four independent 2-input AND gates with Schmitt-trigger inputs. Each gate performs the Boolean function Y = A ● B in positive logic. |
SN74LVC7001A-Q1Automotive quadruple two-Input 1.2V to 3.6V AND gates with Schmitt-trigger inputs | Logic | 1 | Active | The SN74LVC7001A-Q1 contains four independent 2-input AND gates with Schmitt-trigger inputs. Each gate performs the Boolean function Y = A ● B in positive logic.
The SN74LVC7001A-Q1 contains four independent 2-input AND gates with Schmitt-trigger inputs. Each gate performs the Boolean function Y = A ● B in positive logic. |
SN74LVC7002A4-ch, 4-input, 1.65V to 3.6V, 24mA drive strength NOR gate with Schmitt-Trigger inputs | Logic | 1 | Active | The SN74LVC7002A contains four independent 2-input NOR Gates with Schmitt-trigger inputs. Each gate performs the Boolean function Y = A + B in positive logic.
The SN74LVC7002A contains four independent 2-input NOR Gates with Schmitt-trigger inputs. Each gate performs the Boolean function Y = A + B in positive logic. |
SN74LVC7002A-Q1Automotive 4-ch, 4-input, 1.65-V to 3.6-V 24 mA drive strength NOR gate with Schmitt-Trigger inputs | Logic | 1 | Active | The SN74LVC7002A-Q1 contains four independent 2-input NOR Gates with Schmitt-trigger inputs. Each gate performs the Boolean function Y = A + B in positive logic.
The SN74LVC7002A-Q1 contains four independent 2-input NOR Gates with Schmitt-trigger inputs. Each gate performs the Boolean function Y = A + B in positive logic. |