S
STMicroelectronics
| Series | Category | # Parts | Status | Description |
|---|---|---|---|---|
| Part | Spec A | Spec B | Spec C | Spec D | Description |
|---|---|---|---|---|---|
| Series | Category | # Parts | Status | Description |
|---|---|---|---|---|
| Part | Spec A | Spec B | Spec C | Spec D | Description |
|---|---|---|---|---|---|
| Part | Category | Description |
|---|---|---|
STMicroelectronics STEVAL-ISA068V1Obsolete | Development Boards Kits Programmers | EVAL BOARD FOR ST1S32 |
STMicroelectronics 74VCXHQ163245TTRObsolete | Integrated Circuits (ICs) | IC TRANSLATION TXRX 2.7V 48TSSOP |
STMicroelectronics | Development Boards Kits Programmers | VNQ9050LAJ EVALUATION BOARD |
STMicroelectronics LSM303DLHCTRObsolete | Sensors Transducers | IMU ACCEL/MAG 3-AXIS I2C 14LGA |
STMicroelectronics M93C56-WMN6TObsolete | Integrated Circuits (ICs) | EEPROM SERIAL-MICROWIRE 2K-BIT 256 X 8/128 X 16 3.3V/5V 8-PIN SO N T/R |
STMicroelectronics | Integrated Circuits (ICs) | STM32U |
STMicroelectronics TS831-3IZObsolete | Integrated Circuits (ICs) | IC SUPERVISOR 1 CHANNEL TO92-3 |
STMicroelectronics STMPE1208SQTRObsolete | Integrated Circuits (ICs) | IC I/O EXPANDER I2C 12B 40QFN |
STMicroelectronics STM32L1-MAGNETObsolete | Development Boards Kits Programmers | IAR EXPERIMENT STM32 L1 EVAL BRD |
STMicroelectronics VNB35N07Obsolete | Integrated Circuits (ICs) | IC PWR DRIVER N-CHAN 1:1 D2PAK |
| Series | Category | # Parts | Status | Description |
|---|---|---|---|---|
STP45N60DM6N-channel 600 V, 0.085 Ohm typ., 30 A MDmesh DM6 Power MOSFET in a TO-220 package | Single FETs, MOSFETs | 1 | Active | These high-voltage N-channel Power MOSFETs are part of the MDmesh DM6 fast-recovery diode series. Compared with the previous MDmesh fast generation, DM6 combines very low recovery charge (Qrr), recovery time (trr) and excellent improvement in RDS(on)per area with one of the most effective switching behaviors available in the market for the most demanding high-efficiency bridge topologies and ZVS phase-shift converters. |
STP45N65M5N-channel 650 V, 0.067 Ohm typ., 35 A MDmesh M5 Power MOSFET in TO-220 package | Transistors | 1 | Active | These devices are N-channel MDmesh™ V Power MOSFETs based on an innovative proprietary vertical process technology, which is combined with STMicroelectronics’ well-known PowerMESH™ horizontal layout structure. The resulting product has extremely low on-resistance, which is unmatched among silicon-based Power MOSFETs, making it especially suitable for applications which require superior power density and outstanding efficiency. |
| FETs, MOSFETs | 1 | Active | ||
STP46NF30N-channel 300 V, 63 mOhm typ., 42 A STripFET II Power MOSFET in a TO-220 package | Discrete Semiconductor Products | 1 | Active | These Power MOSFETs have been developed using STMicroelectronics’ unique STripFET process, which is specifically designed to minimize input capacitance and gate charge. This renders the devices suitable for use as primary switch in advanced high-efficiency isolated DC-DC converters for telecom and computer applications, and applications with low gate charge driving requirements. |
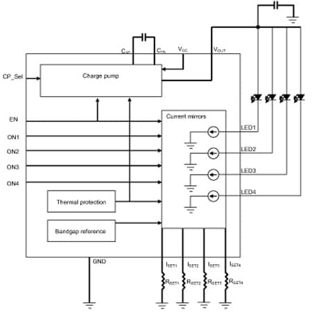
STP4CMPLow voltage 4-channel constant current LED driver with charge pump | Power Management (PMIC) | 1 | Active | The STP4CMP is a charge-pump-based 4-channel LED driver designed for RGB illumination or LCD display backlighting. The STP4CMP works off a battery with an input voltage between 2.7 V and 5.5 V. The device generates regulated current sinks with high absolute and channel-to-channel accuracy to drive up to 4 LEDs. It can support LEDs with forward voltage as high as 3.8 V. The current sink for each channel can be set with 4 individual external resistors. Each channel is controlled independently. The PWM control can be applied directly to the 4 EN (enable) pins to provide brightness control. When enabled, the charge pump, which uses a small ceramic bucket capacitor between C1Pand C1N, operates to regulate the VOUTwith a clamping voltage at typ. 5 V. The tiny QFN20 (1.8x3.2 mm) package allows the device to be also used for applications with space limitations. |
STP4LN80K5N-channel 800 V, 2.1 Ohm typ., 3 A MDmesh K5 Power MOSFET in a TO-220 package | Transistors | 1 | Active | This very high voltage N-channel Power MOSFET is designed using MDmesh™ K5 technology based on an innovative proprietary vertical structure. The result is a dramatic reduction in on-resistance and ultra-low gate charge for applications requiring superior power density and high efficiency. |
| Single | 3 | Obsolete | ||
STP4N150N-channel 1500 V, 5 Ohm typ., 4 A PowerMESH Power MOSFET in a TO-220 package | Discrete Semiconductor Products | 1 | Active | Using the well consolidated high voltage MESH OVERLAY process, STMicroelectronics has designed an advanced family of very high voltage Power MOSFETs with outstanding performances.
The strengthened layout coupled with the companys proprietary edge termination structure, gives the lowest RDS(on)per area, unrivalled gate charge and switching characteristics. |
| Transistors | 1 | Active | ||
STP4N80K5N-channel 800 V, 2.1 Ohm typ., 3 A MDmesh K5 Power MOSFET in TO-220 package | Single FETs, MOSFETs | 1 | Active | This very high voltage N-channel Power MOSFET is designed using MDmesh K5 technology based on an innovative proprietary vertical structure. The result is a dramatic reduction in on-resistance and ultra-low gate charge for applications requiring superior power density and high efficiency. |