A
Analog Devices
| Series | Category | # Parts | Status | Description |
|---|---|---|---|---|
| Part | Spec A | Spec B | Spec C | Spec D | Description |
|---|---|---|---|---|---|
| Series | Category | # Parts | Status | Description |
|---|---|---|---|---|
| Part | Spec A | Spec B | Spec C | Spec D | Description |
|---|---|---|---|---|---|
| Part | Category | Description |
|---|---|---|
Analog Devices ADM6713RAKSZ-REELObsolete | Integrated Circuits (ICs) | IC SUPERVISOR 1 CHANNEL SC70-4 |
Analog Devices | RF and Wireless | RF AMP SINGLE GENERAL PURPOSE RF AMPLIFIER 20GHZ 3.6V 22-PIN DIE TRAY |
Analog Devices | Integrated Circuits (ICs) | LOW NOISE, SWITCHED CAPACITOR REGULATED VOLTAGE INVERTERS |
Analog Devices | Integrated Circuits (ICs) | QUAD 16-BIT/12-BIT ±10V VOUTSOFTSPAN DACS WITH 10PPM/°C MAX REFERENCE |
Analog Devices | Integrated Circuits (ICs) | SERIAL 14-BIT, 3.5MSPS SAMPLING ADC WITH BIPOLAR INPUTS |
Analog Devices | Integrated Circuits (ICs) | ISOSPI ISOLATED COMMUNICATIONS INTERFACE |
Analog Devices | Integrated Circuits (ICs) | 4.5A, 500KHZ STEP-DOWN SWITCHING REGULATOR |
Analog Devices | Integrated Circuits (ICs) | 300 MA, LOW QUIESCENT CURRENT, ADJUSTABLE OUTPUT, CMOS LINEAR REGULATOR |
Analog Devices AD767KNObsolete | Integrated Circuits (ICs) | IC DAC 12BIT V-OUT 24DIP |
Analog Devices | Integrated Circuits (ICs) | QUAD 12-/10-/8-BIT RAIL-TO-RAIL DACS WITH 10PPM/°C REFERENCE |
| Series | Category | # Parts | Status | Description |
|---|---|---|---|---|
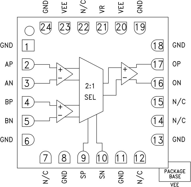
HMC85814 Gbps, 2:1 Differential Selector with Programmable Output Voltage | Interface | 2 | Active | The HMC858LC4B is a 2:1 Selector designed to sup-port data transmission rates of up to 14 Gbps, and selector port operation of up to 14 GHz. The selector routes one of the two differential inputs to the differential output upon assertion of the proper select port. The HMC858LC4B also features an output level control pin, VR, which allows for loss compensation or for signal level optimization.All differential input signals to the HMC858LC4B are terminated with 50 ohms to ground on-chip, and may be either AC or DC coupled. The outputs of the HMC858LC4B may be operated either differentially or single-ended. Outputs can be connected directly to a 50 ohm terminated system, while DC blocking capacitors may be used if the terminating system is 50 ohms to a non-ground DC voltage. The HMC858LC4B operates from a single -3.3V DC supply and is available in a ceramic RoHS-compliant, 4×4 mm SMT package.APPLICATIONS2:1 Multiplexer up to 14 Gbps16G Fiber ChannelSerial Data Transmission up to 14 GbpsRedundant Path SwitchingBuilt-in TestBroadband Test & Measurement |
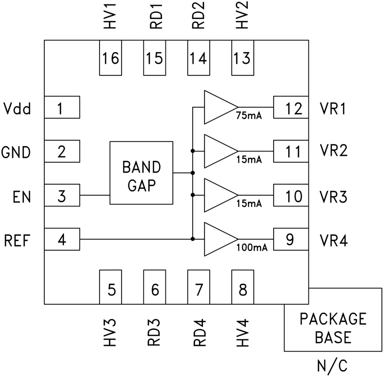
HMC860Quad Low Noise High PSRR Linear Voltage Regulator | Integrated Circuits (ICs) | 1 | Obsolete | The HMC860LP3E is a BiCMOS ultra low noise quad-output voltage regulator. It features a low noise band-gap reference externally decoupled for best in-close noise performance. High Power Supply Rejection Ratio (PSRR) in the 0.1 MHz to 10 MHz range provides excellent rejection of preceding switching regulator noise. The four voltage outputs are ideal for frequency generation subsystems including Hittite's broad line of PLLs with Integrated VCOs. Each output voltage can be adjusted higher or lower than the default value by using one external resistor.Each output can be set to 5V by grounding the corresponding HV pin. The regulator can be powered down by the TTL-compatible Enable input. The HMC860LP3E is housed in a 3 × 3mm QFN SMT package.APPLICATIONSTest InstrumentationMilitary Radios, Radar and ECMBasestation InfrastructureUltra Low Noise Frequency GenerationFractional-N Synthesizer SupplyMixed-Signal Circuit Supply |
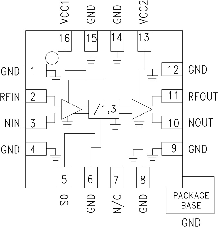
HMC86113 GHz Low Noise Programmable Divider (N = 1,3) SMT | RF Power Dividers/Splitters | 1 | Obsolete | The HMC861LP3E is a low noise programmable frequency divider in a 3 x 3 mm leadless surface mount package. The divider can be programmed to divide from N= 1,3 in the 100 MHz to 13 GHz input frequency range. The low phase noise and wide frequency range make this device ideal for high performance and wide band communication systems.ApplicationsSatellite Communication SystemsPoint-to-Point & Point-to-Multi-Point RadiosMilitary ApplicationsTest Equipment |
HMC862A0.1 GHz to 24 GHz, Low Noise, Programmable Divider | RF Power Dividers/Splitters | 3 | Active | The HMC862A is a low noise, programmable frequency divider in a 3 mm × 3 mm, leadless, surface-mount package. The frequency divider, N, can be programmed to divide from 1, 2, 4, or 8 in the 0.1 GHz to 24 GHz input frequency range.The low phase noise, wide frequency range, and flexible division ratio make this device ideal for high performance and wideband communication systems.ApplicationsSatellite communication systemsPoint to point and point to multipoint radiosMilitary applicationsTest equipment |
HMC863ALC4GaAs pHEMT MMIC 1/2 Watt Power Amplifier, 24 - 29.5 GHz | Evaluation Boards | 3 | Active | The HMC863ALC4 is a three stage GaAs pHEMT MMIC 1/2 Watt Power Amplifier which operates between 24 and 29.5 GHz. The HMC863ALC4 provides 24 dB of gain, +28.5 dBm of saturated output power and 22.5% PAE from a +5.5V supply. High output IP3 makes the HMC863ALC4 ideal for point-to-point and point-to-multi-point radio systems as well as VSAT applications. The RF I/Os are DC blocked and matched to 50 Ohms for ease of integration into higher level assemblies. The HMC863ALC4 can be operated over a Vdd range of +4.0 to +6.0V.ApplicationsPoint-to-point radiosPoint-to-multi-point radiosVSATMilitary & space |
HMC86532 Gbps Limiting Amplifier SMT | RF and Wireless | 1 | Active | The HMC865LC3 is a Limiting Amplifier packaged in a leadless 3x3 mm ceramic surface mount package which supports up to 43 Gbps operation. The amplifier provides 30 dB of differential gain. Output voltage swing is adjustable up to 800 mVP-Pdifferential by using the VAC analog control input. Additive rms jitter is less than 300 fs for 32 Gbps operation. HMC865LC3 has an internal DC offset correction circuit which provides differential 10 mVP-Pinput sensitivity.All input/output RF signals of the HMC865LC3 are terminated with 50 Ohms to +3.3V on chip and may be either AC or DC coupled. The outputs of the device can be operated either differentially or single-ended. Outputs can be connected directly to 50 Ohm terminated system referenced to 3.3V, while DC blocking capacitors may be used if the terminating system is 50 Ohms to a non 3.3V level.APPLICATIONS100 Gbps Ethernet100 Gbps Long Haul40 Gbps (D)QPSK ReceiversBroadband Gain Block for Test & Measurement Equipment |
HMC866Translinear Logarithmic Amplifier | RF Amplifiers | 1 | Active | Translinear Logarithmic Amplifier |
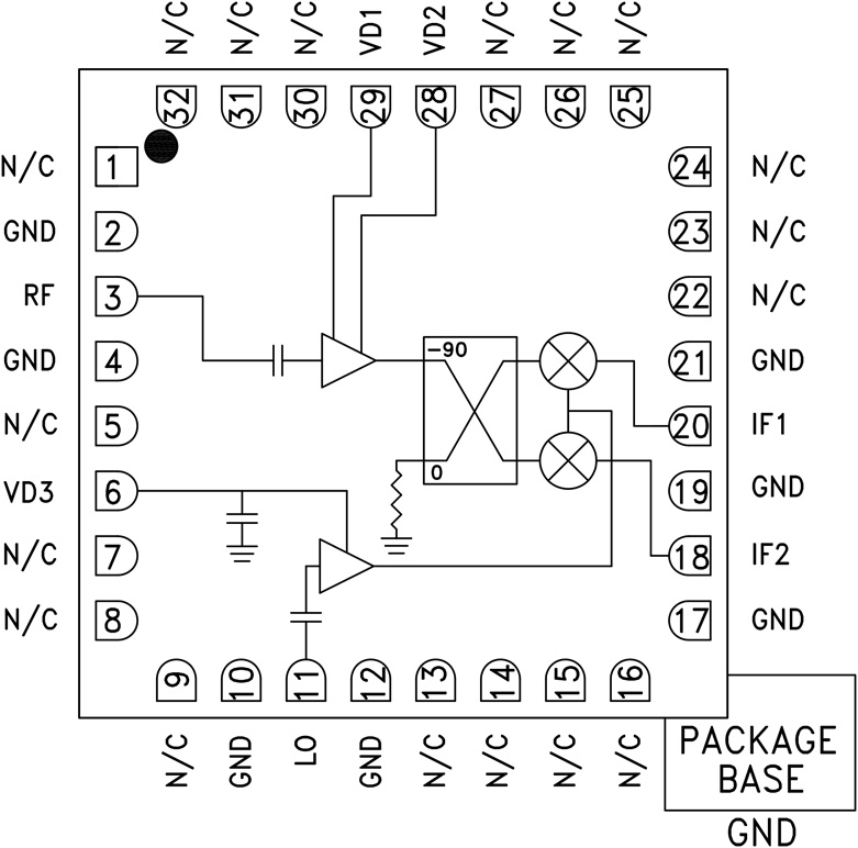
HMC869I/Q Receiver SMT, 12 - 16 GHz | RF and Wireless | 1 | Obsolete | The HMC869LC5 is a GaAs MCM I/Q downconverter in a leadless RoHS compliant SMT package. This device provides a small signal conversion gain of 14 dB with a noise figure of 2.8 dB and 32 dB of image rejection. The HMC869LC5 utilizes an LNA followed by an image reject mixer which is driven by an LO buffer amplifier. The image reject mixer eliminates the need for a filter following the LNA, and removes thermal noise at the image frequency. I and Q mixer outputs are provided and an external 90° hybrid is needed to select the required sideband. The HMC869LC5 is a much smaller alternative to hybrid style image reject mixer downconverter assemblies, and it eliminates the need for wire bonding by allowing the use of surface mount manufacturing techniques.ApplicationsPoint-to-Point and Point-to-Multi-Point RadioMilitary Radar, EW & ELINTSatellite Communications |
| RF and Wireless | 3 | Active | ||
HMC87420 Gbps Clocked Comparator with RSPECL Output Stage | Linear | 1 | Active | The HMC874LC3C is a SiGe monolithic, ultra fast comparator which features reduced swing PECL output drivers and clock inputs. The comparator supports 20 Gbps operation while providing 120 ps clock to data output delay and 60 ps minimum pulse width with 0.2 ps rms random jitter (RJ). 25 Gbps operation can be achieved with reduced output voltage swing. Overdrive and slew rate dispersion are typically 10 ps, making the device ideal for a wide range of applications from ATE to broadband communications. The reduced swing PECL output stages are designed to directly drive 400 mV into 50 Ω terminated to +1.3V while maintaining compatibility with other PECL logic families. The HMC874LC3C features high speed latches with programmable hysteresis, and is configured to operate as a clocked comparator.APPLICATIONSATE ApplicationsHigh Speed InstrumentationDigital Receiver SystemsPulse SpectroscopyHigh Speed Trigger CircuitsClock & Data Restoration |