A
Analog Devices
| Series | Category | # Parts | Status | Description |
|---|---|---|---|---|
| Part | Spec A | Spec B | Spec C | Spec D | Description |
|---|---|---|---|---|---|
| Series | Category | # Parts | Status | Description |
|---|---|---|---|---|
| Part | Spec A | Spec B | Spec C | Spec D | Description |
|---|---|---|---|---|---|
| Part | Category | Description |
|---|---|---|
Analog Devices ADM6713RAKSZ-REELObsolete | Integrated Circuits (ICs) | IC SUPERVISOR 1 CHANNEL SC70-4 |
Analog Devices | RF and Wireless | RF AMP SINGLE GENERAL PURPOSE RF AMPLIFIER 20GHZ 3.6V 22-PIN DIE TRAY |
Analog Devices | Integrated Circuits (ICs) | LOW NOISE, SWITCHED CAPACITOR REGULATED VOLTAGE INVERTERS |
Analog Devices | Integrated Circuits (ICs) | QUAD 16-BIT/12-BIT ±10V VOUTSOFTSPAN DACS WITH 10PPM/°C MAX REFERENCE |
Analog Devices | Integrated Circuits (ICs) | SERIAL 14-BIT, 3.5MSPS SAMPLING ADC WITH BIPOLAR INPUTS |
Analog Devices | Integrated Circuits (ICs) | ISOSPI ISOLATED COMMUNICATIONS INTERFACE |
Analog Devices | Integrated Circuits (ICs) | 4.5A, 500KHZ STEP-DOWN SWITCHING REGULATOR |
Analog Devices | Integrated Circuits (ICs) | 300 MA, LOW QUIESCENT CURRENT, ADJUSTABLE OUTPUT, CMOS LINEAR REGULATOR |
Analog Devices AD767KNObsolete | Integrated Circuits (ICs) | IC DAC 12BIT V-OUT 24DIP |
Analog Devices | Integrated Circuits (ICs) | QUAD 12-/10-/8-BIT RAIL-TO-RAIL DACS WITH 10PPM/°C REFERENCE |
| Series | Category | # Parts | Status | Description |
|---|---|---|---|---|
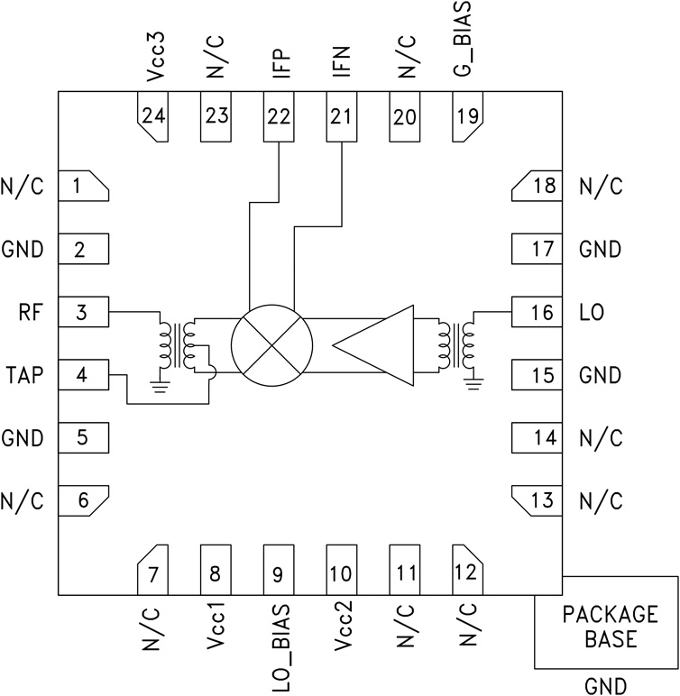
HMC689BiCMOS MMIC Mixer w/Integrated LO Amplifier, 2.0 - 2.7 GHz | RF Evaluation and Development Kits, Boards | 1 | Obsolete | The HMC689LP4(E) is a high dynamic range passive MMIC mixer with integrated LO amplifier in a 4x4 SMT QFN package covering 2.0 - 2.7 GHz. Excellent input IP3 performance of +32 dBm for down conversion is provided for 3G & 4G GSM/CDMA applications at an LO drive of 0 dBm. With an input 1 dB compression of +23 dBm, the RF port will accept a wide range of input signal levels. Conversion loss is 7.5 dB typical. The DC to 800 MHz IF frequency response will satisfy GSM/CDMA transmit or receive frequency plans. The HMC689LP4(E) is pin for pin compatible with the HMC688LP4(E) which is a 2.0 - 2.7 MHz mixer with LO amplifier, amplifier is optimized for low side LO applications.APPLICATIONSCellular/3G & LTE/WiMAX/4GBasestations & RepeatersGSM, CDMA & OFDMTransmitters and Receivers |
HMC694-DieGaAs MMIC Analog Variable Gain Amplifier, 6 - 17 GHz | RF Amplifiers | 3 | Active | The HMC694 is a GaAs MMIC PHEMT analog variable gain amplifier die which operates between 6 and 17 GHz. Ideal for microwave radio applications, the amplifier provides up to 24 dB of gain, output P1dB of up to 22 dBm, and up to 30 dBm of Output IP3 at maximum gain, while requiring only 170 mA from a +5V supply. A gate bias (Vctrl) is provided to allow variable gain control up to 23 dB. Gain flatness is excellent from 6 to 17 GHz, making the HMC694 ideal for EW, ECM and radar applications.The HMC694 can easily be integrated into Multi-Chip-Modules (MCMs) due to its small size and no external matching. All data is taken with the chip in a 50 Ohm test fixture connected via 0.025 mm (1 mil) diameter wire bond of minimal length 0.31 mm (12 mils).ApplicationsPoint-to-Point RadioPoint-to-Multi-Point RadioEW & ECMX-Band RadarTest Equipment |
HMC695x4 Active Multiplier, 11.4 - 13.2 GHz Output | RF Misc ICs and Modules | 1 | Active | The HMC695LP4(E) are active miniature x4 frequency multipliers utilizing InGaP GaAs HBT technology in 4x4 mm leadless surface mount packages. Power output is +7 dBm typical from a +5V supply voltage and varies little vs. input power, temperature and supply voltage. Suppression of undesired fundamental and sub-harmonics is >25 dBc typical with respect to output signal level. The low additive SSB phase noise of -140 dBc/Hz at 100 kHz offset helps the user maintain good system noise performance. The HMC695LP4(E) are ideal for use in LO multiplier chains allowing reduced parts count vs. traditional approaches.APPLICATIONSFiber Optic ApplicationsPoint-to-Point RadiosMilitary Radar |
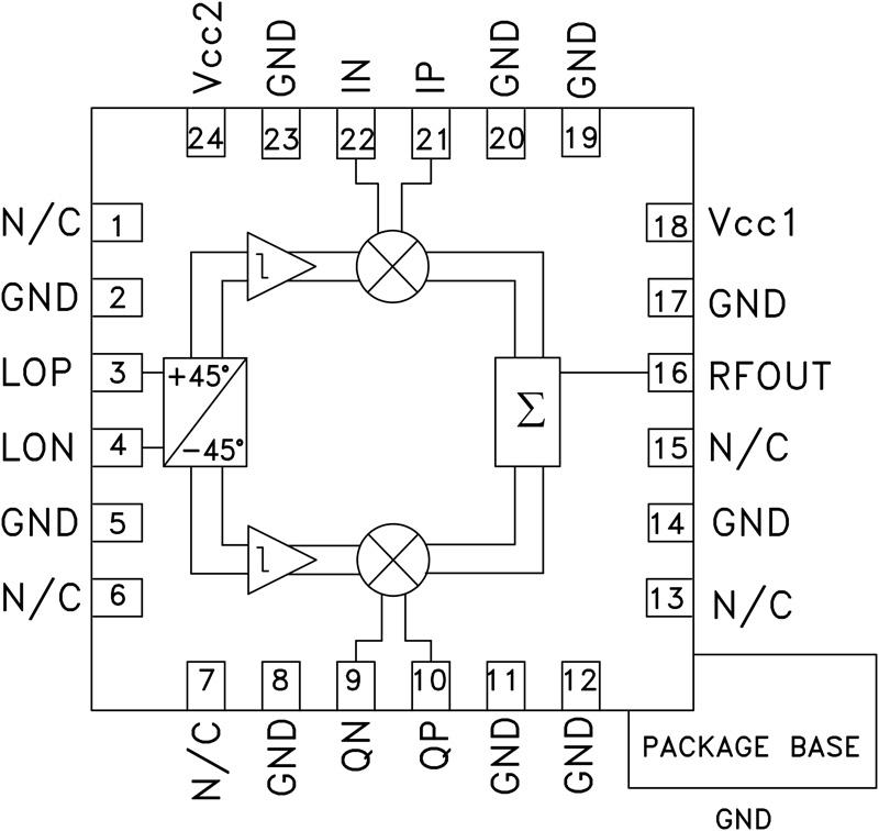
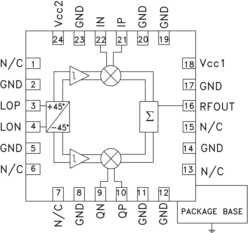
HMC696SiGe Wideband Direct Quadrature Modulator, 20 - 2700 MHz | RF and Wireless | 2 | Obsolete | The HMC696LP4E is a low noise, high linearity Direct Quadrature Modulator RFIC which is ideal for digital modulation applications from 0.02 to 2.7 GHz including software defined radio and multi-band transmitters. Housed in a compact 4x4 mm (LP4) SMT QFN package, the RFIC requires minimal external components & provides a low cost alternative to more complicated double upconversion architectures.The RF output port is single-ended and matched to 50 Ohms with no external components. The LO requires 0 to +10 dBm and can be driven in either differential or single-ended mode. This device is optimized for a +5V supply, and offers improved carrier feedthrough and sideband suppression characteristics. For higher frequency applications, the HMC697LP4E Direct Modulator covers 450 - 4000 MHz.ApplicationsGMSK, QPSK, QAM, SSB ModulatorsCellular/3G and WiMAX/4GSoftware Defined RadioMulti-Band TransmittersTest Equipment |
HMC697SMT Direct I/Q Modulator, 450 - 4000 MHz | Development Boards, Kits, Programmers | 4 | Active | The HMC697LP4(E) is a low noise, high linearity Direct Quadrature Modulator RFIC which is ideal for digital modulation applications from 0.2 to 4.0 GHz including; Cellular/3G, WiMAX/4G, Broadband Wireless Access & ISM circuits. Housed in a compact 4x4 mm (LP4) SMT QFN package, the RFIC requires minimal external components & provides a low cost alternative to more complicated double upconversion architectures.The RF output port is single-ended and matched to 50 Ohms with no external components. The LO requires -6 to +6 dBm and can be driven in either differential or single-ended mode. This device is optimized for a +5V supply, and offers improved carrier feedthrough and sideband suppression characteristics.ApplicationsUMTS, GSM or CDMA BasestationsFixed Wireless or WLLISM Transceivers, 900 & 2400 MHzGMSK, QPSK, QAM, SSB ModulatorsCellular/3G and WiMAX/4G |
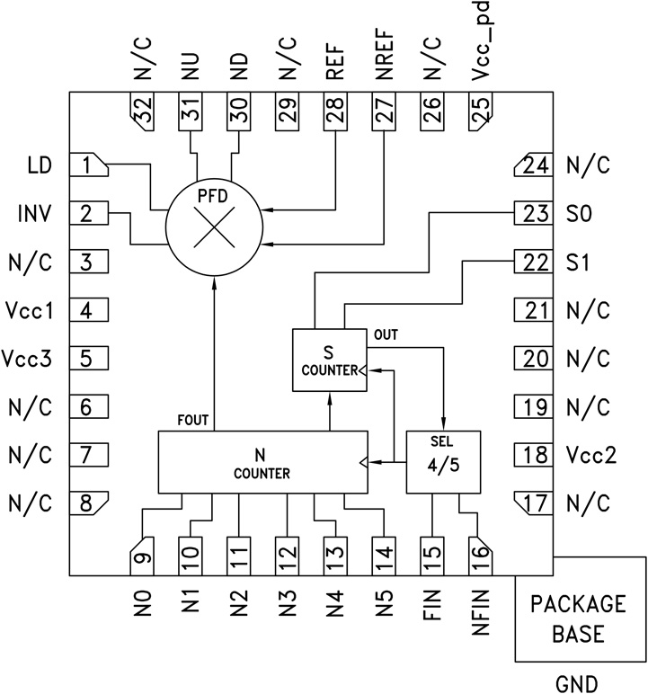
HMC6987 GHz Integer-N Synthesizer SMT | Development Boards, Kits, Programmers | 2 | Active | The HMC698LP5(E) is a frequency synthesizer with a wideband reversible polarity digital PFD and lock detect output. The divider operates unconditionally from 80 - 7000 MHz with a continuous integer division ratio of 12 to 259. The HMC698LP5(E) high frequency operation along with ultra low phase noise floor make possible synthesizers with wide loop bandwidth and low N resulting in fast settling and very low phase noise. When used in conjunction with a differential loop filter, the HMC698LP5(E) can be used to phase lock a VCO to a reference oscillator.ApplicationsSatellite Communication SystemsPoint-to-Point RadiosMilitary ApplicationsSonet Clock Generation |
HMC6980Wideband Power Amplifier Module, 0.01 - 20 GHz | RF Amplifiers | 1 | Active | The HMC6980 is a GaAs MMIC PHEMT Power Amplifier in a miniature, hermetic module with replaceable SMA connectors which operates between 0.01 GHz and 20 GHz. The amplifier provides 12 dB of gain, up to +36 dBm output IP 3 and up to +28 dBm of output power at 1 dB gain compression. Gain flatness is excellent from 2 - 18 GHz making the HMC6980 ideal for EW, ECM, Radar, Fiber Optic and test equipment applications. The wideband amplifier I/Os are internally matched to 50 Ohms and are DC blocked. Integrated voltage regulators allow for flexible biasing of both the negative and positive supply pins, while internal bias sequencing circuitry assures robust operation.ApplicationsTelecom InfrastructureMicrowave Radio & VSATMilitary & SpaceTest InstrumentationFiber Optics |
HMC69812 Watt Power Amplifier SMT, 15 - 20 GHz | RF and Wireless | 2 | Active | The HMC6981 is a four-stage GaAs pHEMT MMIC Power Amplifier with an integrated temperature compensated on-chip Power Detector, which operates between 15 and 20 GHz. The amplifier provides 26 dB of gain, +34.5 dBm of saturated output power, and 25% PAE from a +6V supply. With an excellent output IP3 of +43.5 dBm, the HMC6981 is ideal for linear applications such as high capacity point-to-point or point-to-multi-point radios or SATCOM applications demanding +34.5 dBm of efficient saturated output power. The HMC6981 is housed in a ceramic 6 x 6 mm high frequency air cavity package which exhibits low thermal resistance and is compatible with high volume surface mount manufacturing techniques. The RF I/Os are internally matched to 50 Ohms.ApplicationsPoint-to-Point RadiosPoint-to-Multi-Point RadiosSATCOM |
HMC6997 GHz Integer-N Synthesizer SMT | Evaluation Boards | 2 | Active | The HMC699LP5(E) is a frequency synthesizer with a wideband reversible polarity digital PFD and lock detect output. The divider operates from 160 - 7000 MHz with a continuous integer division ratio N = 56 to 519 and non-continuous division ratio N = 16 to 54. The HMC699LP5(E) high frequency operation along with ultra low phase noise floor make possible synthesizers with wide loop bandwidth and low N resulting in fast settling and very low phase noise. When used in conjunction with a differential loop filter, the HMC699LP5(E) can be used to phase lock a VCO to a reference oscillator. For continuous division ratio, the A counter and S counter must satisfy the condition: A + 1 ≥≥ S.APPLICATIONSSatellite Communication SystemsPoint-to-Point RadiosMilitary ApplicationsSonet Clock Generation |
| Development Boards, Kits, Programmers | 1 | Obsolete | ||