HMC666SMT BiCMOS Mixer with Integrated LO Amplifier, 3.1 - 3.9 GHz | RF Mixers | 1 | Obsolete | The HMC666LP4(E) is a high dynamic range passive MMIC mixer with integrated LO amplifier in a 4x4 SMT QFN package covering 3.1 - 3.9 GHz. Excellent input IP3 performance of +31 dBm for down conversion is provided for WiMAX and fixed wireless applications at an LO drive of 0 dBm. The LO port is optimized for low side LO applications.With an input 1 dB compression of +23 dBm, the RF port will accept a wide range of input signal levels. Conversion loss is 9 dB typical. The DC to 800 MHz IF frequency response will satisfy WiMAX transmit or receive frequency plans. The HMC666LP4(E) is pin for pin compatible with the HMC688LP4(E) which is a 2.0 - 2.7 GHz mixer with LO amplifier.APPLICATIONSWiMAX/4G & Fixed WirelessInfrastructure & RepeatersTransmitters & ReceiversTest & Measurement Equipment |
HMC667SMT Low Noise Amplifier, 2.3 to 2.7 GHz | RF Amplifiers | 2 | Obsolete | The HMC667LP2(E) is a GaAs PHEMT MMIC Low Noise Amplifier that is ideal for WiMAX, WLAN and fixed wireless receivers operating between 2300 and 2700 MHz. This self-biased LNA has been optimized to provide 0.75 dB noise figure, 19 dB gain and +29.5 dBm output IP3 from a single supply of +5V. Input and output return losses are excellent and the LNA requires minimal external matching and bias decoupling components. The HMC667LP2(E) can also operate from a +3V supply for lower power applications.ApplicationsWiMAX, WiBro & Fixed WirelessSDARS & WLAN ReceiversInfrastructure & RepeatersAccess PointsTelematics & DMB |
HMC674LP3E9.3 GHz Latched Comparator with RSPECL Output Stage | Integrated Circuits (ICs) | 3 | Active | The HMC674LP3E are silicon germanium (SiGe), monolithic, ultrafast comparators that feature reduced swing positive emitter-coupled logic (RSPECL) output drivers and latch inputs. These comparators support 10 Gbps operation and provide 85 ps propagation delay and an input signal minimum pulse width of 60 ps with 0.2 ps rms of random jitter (RJ). Overdrive and slew rate dispersion is typically 10 ps, making the HMC674LP3E ideal for a wide range of applications from ATE to broadband communications. The RSPECL output stages directly drive 400 mV into a 50 Ω resistor terminated to VTT= (VCCO− 2.0 V), where VTTis the PECL termination voltage (see Figure 16). The HMC674LP3E feature a high speed latch and programmable hysteresis. These devices can operate in either latch mode or as a tracking comparator.ApplicationsAutomatic test equipment (ATE) applicationsHigh speed instrumentationDigital receiver systemsPulse spectroscopyHigh speed trigger circuitsClock and data restoration |
HMC675LP3ELatched Comparator with RSCML Output Stage SMT, 10 GHz. | Evaluation and Demonstration Boards and Kits | 5 | Active | The HMC675LP3E is a SiGe monolithic, ultra fast comparator which features reduced swing CML output drivers and latch inputs. The comparator supports 10 Gbps operation while providing 100 ps propagation delay and 60 ps minimum pulse width with 0.2 ps rms random jitter (RJ). Overdrive and slew rate dispersion are typically 10 ps, making the device ideal for a wide range of applications from ATE to broadband communications.The reduced swing CML output stage is designed to directly drive 400 mV into 50 Ohms terminated to GND. The HMC675LP3E features high speed latch and programmable hysteresis and may be configured to operate in either latch mode, or as a tracking comparator.APPLICATIONSATE ApplicationsHigh Speed InstrumentationDigital Receiver SystemsPulse SpectroscopyHigh Speed Trigger CircuitsClock & Data Restoration |
| Linear | 1 | Obsolete | |
| RF Misc ICs and Modules | 1 | Obsolete | |
HMC678SMT 13 Gbps, 2:1 Selector | RF Misc ICs and Modules | 4 | Active | The HMC678LC3C is a 2:1 Selector designed to support data transmission rates of up to 13 Gbps, and selector port operation of up to 13 GHz. The selector routes one of the two single-ended inputs to the differential output upon assertion of the proper select port. All single-ended input signals to the HMC678LC3C are terminated with 50 ohms to ground on-chip, and may be either AC or DC coupled.The outputs of the HMC678LC3C may be operated either differentially or single-ended. Outputs can be connected directly to a 50 ohm terminated system, while DC blocking capacitors may be used if the terminating system is 50 ohms to a non-ground DC voltage. The HMC678LC3C operates from a single -3.3V dc supply and is available in a ceramic RoHS compliant 3x3 mm SMT package.APPLICATIONS2:1 Multiplexer up to 13 GbpsRF ATE ApplicationsBroadband Test & MeasurementSerial Data Transmission up to 13 GbpsRedundant Path SwitchingBuilt-in Test |
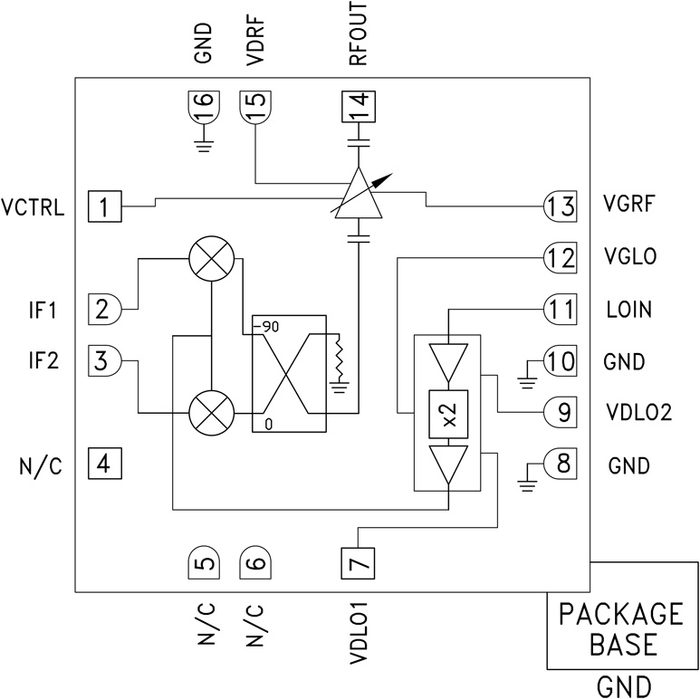
HMC6787AGaAs MMIC I/Q Upconverter, 37 - 40 GHz | RF Misc ICs and Modules | 2 | Active | The HMC6787ALC5A is a compact GaAs MMIC I/Q variable gain upconverter in a leadless RoHS compliant SMT package. This device provides a small signal conversion gain of 11 dB with 17 dBc of sideband rejection, and 13 dB of gain control. The HMC6787ALC5A utilizes a RF variable gain amplifier preceded by an I/Q mixer where the LO is driven by a X2 multiplier. IF1 and IF2 mixer inputs are provided and an external 90° hybrid is needed to select the required sideband. The I/Q mixer topology reduces the need for filtering of the unwanted sideband. The HMC6787ALC5A is a much smaller alternative to hybrid style single sideband upconverter assemblies and it eliminates the need for wire bonding by allowing the use of surface mount manufacturing techniques.APPLICATIONSPoint-to-Point and Point-to-Multi-Point RadioMilitary Radar, EW & ELINTSatellite CommunicationsSensors |
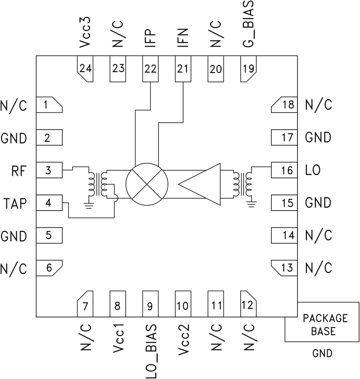
HMC6789BGaAs MMIC I/Q Downconverter 37 - 44 GHz | RF and Wireless | 3 | Active | The HMC6789BLC5A is a compact GaAs MMIC I/Q downconverter in a 12-terminal, RoHS compliant, ceramic leadless chip carrier (LCC) package. This device provides a small signal conversion gain of 14 dB with 25 dBc of image rejection. The HMC6789BLC5A utilizes a low noise amplifier to drive the I/Q mixer where the LO is driven by a ×2 multiplier. IF1 and IF2 mixer inputs are provided and an external 90° hybrid is needed to select the required sideband. The I/Q mixer topology reduces the need for filtering of the unwanted sideband. The HMC6789BLC5A is a much smaller alternative to hybrid style single sideband downconverter assemblies and it eliminates the need for wire bonding by allowing the use of surface mount manufacturing techniques.ApplicationsPoint-to-Point and Point-to-Multi-Point RadiosMilitary Radar, EW & ELINTSatellite CommunicationsSensors |
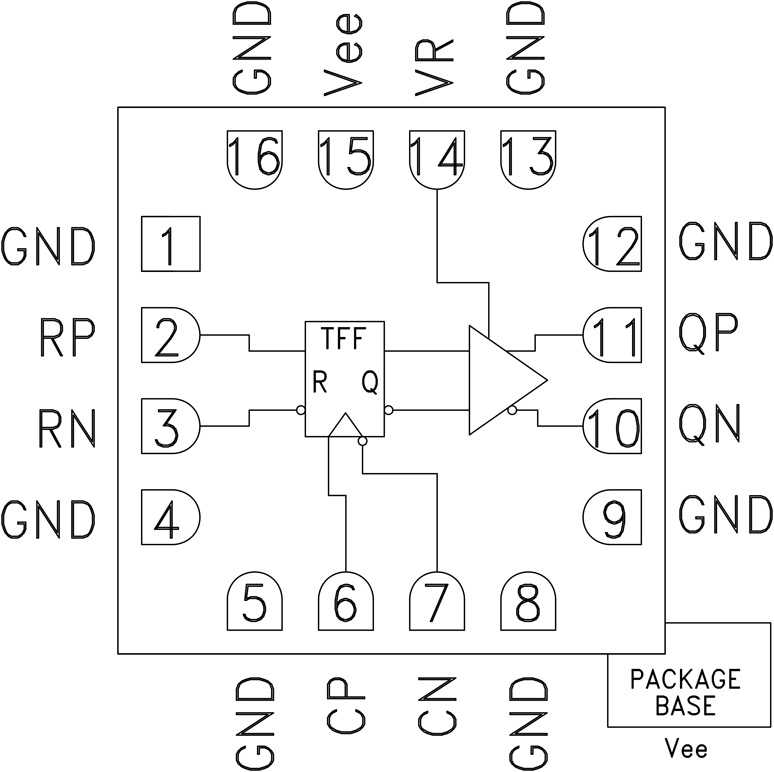
HMC67926 GHz, T Flip-Flop with RESET & Programmable Output Voltage | RF Misc ICs and Modules | 1 | Obsolete | The HMC679LC3C is a T Flip-Flop w/Reset designed to support clock frequencies as high as 26 GHz. During normal operation, with the reset pin not asserted, the output toggles from its prior state on the positive edge of the clock. This results in a divide-by-two function of the clock input. Asserting the reset pin forces the Q output low regardless of the clock edge state (asynchronous reset assertion). Reversing the clock inputs allows for negative-edge triggered applications.The HMC679LC3C also features an output level control pin, VR, which allows for loss compensation or for signal level optimization. All input signals to the HMC679LC3C are terminated with 50Ω to ground on-chip, and may be either AC or DC coupled. Outputs can be connected directly to a 50Ω terminated system, while DC blocking capacitors may be used if the terminating system is 50Ω to a non-ground DC voltage. The HMC679LC3C operates from a single -3.3V dc supply and is available in a ceramic RoHS compliant 3x3 mm SMT package.APPLICATIONSSerial Data Transmission up to 26 GbpsHigh Speed Frequency Divider (up to 26 GHz)Broadband Test & MeasurementRF ATE Applications |