HMC681A0.5 dB LSB GaAs MMIC 6-BIT Digital Variable Gain Amplifier with Serial Control, DC - 1 GHz | RF and Wireless | 2 | Obsolete | The HMC681ALP5E is a digitally controlled variable gain amplifier which operates from DC to 1 GHz, and can be programmed to provide anywhere from 13.5 dB, to 45 dB of gain, in 0.5 dB steps. The HMC681ALP5E delivers noise figure of 2.8 dB in its maximum gain state, with output IP3 of up to +36 dBm in any state. This serially controlled digital VGA incorporates off chip AC ground capacitors for near DC operation, making it suitable for a wide variety of RF and IF applications. The HMC681ALP5E is housed in a RoHS compliant 5x5 mm QFN leadless package, and provides the user with a highly integrated solution. This functionality is also available with parallel control as the HMC626ALP5E.ApplicationsIF & RF ApplicationsCellular/3G InfrastructureWiBro / WiMAX / 4GMicrowave Radio & VSATTest Equipment and Sensors |
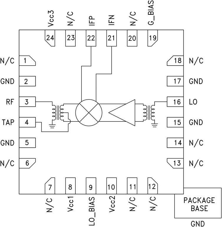
HMC683High IP3 Dual Downconverter SMT, w/LO Switch, 0.7 - 1.0 GHz | RF Mixers | 1 | Obsolete | The HMC683LP6C(E) is a high linearity, dual channel downconverter with integrated LO amplifier in a 6x6 SMT QFN package covering 0.7 - 1.0 GHz. Excellent input IP3 performance of +23 dBm for down conversion is provided for 3G & 4G GSM/CDMA applications at an LO drive of 0 dBm. With an input 1 dB compression of +11 dBm, the RF port will accept a wide range of input signal levels. Conversion gain is 7.5 dB typical. The 60 - 500 MHz IF frequency response will satisfy various GSM/CDMA receive frequency plans.APPLICATIONSCellular/3G & LTE/WiMAX/4GBasestations & RepeatersGSM, CDMA & OFDMDual Density Receivers |
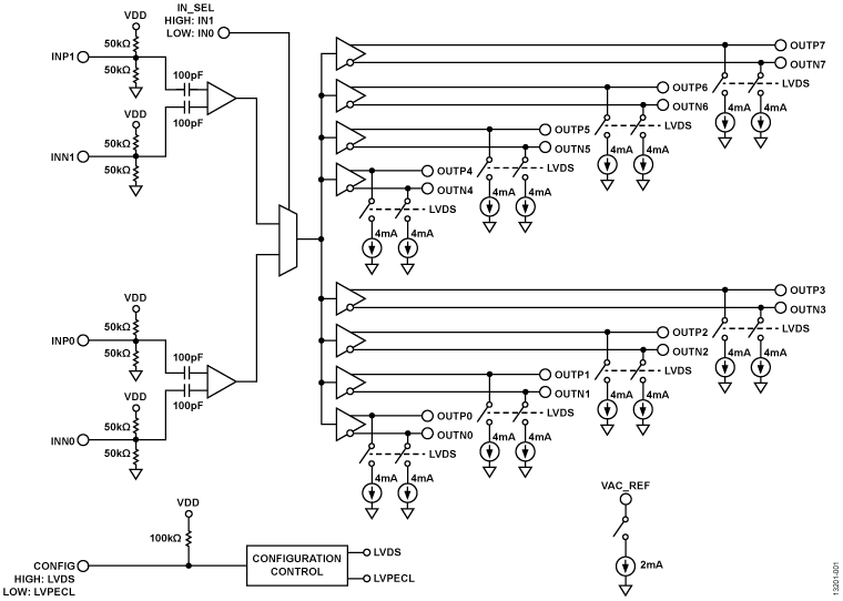
HMC6832Low Noise, 2:8 Differential, Fanout Buffer | Integrated Circuits (ICs) | 1 | Obsolete | The HMC6832 is an input selectable, 2:8 differential fanout buffer designed for low noise clock distribution. The IN_SEL control pin selects one of the two differential inputs. This input is then buffered to all eight differential outputs. The low jitter outputs of the HMC6832 lead to synchronized low noise switching of downstream circuits, such as mixers, analog-todigital converters (ADCs)/digital-to-analog converters (DACs), or serializer/deserializer (SERDES) devices. The device is capable of low voltage, positive emitter-coupled logic (LVPECL) or low voltage differential signaling (LVDS) configurations by pulling the CONFIG pin low for LVPECL or high or open (internally pulled high) for pseudo LVDS.Product HighlightsMultiple Output Configurations.The CONFIG pin allows the user to select LVPECL or LVDS output termination.Multiple Supply Voltage Operation.The HMC6832 operates at 2.5 V or 3.3 V for LVPECL terminations (2.5 V only for LVDS).Low Noise.The HMC6832 noise is low, typically from −168 dBc/Hz to −162 dBc/Hz up to 3000 MHz.Low Propagation Delay.The HMC6832 displays a low delay, less than 207 ps, typical. Channel skew is also low, ±5 ps, typical.Low Core Current.The HMC6832 has a low core current of 56 mA, typical.ApplicationsSONET, Fibre Channel, GigE clock distributionADC/DAC clock distributionLow skew and jitter clocksWireless/wired communicationsLevel translationHigh performance instrumentationMedical imagingSingle-ended to differential conversions |
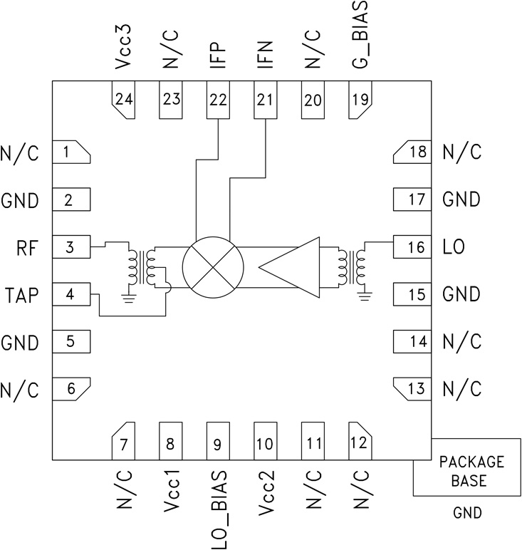
HMC684BiCMOS Mixer w/Integrated LO Amplifier, 700 - 1000 MHz | RF and Wireless | 1 | Obsolete | The HMC684LP4(E) is a high dynamic range passive MMIC mixer with integrated LO amplifier in a 4x4 SMT QFN package covering 0.7 to 1.0 GHz. Excellent input IP3 performance of +30 dBm for down conversion is provided for 3G & 4G GSM/CDMA applications at an LO drive of 0 dBm. With an input 1 dB compression of +25 dBm, the RF port will accept a wide range of input signal levels. Conversion loss is 7 dB typical. The DC to 450 MHz IF frequency response will satisfy GSM/CDMA transmit or receive frequency plans. The HMC684LP4(E) is pin for pin compatible with the HMC685LP4(E) which is a 1.7 - 2.2 GHz mixer with LO amplifier.APPLICATIONSCellular/3G & LTE/WiMAX/4GBasestations & RepeatersGSM, CDMA & OFDMTransmitters and Receivers |
HMC685BiCMOS Mixer w/Integrated LO Amplifier, 1.7 - 2.2 GHz | RF Mixers | 1 | Obsolete | The HMC685LP4(E) is a high dynamic range passive MMIC mixer with integrated LO amplifier in a 4x4 SMT QFN package covering 1.7 to 2.2 GHz. Excellent input IP3 performance of +32 dBm for down conversion is provided for 3G & 4G GSM/CDMA applications at an LO drive of 0 dBm. With an input 1 dB compression of +27 dBm, the RF port will accept a wide range of input signal levels. Conversion loss is 8 dB typical. The DC to 500 MHz IF frequency response will satisfy GSM/CDMA transmit or receive frequency plans. The HMC685LP4(E) is pin for pin compatible with the HMC684LP4(E) which is a 700 - 1000 MHz mixer with LO amplifier.APPLICATIONSCellular/3G & LTE/WiMAX/4GBasestations & RepeatersGSM, CDMA & OFDMTransmitters and Receivers |
HMC686BiCMOS Mixer w/Integrated LO Amplifier, 700 - 1500 MHz | Evaluation Boards | 3 | Obsolete | The HMC686LP4(E) is a high dynamic range passive MMIC mixer with integrated LO amplifier in a 4x4 SMT QFN package covering 0.7 to 1.1 GHz. Excellent input IP3 performance of +34 dBm for down conversion is provided for 3G & 4G GSM/CDMA applications at an LO drive of 0 dBm. With an input 1 dB compression of +25 dBm, the RF port will accept a wide range of input signal levels. Conversion loss is 7.5 dB typical. The DC to 500 MHz IF frequency response will satisfy GSM/CDMA transmit or receive frequency plans.The HMC686LP4(E) is optimized to high side LO frequency plans for 0.7 - 1.1 GHz RF Band and is pin for pin compatible with the HMC684LP4(E) which is a 0.7 - 1.0 GHz converter optimized for low side LO. The HMC686LP4(E) is optimized to low side LO frequency plans for 1.4 - 1.5 GHz RF LTE band applications.APPLICATIONSCellular/3G & LTE/WiMAX/4GBasestations & RepeatersGSM, CDMA & OFDMTransmitters and Receivers |
| Clock/Timing | 2 | Obsolete | |
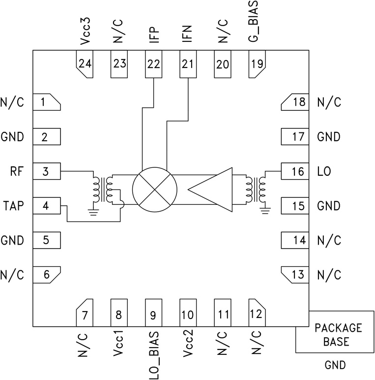
HMC688BiCMOS MMIC Mixer w/ Integrated LO Amplifier, 2.0 - 2.7 GHz | RF Mixers | 1 | Obsolete | The HMC688LP4(E) is a high dynamic range passive MMIC mixer with integrated LO amplifier in a 4 × 4 SMT QFN package covering 2.0 to 2.7 GHz. Excellent input IP3 performance of +35 dBm for down conversion is provided for 3G & 4G GSM/CDMA applications at an LO drive of 0 dBm.With an input 1 dB compression of +25 dBm, the RF port will accept a wide range of input signal levels. Conversion loss is 7.5 dB typical. The DC to 700 MHz IF frequency response will satisfy GSM/CDMA transmit or receive frequency plans. The HMC688LP4(E) is pin for pin compatible with the HMC689LP4(E) which is a 2.0 to 2.7 GHz mixer with LO amplifier optimized for high side LO applications.APPLICATIONSCellular/3G & LTE/WiMAX/4GBasestations & RepeatersGSM, CDMA & OFDMTransmitters and Receivers |
| Filters - Active | 1 | Obsolete | |
| Integrated Circuits (ICs) | 1 | Obsolete | |