A
Analog Devices Inc./Maxim Integrated
| Series | Category | # Parts | Status | Description |
|---|---|---|---|---|
| Part | Spec A | Spec B | Spec C | Spec D | Description |
|---|---|---|---|---|---|
| Series | Category | # Parts | Status | Description |
|---|---|---|---|---|
| Part | Spec A | Spec B | Spec C | Spec D | Description |
|---|---|---|---|---|---|
| Part | Category | Description |
|---|---|---|
Analog Devices Inc./Maxim Integrated LTC1879EGN#TRUnknown | Integrated Circuits (ICs) | IC REG BUCK ADJ 1.2A 16SSOP |
Analog Devices Inc./Maxim Integrated LTC2208CUP#TRUnknown | Integrated Circuits (ICs) | IC ADC 16BIT 130MSPS 64-QFN |
Analog Devices Inc./Maxim Integrated ADP2108ACBZ-1.1-R7Obsolete | Integrated Circuits (ICs) | IC REG BUCK 1.1V 600MA 5WLCSP |
Analog Devices Inc./Maxim Integrated EV1HMC832ALP6GObsolete | Development Boards Kits Programmers | EVAL BOARD FOR HMC832ALP6GE |
Analog Devices Inc./Maxim Integrated LTC488ISWUnknown | Integrated Circuits (ICs) | IC LINE RCVR RS485 QUAD 16-SOIC |
Analog Devices Inc./Maxim Integrated LTC6946IUFD-2Obsolete | Integrated Circuits (ICs) | IC CLK/FREQ SYNTH 28QFN |
Analog Devices Inc./Maxim Integrated MAX5556ESA+TObsolete | Integrated Circuits (ICs) | IC DAC/AUDIO 16BIT 50K 8SOIC |
Analog Devices Inc./Maxim Integrated EVAL-FLTR-LD-1RZUnknown | Unclassified | EVAL BRD FOR AD800 SERIES |
Analog Devices Inc./Maxim Integrated | Development Boards Kits Programmers | BOARD EVAL FOR AD9963 |
Analog Devices Inc./Maxim Integrated LTC1296CCSW#TRUnknown | Integrated Circuits (ICs) | IC DATA ACQ SYS 12BIT 5V 20SOIC |
| Series | Category | # Parts | Status | Description |
|---|---|---|---|---|
| Digital to Analog Converters (DACs) Evaluation Boards | 4 | Active | ||
MAX5259+3V/+5V, Low-Power, 8-Bit Octal DACs with Rail-to-Rail Output Buffers | Digital to Analog Converters (DAC) | 3 | Active | The MAX5258/MAX5259 are +3V/+5V single-supply, digital serial-input, voltage-output, 8-bit octal digital-to-analog converters (DACs). Internal precision buffers swing rail-to-rail, and the reference input range extends from ground to the positive supply. Both the +5V (MAX5258) and the +3V (MAX5259) feature a 10µA (max) shutdown mode.The serial interface is double buffered: a 16-bit input shift register is followed by eight 8-bit input registers and eight 8-bit DAC registers. The 16-bit serial word consists of 2 "don't care" bits, 3 address bits, 3 control bits, and 8 data bits. Both the input and DAC registers can be updated independently or simultaneously with a single software command. The asynchronous control input, active-low LDAC, provides simultaneous updating of all 8 DAC registers.The interface is compatible with SPI™, QSPI™ (CPOL = CPHA = 0 or CPOL = CPHA = 1), and MICROWIRE™. A buffered digital data output allows daisy-chaining of serial devices.The MAX5258/MAX5259 are available in a 16-pin QSOP package.ApplicationsDigital Gain and Offset ControlPortable InstrumentationProgrammable AttenuatorsProgrammable Current Sources |
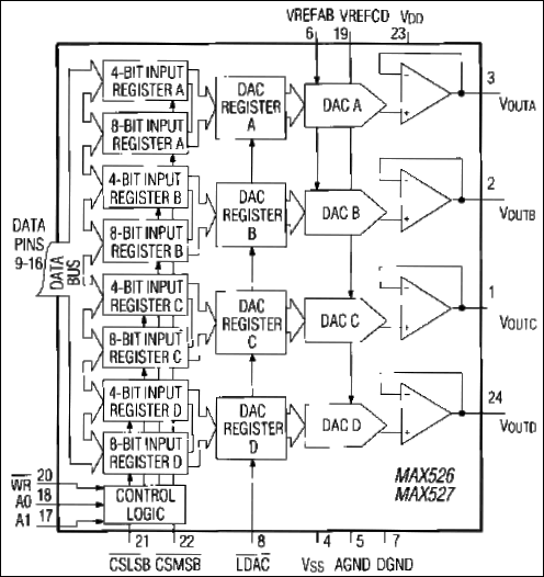
MAX526Calibrated, Quad, Voltage-Output, 12-Bit DAC | Data Acquisition | 19 | Active | The MAX526/MAX527 contain four 12-bit, voltage-output digital-to-analog converters (DACs). Precision output buffer amplifiers are included on-chip to provide voltage outputs. The MAX527 operates with ±5V power supplies, while the MAX526 utilizes -5V and +12V to +15V supplies. Offset, gain, and linearity are factory calibrated to provide the MAX526’s 1LSB total unadjusted error (TUE).These devices feature double-buffered interface logic with a 12-bit input register and a 12-bit DAC register. Data in the DAC register sets the DAC output voltage. The MAX526/MAX527 have an 8-bit-wide data bus. Data is loaded into the input register using the two write operations with an 8-bit LSB write load and a 4-bit MSB write load. An asynchronous load DAC (active-low LDAC) input transfers data from the input register to the DAC register. All logic inputs are TTL and CMOS compatible.The MAX526/MAX527 are available in 24-pin, 300 mil plastic DIP, Ceramic SB, and wide SO packages.ApplicationsArbitrary Function GeneratorsAutomatic Test EquipmentDigital Offset and Gain AdjustmentIndustrial Process ControlsMinimum Component Count Analog Systems |
| Digital to Analog Converters (DAC) | 2 | Obsolete | ||
MAX527Calibrated, Quad, Voltage-Output, 12-Bit DAC | Data Acquisition | 15 | Active | The MAX526/MAX527 contain four 12-bit, voltage-output digital-to-analog converters (DACs). Precision output buffer amplifiers are included on-chip to provide voltage outputs. The MAX527 operates with ±5V power supplies, while the MAX526 utilizes -5V and +12V to +15V supplies. Offset, gain, and linearity are factory calibrated to provide the MAX526’s 1LSB total unadjusted error (TUE).These devices feature double-buffered interface logic with a 12-bit input register and a 12-bit DAC register. Data in the DAC register sets the DAC output voltage. The MAX526/MAX527 have an 8-bit-wide data bus. Data is loaded into the input register using the two write operations with an 8-bit LSB write load and a 4-bit MSB write load. An asynchronous load DAC (active-low LDAC) input transfers data from the input register to the DAC register. All logic inputs are TTL and CMOS compatible.The MAX526/MAX527 are available in 24-pin, 300 mil plastic DIP, Ceramic SB, and wide SO packages.ApplicationsArbitrary Function GeneratorsAutomatic Test EquipmentDigital Offset and Gain AdjustmentIndustrial Process ControlsMinimum Component Count Analog Systems |
| Digital to Analog Converters (DAC) | 15 | Active | ||
| Data Acquisition | 14 | Active | ||
MAX5290Buffered, Fast-Settling, Dual, 12-/10-/8-Bit, Voltage-Output DACs | Integrated Circuits (ICs) | 2 | Active | The MAX5290–MAX5295 dual, 12-/10-/8-bit, voltage-output digital-to-analog converters (DACs) offer buffered outputs and a 3µs maximum settling time at the 12-bit level. The DACs operate from a 2.7V to 5.25V analog supply and a separate 1.8V to 3.6V digital supply. The 20MHz 3-wire serial interface is compatible with SPI™, QSPI™, MICROWIRE™, and digital signal processor (DSP) protocol applications. Multiple devices can share a common serial interface in direct access or daisy-chained configuration. The MAX5290–MAX5295 provide two multifunctional, user-programmable, digital I/O ports. The externally selectable power-up states of the DAC outputs are either zero scale, midscale, or full scale. Software-selectable FAST and SLOW settling modes decrease settling time in FAST mode, or reduce supply current in SLOW mode.The MAX5290/MAX5291 are 12-bit DACs, the MAX5292/MAX5293 are 10-bit DACs, and the MAX5294/MAX5295 are 8-bit DACs. The MAX5290/MAX5292/MAX5294 provide unity-gain-configured output buffers, while the MAX5291/MAX5293/MAX5295 provide force-sense-configured output buffers. The MAX5290–MAX5295 are specified over the extended -40°C to +85°C temperature range, and are available in space-saving 4mm x 4mm, 16-pin thin QFN and 6.5mm x 5mm, 14-pin and 16-pin TSSOP packages.ApplicationsAutomated Test Equipment (ATE)Automatic TuningDigital Offset and Gain AdjustmentsFast Parallel DAC to Serial DAC UpgradesIndustrial Process ControlsMicroprocessor (µP)-Controlled SystemsMotion ControlPortable InstrumentationPower Amplifier ControlProgrammable AttenuatorsProgrammable Voltage and Current Sources |
MAX5291Buffered, Fast-Settling, Dual, 12-/10-/8-Bit, Voltage-Output DACs | Data Acquisition | 1 | Active | The MAX5290–MAX5295 dual, 12-/10-/8-bit, voltage-output digital-to-analog converters (DACs) offer buffered outputs and a 3µs maximum settling time at the 12-bit level. The DACs operate from a 2.7V to 5.25V analog supply and a separate 1.8V to 3.6V digital supply. The 20MHz 3-wire serial interface is compatible with SPI™, QSPI™, MICROWIRE™, and digital signal processor (DSP) protocol applications. Multiple devices can share a common serial interface in direct access or daisy-chained configuration. The MAX5290–MAX5295 provide two multifunctional, user-programmable, digital I/O ports. The externally selectable power-up states of the DAC outputs are either zero scale, midscale, or full scale. Software-selectable FAST and SLOW settling modes decrease settling time in FAST mode, or reduce supply current in SLOW mode.The MAX5290/MAX5291 are 12-bit DACs, the MAX5292/MAX5293 are 10-bit DACs, and the MAX5294/MAX5295 are 8-bit DACs. The MAX5290/MAX5292/MAX5294 provide unity-gain-configured output buffers, while the MAX5291/MAX5293/MAX5295 provide force-sense-configured output buffers. The MAX5290–MAX5295 are specified over the extended -40°C to +85°C temperature range, and are available in space-saving 4mm x 4mm, 16-pin thin QFN and 6.5mm x 5mm, 14-pin and 16-pin TSSOP packages.ApplicationsAutomated Test Equipment (ATE)Automatic TuningDigital Offset and Gain AdjustmentsFast Parallel DAC to Serial DAC UpgradesIndustrial Process ControlsMicroprocessor (µP)-Controlled SystemsMotion ControlPortable InstrumentationPower Amplifier ControlProgrammable AttenuatorsProgrammable Voltage and Current Sources |
| Data Acquisition | 1 | Active | ||