A
Analog Devices Inc./Maxim Integrated
| Series | Category | # Parts | Status | Description |
|---|---|---|---|---|
| Part | Spec A | Spec B | Spec C | Spec D | Description |
|---|---|---|---|---|---|
| Series | Category | # Parts | Status | Description |
|---|---|---|---|---|
| Part | Spec A | Spec B | Spec C | Spec D | Description |
|---|---|---|---|---|---|
| Part | Category | Description |
|---|---|---|
Analog Devices Inc./Maxim Integrated LTC1879EGN#TRUnknown | Integrated Circuits (ICs) | IC REG BUCK ADJ 1.2A 16SSOP |
Analog Devices Inc./Maxim Integrated LTC2208CUP#TRUnknown | Integrated Circuits (ICs) | IC ADC 16BIT 130MSPS 64-QFN |
Analog Devices Inc./Maxim Integrated ADP2108ACBZ-1.1-R7Obsolete | Integrated Circuits (ICs) | IC REG BUCK 1.1V 600MA 5WLCSP |
Analog Devices Inc./Maxim Integrated EV1HMC832ALP6GObsolete | Development Boards Kits Programmers | EVAL BOARD FOR HMC832ALP6GE |
Analog Devices Inc./Maxim Integrated LTC488ISWUnknown | Integrated Circuits (ICs) | IC LINE RCVR RS485 QUAD 16-SOIC |
Analog Devices Inc./Maxim Integrated LTC6946IUFD-2Obsolete | Integrated Circuits (ICs) | IC CLK/FREQ SYNTH 28QFN |
Analog Devices Inc./Maxim Integrated MAX5556ESA+TObsolete | Integrated Circuits (ICs) | IC DAC/AUDIO 16BIT 50K 8SOIC |
Analog Devices Inc./Maxim Integrated EVAL-FLTR-LD-1RZUnknown | Unclassified | EVAL BRD FOR AD800 SERIES |
Analog Devices Inc./Maxim Integrated | Development Boards Kits Programmers | BOARD EVAL FOR AD9963 |
Analog Devices Inc./Maxim Integrated LTC1296CCSW#TRUnknown | Integrated Circuits (ICs) | IC DATA ACQ SYS 12BIT 5V 20SOIC |
| Series | Category | # Parts | Status | Description |
|---|---|---|---|---|
| Digital to Analog Converters (DAC) | 1 | Obsolete | ||
| Data Acquisition | 2 | Active | ||
| Integrated Circuits (ICs) | 22 | Active | ||
| Data Acquisition | 5 | Active | ||
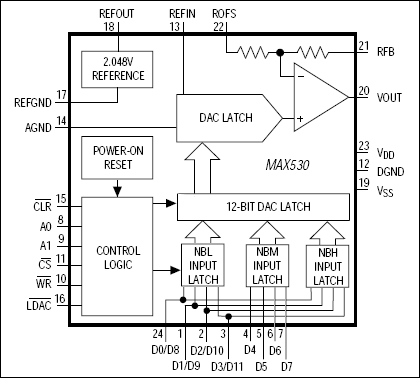
MAX530410-Bit Voltage-Output DAC in 8-Pin µMAX | Integrated Circuits (ICs) | 4 | Active | The MAX5304 combines a low-power, voltage-output, 10-bit digital-to-analog converter (DAC) and a precision output amplifier in an 8-pin µMAX package. It operates from a single +5V supply, drawing less than 280µA of supply current.The output amplifier's inverting input is available to the user, allowing specific gain configurations, remote sensing, and high output-current capability. This makes the MAX5304 ideal for a wide range of applications, including industrial process control. Other features include a software shutdown and power-on reset.The serial interface is SPI™/QSPI™/MICROWIRE™ compatible. The DAC has a double-buffered input, organized as an input register followed by a DAC register. A 16-bit serial word loads data into the input register. The DAC register can be updated independently or simultaneously with the input register. All logic inputs are TTL/CMOS-logic compatible and buffered with Schmitt triggers to allow direct interfacing to optocouplers.ApplicationsDigital Gain and Offset ControlIndustrial Process ControlsMicroprocessor-Controlled SystemsPortable Test InstrumentsRemote Industrial Controls |
| Data Acquisition | 2 | Active | ||
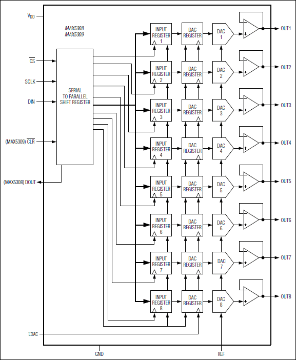
MAX5307Low-Power, Low-Glitch, Octal 12-Bit Voltage-Output DACs with Serial Interface | Data Acquisition | 2 | Active | The MAX5306/MAX5307 are 12-bit, eight channel, low-power, voltage-output, digital-to-analog converters (DACs) in a space-saving 16-pin TSSOP package. The wide +2.7V to +5.5V supply voltage range and less than 215µA (max) supply current per DAC are excellent for low-power and low-voltage applications. The low 2nV/s glitch energy of the MAX5306/MAX5307 makes them ideal for digital control of fast-response, closed-loop systems.The MAX5306 has a digital output (DOUT) that can be used for daisy-chaining multiple devices. The MAX5307 has a hardware reset input (active-low CLR) which clears all registers and DACs to zero. The MAX5306/MAX5307 have a software shutdown feature that reduces the supply current to 1µA. The MAX5306/MAX5307 feature a load DAC (active-low LDAC) function that updates the output of all eight DACs simultaneously. The 3-wire SPI™, QSPI™, MICROWIRE™ and DSP-compatible serial interface allows the input and DAC registers to be updated independently or simultaneously with a single software command. These devices use a double-buffered design to minimize the digital-noise feedthrough from the digital inputs to the outputs.The MAX5306/MAX5307 operating temperature range is from -40°C to +85°C.ApplicationsControl of Optical ComponentsGain and Offset AdjustmentPortable Instrumentation EquipmentPower Amplifier ControlProcess-Control I/O Boards |
MAX5308Low-Power, Low-Glitch, Octal 10-Bit Voltage-Output DACs with Serial Interface | Data Acquisition | 2 | Active | The MAX5308/MAX5309 are 10-bit, eight channel, low-power, voltage-output, digital-to-analog converters (DACs) in a space-saving 16-pin TSSOP package. The wide +2.7V to +5.5V supply voltage range and less than 215µA (max) supply current per DAC are excellent for low-power and low-voltage applications. The low 2nV-s glitch energy of the MAX5308/MAX5309 makes them ideal for digital control of fast-response, closed-loop systems.The MAX5308 has a digital output (DOUT) that can be used for daisy-chaining multiple devices. The MAX5309 has a hardware reset input (active-low CLR) which clears all registers and DACs to zero. The MAX5308/MAX5309 have a software shutdown feature that reduces the supply current to 1µA. The MAX5308/MAX5309 feature a load DAC (active-low LDAC) function that updates the output of all eight DACs simultaneously.The 3-wire SPI™, QSPI™, MICROWIRE™ and DSP-compatible serial interface allows the input and DAC registers to be updated independently or simultaneously with a single software command. These devices use a double-buffered design to minimize the digital-noise feedthrough from the digital inputs to the outputs. The MAX5308/MAX5309 operating temperature range is from -40°C to +85°C.ApplicationsControl of Optical ComponentsGain and Offset AdjustmentPortable Instrumentation EquipmentPower Amplifier ControlProcess-Control I/O Boards |
MAX5309Low-Power, Low-Glitch, Octal 10-Bit Voltage-Output DACs with Serial Interface | Integrated Circuits (ICs) | 2 | Active | The MAX5308/MAX5309 are 10-bit, eight channel, low-power, voltage-output, digital-to-analog converters (DACs) in a space-saving 16-pin TSSOP package. The wide +2.7V to +5.5V supply voltage range and less than 215µA (max) supply current per DAC are excellent for low-power and low-voltage applications. The low 2nV-s glitch energy of the MAX5308/MAX5309 makes them ideal for digital control of fast-response, closed-loop systems.The MAX5308 has a digital output (DOUT) that can be used for daisy-chaining multiple devices. The MAX5309 has a hardware reset input (active-low CLR) which clears all registers and DACs to zero. The MAX5308/MAX5309 have a software shutdown feature that reduces the supply current to 1µA. The MAX5308/MAX5309 feature a load DAC (active-low LDAC) function that updates the output of all eight DACs simultaneously.The 3-wire SPI™, QSPI™, MICROWIRE™ and DSP-compatible serial interface allows the input and DAC registers to be updated independently or simultaneously with a single software command. These devices use a double-buffered design to minimize the digital-noise feedthrough from the digital inputs to the outputs. The MAX5308/MAX5309 operating temperature range is from -40°C to +85°C.ApplicationsControl of Optical ComponentsGain and Offset AdjustmentPortable Instrumentation EquipmentPower Amplifier ControlProcess-Control I/O Boards |
| Digital to Analog Converters (DACs) Evaluation Boards | 20 | Active | ||