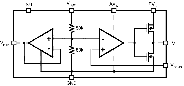
LP2996-N1.5A DDR termination regulator with shutdown pin for DDR2/3/3L | Evaluation Boards | 14 | Active | The LP2996-N and LP2996A linear regulators are designed to meet the JEDEC SSTL-2 specifications for termination of DDR-SDRAM. The device also supports DDR2, while LP2996A supports DDR3 and DDR3L VTT bus termination with VDDQminimum of 1.35 V. The device contains a high-speed operational amplifier to provide excellent response to load transients. The output stage prevents shoot through while delivering 1.5-A continuous current and transient peaks up to 3 A in the application as required for DDR-SDRAM termination. The LP2996-N and LP2996A also incorporate a VSENSE pin to provide superior load regulation and a VREF output as a reference for the chipset and DIMMs.
An additional feature found on the LP2996-N and LP2996A is an active-low shutdown (SD) pin that provides Suspend To RAM (STR) functionality. WhenSDis pulled low the VTT output will tri-state providing a high impedance output, but VREF remains active. A power savings advantage can be obtained in this mode through lower quiescent current.
TI recommends the LP2998 and LP2998-Q1 devices for automotive applications and DDR applications that require operating at temperatures below zero.
WEBENCH®design tools can be used by application designers to generate, optimize, and simlulate applications using the LP2998 and LP2998-Q1.
The LP2996-N and LP2996A linear regulators are designed to meet the JEDEC SSTL-2 specifications for termination of DDR-SDRAM. The device also supports DDR2, while LP2996A supports DDR3 and DDR3L VTT bus termination with VDDQminimum of 1.35 V. The device contains a high-speed operational amplifier to provide excellent response to load transients. The output stage prevents shoot through while delivering 1.5-A continuous current and transient peaks up to 3 A in the application as required for DDR-SDRAM termination. The LP2996-N and LP2996A also incorporate a VSENSE pin to provide superior load regulation and a VREF output as a reference for the chipset and DIMMs.
An additional feature found on the LP2996-N and LP2996A is an active-low shutdown (SD) pin that provides Suspend To RAM (STR) functionality. WhenSDis pulled low the VTT output will tri-state providing a high impedance output, but VREF remains active. A power savings advantage can be obtained in this mode through lower quiescent current.
TI recommends the LP2998 and LP2998-Q1 devices for automotive applications and DDR applications that require operating at temperatures below zero.
WEBENCH®design tools can be used by application designers to generate, optimize, and simlulate applications using the LP2998 and LP2998-Q1. |
LP2997DDR-II Termination Regulator | Power Management - Specialized | 5 | Active | The LP2997 linear regulator is designed to meet the JEDEC SSTL-18 specifications for termination of DDR-II memory. The device contains a high-speed operational amplifier to provide excellent response to load transients. The output stage prevents shoot through while delivering 500mA continuous current and transient peaks up to 900mA in the application as required for DDR-II SDRAM termination. The LP2997 also incorporates a VSENSEpin to provide superior load regulation and a VREFoutput as a reference for the chipset and DIMMs.
An additional feature found on the LP2997 is an active low shutdown (SD) pin that provides Suspend To RAM (STR) functionality. WhenSDis pulled low the VTToutput will tri-state providing a high impedance output, but, VREFwill remain active. A power savings advantage can be obtained in this mode through lower quiescent current.
The LP2997 linear regulator is designed to meet the JEDEC SSTL-18 specifications for termination of DDR-II memory. The device contains a high-speed operational amplifier to provide excellent response to load transients. The output stage prevents shoot through while delivering 500mA continuous current and transient peaks up to 900mA in the application as required for DDR-II SDRAM termination. The LP2997 also incorporates a VSENSEpin to provide superior load regulation and a VREFoutput as a reference for the chipset and DIMMs.
An additional feature found on the LP2997 is an active low shutdown (SD) pin that provides Suspend To RAM (STR) functionality. WhenSDis pulled low the VTToutput will tri-state providing a high impedance output, but, VREFwill remain active. A power savings advantage can be obtained in this mode through lower quiescent current. |
LP2998-Q1DDR Termination Regulator for Automotive Applications | Linear Voltage Regulator Evaluation Boards | 7 | Active | The LP2998 linear regulator is designed to meet JEDEC SSTL-2 and JEDEC SSTL-18 specifications for termination of DDR-SDRAM and DDR2 memory. The device also supports DDR3 and DDR3L VTT bus termination with VDDQmin of 1.35 V. The device contains a high-speed operational amplifier to provide excellent response to load transients. The output stage prevents shoot through while delivering 1.5 A continuous current and transient peaks up to 3 A in the application as required for DDR-SDRAM termination. The LP2998 also incorporates a VSENSE pin to provide superior load regulation and a VREFoutput as a reference for the chipset and DIMMs.
An additional feature found on the LP2998 is an active low shutdown (SD) pin that provides Suspend To RAM (STR) functionality. WhenSDis pulled low the VTToutput will tri-state providing a high impedance output, but, VREFwill remain active. A power savings advantage can be obtained in this mode through lower quiescent current.
The LP2998 linear regulator is designed to meet JEDEC SSTL-2 and JEDEC SSTL-18 specifications for termination of DDR-SDRAM and DDR2 memory. The device also supports DDR3 and DDR3L VTT bus termination with VDDQmin of 1.35 V. The device contains a high-speed operational amplifier to provide excellent response to load transients. The output stage prevents shoot through while delivering 1.5 A continuous current and transient peaks up to 3 A in the application as required for DDR-SDRAM termination. The LP2998 also incorporates a VSENSE pin to provide superior load regulation and a VREFoutput as a reference for the chipset and DIMMs.
An additional feature found on the LP2998 is an active low shutdown (SD) pin that provides Suspend To RAM (STR) functionality. WhenSDis pulled low the VTToutput will tri-state providing a high impedance output, but, VREFwill remain active. A power savings advantage can be obtained in this mode through lower quiescent current. |
LP311Low-power strobed differential comparator | Integrated Circuits (ICs) | 5 | Active | The LP211 and LP311 devices are low-power versions of the industry-standard LM211 and LM311 devices. They take advantage of stable, high-value, ion-implanted resistors to perform the same function as the LM311 series, with a 30:1 reduction in power consumption but only a 6:1 slowdown in response time. They are well suited for battery-powered applications and all other applications where fast response times are not needed. They operate over a wide range of supply voltages, from ±18 V down to a single 3-V supply with less than 300-µA current drain, but are still capable of driving a 25-mA load. The LP211 and LP311 are quite easy to apply free of oscillation if ordinary precautions are taken to minimize stray coupling from the output to either input or to the trim pins. In addition, offset balancing is available to minimize input offset voltage. Strobe capability is also provided to turn off the output (regardless of the inputs) by pulling the strobe pin low.
The LP211 is characterized for operation from –25°C to 85°C. The LP311 is characterized for operation from 0°C to 70°C.
The LP211 and LP311 devices are low-power versions of the industry-standard LM211 and LM311 devices. They take advantage of stable, high-value, ion-implanted resistors to perform the same function as the LM311 series, with a 30:1 reduction in power consumption but only a 6:1 slowdown in response time. They are well suited for battery-powered applications and all other applications where fast response times are not needed. They operate over a wide range of supply voltages, from ±18 V down to a single 3-V supply with less than 300-µA current drain, but are still capable of driving a 25-mA load. The LP211 and LP311 are quite easy to apply free of oscillation if ordinary precautions are taken to minimize stray coupling from the output to either input or to the trim pins. In addition, offset balancing is available to minimize input offset voltage. Strobe capability is also provided to turn off the output (regardless of the inputs) by pulling the strobe pin low.
The LP211 is characterized for operation from –25°C to 85°C. The LP311 is characterized for operation from 0°C to 70°C. |
LP324-NQuad, 32-V, 100-kHz, low Iq (21-µA/ch), 4-mV offset voltage op amp with 0°C to 70°C operation | Integrated Circuits (ICs) | 14 | Active | The LP324-N series consists of four independent, high gain internally compensated micropower operational amplifiers. These amplifiers are specially suited for operation in battery systems while maintaining good input specifications, and extremely low supply current drain. In addition, the LP324-N has an input common mode range, and output source range which includes ground, making it ideal in single supply applications.
These amplifiers are ideal in applications which include portable instrumentation, battery backup equipment, and other circuits which require good DC performance and low supply current.
The LP324-N series consists of four independent, high gain internally compensated micropower operational amplifiers. These amplifiers are specially suited for operation in battery systems while maintaining good input specifications, and extremely low supply current drain. In addition, the LP324-N has an input common mode range, and output source range which includes ground, making it ideal in single supply applications.
These amplifiers are ideal in applications which include portable instrumentation, battery backup equipment, and other circuits which require good DC performance and low supply current. |
LP339-NUltra-Low Power Quad Comparator | Comparators | 11 | Active | The LP339 consists of four independent voltage comparators designed specifically to operate from a single power supply and draw typically 60 µA of power supply drain current over a wide range of power supply voltages. Operation from split supplies is also possible and the ultra-low power supply drain current is independent of the power supply voltage. These comparators also feature a common-mode range which includes ground, even when operated from a single supply.
Applications include limit comparators, simple analog-to-digital converters, pulse, square and time delay generators; VCO's; multivibrators; high voltage logic gates. The LP339 was specifically designed to interface with the CMOS logic family. The ultra-low supply current makes the LP339 valuable in battery powered applications.
The LP339 consists of four independent voltage comparators designed specifically to operate from a single power supply and draw typically 60 µA of power supply drain current over a wide range of power supply voltages. Operation from split supplies is also possible and the ultra-low power supply drain current is independent of the power supply voltage. These comparators also feature a common-mode range which includes ground, even when operated from a single supply.
Applications include limit comparators, simple analog-to-digital converters, pulse, square and time delay generators; VCO's; multivibrators; high voltage logic gates. The LP339 was specifically designed to interface with the CMOS logic family. The ultra-low supply current makes the LP339 valuable in battery powered applications. |
LP3470AUltra-low-power active-low reset IC with programmable delay and 1% reset threshold | Integrated Circuits (ICs) | 38 | Active | The LP3470A device is a micropower voltage supervisory circuit designed to monitor voltages within 1% of reset threshold overtemperature and is pin-to-pin compatible with existing TI device LP3470. The LP3470A device provides accurate, nano-power voltage monitoring with programmable delay.
The LP3470A asserts a reset signal whenever the VCC supply voltage falls below a reset threshold. The reset time-out period is adjustable using an external capacitor. Reset remains asserted for an interval (programmed by an external capacitor) after VCC has risen above the threshold voltage plus hysteresis.
For information on available reset threshold voltage options, seeMechanical, Packaging, and Orderable Information.
The LP3470A device is a micropower voltage supervisory circuit designed to monitor voltages within 1% of reset threshold overtemperature and is pin-to-pin compatible with existing TI device LP3470. The LP3470A device provides accurate, nano-power voltage monitoring with programmable delay.
The LP3470A asserts a reset signal whenever the VCC supply voltage falls below a reset threshold. The reset time-out period is adjustable using an external capacitor. Reset remains asserted for an interval (programmed by an external capacitor) after VCC has risen above the threshold voltage plus hysteresis.
For information on available reset threshold voltage options, seeMechanical, Packaging, and Orderable Information. |
LP358Dual, 32-V, 100-kHz, low Iq (21-µA/ch), 4-mV offset voltage op amp with 0°C to 70°C operation | Linear | 1 | Active | The LP358 and LP2904 devices are dual low-power operational amplifiers especially suited for battery-operated applications. Good input specifications and wide supply-voltage range still are achieved despite the ultra-low supply current. Single-supply operation is achieved with an input common-mode range that includes GND.
The LP358 and LP2904 devices are ideal in applications where wide supply voltages and low power are more important than speed and bandwidth. These applications include portable instrumentation, LCD displays, consumer electronics (MP3 players, toys, and so forth), and power supplies.
The LP358 and LP2904 devices are dual low-power operational amplifiers especially suited for battery-operated applications. Good input specifications and wide supply-voltage range still are achieved despite the ultra-low supply current. Single-supply operation is achieved with an input common-mode range that includes GND.
The LP358 and LP2904 devices are ideal in applications where wide supply voltages and low power are more important than speed and bandwidth. These applications include portable instrumentation, LCD displays, consumer electronics (MP3 players, toys, and so forth), and power supplies. |
LP38500-ADJ1.5-A, adjustable ultra-low-dropout voltage regulator | Power Management (PMIC) | 8 | Active | TI’s FlexCap low-dropout (LDO) linear regulators feature unique compensation that allow use of any type of output capacitor with no limits on minimum or maximum equivalent series resistance (ESR). The LP38500 and LP38502 series of LDOs operates from a 2.7-V to 5.5-V input supply. These ultra-low-dropout linear regulators respond very quickly to step changes in load, making them suitable for low-voltage microprocessor applications. Developed on a CMOS process (utilizing a PMOS pass transistor) the LP38500-ADJ and LP38502-ADJ have low quiescent currents that changes little with load current.
TI’s FlexCap low-dropout (LDO) linear regulators feature unique compensation that allow use of any type of output capacitor with no limits on minimum or maximum equivalent series resistance (ESR). The LP38500 and LP38502 series of LDOs operates from a 2.7-V to 5.5-V input supply. These ultra-low-dropout linear regulators respond very quickly to step changes in load, making them suitable for low-voltage microprocessor applications. Developed on a CMOS process (utilizing a PMOS pass transistor) the LP38500-ADJ and LP38502-ADJ have low quiescent currents that changes little with load current. |
LP38501-ADJ3-A, adjustable ultra-low-dropout voltage regulator with enable | Linear Voltage Regulator Evaluation Boards | 4 | Active | TI’s FlexCap low-dropout (LDO) linear regulators feature unique compensation that allow use of any type of output capacitor with no limits on minimum or maximum equivalent series resistance (ESR). The LP38501 and LP38503 series of LDOs operate from a 2.7-V to 5.5-V input supply. These ultra-low-dropout linear regulators respond very quickly to step changes in load, making them suitable for low-voltage microprocessor applications. Developed on a CMOS process (utilizing a PMOS pass transistor) the LP38501-ADJ and LP38503-ADJ have low quiescent currents that change little with load current.
TI’s FlexCap low-dropout (LDO) linear regulators feature unique compensation that allow use of any type of output capacitor with no limits on minimum or maximum equivalent series resistance (ESR). The LP38501 and LP38503 series of LDOs operate from a 2.7-V to 5.5-V input supply. These ultra-low-dropout linear regulators respond very quickly to step changes in load, making them suitable for low-voltage microprocessor applications. Developed on a CMOS process (utilizing a PMOS pass transistor) the LP38501-ADJ and LP38503-ADJ have low quiescent currents that change little with load current. |