LP2953QML-SPSpace-grade QMLV, -20-V to 30-V, 250-mA, 2.5-V or 5-V output linear regulator | Voltage Regulators - Linear, Low Drop Out (LDO) Regulators | 1 | Active | The LP2953A is a micropower voltage regulator with very low quiescent current (130 μA typical at 1 mA load) and very low dropout voltage (typ. 60 mV at light load and 470 mV at 250 mA load current). It is ideally suited for battery-powered systems. Furthermore, the quiescent current increases only slightly at dropout, which prolongs battery life.
The LP2953A retains all the desirable characteristics of the LP2951, but offers increased output current, additional features, and an improved shutdown function.
The internal crowbar pulls the output down quickly when the shutdown is activated.
The error flag goes low if the output voltage drops out of regulation.
Reverse battery protection is provided.
The internal voltage reference is made available for external use, providing a low-T.C. reference with very good line and load regulation.
The LP2953A is a micropower voltage regulator with very low quiescent current (130 μA typical at 1 mA load) and very low dropout voltage (typ. 60 mV at light load and 470 mV at 250 mA load current). It is ideally suited for battery-powered systems. Furthermore, the quiescent current increases only slightly at dropout, which prolongs battery life.
The LP2953A retains all the desirable characteristics of the LP2951, but offers increased output current, additional features, and an improved shutdown function.
The internal crowbar pulls the output down quickly when the shutdown is activated.
The error flag goes low if the output voltage drops out of regulation.
Reverse battery protection is provided.
The internal voltage reference is made available for external use, providing a low-T.C. reference with very good line and load regulation. |
LP2954A250-mA, 30-V, low-dropout voltage regulator with high-accuracy | Power Management (PMIC) | 12 | Active | The LP2954 is a 5-V micropower LDO with very low quiescent current (90 μA typical at 1-mA load) and very low dropout voltage (typically 60 mV at light loads and 470 mV at 250-mA load current).
The quiescent current increases only slightly at dropout (120 μA typical), which prolongs battery life.
The LP2954 with a fixed 5-V output is available in three-pin TO-220 and DDPAK/TO-263 packages. The adjustable LP2954 is provided in an 8-pin, small-outline SOIC package. The adjustable version also provides a resistor network which can be pin strapped to set the output to any voltage from to 1.23 V to 29 V.
Reverse battery protection is provided for the IN pin.
The tight line and load regulation (0.04% typical), as well as very low output temperature coefficient make the LP2954 well suited for use as a low-power voltage reference.
Output accuracy is ensured at both room temperature and over the entire operating temperature range.
The LP2954 is a 5-V micropower LDO with very low quiescent current (90 μA typical at 1-mA load) and very low dropout voltage (typically 60 mV at light loads and 470 mV at 250-mA load current).
The quiescent current increases only slightly at dropout (120 μA typical), which prolongs battery life.
The LP2954 with a fixed 5-V output is available in three-pin TO-220 and DDPAK/TO-263 packages. The adjustable LP2954 is provided in an 8-pin, small-outline SOIC package. The adjustable version also provides a resistor network which can be pin strapped to set the output to any voltage from to 1.23 V to 29 V.
Reverse battery protection is provided for the IN pin.
The tight line and load regulation (0.04% typical), as well as very low output temperature coefficient make the LP2954 well suited for use as a low-power voltage reference.
Output accuracy is ensured at both room temperature and over the entire operating temperature range. |
| Voltage Regulators - Linear, Low Drop Out (LDO) Regulators | 3 | Obsolete | |
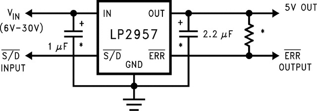
LP2957A250-mA, 30-V, low-dropout voltage regulator with high accuracy & power good | Power Management (PMIC) | 5 | Active | The LP2957 is a 5V micropower voltage regulator with electronic shutdown, error flag, very low quiescent current (150 µA typical at 1 mA load), and very low dropout voltage (470 mV typical at 250 mA load current).
Output can be wired for snap-on/snap-off operation to eliminate transition voltage states where µP operation may be unpredictable.
Output crowbar (50 mA typical pull-down current) will bring down the output quickly when the regulator snaps off or when the shutdown function is activated.
The part has tight line and load regulation (0.04% typical) and low output temperature coefficient (20 ppm/°C typical).
The accuracy of the 5V output is ensured at room temperature and over the full operating temperature range.
The LP2957 is available in the five-lead TO-220 and DDPAK/TO-263 packages.
The LP2957 is a 5V micropower voltage regulator with electronic shutdown, error flag, very low quiescent current (150 µA typical at 1 mA load), and very low dropout voltage (470 mV typical at 250 mA load current).
Output can be wired for snap-on/snap-off operation to eliminate transition voltage states where µP operation may be unpredictable.
Output crowbar (50 mA typical pull-down current) will bring down the output quickly when the regulator snaps off or when the shutdown function is activated.
The part has tight line and load regulation (0.04% typical) and low output temperature coefficient (20 ppm/°C typical).
The accuracy of the 5V output is ensured at room temperature and over the full operating temperature range.
The LP2957 is available in the five-lead TO-220 and DDPAK/TO-263 packages. |
| Voltage Regulators - Linear, Low Drop Out (LDO) Regulators | 11 | Active | |
| Voltage Regulators - Linear, Low Drop Out (LDO) Regulators | 15 | Active | |
| Integrated Circuits (ICs) | 7 | Obsolete | |
| Power Management (PMIC) | 11 | Obsolete | |
LP2980-ADJ50-mA, 16-V, adjustable low-dropout voltage regulator with enable | Power Management (PMIC) | 49 | Active | The LP2980-ADJ is an adjustable-output, wide-input, low-dropout voltage regulator supporting an input voltage range up to 16 V and up to 50 mA of load current. The LP2980-ADJ supports an output range of 1.2 V to 15.0 V (new chip) and 1.23 V to 15.0 V (legacy chip).
Additionally, the LP2980-ADJ (new chip) has a 1% output accuracy across load and temperature that can meet the needs of low-voltage microcontrollers (MCUs) and processors.
In the new chip, wide bandwidth PSRR performance of greater than 70 dB at 1 kHz and 45 dB at 1 MHz helps attenuate the switching frequency of an upstream DC/DC converter and minimize post regulator filtering.
The internal soft-start time and current-limit protection reduce inrush current during start up, thus minimizing input capacitance. Standard protection features, such as overcurrent and overtemperature protection, are included.
The LP2980-ADJ is available in a 5-pin, 2.9-mm × 1.6-mm SOT-23 (DBV) package.
The LP2980-ADJ is an adjustable-output, wide-input, low-dropout voltage regulator supporting an input voltage range up to 16 V and up to 50 mA of load current. The LP2980-ADJ supports an output range of 1.2 V to 15.0 V (new chip) and 1.23 V to 15.0 V (legacy chip).
Additionally, the LP2980-ADJ (new chip) has a 1% output accuracy across load and temperature that can meet the needs of low-voltage microcontrollers (MCUs) and processors.
In the new chip, wide bandwidth PSRR performance of greater than 70 dB at 1 kHz and 45 dB at 1 MHz helps attenuate the switching frequency of an upstream DC/DC converter and minimize post regulator filtering.
The internal soft-start time and current-limit protection reduce inrush current during start up, thus minimizing input capacitance. Standard protection features, such as overcurrent and overtemperature protection, are included.
The LP2980-ADJ is available in a 5-pin, 2.9-mm × 1.6-mm SOT-23 (DBV) package. |
LP2981-N100-mA, 16-V, low-dropout voltage regulator with high-accuracy & enable | Power Management (PMIC) | 65 | Active | The LP2981 and LP2981A (LP2981x) are fixed-output, low-dropout (LDO) voltage regulators supporting an input voltage range from 2.5V to 16V (for new chip only) and up to 100mA of load current. The LP2981x support an output range of 1.2V to 5.0V (new chip).
Additionally, the LP2981x (new chip) has a ±1% output accuracy across load and temperature that can meet the needs of low-voltage microcontrollers (MCUs) and processors.
In the new chip, wide bandwidth PSRR performance is 75dB at 1kHz and 45dB at 1MHz to help attenuate the switching frequency of an upstream DC/DC converter and minimize post regulator filtering.
In the new chip, the internal soft-start mechanism reduces inrush current during start up, thus minimizing input capacitance. Standard protection features, such as overcurrent and overtemperature protection, are included.
The LP2981 and LP2981A (LP2981x) are fixed-output, low-dropout (LDO) voltage regulators supporting an input voltage range from 2.5V to 16V (for new chip only) and up to 100mA of load current. The LP2981x support an output range of 1.2V to 5.0V (new chip).
Additionally, the LP2981x (new chip) has a ±1% output accuracy across load and temperature that can meet the needs of low-voltage microcontrollers (MCUs) and processors.
In the new chip, wide bandwidth PSRR performance is 75dB at 1kHz and 45dB at 1MHz to help attenuate the switching frequency of an upstream DC/DC converter and minimize post regulator filtering.
In the new chip, the internal soft-start mechanism reduces inrush current during start up, thus minimizing input capacitance. Standard protection features, such as overcurrent and overtemperature protection, are included. |