T
Texas Instruments
| Series | Category | # Parts | Status | Description |
|---|---|---|---|---|
| Part | Spec A | Spec B | Spec C | Spec D | Description |
|---|---|---|---|---|---|
| Series | Category | # Parts | Status | Description |
|---|---|---|---|---|
| Part | Spec A | Spec B | Spec C | Spec D | Description |
|---|---|---|---|---|---|
| Part | Category | Description |
|---|---|---|
Texas Instruments | Integrated Circuits (ICs) | BUS DRIVER, BCT/FBT SERIES |
Texas Instruments | Integrated Circuits (ICs) | 12BIT 3.3V~3.6V 210MHZ PARALLEL VQFN-48-EP(7X7) ANALOG TO DIGITAL CONVERTERS (ADC) ROHS |
Texas Instruments | Integrated Circuits (ICs) | TMX320DRE311 179PIN UBGA 200MHZ |
Texas Instruments TPS61040DRVTG4Unknown | Integrated Circuits (ICs) | IC LED DRV RGLTR PWM 350MA 6WSON |
Texas Instruments LP3876ET-2.5Obsolete | Integrated Circuits (ICs) | IC REG LINEAR 2.5V 3A TO220-5 |
Texas Instruments LMS1585ACSX-ADJObsolete | Integrated Circuits (ICs) | IC REG LIN POS ADJ 5A DDPAK |
Texas Instruments INA111APG4Obsolete | Integrated Circuits (ICs) | IC INST AMP 1 CIRCUIT 8DIP |
Texas Instruments | Integrated Circuits (ICs) | AUTOMOTIVE, QUAD 36V 1.2MHZ OPERATIONAL AMPLIFIER |
Texas Instruments OPA340NA/3KG4Unknown | Integrated Circuits (ICs) | IC OPAMP GP 1 CIRCUIT SOT23-5 |
Texas Instruments PT5112AObsolete | Power Supplies - Board Mount | DC DC CONVERTER 8V 8W |
| Series | Category | # Parts | Status | Description |
|---|---|---|---|---|
| Integrated Circuits (ICs) | 4 | Active | ||
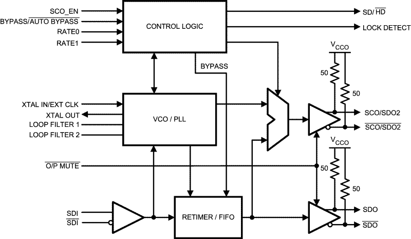
LMH0046HD/SD SDI Reclocker with Dual Differential Outputs | Interface | 2 | Obsolete | The LMH0046 HD/SD SDI Reclocker retimes serial digital video data conforming to the SMPTE 292M and SMPTE 259M (A & C) standards. The LMH0046 operates at serial data rates of 143 Mbps, 270 Mbps, 1.483 Gbps and 1.485 Gbps. The LMH0046 supports DVB-ASI operation at 270 Mbps.
The LMH0046 automatically detects the incoming data rate and adjusts itself to retime the incoming data to suppress accumulated jitter. The LMH0046 recovers the serial data-rate clock and optionally provides it as an output. The LMH0046 has two differential serial data outputs; the second output may be selected as a low-jitter, data-rate clock output. Controls and indicators are: serial clock or second serial data output select, manual rate select input, SD/HD rate indicator output, lock detect output, auto/manual data bypass and output mute. The serial data inputs, outputs, and serial data-rate clock outputs are differential LVPECL compatible. The CML serial data and serial data-rate clock outputs are suitable for driving 100Ω differentially terminated networks. The control logic inputs and outputs are LVCMOS compatible.
The LMH0046 is powered from a single 3.3V supply. Power dissipation is typically 330 mW. The device is housed in a 20-pin HTSSOP package.
The LMH0046 HD/SD SDI Reclocker retimes serial digital video data conforming to the SMPTE 292M and SMPTE 259M (A & C) standards. The LMH0046 operates at serial data rates of 143 Mbps, 270 Mbps, 1.483 Gbps and 1.485 Gbps. The LMH0046 supports DVB-ASI operation at 270 Mbps.
The LMH0046 automatically detects the incoming data rate and adjusts itself to retime the incoming data to suppress accumulated jitter. The LMH0046 recovers the serial data-rate clock and optionally provides it as an output. The LMH0046 has two differential serial data outputs; the second output may be selected as a low-jitter, data-rate clock output. Controls and indicators are: serial clock or second serial data output select, manual rate select input, SD/HD rate indicator output, lock detect output, auto/manual data bypass and output mute. The serial data inputs, outputs, and serial data-rate clock outputs are differential LVPECL compatible. The CML serial data and serial data-rate clock outputs are suitable for driving 100Ω differentially terminated networks. The control logic inputs and outputs are LVCMOS compatible.
The LMH0046 is powered from a single 3.3V supply. Power dissipation is typically 330 mW. The device is housed in a 20-pin HTSSOP package. |
| Serializers, Deserializers | 2 | Active | ||
| Interface | 3 | Active | ||
| Linear | 2 | Obsolete | ||
LMH0070SD/ DVB-ASI SDI serialzier and driver with LVDS Interface | Interface | 3 | Active | The LMH0340/0040/0070/0050 SDI Serializers are part of TI’s family of FPGA-Attach SER/DES products supporting 5-bit LVDS interfaces with FPGAs. An FPGA Host will format data with supplied IP such that the output of the LMH0340 is compliant with the requirements of DVB-ASI, SMPTE 259M-C, SMPTE 292M and SMPTE 424M standards. See for details on which Standards are supported per device.
The interface between the SER (Serializer) and the FPGA consists of a 5 bit wide LVDS data bus, an LVDS clock and an SMBus interface. The LMH0340/0040/0070 SER devices include an integrated cable driver which is fully compliant with all of the SMPTE specifications listed above. The LMH0050 has a CML output driver that can drive a differential transmission line or interface to a cable driver.
The FPGA-Attach SER/DES family is supported by a suite of IP which allows the design engineer to quickly develop video applications using the SER/DES products. The SER is packaged in a physically small 48-pin WQFN package.
The LMH0340/0040/0070/0050 SDI Serializers are part of TI’s family of FPGA-Attach SER/DES products supporting 5-bit LVDS interfaces with FPGAs. An FPGA Host will format data with supplied IP such that the output of the LMH0340 is compliant with the requirements of DVB-ASI, SMPTE 259M-C, SMPTE 292M and SMPTE 424M standards. See for details on which Standards are supported per device.
The interface between the SER (Serializer) and the FPGA consists of a 5 bit wide LVDS data bus, an LVDS clock and an SMBus interface. The LMH0340/0040/0070 SER devices include an integrated cable driver which is fully compliant with all of the SMPTE specifications listed above. The LMH0050 has a CML output driver that can drive a differential transmission line or interface to a cable driver.
The FPGA-Attach SER/DES family is supported by a suite of IP which allows the design engineer to quickly develop video applications using the SER/DES products. The SER is packaged in a physically small 48-pin WQFN package. |
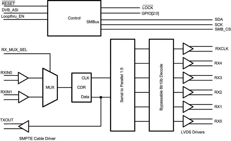
LMH0071SD/ DVB-ASI SDI deserialzier with Loopthrough and LVDS Interface | Integrated Circuits (ICs) | 2 | Active | The LMH0341/0041/0071/0051 SDI Deserializers are part of TI’s family of FPGA-Attach SER/DES products supporting 5-bit LVDS interfaces with FPGAs. When paired with a host FPGA the LMH0341 automatically detects the incoming data rate and decodes the raw 5-bit data words compliant to any of the following standards: DVB-ASI, SMPTE 259M, SMPTE 292M, or SMPTE 424M. See for details on which Standards are supported per device.
The interface between the LMH0341 and the host FPGA consists of a 5-bit wide LVDS bus, an LVDS clock and an SMBus interface. No external VCOs or clocks are required. The LMH0341 CDR detects the frequency from the incoming data stream, generates a clean clock and transmits both clock and data to the host FPGA. The LMH0341, LMH0041 and LMH0071 include a serial reclocked loopthrough with integrated SMPTE compliant cable driver. Refer to for a complete listing of single channel deserializers offered in this family.
The FPGA-Attach SER/DES product family is supported by a suite of IP which allows the design engineer to quickly develop video applications using the SER/DES products. The product is packaged in a physically small 48 pin WQFN package.
The LMH0341/0041/0071/0051 SDI Deserializers are part of TI’s family of FPGA-Attach SER/DES products supporting 5-bit LVDS interfaces with FPGAs. When paired with a host FPGA the LMH0341 automatically detects the incoming data rate and decodes the raw 5-bit data words compliant to any of the following standards: DVB-ASI, SMPTE 259M, SMPTE 292M, or SMPTE 424M. See for details on which Standards are supported per device.
The interface between the LMH0341 and the host FPGA consists of a 5-bit wide LVDS bus, an LVDS clock and an SMBus interface. No external VCOs or clocks are required. The LMH0341 CDR detects the frequency from the incoming data stream, generates a clean clock and transmits both clock and data to the host FPGA. The LMH0341, LMH0041 and LMH0071 include a serial reclocked loopthrough with integrated SMPTE compliant cable driver. Refer to for a complete listing of single channel deserializers offered in this family.
The FPGA-Attach SER/DES product family is supported by a suite of IP which allows the design engineer to quickly develop video applications using the SER/DES products. The product is packaged in a physically small 48 pin WQFN package. |
| Specialized | 3 | Active | ||
LMH03023G HD/SD SDI cable driver | Integrated Circuits (ICs) | 1 | Active | The LMH0302 3-Gbps HD/SD SDI cable driver is designed for use in ST 424, ST 292, ST 344, and ST 259 serial digital video applications. The LMH0302 drives 75-Ω transmission lines (Belden 1694A, Belden 8281, or equivalent) at data rates up to2.97 Gbps.
The LMH0302 provides two selectable slew rates for ST 259 and ST 424 or 292 compliance. The output driver may be powered down through the output driver enable pin.
The LMH0302 is powered from a single 3.3-V supply. Power consumption is typically 125 mW in SD mode and 165 mW in HD mode. The LMH0302 is available in a 16-pin WQFN package.
The LMH0302 3-Gbps HD/SD SDI cable driver is designed for use in ST 424, ST 292, ST 344, and ST 259 serial digital video applications. The LMH0302 drives 75-Ω transmission lines (Belden 1694A, Belden 8281, or equivalent) at data rates up to2.97 Gbps.
The LMH0302 provides two selectable slew rates for ST 259 and ST 424 or 292 compliance. The output driver may be powered down through the output driver enable pin.
The LMH0302 is powered from a single 3.3-V supply. Power consumption is typically 125 mW in SD mode and 165 mW in HD mode. The LMH0302 is available in a 16-pin WQFN package. |
| Linear | 3 | Active | ||