T
Texas Instruments
| Series | Category | # Parts | Status | Description |
|---|---|---|---|---|
| Part | Spec A | Spec B | Spec C | Spec D | Description |
|---|---|---|---|---|---|
| Series | Category | # Parts | Status | Description |
|---|---|---|---|---|
| Part | Spec A | Spec B | Spec C | Spec D | Description |
|---|---|---|---|---|---|
| Part | Category | Description |
|---|---|---|
Texas Instruments | Integrated Circuits (ICs) | BUS DRIVER, BCT/FBT SERIES |
Texas Instruments | Integrated Circuits (ICs) | 12BIT 3.3V~3.6V 210MHZ PARALLEL VQFN-48-EP(7X7) ANALOG TO DIGITAL CONVERTERS (ADC) ROHS |
Texas Instruments | Integrated Circuits (ICs) | TMX320DRE311 179PIN UBGA 200MHZ |
Texas Instruments TPS61040DRVTG4Unknown | Integrated Circuits (ICs) | IC LED DRV RGLTR PWM 350MA 6WSON |
Texas Instruments LP3876ET-2.5Obsolete | Integrated Circuits (ICs) | IC REG LINEAR 2.5V 3A TO220-5 |
Texas Instruments LMS1585ACSX-ADJObsolete | Integrated Circuits (ICs) | IC REG LIN POS ADJ 5A DDPAK |
Texas Instruments INA111APG4Obsolete | Integrated Circuits (ICs) | IC INST AMP 1 CIRCUIT 8DIP |
Texas Instruments | Integrated Circuits (ICs) | AUTOMOTIVE, QUAD 36V 1.2MHZ OPERATIONAL AMPLIFIER |
Texas Instruments OPA340NA/3KG4Unknown | Integrated Circuits (ICs) | IC OPAMP GP 1 CIRCUIT SOT23-5 |
Texas Instruments PT5112AObsolete | Power Supplies - Board Mount | DC DC CONVERTER 8V 8W |
| Series | Category | # Parts | Status | Description |
|---|---|---|---|---|
LM49200500-mW, stereo, analog input Class-AB audio amplifier & I2C control | Audio Amplifiers | 2 | Active | The LM49200 is a fully integrated audio subsystem with a stereo power amplifier capable of delivering 500mW of continuous average power per channel into 8Ω with 1% THD+N using a 3.3V supply. The LM49200 includes a separate stereo headphone amplifier that can deliver 35mW per channel into 32Ω.
The LM49200 has three input channels. A pair of single-ended inputs and a fully differential input channel. The LM49200 features a 32-step digital volume control on the input stage and an 8-step digital volume control on the headphone output stage.
The digital volume control and output modes are programmed through a two-wire I2C compatible interface that allows flexibility in routing and mixing audio channels.
The LM49200 is designed for cellular phone, PDA, and other portable handheld applications. The high level of integration minimizes external components. The True Ground headphone amplifier eliminates the physically large DC blocking output capacitors reducing required board space and reducing cost.
The LM49200 is a fully integrated audio subsystem with a stereo power amplifier capable of delivering 500mW of continuous average power per channel into 8Ω with 1% THD+N using a 3.3V supply. The LM49200 includes a separate stereo headphone amplifier that can deliver 35mW per channel into 32Ω.
The LM49200 has three input channels. A pair of single-ended inputs and a fully differential input channel. The LM49200 features a 32-step digital volume control on the input stage and an 8-step digital volume control on the headphone output stage.
The digital volume control and output modes are programmed through a two-wire I2C compatible interface that allows flexibility in routing and mixing audio channels.
The LM49200 is designed for cellular phone, PDA, and other portable handheld applications. The high level of integration minimizes external components. The True Ground headphone amplifier eliminates the physically large DC blocking output capacitors reducing required board space and reducing cost. |
LM492116-bit stereo DAC with 50-mW stereo headphone amp & volume control | Evaluation Boards | 3 | Active | The LM4921 combines a 16-bit resolution stereo I2S input digital-to-analog converter (DAC) with a stereo headphone audio power amplifier. It is primarily designed for demanding applications in mobile phones and other portable communication device applications. The LM4921 features an I2S serial interface for the digital audio information and a 16-bit SPI serial interface for internal register control and communication. With AVDDand DVDD= 3.0VDCand driving a 32Ω single-ended load to a 26mWRMSoutput level the distortion (THD+N) of the LM4921 will be less than 0.5%. The LM4921 also features a programmable 32-step digital volume control accessed through an SPI interface.
Boomer audio power amplifiers were designed specifically to provide high quality output power with a minimal amount of external components. It is, therefore, ideally suited for mobile phone and other low voltage applications where minimal power consumption is a primary requirement.
The LM4921 features a low-power consumption shutdown mode, and also has an internal thermal shutdown protection mechanism.
The LM4921 combines a 16-bit resolution stereo I2S input digital-to-analog converter (DAC) with a stereo headphone audio power amplifier. It is primarily designed for demanding applications in mobile phones and other portable communication device applications. The LM4921 features an I2S serial interface for the digital audio information and a 16-bit SPI serial interface for internal register control and communication. With AVDDand DVDD= 3.0VDCand driving a 32Ω single-ended load to a 26mWRMSoutput level the distortion (THD+N) of the LM4921 will be less than 0.5%. The LM4921 also features a programmable 32-step digital volume control accessed through an SPI interface.
Boomer audio power amplifiers were designed specifically to provide high quality output power with a minimal amount of external components. It is, therefore, ideally suited for mobile phone and other low voltage applications where minimal power consumption is a primary requirement.
The LM4921 features a low-power consumption shutdown mode, and also has an internal thermal shutdown protection mechanism. |
| Audio Amplifiers | 2 | Obsolete | ||
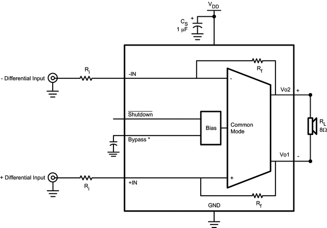
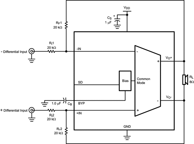
LM49231.1-W, mono, fully differential analog input Class-AB audio amplifier | Audio Amplifiers | 4 | Active | The LM4923 is a fully differential audio power amplifier primarily designed for demanding applications in mobile phones and other portable communication device applications. It is capable of delivering 1.1 watt of continuous average power to an 8Ω BTL load with less than 1% distortion (THD+N) from a 5VDCpower supply.
Boomer audio power amplifiers were designed specifically to provide high quality output power with a minimal amount of external components. The LM4923 does not require output coupling capacitors or bootstrap capacitors, and therefore is ideally suited for mobile phone and other low voltage applications where minimal power consumption is a primary requirement.
The LM4923 features a low-power consumption shutdown mode. To facilitate this, Shutdown may be enabled by logic low. Additionally, the LM4923 features an internal thermal shutdown protection mechanism.
The LM4923 contains advanced pop & click circuitry which eliminates noises which would otherwise occur during turn-on and turn-off transitions.
The LM4923 is a fully differential audio power amplifier primarily designed for demanding applications in mobile phones and other portable communication device applications. It is capable of delivering 1.1 watt of continuous average power to an 8Ω BTL load with less than 1% distortion (THD+N) from a 5VDCpower supply.
Boomer audio power amplifiers were designed specifically to provide high quality output power with a minimal amount of external components. The LM4923 does not require output coupling capacitors or bootstrap capacitors, and therefore is ideally suited for mobile phone and other low voltage applications where minimal power consumption is a primary requirement.
The LM4923 features a low-power consumption shutdown mode. To facilitate this, Shutdown may be enabled by logic low. Additionally, the LM4923 features an internal thermal shutdown protection mechanism.
The LM4923 contains advanced pop & click circuitry which eliminates noises which would otherwise occur during turn-on and turn-off transitions. |
| Linear | 6 | Active | ||
| Audio Amplifiers | 1 | Obsolete | ||
LM492511.37-W, stereo analog input Class-AB audio amplifier with 20-mW headphone amplifier | Amplifiers | 2 | Active | The LM49251 is a fully integrated audio subsystem designed for portable handheld applications such as cellular phones. Part of TI’s PowerWise family of products, the LM49251 utilizes a high efficiency class G headphone amplifier topology as well as a high efficiency class D loudspeaker.
The headphone amplifiers feature TI’s class G ground referenced architecture that creates a ground-referenced output with dynamic supply rails for optimum efficiency. The stereo class D speaker amplifier provides both a no-clip feature and speaker protection. The Enhanced Emission Suppression (E2S) outputs feature a patented, ultra low EMI PWM architecture that significantly reduces RF emissions.
The LM49251 features separate volume controls for the mono and stereo inputs. Mode selection, shutdown control, and volume are controlled through an I2C compatible interface.
Click and pop suppression eliminates audible transients on power-up/down and during shutdown. The LM49251 is available in an ultra-small 30-bump DSBGA package (2.55mmx3.02mm)
The LM49251 is a fully integrated audio subsystem designed for portable handheld applications such as cellular phones. Part of TI’s PowerWise family of products, the LM49251 utilizes a high efficiency class G headphone amplifier topology as well as a high efficiency class D loudspeaker.
The headphone amplifiers feature TI’s class G ground referenced architecture that creates a ground-referenced output with dynamic supply rails for optimum efficiency. The stereo class D speaker amplifier provides both a no-clip feature and speaker protection. The Enhanced Emission Suppression (E2S) outputs feature a patented, ultra low EMI PWM architecture that significantly reduces RF emissions.
The LM49251 features separate volume controls for the mono and stereo inputs. Mode selection, shutdown control, and volume are controlled through an I2C compatible interface.
Click and pop suppression eliminates audible transients on power-up/down and during shutdown. The LM49251 is available in an ultra-small 30-bump DSBGA package (2.55mmx3.02mm) |
| Linear | 1 | Obsolete | ||
LM49272.5-W, mono, analog input Class-AB audio amplifier | Integrated Circuits (ICs) | 1 | Obsolete | The LM4927 is a fully differential audio power amplifier primarily designed for demanding applications in mobile phones and other portable communication device applications. It is capable of delivering 2.5 watts of continuous average power to a 4Ω load with less than 10% distortion (THD+N) from a 5VDCpower supply.
Boomer audio power amplifiers were designed specifically to provide high quality output power with a minimal amount of external components. The LM4927 does not require output coupling capacitors or bootstrap capacitors, and therefore is ideally suited for mobile phone and other low voltage applications where minimal power consumption is a primary requirement.
The LM4927 features a low-power consumption shutdown mode. To facilitate this, Shutdown may be enabled by logic low. Additionally, the LM4927 features an internal thermal shutdown protection mechanism.
The LM4927 contains advanced pop & click circuitry which eliminates noises which would otherwise occur during turn-on and turn-off transitions.
The LM4927 is a fully differential audio power amplifier primarily designed for demanding applications in mobile phones and other portable communication device applications. It is capable of delivering 2.5 watts of continuous average power to a 4Ω load with less than 10% distortion (THD+N) from a 5VDCpower supply.
Boomer audio power amplifiers were designed specifically to provide high quality output power with a minimal amount of external components. The LM4927 does not require output coupling capacitors or bootstrap capacitors, and therefore is ideally suited for mobile phone and other low voltage applications where minimal power consumption is a primary requirement.
The LM4927 features a low-power consumption shutdown mode. To facilitate this, Shutdown may be enabled by logic low. Additionally, the LM4927 features an internal thermal shutdown protection mechanism.
The LM4927 contains advanced pop & click circuitry which eliminates noises which would otherwise occur during turn-on and turn-off transitions. |
| Linear | 3 | Active | ||