LM49281.2-W, stereo, analog input Class-AB audio amplifier with RF suppression | Development Boards, Kits, Programmers | 3 | Obsolete | The LM4928 is an stereo fully differential stereo audio power amplifier primarily designed for demanding applications in mobile phones and other portable communication devices. It is capable of delivering 1.2 watts of continuous average power to a 8Ω load with less than 1% distortion (THD+N) from a 5VDCpower supply.
Boomer audio power amplifiers were designed specifically to provide high quality output power with a minimal amount of external components. The LM4928 does not require output coupling capacitors or bootstrap capacitors, and therefore is ideally suited for mobile phone and other low voltage applications where minimal power consumption is a primary requirement.
The LM4928 features a low-power consumption shutdown mode. To facilitate this, shutdown may be enabled by logic low. Additionally, the LM4928 features an internal thermal shutdown protection mechanism.
The LM4928 contains advanced pop & click circuitry which eliminates noises which would otherwise occur during turn-on and turn-off transitions.
The LM4928 is an stereo fully differential stereo audio power amplifier primarily designed for demanding applications in mobile phones and other portable communication devices. It is capable of delivering 1.2 watts of continuous average power to a 8Ω load with less than 1% distortion (THD+N) from a 5VDCpower supply.
Boomer audio power amplifiers were designed specifically to provide high quality output power with a minimal amount of external components. The LM4928 does not require output coupling capacitors or bootstrap capacitors, and therefore is ideally suited for mobile phone and other low voltage applications where minimal power consumption is a primary requirement.
The LM4928 features a low-power consumption shutdown mode. To facilitate this, shutdown may be enabled by logic low. Additionally, the LM4928 features an internal thermal shutdown protection mechanism.
The LM4928 contains advanced pop & click circuitry which eliminates noises which would otherwise occur during turn-on and turn-off transitions. |
LM492940-mW, mono, analog input headphone amplifier | Evaluation Boards | 3 | Active | The LM4929 is an stereo audio power amplifier capable of delivering 40mW per channel of continuous average power into a 16Ω load or 25mW per channel into a 32Ω load at 1% THD+N from a 3V power supply.
Boomer audio power amplifiers were designed specifically to provide high quality output power with a minimal amount of external components. Since the LM4929 does not require bootstrap capacitors or snubber networks, it is optimally suited for low-power portable systems. The LM4929 is configured for OCL (Output Capacitor-Less) outputs, operating with no DC blocking capacitors on the outputs.
The LM4929 features a low-power consumption shutdown mode with a faster turn on time. Additionally, the LM4929 features an internal thermal shutdown protection mechanism.
The LM4929 is unity gain stable and may be configured with external gain-setting resistors.
The LM4929 is an stereo audio power amplifier capable of delivering 40mW per channel of continuous average power into a 16Ω load or 25mW per channel into a 32Ω load at 1% THD+N from a 3V power supply.
Boomer audio power amplifiers were designed specifically to provide high quality output power with a minimal amount of external components. Since the LM4929 does not require bootstrap capacitors or snubber networks, it is optimally suited for low-power portable systems. The LM4929 is configured for OCL (Output Capacitor-Less) outputs, operating with no DC blocking capacitors on the outputs.
The LM4929 features a low-power consumption shutdown mode with a faster turn on time. Additionally, the LM4929 features an internal thermal shutdown protection mechanism.
The LM4929 is unity gain stable and may be configured with external gain-setting resistors. |
| Evaluation Boards | 4 | Active | |
| Audio Amplifiers | 2 | Active | |
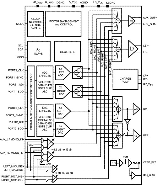
LM49321520-mW, mono, analog & digital input Class-AB audio amplifier with 36-mW headphone amplifier | Linear | 2 | Obsolete | The LM49321 is an integrated audio sub-system designed for mono voice, stereo music cell phones connecting to base band processors with mono differential analog voice paths. Operating on a 3.3V supply, it combines a mono speaker amplifier delivering 520mW into an 8Ω load, a stereo headphone amplifier delivering 36mW per channel into a 32Ω load, and a mono earpiece amplifier delivering 55mW into a 32Ω load. The headphone amplifier can be configured for output capacitor-less (OCL) or single-ended (SE) mode. It integrates the audio amplifiers, volume control, mixer, and power management control all into a single package. In addition, the LM49321 routes and mixes the single-ended stereo and differential mono inputs into multiple distinct output modes. The LM49321 features an I2S serial interface for full range audio and an I2C or SPI compatible interface for control. The full range music path features an SNR of 85dB with up to 192kHz playback.
Boomer audio power amplifiers are designed specifically to provide high quality output power with a minimal amount of external components.
The LM49321 is an integrated audio sub-system designed for mono voice, stereo music cell phones connecting to base band processors with mono differential analog voice paths. Operating on a 3.3V supply, it combines a mono speaker amplifier delivering 520mW into an 8Ω load, a stereo headphone amplifier delivering 36mW per channel into a 32Ω load, and a mono earpiece amplifier delivering 55mW into a 32Ω load. The headphone amplifier can be configured for output capacitor-less (OCL) or single-ended (SE) mode. It integrates the audio amplifiers, volume control, mixer, and power management control all into a single package. In addition, the LM49321 routes and mixes the single-ended stereo and differential mono inputs into multiple distinct output modes. The LM49321 features an I2S serial interface for full range audio and an I2C or SPI compatible interface for control. The full range music path features an SNR of 85dB with up to 192kHz playback.
Boomer audio power amplifiers are designed specifically to provide high quality output power with a minimal amount of external components. |
| Audio Amplifiers | 3 | Obsolete | |
| Linear | 2 | Obsolete | |
| Audio Amplifiers | 1 | Obsolete | |
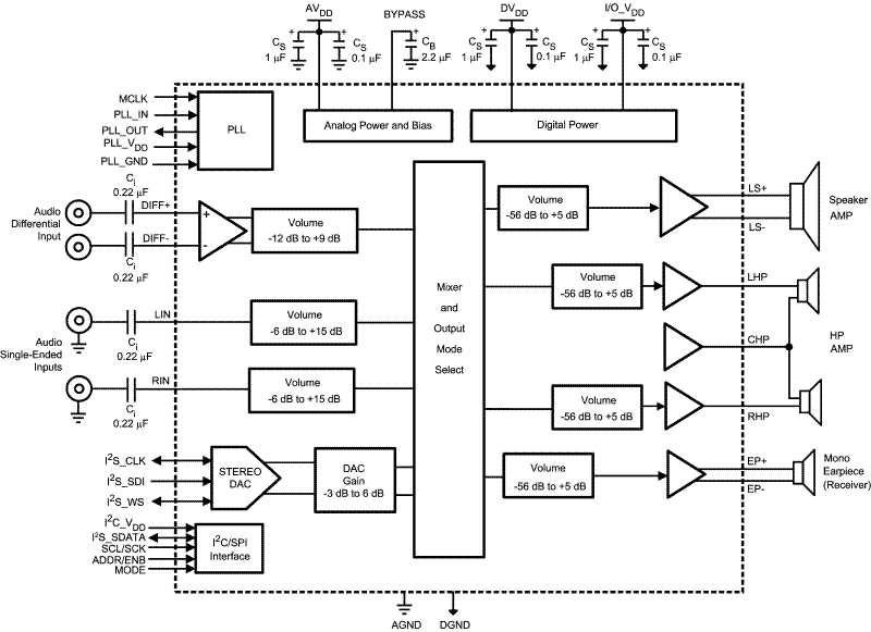
LM49362.2-W, stereo, analog input Class-AB audio amplifier with I2C control interface | Linear | 1 | Active | The LM4936 is a monolithic integrated circuit that provides volume control, and stereo bridged audio power amplifiers capable of producing 2W into 4Ω When properly mounted to the circuit board, LM4936MH will deliver 2W into 4Ω. See section for more information. with less than 1% THD or 2.2W into 3Ω An LM4936MH that has been properly mounted to the circuit board and forced-air cooled will deliver 2.2W into 3Ω. with less than 1% THD.
Boomer audio integrated circuits were designed specifically to provide high quality audio while requiring a minimum amount of external components. The LM4936 incorporates a SPI or I2C Control Interface that runs the volume control, stereo bridged audio power amplifiers and a selectable gain or bass boost. All of the LM4936's features (i.e. SD, Mode, Mute, Gain Sel) make it optimally suited for multimedia monitors, portable radios, desktop, and portable computer applications.
The LM4936 features an externally controlled, low-power consumption shutdown mode, and both a power amplifier and headphone mute for maximum system flexibility and performance.
The LM4936 is a monolithic integrated circuit that provides volume control, and stereo bridged audio power amplifiers capable of producing 2W into 4Ω When properly mounted to the circuit board, LM4936MH will deliver 2W into 4Ω. See section for more information. with less than 1% THD or 2.2W into 3Ω An LM4936MH that has been properly mounted to the circuit board and forced-air cooled will deliver 2.2W into 3Ω. with less than 1% THD.
Boomer audio integrated circuits were designed specifically to provide high quality audio while requiring a minimum amount of external components. The LM4936 incorporates a SPI or I2C Control Interface that runs the volume control, stereo bridged audio power amplifiers and a selectable gain or bass boost. All of the LM4936's features (i.e. SD, Mode, Mute, Gain Sel) make it optimally suited for multimedia monitors, portable radios, desktop, and portable computer applications.
The LM4936 features an externally controlled, low-power consumption shutdown mode, and both a power amplifier and headphone mute for maximum system flexibility and performance. |
| Linear | 2 | Obsolete | |