T
Texas Instruments
| Series | Category | # Parts | Status | Description |
|---|---|---|---|---|
| Part | Spec A | Spec B | Spec C | Spec D | Description |
|---|---|---|---|---|---|
| Series | Category | # Parts | Status | Description |
|---|---|---|---|---|
| Part | Spec A | Spec B | Spec C | Spec D | Description |
|---|---|---|---|---|---|
| Series | Category | # Parts | Status | Description |
|---|---|---|---|---|
| Evaluation Boards | 1 | Active | ||
| RF, RFID, Wireless Evaluation Boards | 17 | Active | ||
| Embedded MCU, DSP Evaluation Boards | 3 | Active | ||
| Sensors, Transducers | 2 | Active | ||
| Development Boards, Kits, Programmers | 6 | Obsolete | ||
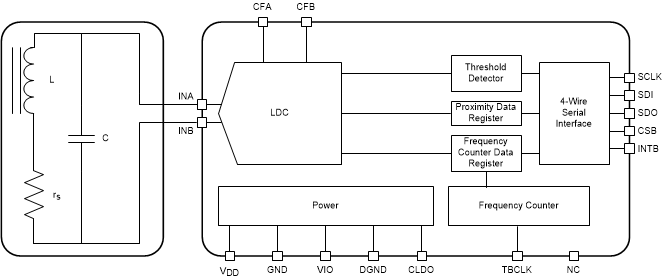
LDC1001-Q1Automotive, 5V, grade-0, Inductance to Digital Converter | Integrated Circuits (ICs) | 2 | Active | The LDC1001-Q1 device is a 4.75-V to 5.25-V automotive-qualified inductance-to-digital converter designed for parallel resistance (Rp) and inductance (L) measurements. Inductive sensing technology enables precise measurement of linear or angular position of metal targets in automotive and industrial applications.
Inductive sensing is a contactless, short-range sensing technology that can enable high-resolution sensing of conductive targets in the presence of dust, dirt, oil, and moisture, which can be used by applications in harsh environments.
The LDC1001-Q1 system consists of an inductive sensor, typically a PCB coil, and a conductive target.
The LDC1001-Q1 is available in a 16-pin TSSOP package and offers several modes of operation. A serial peripheral interface (SPI) simplifies connection to an MCU.
The LDC1001-Q1 device is a 4.75-V to 5.25-V automotive-qualified inductance-to-digital converter designed for parallel resistance (Rp) and inductance (L) measurements. Inductive sensing technology enables precise measurement of linear or angular position of metal targets in automotive and industrial applications.
Inductive sensing is a contactless, short-range sensing technology that can enable high-resolution sensing of conductive targets in the presence of dust, dirt, oil, and moisture, which can be used by applications in harsh environments.
The LDC1001-Q1 system consists of an inductive sensor, typically a PCB coil, and a conductive target.
The LDC1001-Q1 is available in a 16-pin TSSOP package and offers several modes of operation. A serial peripheral interface (SPI) simplifies connection to an MCU. |
| Integrated Circuits (ICs) | 3 | Active | ||
LDC10511-Ch, 5V, 8-bit Rp, inductance to digital converter | Data Acquisition | 2 | Active | Inductive sensing is a contactless, short-range sensing technology enabling high-resolution and low-cost position sensing of conductive targets, even in harsh environments. Using a coil or spring as a sensor, the LDC1051 inductance-to-digital converter provides system designers a way to achieve high performance and reliability at a lower system cost than other competing solutions.
The LDC1051 is pin compatible with the LDC1000 (16-bit Rp/24-bit L) and the LDC1041 (8-bit Rp/24-bit L). This family of devices offers system designers different resolution options based on their application and system requirements.
The LDC1051 is available in a 5mm x 4mm WSON-16 package. Device programming via SPI allows for easy configuration using a microcontroller.
Inductive sensing is a contactless, short-range sensing technology enabling high-resolution and low-cost position sensing of conductive targets, even in harsh environments. Using a coil or spring as a sensor, the LDC1051 inductance-to-digital converter provides system designers a way to achieve high performance and reliability at a lower system cost than other competing solutions.
The LDC1051 is pin compatible with the LDC1000 (16-bit Rp/24-bit L) and the LDC1041 (8-bit Rp/24-bit L). This family of devices offers system designers different resolution options based on their application and system requirements.
The LDC1051 is available in a 5mm x 4mm WSON-16 package. Device programming via SPI allows for easy configuration using a microcontroller. |
LDC11011-Ch, 1.8V, 24-bit L, 16-bit Rp, inductance to digital converter for high speed applications | ADCs/DACs - Special Purpose | 2 | Active | The LDC1101 is a 1.8-V to 3.3-V, high-resolution inductance-to-digital converter for short-range, high-speed, contactless sensing of position, rotation, or motion, enabling reliable, accurate measurements even in the presence of dust or dirt, making it ideal for open or harsh environments.
The LDC1101 features dual inductive measurement cores, allowing for > 150 ksps 16-bit RPand L measurements simultaneous with a high-resolution L measurement which can sample at > 180 ksps with a resolution of up to 24 bits. The LDC1101 includes a threshold-compare function which can be dynamically updated while the device is running.
Inductive sensing technology enables precise measurement of linear/angular position, displacement, motion, compression, vibration, metal composition, and many other applications in markets including automotive, consumer, computer, industrial, medical, and communications. Inductive sensing offers better performance and reliability at lower cost than other, competing solutions.
The LDC1101 offers these benefits of inductive sensing in a small 3-mm × 3-mm 10-pin VSON package. The LDC1101 can be easily configured by a microcontroller using the 4-pin SPI™.
The LDC1101 is a 1.8-V to 3.3-V, high-resolution inductance-to-digital converter for short-range, high-speed, contactless sensing of position, rotation, or motion, enabling reliable, accurate measurements even in the presence of dust or dirt, making it ideal for open or harsh environments.
The LDC1101 features dual inductive measurement cores, allowing for > 150 ksps 16-bit RPand L measurements simultaneous with a high-resolution L measurement which can sample at > 180 ksps with a resolution of up to 24 bits. The LDC1101 includes a threshold-compare function which can be dynamically updated while the device is running.
Inductive sensing technology enables precise measurement of linear/angular position, displacement, motion, compression, vibration, metal composition, and many other applications in markets including automotive, consumer, computer, industrial, medical, and communications. Inductive sensing offers better performance and reliability at lower cost than other, competing solutions.
The LDC1101 offers these benefits of inductive sensing in a small 3-mm × 3-mm 10-pin VSON package. The LDC1101 can be easily configured by a microcontroller using the 4-pin SPI™. |
LDC1312-Q12-Ch, 12-bit, general purpose automotive inductance to digital converter | Evaluation Boards | 4 | Active | The LDC1312-Q1 and LDC1314-Q1 are 2- and 4-channel, 12-bit inductance to digital converters (LDCs) for inductive sensing solutions. With multiple channels and support for remote sensing, the LDC1312-Q1 and LDC1314-Q1 enable the performance and reliability benefits of inductive sensing to be realized at minimal cost and power. The products are easy to use, only requiring that the sensor frequency be within 1 kHz and 10 MHz to begin sensing. The wide 1 kHz to 10 MHz sensor frequency range also enables use of very small PCB coils, further reducing sensing solution cost and size.
The LDC1312-Q1 and LDC1314-Q1 offer well-matched channels, which allow for differential and ratiometric measurements. This enables designers to use one channel to compensate their sensing for environmental and aging conditions such as temperature, humidity, and mechanical drift. Given their ease of use, low power, and low system cost these products enable designers to greatly improve on existing sensing solutions and to introduce brand new sensing capabilities to products in all markets, especially consumer and industrial applications. Inductive sensing offers better performance, reliability, and flexibility than competitive sensing technologies at lower system cost and power.
The LDC1312-Q1 and LDC1314-Q1 are easily configured via an I2C interface. The two-channel LDC1312-Q1 is available in a WSON-12 package and the four-channel LDC1314-Q1 is available in a WQFN-16 package.
The LDC1312-Q1 and LDC1314-Q1 are 2- and 4-channel, 12-bit inductance to digital converters (LDCs) for inductive sensing solutions. With multiple channels and support for remote sensing, the LDC1312-Q1 and LDC1314-Q1 enable the performance and reliability benefits of inductive sensing to be realized at minimal cost and power. The products are easy to use, only requiring that the sensor frequency be within 1 kHz and 10 MHz to begin sensing. The wide 1 kHz to 10 MHz sensor frequency range also enables use of very small PCB coils, further reducing sensing solution cost and size.
The LDC1312-Q1 and LDC1314-Q1 offer well-matched channels, which allow for differential and ratiometric measurements. This enables designers to use one channel to compensate their sensing for environmental and aging conditions such as temperature, humidity, and mechanical drift. Given their ease of use, low power, and low system cost these products enable designers to greatly improve on existing sensing solutions and to introduce brand new sensing capabilities to products in all markets, especially consumer and industrial applications. Inductive sensing offers better performance, reliability, and flexibility than competitive sensing technologies at lower system cost and power.
The LDC1312-Q1 and LDC1314-Q1 are easily configured via an I2C interface. The two-channel LDC1312-Q1 is available in a WSON-12 package and the four-channel LDC1314-Q1 is available in a WQFN-16 package. |
| Part | Category | Description |
|---|---|---|
Texas Instruments | Integrated Circuits (ICs) | BUS DRIVER, BCT/FBT SERIES |
Texas Instruments | Integrated Circuits (ICs) | 12BIT 3.3V~3.6V 210MHZ PARALLEL VQFN-48-EP(7X7) ANALOG TO DIGITAL CONVERTERS (ADC) ROHS |
Texas Instruments | Integrated Circuits (ICs) | TMX320DRE311 179PIN UBGA 200MHZ |
Texas Instruments TPS61040DRVTG4Unknown | Integrated Circuits (ICs) | IC LED DRV RGLTR PWM 350MA 6WSON |
Texas Instruments LP3876ET-2.5Obsolete | Integrated Circuits (ICs) | IC REG LINEAR 2.5V 3A TO220-5 |
Texas Instruments LMS1585ACSX-ADJObsolete | Integrated Circuits (ICs) | IC REG LIN POS ADJ 5A DDPAK |
Texas Instruments INA111APG4Obsolete | Integrated Circuits (ICs) | IC INST AMP 1 CIRCUIT 8DIP |
Texas Instruments | Integrated Circuits (ICs) | AUTOMOTIVE, QUAD 36V 1.2MHZ OPERATIONAL AMPLIFIER |
Texas Instruments OPA340NA/3KG4Unknown | Integrated Circuits (ICs) | IC OPAMP GP 1 CIRCUIT SOT23-5 |
Texas Instruments PT5112AObsolete | Power Supplies - Board Mount | DC DC CONVERTER 8V 8W |