T
Texas Instruments
| Series | Category | # Parts | Status | Description |
|---|---|---|---|---|
| Part | Spec A | Spec B | Spec C | Spec D | Description |
|---|---|---|---|---|---|
| Series | Category | # Parts | Status | Description |
|---|---|---|---|---|
| Part | Spec A | Spec B | Spec C | Spec D | Description |
|---|---|---|---|---|---|
| Series | Category | # Parts | Status | Description |
|---|---|---|---|---|
ISO7131CCTriple-channel, 2/1, 50-Mbps digital isolator | Digital Isolators | 1 | Active | ISO7131, ISO7140, and ISO7141 devices provide galvanic isolation up to 2500 VRMSfor 1 minute per UL and 4242 VPKper VDE. ISO7131 has three channels with two forward and one reverse-direction channels. ISO7140 and ISO7141 are quad-channel isolators; ISO7140 has four forward channels, ISO7141 has three forward and one reverse-direction channels. These devices are capable of 50-Mbps maximum data rate with 5-V supplies and 40-Mbps maximum data rate with 3.3-V or 2.7-V supplies, with integrated filters on the inputs for noise-prone applications. The suffix F indicates that default output state is low; otherwise, the default output state is high.
Each isolation channel has a logic input and output buffer separated by a silicon dioxide (SiO2) insulation barrier. Used with isolated power supplies, these devices prevent noise currents on a data bus or other circuits from entering the local ground and interfering with or damaging sensitive circuitry. The devices have TTL input thresholds and can operate from 2.7-V, 3.3-V, and 5-V supplies. All inputs are 5-V tolerant when supplied from a 2.7-V or 3.3-V supply.
ISO7131, ISO7140, and ISO7141 devices provide galvanic isolation up to 2500 VRMSfor 1 minute per UL and 4242 VPKper VDE. ISO7131 has three channels with two forward and one reverse-direction channels. ISO7140 and ISO7141 are quad-channel isolators; ISO7140 has four forward channels, ISO7141 has three forward and one reverse-direction channels. These devices are capable of 50-Mbps maximum data rate with 5-V supplies and 40-Mbps maximum data rate with 3.3-V or 2.7-V supplies, with integrated filters on the inputs for noise-prone applications. The suffix F indicates that default output state is low; otherwise, the default output state is high.
Each isolation channel has a logic input and output buffer separated by a silicon dioxide (SiO2) insulation barrier. Used with isolated power supplies, these devices prevent noise currents on a data bus or other circuits from entering the local ground and interfering with or damaging sensitive circuitry. The devices have TTL input thresholds and can operate from 2.7-V, 3.3-V, and 5-V supplies. All inputs are 5-V tolerant when supplied from a 2.7-V or 3.3-V supply. |
ISO7140CCQuad-channel, 4/0, 50-Mbps digital isolator | Digital Isolators | 2 | Active | ISO7131, ISO7140, and ISO7141 devices provide galvanic isolation up to 2500 VRMSfor 1 minute per UL and 4242 VPKper VDE. ISO7131 has three channels with two forward and one reverse-direction channels. ISO7140 and ISO7141 are quad-channel isolators; ISO7140 has four forward channels, ISO7141 has three forward and one reverse-direction channels. These devices are capable of 50-Mbps maximum data rate with 5-V supplies and 40-Mbps maximum data rate with 3.3-V or 2.7-V supplies, with integrated filters on the inputs for noise-prone applications. The suffix F indicates that default output state is low; otherwise, the default output state is high.
Each isolation channel has a logic input and output buffer separated by a silicon dioxide (SiO2) insulation barrier. Used with isolated power supplies, these devices prevent noise currents on a data bus or other circuits from entering the local ground and interfering with or damaging sensitive circuitry. The devices have TTL input thresholds and can operate from 2.7-V, 3.3-V, and 5-V supplies. All inputs are 5-V tolerant when supplied from a 2.7-V or 3.3-V supply.
ISO7131, ISO7140, and ISO7141 devices provide galvanic isolation up to 2500 VRMSfor 1 minute per UL and 4242 VPKper VDE. ISO7131 has three channels with two forward and one reverse-direction channels. ISO7140 and ISO7141 are quad-channel isolators; ISO7140 has four forward channels, ISO7141 has three forward and one reverse-direction channels. These devices are capable of 50-Mbps maximum data rate with 5-V supplies and 40-Mbps maximum data rate with 3.3-V or 2.7-V supplies, with integrated filters on the inputs for noise-prone applications. The suffix F indicates that default output state is low; otherwise, the default output state is high.
Each isolation channel has a logic input and output buffer separated by a silicon dioxide (SiO2) insulation barrier. Used with isolated power supplies, these devices prevent noise currents on a data bus or other circuits from entering the local ground and interfering with or damaging sensitive circuitry. The devices have TTL input thresholds and can operate from 2.7-V, 3.3-V, and 5-V supplies. All inputs are 5-V tolerant when supplied from a 2.7-V or 3.3-V supply. |
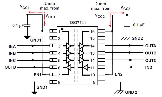
ISO7141FCCQuad-channel, 3/1, 50-Mbps, default output low digital isolator | Digital Isolators | 3 | Active | ISO7131, ISO7140, and ISO7141 devices provide galvanic isolation up to 2500 VRMSfor 1 minute per UL and 4242 VPKper VDE. ISO7131 has three channels with two forward and one reverse-direction channels. ISO7140 and ISO7141 are quad-channel isolators; ISO7140 has four forward channels, ISO7141 has three forward and one reverse-direction channels. These devices are capable of 50-Mbps maximum data rate with 5-V supplies and 40-Mbps maximum data rate with 3.3-V or 2.7-V supplies, with integrated filters on the inputs for noise-prone applications. The suffix F indicates that default output state is low; otherwise, the default output state is high.
Each isolation channel has a logic input and output buffer separated by a silicon dioxide (SiO2) insulation barrier. Used with isolated power supplies, these devices prevent noise currents on a data bus or other circuits from entering the local ground and interfering with or damaging sensitive circuitry. The devices have TTL input thresholds and can operate from 2.7-V, 3.3-V, and 5-V supplies. All inputs are 5-V tolerant when supplied from a 2.7-V or 3.3-V supply.
ISO7131, ISO7140, and ISO7141 devices provide galvanic isolation up to 2500 VRMSfor 1 minute per UL and 4242 VPKper VDE. ISO7131 has three channels with two forward and one reverse-direction channels. ISO7140 and ISO7141 are quad-channel isolators; ISO7140 has four forward channels, ISO7141 has three forward and one reverse-direction channels. These devices are capable of 50-Mbps maximum data rate with 5-V supplies and 40-Mbps maximum data rate with 3.3-V or 2.7-V supplies, with integrated filters on the inputs for noise-prone applications. The suffix F indicates that default output state is low; otherwise, the default output state is high.
Each isolation channel has a logic input and output buffer separated by a silicon dioxide (SiO2) insulation barrier. Used with isolated power supplies, these devices prevent noise currents on a data bus or other circuits from entering the local ground and interfering with or damaging sensitive circuitry. The devices have TTL input thresholds and can operate from 2.7-V, 3.3-V, and 5-V supplies. All inputs are 5-V tolerant when supplied from a 2.7-V or 3.3-V supply. |
ISO7142CC-Q1Automotive, quad-channel, 2/2, 50-Mbps digital isolator | Digital Isolators | 2 | Active | The ISO7142CC-Q1 device provides galvanic isolation up to 2500 VRMSfor 1 minute per UL 1577 and 4242-VPKper VDE V 0884-10. TheISO7142CC-Q1 is a quad-channel isolator with two forward and two reverse-direction channels. This device is capable of maximum data rate of 50 Mbps with 5-V supplies and 40 Mbps with 3.3-V or 2.7-V supplies. The ISO7142CC-Q1 device has integrated filters on the inputs to support noise-prone applications.
Each isolation channel has a logic input and output buffer separated by a silicon dioxide (SiO2) insulation barrier. Used in conjunction with isolated power supplies, this device prevents noise currents on a data bus or other circuits from entering the local ground and interfering with or damaging sensitive circuitry. This device has TTL input thresholds and can operate from 2.7-V, 3.3-V, and 5-V supplies.
The ISO7142CC-Q1 device provides galvanic isolation up to 2500 VRMSfor 1 minute per UL 1577 and 4242-VPKper VDE V 0884-10. TheISO7142CC-Q1 is a quad-channel isolator with two forward and two reverse-direction channels. This device is capable of maximum data rate of 50 Mbps with 5-V supplies and 40 Mbps with 3.3-V or 2.7-V supplies. The ISO7142CC-Q1 device has integrated filters on the inputs to support noise-prone applications.
Each isolation channel has a logic input and output buffer separated by a silicon dioxide (SiO2) insulation barrier. Used in conjunction with isolated power supplies, this device prevents noise currents on a data bus or other circuits from entering the local ground and interfering with or damaging sensitive circuitry. This device has TTL input thresholds and can operate from 2.7-V, 3.3-V, and 5-V supplies. |
| Evaluation and Demonstration Boards and Kits | 1 | Obsolete | ||
ISO721M-EPAutomotive, single-channel, 100-Mbps digital isolator | Isolators | 8 | Active | The ISO721, ISO721M, ISO722, and ISO722M are digital isolators with a logic input and output buffer separated by a silicon oxide (SiO2) insulation barrier. This barrier provides galvanic isolation of up to 4000 V. Used in conjunction with isolated power supplies, these devices prevent noise currents on a data bus or other circuits from entering the local ground, and interfering with or damaging sensitive circuitry.
A binary input signal is conditioned, translated to a balanced signal, then differentiated by the capacitive isolation barrier. Across the isolation barrier, a differential comparator receives the logic transition information, then sets or resets a flip-flop and the output circuit accordingly. A periodic update pulse is sent across the barrier to ensure the proper dc level of the output. If this dc-refresh pulse is not received for more than 4 µs, the input is assumed to be unpowered or not being actively driven, and the failsafe circuit drives the output to a logic high state.
The symmetry of the dielectric and capacitor within the integrated circuitry provides for close capacitive matching, and allows fast transient voltage changes between the input and output grounds without corrupting the output. The small capacitance and resulting time constant provide for fast operation with signaling rates(2)from 0 Mbps (dc) to 100 Mbps for the ISO721/ISO722, and 0 Mbps to 150 Mbps with the ISO721M/ISO722M.
These devices require two supply voltages of 3.3 V, 5 V, or any combination. All inputs are 5-V tolerant when supplied from a 3.3-V supply and all outputs are 4-mA CMOS.
The ISO721 has TTL input thresholds and a noise-filter at the input that prevents transient pulses of up to 2 ns in duration from being passed to the output of the device.
The ISO721M has CMOS VCC/2 input thresholds, but do not have the noise filter and the additional propagation delay. These features of the ISO721M also provide for reduced jitter operation.
The ISO721M is characterized for operation over the ambient temperature range of –55°C to 125°C.
The ISO721, ISO721M, ISO722, and ISO722M are digital isolators with a logic input and output buffer separated by a silicon oxide (SiO2) insulation barrier. This barrier provides galvanic isolation of up to 4000 V. Used in conjunction with isolated power supplies, these devices prevent noise currents on a data bus or other circuits from entering the local ground, and interfering with or damaging sensitive circuitry.
A binary input signal is conditioned, translated to a balanced signal, then differentiated by the capacitive isolation barrier. Across the isolation barrier, a differential comparator receives the logic transition information, then sets or resets a flip-flop and the output circuit accordingly. A periodic update pulse is sent across the barrier to ensure the proper dc level of the output. If this dc-refresh pulse is not received for more than 4 µs, the input is assumed to be unpowered or not being actively driven, and the failsafe circuit drives the output to a logic high state.
The symmetry of the dielectric and capacitor within the integrated circuitry provides for close capacitive matching, and allows fast transient voltage changes between the input and output grounds without corrupting the output. The small capacitance and resulting time constant provide for fast operation with signaling rates(2)from 0 Mbps (dc) to 100 Mbps for the ISO721/ISO722, and 0 Mbps to 150 Mbps with the ISO721M/ISO722M.
These devices require two supply voltages of 3.3 V, 5 V, or any combination. All inputs are 5-V tolerant when supplied from a 3.3-V supply and all outputs are 4-mA CMOS.
The ISO721 has TTL input thresholds and a noise-filter at the input that prevents transient pulses of up to 2 ns in duration from being passed to the output of the device.
The ISO721M has CMOS VCC/2 input thresholds, but do not have the noise filter and the additional propagation delay. These features of the ISO721M also provide for reduced jitter operation.
The ISO721M is characterized for operation over the ambient temperature range of –55°C to 125°C. |
| Digital Isolators | 6 | Active | ||
ISO7220A-Q1Automotive, dual-channel, 2/0, 1-Mbps digital isolator | Isolators | 10 | Active | The ISO7220x-Q1 and ISO7221x-Q1 family devices are dual-channel digital isolators. To facilitate PCB layout, the channels are oriented in the same direction in the ISO7220x-Q1 and in opposite directions in the ISO7221x-Q1. These devices have a logic input and output buffer separated by TI’s silicon-dioxide (SiO2) isolation barrier, providing galvanic isolation of up to 4000VPK per VDE. Used in conjunction with isolated power supplies, these devices block high voltage and isolate grounds, as well as prevent noise currents on a data bus or other circuits from entering the local ground and interfering with or damaging sensitive circuitry.
A binary input signal is conditioned, translated to a balanced signal, then differentiated by the isolation barrier. Across the isolation barrier, a differential comparator receives the logic transition information, then sets or resets a flip-flop and the output circuit accordingly. A periodic update pulse is sent across the barrier to verify that the proper dc level of the output. If this dc-refresh pulse is not received every 4µs, the input is assumed to be unpowered or not being actively driven, and the failsafe circuit drives the output to a logic high state.
The resulting time constant provides fast operation with signaling rates available from 0Mbps (DC) to 25Mbps (The signaling rate of a line is the number of voltage transitions that are made per second expressed in the units bps). The A-option, and C-option devices have TTL input thresholds and a noise filter at the input that prevents transient pulses from being passed to the output of the device. The M-option devices have CMOS VCC/2 input thresholds and do not have the input noise filter and the additional propagation delay.
The ISO7220x-Q1 and ISO7221x-Q1 family of devices require two supply voltages of 2.8V (C-Grade), 3.3V, 5V, or any combination. All inputs are 5V tolerant when supplied from a 2.8V or 3.3V supply and all outputs are 4mA CMOS.
The ISO7220x-Q1 and ISO7221x-Q1 family of devices are characterized for operation over the ambient temperature range of –40°C to +125°C.
The ISO7220x-Q1 and ISO7221x-Q1 family devices are dual-channel digital isolators. To facilitate PCB layout, the channels are oriented in the same direction in the ISO7220x-Q1 and in opposite directions in the ISO7221x-Q1. These devices have a logic input and output buffer separated by TI’s silicon-dioxide (SiO2) isolation barrier, providing galvanic isolation of up to 4000VPK per VDE. Used in conjunction with isolated power supplies, these devices block high voltage and isolate grounds, as well as prevent noise currents on a data bus or other circuits from entering the local ground and interfering with or damaging sensitive circuitry.
A binary input signal is conditioned, translated to a balanced signal, then differentiated by the isolation barrier. Across the isolation barrier, a differential comparator receives the logic transition information, then sets or resets a flip-flop and the output circuit accordingly. A periodic update pulse is sent across the barrier to verify that the proper dc level of the output. If this dc-refresh pulse is not received every 4µs, the input is assumed to be unpowered or not being actively driven, and the failsafe circuit drives the output to a logic high state.
The resulting time constant provides fast operation with signaling rates available from 0Mbps (DC) to 25Mbps (The signaling rate of a line is the number of voltage transitions that are made per second expressed in the units bps). The A-option, and C-option devices have TTL input thresholds and a noise filter at the input that prevents transient pulses from being passed to the output of the device. The M-option devices have CMOS VCC/2 input thresholds and do not have the input noise filter and the additional propagation delay.
The ISO7220x-Q1 and ISO7221x-Q1 family of devices require two supply voltages of 2.8V (C-Grade), 3.3V, 5V, or any combination. All inputs are 5V tolerant when supplied from a 2.8V or 3.3V supply and all outputs are 4mA CMOS.
The ISO7220x-Q1 and ISO7221x-Q1 family of devices are characterized for operation over the ambient temperature range of –40°C to +125°C. |
ISO7221C-Q1Automotive, dual-channel, 1/1, 25-Mbps digital isolator | Digital Isolators | 13 | Active | The ISO7220x-Q1 and ISO7221x-Q1 family devices are dual-channel digital isolators. To facilitate PCB layout, the channels are oriented in the same direction in the ISO7220x-Q1 and in opposite directions in the ISO7221x-Q1. These devices have a logic input and output buffer separated by TI’s silicon-dioxide (SiO2) isolation barrier, providing galvanic isolation of up to 4000VPK per VDE. Used in conjunction with isolated power supplies, these devices block high voltage and isolate grounds, as well as prevent noise currents on a data bus or other circuits from entering the local ground and interfering with or damaging sensitive circuitry.
A binary input signal is conditioned, translated to a balanced signal, then differentiated by the isolation barrier. Across the isolation barrier, a differential comparator receives the logic transition information, then sets or resets a flip-flop and the output circuit accordingly. A periodic update pulse is sent across the barrier to verify that the proper dc level of the output. If this dc-refresh pulse is not received every 4µs, the input is assumed to be unpowered or not being actively driven, and the failsafe circuit drives the output to a logic high state.
The resulting time constant provides fast operation with signaling rates available from 0Mbps (DC) to 25Mbps (The signaling rate of a line is the number of voltage transitions that are made per second expressed in the units bps). The A-option, and C-option devices have TTL input thresholds and a noise filter at the input that prevents transient pulses from being passed to the output of the device. The M-option devices have CMOS VCC/2 input thresholds and do not have the input noise filter and the additional propagation delay.
The ISO7220x-Q1 and ISO7221x-Q1 family of devices require two supply voltages of 2.8V (C-Grade), 3.3V, 5V, or any combination. All inputs are 5V tolerant when supplied from a 2.8V or 3.3V supply and all outputs are 4mA CMOS.
The ISO7220x-Q1 and ISO7221x-Q1 family of devices are characterized for operation over the ambient temperature range of –40°C to +125°C.
The ISO7220x-Q1 and ISO7221x-Q1 family devices are dual-channel digital isolators. To facilitate PCB layout, the channels are oriented in the same direction in the ISO7220x-Q1 and in opposite directions in the ISO7221x-Q1. These devices have a logic input and output buffer separated by TI’s silicon-dioxide (SiO2) isolation barrier, providing galvanic isolation of up to 4000VPK per VDE. Used in conjunction with isolated power supplies, these devices block high voltage and isolate grounds, as well as prevent noise currents on a data bus or other circuits from entering the local ground and interfering with or damaging sensitive circuitry.
A binary input signal is conditioned, translated to a balanced signal, then differentiated by the isolation barrier. Across the isolation barrier, a differential comparator receives the logic transition information, then sets or resets a flip-flop and the output circuit accordingly. A periodic update pulse is sent across the barrier to verify that the proper dc level of the output. If this dc-refresh pulse is not received every 4µs, the input is assumed to be unpowered or not being actively driven, and the failsafe circuit drives the output to a logic high state.
The resulting time constant provides fast operation with signaling rates available from 0Mbps (DC) to 25Mbps (The signaling rate of a line is the number of voltage transitions that are made per second expressed in the units bps). The A-option, and C-option devices have TTL input thresholds and a noise filter at the input that prevents transient pulses from being passed to the output of the device. The M-option devices have CMOS VCC/2 input thresholds and do not have the input noise filter and the additional propagation delay.
The ISO7220x-Q1 and ISO7221x-Q1 family of devices require two supply voltages of 2.8V (C-Grade), 3.3V, 5V, or any combination. All inputs are 5V tolerant when supplied from a 2.8V or 3.3V supply and all outputs are 4mA CMOS.
The ISO7220x-Q1 and ISO7221x-Q1 family of devices are characterized for operation over the ambient temperature range of –40°C to +125°C. |
ISO7230CTriple-channel, 3/0, 150-Mbps digital isolator | Digital Isolators | 7 | Active | The ISO7230 and ISO7231 are triple-channel digital isolators each with multiple channel configurations and output enable functions. These devices have logic input and output buffers separated by TI’s silicon dioxide (SiO2) isolation barrier. Used in conjunction with isolated power supplies, these devices block high voltage, isolate grounds, and prevent noise currents on a data bus or other circuits from entering the local ground and interfering with or damaging sensitive circuitry.
The ISO7230 and ISO7231 are triple-channel digital isolators each with multiple channel configurations and output enable functions. These devices have logic input and output buffers separated by TI’s silicon dioxide (SiO2) isolation barrier. Used in conjunction with isolated power supplies, these devices block high voltage, isolate grounds, and prevent noise currents on a data bus or other circuits from entering the local ground and interfering with or damaging sensitive circuitry. |
| Part | Category | Description |
|---|---|---|
Texas Instruments | Integrated Circuits (ICs) | BUS DRIVER, BCT/FBT SERIES |
Texas Instruments | Integrated Circuits (ICs) | 12BIT 3.3V~3.6V 210MHZ PARALLEL VQFN-48-EP(7X7) ANALOG TO DIGITAL CONVERTERS (ADC) ROHS |
Texas Instruments | Integrated Circuits (ICs) | TMX320DRE311 179PIN UBGA 200MHZ |
Texas Instruments TPS61040DRVTG4Unknown | Integrated Circuits (ICs) | IC LED DRV RGLTR PWM 350MA 6WSON |
Texas Instruments LP3876ET-2.5Obsolete | Integrated Circuits (ICs) | IC REG LINEAR 2.5V 3A TO220-5 |
Texas Instruments LMS1585ACSX-ADJObsolete | Integrated Circuits (ICs) | IC REG LIN POS ADJ 5A DDPAK |
Texas Instruments INA111APG4Obsolete | Integrated Circuits (ICs) | IC INST AMP 1 CIRCUIT 8DIP |
Texas Instruments | Integrated Circuits (ICs) | AUTOMOTIVE, QUAD 36V 1.2MHZ OPERATIONAL AMPLIFIER |
Texas Instruments OPA340NA/3KG4Unknown | Integrated Circuits (ICs) | IC OPAMP GP 1 CIRCUIT SOT23-5 |
Texas Instruments PT5112AObsolete | Power Supplies - Board Mount | DC DC CONVERTER 8V 8W |