DS90C32013.3V 8 MHz to 135 MHz Dual FPD-Link Transmitter | Interface | 1 | LTB | The DS90C3201 is a 3.3V single/dual FPD-Link 10-bit color transmitter is designed to be used in Liquid Crystal Display TVs, LCD Monitors, Digital TVs, and Plasma Display Panel TVs. The DS90C3201 is designed to interface between the digital video processor and the display device using the low-power, low-EMI LVDS (Low Voltage Differential Signaling) interface. The DS90C3201 converts up to 70 bits of LVCMOS/LVTTL data into ten LVDS data streams. The transmitter can be programmed clocking data with rising edge or falling edge clock. Optional two-wire serial programming allows fine tuning in development and production environments. At a transmitted clock frequency of 135 MHz, 70 bits of LVCMOS/LVTTL data are transmitted at an effective rate of 945 Mbps per LVDS channel. Using a 135 MHz clock, the data throughput is 9.45Gbit/s (945Mbytes/s). This allows the dual 10-bit LVDS Transmitter to support HDTV resolutions.
The DS90C3201 is a 3.3V single/dual FPD-Link 10-bit color transmitter is designed to be used in Liquid Crystal Display TVs, LCD Monitors, Digital TVs, and Plasma Display Panel TVs. The DS90C3201 is designed to interface between the digital video processor and the display device using the low-power, low-EMI LVDS (Low Voltage Differential Signaling) interface. The DS90C3201 converts up to 70 bits of LVCMOS/LVTTL data into ten LVDS data streams. The transmitter can be programmed clocking data with rising edge or falling edge clock. Optional two-wire serial programming allows fine tuning in development and production environments. At a transmitted clock frequency of 135 MHz, 70 bits of LVCMOS/LVTTL data are transmitted at an effective rate of 945 Mbps per LVDS channel. Using a 135 MHz clock, the data throughput is 9.45Gbit/s (945Mbytes/s). This allows the dual 10-bit LVDS Transmitter to support HDTV resolutions. |
DS90C32023.3V 8 MHz to 135 MHz Dual FPD-Link Receiver | Interface | 1 | Active | The DS90C3202 is a 3.3V single/dual FPD-Link 10-bit color receiver is designed to be used in Liquid Crystal Display TVs, LCD Monitors, Digital TVs, and Plasma Display Panel TVs. The DS90C3202 is designed to interface between the digital video processor and the display device using the low-power, low-EMI LVDS (Low Voltage Differential Signaling) interface. The DS90C3202 converts up to ten LVDS data streams back into 70 bits of parallel LVCMOS/LVTTL data. The receiver can be programmed with rising edge or falling edge clock. Optional wo-wire serial programming allows fine tuning in development and production environments. With an input clock at 135 MHz, the maximum transmission rate of each LVDS line is 945 Mbps, for an aggregate throughput rate of 9.45 Gbps (945 Mbytes/s). This allows the dual 10-bit LVDS Receiver to support resolutions up to HDTV.
The DS90C3202 is a 3.3V single/dual FPD-Link 10-bit color receiver is designed to be used in Liquid Crystal Display TVs, LCD Monitors, Digital TVs, and Plasma Display Panel TVs. The DS90C3202 is designed to interface between the digital video processor and the display device using the low-power, low-EMI LVDS (Low Voltage Differential Signaling) interface. The DS90C3202 converts up to ten LVDS data streams back into 70 bits of parallel LVCMOS/LVTTL data. The receiver can be programmed with rising edge or falling edge clock. Optional wo-wire serial programming allows fine tuning in development and production environments. With an input clock at 135 MHz, the maximum transmission rate of each LVDS line is 945 Mbps, for an aggregate throughput rate of 9.45 Gbps (945 Mbytes/s). This allows the dual 10-bit LVDS Receiver to support resolutions up to HDTV. |
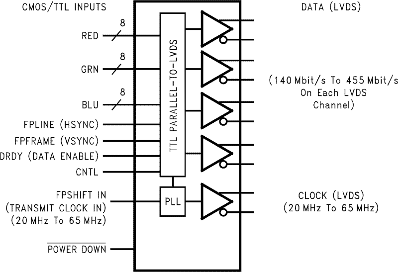
DS90C363B+3.3V Programmable LVDS Transmitter 18-Bit Flat Panel Display (FPD) Link - 65MHz | Specialized | 5 | Active | The DS90C363B transmitter converts 21 bits of CMOS/TTL data into three LVDS (Low Voltage Differential Signaling) data streams. A phase-locked transmit clock is transmitted in parallel with the data streams over a fourth LVDS link. Every cycle of the transmit clock 21 bits of input data are sampled and transmitted. At a transmit clock frequency of 65 MHz, 18 bits of RGB data and 3 bits of LCD timing and control data (FPLINE, FPFRAME, DRDY) are transmitted at a rate of 455 Mbps per LVDS data channel. Using a 65 MHz clock, the data throughput is 170 Mbytes/sec. The DS90C363B transmitter can be programmed for Rising edge strobe or Falling edge strobe through a dedicated pin. A Rising edge or Falling edge strobe transmitter will interoperate with a Falling edge strobe Receiver (DS90CF366) without any translation logic.
This chipset is an ideal means to solve EMI and cable size problems associated with wide, high speed TTL interfaces.
The DS90C363B transmitter converts 21 bits of CMOS/TTL data into three LVDS (Low Voltage Differential Signaling) data streams. A phase-locked transmit clock is transmitted in parallel with the data streams over a fourth LVDS link. Every cycle of the transmit clock 21 bits of input data are sampled and transmitted. At a transmit clock frequency of 65 MHz, 18 bits of RGB data and 3 bits of LCD timing and control data (FPLINE, FPFRAME, DRDY) are transmitted at a rate of 455 Mbps per LVDS data channel. Using a 65 MHz clock, the data throughput is 170 Mbytes/sec. The DS90C363B transmitter can be programmed for Rising edge strobe or Falling edge strobe through a dedicated pin. A Rising edge or Falling edge strobe transmitter will interoperate with a Falling edge strobe Receiver (DS90CF366) without any translation logic.
This chipset is an ideal means to solve EMI and cable size problems associated with wide, high speed TTL interfaces. |
DS90C365A+3.3V Programmable LVDS Transmitter 18-Bit Flat Panel Display Link-87.5 MHz | Integrated Circuits (ICs) | 2 | Active | The DS90C365A is a pin to pin compatible replacement for DS90C363, DS90C363A and DS90C365. The DS90C365A has additional features and improvements making it an ideal replacement for DS90C363, DS90C363A and DS90C365. family of LVDS Transmitters.
The DS90C365A transmitter converts 21 bits of LVCMOS/LVTTL data into four LVDS (Low Voltage Differential Signaling) data streams. A phase-locked transmit clock is transmitted in parallel with the data streams over the fourth LVDS link. Every cycle of the transmit clock 21 bits RGB of input data are sampled and transmitted. At a transmit clock frequency of 87.5 MHz, 21 bits of RGB data and 3 bits of LCD timing and control data (FPLINE, FPFRAME, DRDY) are transmitted at a rate of 612.5 Mbps per LVDS data channel. Using a 87.5 MHz clock, the data throughput is 229.687 Mbytes/sec. This transmitter can be programmed for Rising edge strobe or Falling edge strobe through a dedicated pin. A Rising edge or Falling edge strobe transmitter will interoperate with a Falling edge strobe FPDLink Receiver without any translation logic.
This chipset is an ideal means to solve EMI and cable size problems associated with wide, high-speed TTL interfaces with added Spead Spectrum Clocking support..
The DS90C365A is a pin to pin compatible replacement for DS90C363, DS90C363A and DS90C365. The DS90C365A has additional features and improvements making it an ideal replacement for DS90C363, DS90C363A and DS90C365. family of LVDS Transmitters.
The DS90C365A transmitter converts 21 bits of LVCMOS/LVTTL data into four LVDS (Low Voltage Differential Signaling) data streams. A phase-locked transmit clock is transmitted in parallel with the data streams over the fourth LVDS link. Every cycle of the transmit clock 21 bits RGB of input data are sampled and transmitted. At a transmit clock frequency of 87.5 MHz, 21 bits of RGB data and 3 bits of LCD timing and control data (FPLINE, FPFRAME, DRDY) are transmitted at a rate of 612.5 Mbps per LVDS data channel. Using a 87.5 MHz clock, the data throughput is 229.687 Mbytes/sec. This transmitter can be programmed for Rising edge strobe or Falling edge strobe through a dedicated pin. A Rising edge or Falling edge strobe transmitter will interoperate with a Falling edge strobe FPDLink Receiver without any translation logic.
This chipset is an ideal means to solve EMI and cable size problems associated with wide, high-speed TTL interfaces with added Spead Spectrum Clocking support.. |
DS90C383B3.3-V programmable LVDS transmitter 24-bit flat panel display (FPD-Link) - 65 MHz | Integrated Circuits (ICs) | 2 | Active | The DS90C383 transmitter converts 28 bits of CMOS/TTL data into four LVDS (Low Voltage Differential Signaling) data streams. A phase-locked transmit clock is transmitted in parallel with the data streams over a fifth LVDS link. Every cycle of the transmit clock 28 bits of input data are sampled and transmitted. The DS90CF384 receiver converts the LVDS data streams back into 28 bits of CMOS/TTL data. At a transmit clock frequency of 65 MHz, 24 bits of RGB data and 3 bits of LCD timing and control data (FPLINE, FPFRAME, DRDY) are transmitted at a rate of 455 Mbps per LVDS data channel. Using a 65 MHz clock, the data throughputs is 227 Mbytes/sec. The transmitter is offered with programmable edge data strobes for convenient interface with a variety of graphics controllers. The transmitter can be programmed for Rising edge strobe or Falling edge strobe through a dedicated pin. A Rising edge transmitter will inter-operate with a Falling edge receiver (DS90CF384) without any translation logic. The DS90CF384 is also offered in 64 ball, 0.8mm fine pitch ball grid array(FBGA) package which provides a 44 % reduction in PCB footprint (available Q3, 1999).
This chipset is an ideal means to solve EMI and cable size problems associated with wide, high speed TTL interfaces.
The DS90C383 transmitter converts 28 bits of CMOS/TTL data into four LVDS (Low Voltage Differential Signaling) data streams. A phase-locked transmit clock is transmitted in parallel with the data streams over a fifth LVDS link. Every cycle of the transmit clock 28 bits of input data are sampled and transmitted. The DS90CF384 receiver converts the LVDS data streams back into 28 bits of CMOS/TTL data. At a transmit clock frequency of 65 MHz, 24 bits of RGB data and 3 bits of LCD timing and control data (FPLINE, FPFRAME, DRDY) are transmitted at a rate of 455 Mbps per LVDS data channel. Using a 65 MHz clock, the data throughputs is 227 Mbytes/sec. The transmitter is offered with programmable edge data strobes for convenient interface with a variety of graphics controllers. The transmitter can be programmed for Rising edge strobe or Falling edge strobe through a dedicated pin. A Rising edge transmitter will inter-operate with a Falling edge receiver (DS90CF384) without any translation logic. The DS90CF384 is also offered in 64 ball, 0.8mm fine pitch ball grid array(FBGA) package which provides a 44 % reduction in PCB footprint (available Q3, 1999).
This chipset is an ideal means to solve EMI and cable size problems associated with wide, high speed TTL interfaces. |
DS90C385ALVDS transmitter flat-panel display, 85-MHz | Drivers, Receivers, Transceivers | 2 | Active | The DS90C385A is a pin to pin compatible replacement for DS90C383, DS90C383A and DS90C385. The DS90C385A has additional features and improvements making it an ideal replacement for DS90C383, DS90C383A and DS90C385. family of LVDS Transmitters.
The DS90C385A transmitter converts 28 bits of LVCMOS/LVTTL data into four LVDS (Low Voltage Differential Signaling) data streams. A phase-locked transmit clock is transmitted in parallel with the data streams over the fifth LVDS link. Every cycle of the transmit clock 28 bits of input data are sampled and transmitted. At a transmit clock frequency of 87.5 MHz, 24 bits of RGB data and 3 bits of LCD timing and control data (FPLINE, FPFRAME, DRDY) are transmitted at a rate of 612.5Mbps per LVDS data channel. Using a 87.5 MHz clock, the data throughput is 306.25Mbytes/sec. This transmitter can be programmed for Rising edge strobe or Falling edge strobe through a dedicated pin. A Rising edge or Falling edge strobe transmitter will interoperate with a Falling edge strobe FPDLink Receiver without any translation logic.
This chipset is an ideal means to solve EMI and cable size problems associated with wide, high-speed TTL interfaces with added Spread Spectrum Clocking support.
The DS90C385A is a pin to pin compatible replacement for DS90C383, DS90C383A and DS90C385. The DS90C385A has additional features and improvements making it an ideal replacement for DS90C383, DS90C383A and DS90C385. family of LVDS Transmitters.
The DS90C385A transmitter converts 28 bits of LVCMOS/LVTTL data into four LVDS (Low Voltage Differential Signaling) data streams. A phase-locked transmit clock is transmitted in parallel with the data streams over the fifth LVDS link. Every cycle of the transmit clock 28 bits of input data are sampled and transmitted. At a transmit clock frequency of 87.5 MHz, 24 bits of RGB data and 3 bits of LCD timing and control data (FPLINE, FPFRAME, DRDY) are transmitted at a rate of 612.5Mbps per LVDS data channel. Using a 87.5 MHz clock, the data throughput is 306.25Mbytes/sec. This transmitter can be programmed for Rising edge strobe or Falling edge strobe through a dedicated pin. A Rising edge or Falling edge strobe transmitter will interoperate with a Falling edge strobe FPDLink Receiver without any translation logic.
This chipset is an ideal means to solve EMI and cable size problems associated with wide, high-speed TTL interfaces with added Spread Spectrum Clocking support. |
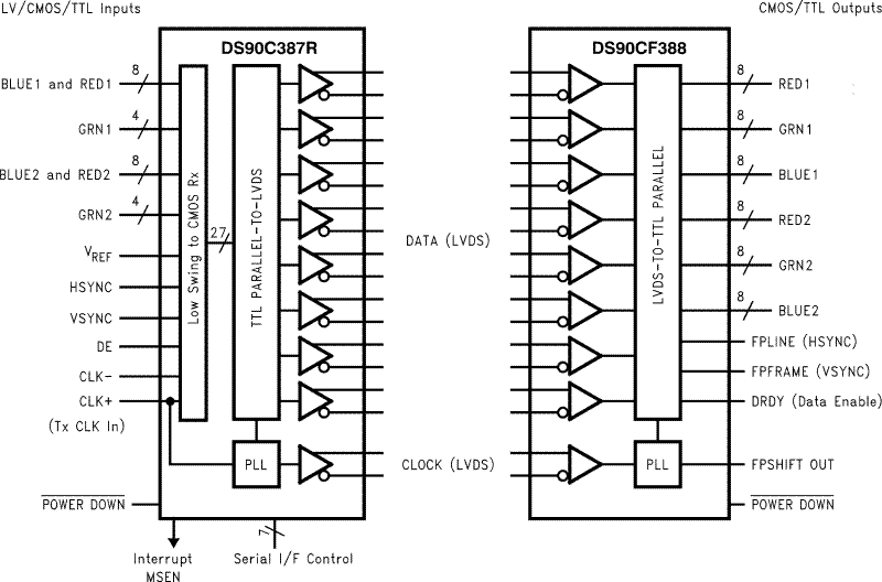
DS90C387A85MHz Dual 12-Bit Double Pumped Input LDI Transmitter VGA/UXGA | Interface | 3 | Active | The DS90C387R transmitter is designed to support pixel data transmission from a Host to a Flat Panel Display up to UXGA resolution. It is designed to be compatible with Graphics Memory Controller Hub (GMCH) by implementing two data per clock and can be controlled by a two-wire serial communication interface. Two input modes are supported: one port of 12-bit( two data per clock) input for 24-bit RGB, and two ports of 12-bit( two data per clock) input for dual 24-bit RGB( 48-bit total). In both modes, input data will be clocked on both rising and falling edges in LVTTL level operation, or clocked on the cross over of differential clock signals in the low swing operation. Each input data width will be 1/2 of clock cycle. With an input clock at 85MHz and input data at 170Mbps, the maximum transmission rate of each LVDS line is 595Mbps, for a aggregate throughput rate of 2.38Gbps/4.76Gbps. It converts 24/48 bits (Single/Dual Pixel 24-bit color) of data into 4/8 LVDS (Low Voltage Differential Signaling) data streams. DS90C387R can be programmed via the two-wire serial communication interface. The LVDS output pin-out is identical to DS90C387. Thus, this transmitter can be paired up with DS90CF388, receiver of the 112MHz LDI chipset or FPD-Link Receivers in non-DC Balance mode operation which provides GUI/LCD panel/mother board vendors a wide choice of inter-operation with LVDS based TFT panels.
DS90C387R also comes with features that can be found on DS90C387. Cable drive is enhanced with a user selectable pre-emphasis feature that provides additional output current during transitions to counteract cable loading effects. DC Balancing on a cycle-to-cycle basis is also provided to reduce ISI (Inter-Symbol Interference), control signals (VSYNC, HSYNC, DE) are sent during blanking intervals. With pre-emphasis and DC Balancing, a low distortion eye-pattern is provided at the receiver end of the cable. These enhancements allow cables 5 to 15+ meters in length to be driven depending on media characteristic and pixel clock speed. Pre-emphasis is available in both the DC Balanced and Non-DC Balanced modes. In the Non-DC Balanced mode backward compatibility with FPD-Link Receivers is obtained.
This chip is an ideal solution to solve EMI and cable size problems for high-resolution flat panel display applications. It provides a reliable industry standard interface based on LVDS technology that delivers the bandwidth needed for high-resolution panels while maximizing bit times, and keeping clock rates low to reduce EMI and shielding requirements. For more details, please refer to the "Applications Information" section of this datasheet.
The DS90C387R transmitter is designed to support pixel data transmission from a Host to a Flat Panel Display up to UXGA resolution. It is designed to be compatible with Graphics Memory Controller Hub (GMCH) by implementing two data per clock and can be controlled by a two-wire serial communication interface. Two input modes are supported: one port of 12-bit( two data per clock) input for 24-bit RGB, and two ports of 12-bit( two data per clock) input for dual 24-bit RGB( 48-bit total). In both modes, input data will be clocked on both rising and falling edges in LVTTL level operation, or clocked on the cross over of differential clock signals in the low swing operation. Each input data width will be 1/2 of clock cycle. With an input clock at 85MHz and input data at 170Mbps, the maximum transmission rate of each LVDS line is 595Mbps, for a aggregate throughput rate of 2.38Gbps/4.76Gbps. It converts 24/48 bits (Single/Dual Pixel 24-bit color) of data into 4/8 LVDS (Low Voltage Differential Signaling) data streams. DS90C387R can be programmed via the two-wire serial communication interface. The LVDS output pin-out is identical to DS90C387. Thus, this transmitter can be paired up with DS90CF388, receiver of the 112MHz LDI chipset or FPD-Link Receivers in non-DC Balance mode operation which provides GUI/LCD panel/mother board vendors a wide choice of inter-operation with LVDS based TFT panels.
DS90C387R also comes with features that can be found on DS90C387. Cable drive is enhanced with a user selectable pre-emphasis feature that provides additional output current during transitions to counteract cable loading effects. DC Balancing on a cycle-to-cycle basis is also provided to reduce ISI (Inter-Symbol Interference), control signals (VSYNC, HSYNC, DE) are sent during blanking intervals. With pre-emphasis and DC Balancing, a low distortion eye-pattern is provided at the receiver end of the cable. These enhancements allow cables 5 to 15+ meters in length to be driven depending on media characteristic and pixel clock speed. Pre-emphasis is available in both the DC Balanced and Non-DC Balanced modes. In the Non-DC Balanced mode backward compatibility with FPD-Link Receivers is obtained.
This chip is an ideal solution to solve EMI and cable size problems for high-resolution flat panel display applications. It provides a reliable industry standard interface based on LVDS technology that delivers the bandwidth needed for high-resolution panels while maximizing bit times, and keeping clock rates low to reduce EMI and shielding requirements. For more details, please refer to the "Applications Information" section of this datasheet. |
DS90C401Dual low voltage differential signaling driver | Drivers, Receivers, Transceivers | 3 | Active | The DS90C401 is a dual driver device optimized for high data rate and low power applications. This device along with the DS90C402 provides a pair chip solution for a dual high speed point-to-point interface. The DS90C401 is a current mode driver allowing power dissipation to remain low even at high frequency. In addition, the short circuit fault current is also minimized. The device is in a 8 lead small outline package. The differential driver outputs provides low EMI with its low output swings typically 340 mV.
The DS90C401 is a dual driver device optimized for high data rate and low power applications. This device along with the DS90C402 provides a pair chip solution for a dual high speed point-to-point interface. The DS90C401 is a current mode driver allowing power dissipation to remain low even at high frequency. In addition, the short circuit fault current is also minimized. The device is in a 8 lead small outline package. The differential driver outputs provides low EMI with its low output swings typically 340 mV. |
DS90C402Dual low voltage differential signaling receiver | Drivers, Receivers, Transceivers | 3 | Active | The DS90C402 is a dual receiver device optimized for high data rate and low power applications. This device along with the DS90C401 provides a pair chip solution for a dual high speed point-to-point interface. The device is in a PCB space saving 8 lead small outline package. The receiver offers ±100 mV threshold sensitivity, in addition to common-mode noise protection.
The DS90C402 is a dual receiver device optimized for high data rate and low power applications. This device along with the DS90C401 provides a pair chip solution for a dual high speed point-to-point interface. The device is in a PCB space saving 8 lead small outline package. The receiver offers ±100 mV threshold sensitivity, in addition to common-mode noise protection. |
DS90CF363B+3.3V Falling Edge LVDS Transmitter 18-Bit Flat Panel Display (FPD) Link - 65MHz | Integrated Circuits (ICs) | 3 | Active | The DS90CF363B transmitter converts 21 bits of CMOS/TTL data into three LVDS (Low Voltage Differential Signaling) data streams. A phase-locked transmit clock is transmitted in parallel with the data streams over a fourth LVDS link. Every cycle of the transmit clock 21 bits of input data are sampled and transmitted. At a transmit clock frequency of 65 MHz, 18 bits of RGB data and 3 bits of LCD timing and control data (FPLINE, FPFRAME, DRDY) are transmitted at a rate of 455 Mbps per LVDS data channel. Using a 65 MHz clock, the data throughput is 170 Mbytes/sec. The DS90CF363B is fixed as a Falling edge strobe transmitter and will interoperate with a Falling edge strobe Receiver (DS90CF366) without any translation logic.
This chipset is an ideal means to solve EMI and cable size problems associated with wide, high speed TTL interfaces.
The DS90CF363B transmitter converts 21 bits of CMOS/TTL data into three LVDS (Low Voltage Differential Signaling) data streams. A phase-locked transmit clock is transmitted in parallel with the data streams over a fourth LVDS link. Every cycle of the transmit clock 21 bits of input data are sampled and transmitted. At a transmit clock frequency of 65 MHz, 18 bits of RGB data and 3 bits of LCD timing and control data (FPLINE, FPFRAME, DRDY) are transmitted at a rate of 455 Mbps per LVDS data channel. Using a 65 MHz clock, the data throughput is 170 Mbytes/sec. The DS90CF363B is fixed as a Falling edge strobe transmitter and will interoperate with a Falling edge strobe Receiver (DS90CF366) without any translation logic.
This chipset is an ideal means to solve EMI and cable size problems associated with wide, high speed TTL interfaces. |