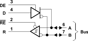
65176Differential Bus Transceiver | Interface | 6 | Active | The SN65176B and SN75176B differential bus transceivers are designed for bidirectional data communication on multipoint bus transmission lines. They are designed for balanced transmission lines and meet ANSI Standards TIA/EIA-422-B and TIA/EIA-485-A and ITU Recommendations V.11 and X.27.
The SN65176B and SN75176B devices combine a 3-state differential line driver and a differential input line receiver, both of which operate from a single 5-V power supply. The driver and receiver have active-high and active-low enables, respectively, that can be connected together externally to function as a direction control. The driver differential outputs and the receiver differential inputs are connected internally to form differential input/output (I/O) bus ports that are designed to offer minimum loading to the bus when the driver is disabled or VCC= 0. These ports feature wide positive and negative common-mode voltage ranges, making the device suitable for party-line applications.
The driver is designed for up to 60 mA of sink or source current. The driver features positive and negative current limiting and thermal shutdown for protection from line-fault conditions. Thermal shutdown is designed to occur at a junction temperature of approximately 150°C. The receiver features a minimum input impedance of 12 kΩ, an input sensitivity of ±200 mV, and a typical input hysteresis of 50 mV.
The SN65176B and SN75176B differential bus transceivers are designed for bidirectional data communication on multipoint bus transmission lines. They are designed for balanced transmission lines and meet ANSI Standards TIA/EIA-422-B and TIA/EIA-485-A and ITU Recommendations V.11 and X.27.
The SN65176B and SN75176B devices combine a 3-state differential line driver and a differential input line receiver, both of which operate from a single 5-V power supply. The driver and receiver have active-high and active-low enables, respectively, that can be connected together externally to function as a direction control. The driver differential outputs and the receiver differential inputs are connected internally to form differential input/output (I/O) bus ports that are designed to offer minimum loading to the bus when the driver is disabled or VCC= 0. These ports feature wide positive and negative common-mode voltage ranges, making the device suitable for party-line applications.
The driver is designed for up to 60 mA of sink or source current. The driver features positive and negative current limiting and thermal shutdown for protection from line-fault conditions. Thermal shutdown is designed to occur at a junction temperature of approximately 150°C. The receiver features a minimum input impedance of 12 kΩ, an input sensitivity of ±200 mV, and a typical input hysteresis of 50 mV. |
| Integrated Circuits (ICs) | 3 | Active | |
| Drivers, Receivers, Transceivers | 3 | Active | Differential Bus Transceiver |
65ALS180Differential Driver And Receiver Pair | Drivers, Receivers, Transceivers | 3 | Active | Differential Driver And Receiver Pair |
| Drivers, Receivers, Transceivers | 1 | Obsolete | |
65C1167Dual Differential Drivers and Receivers With +/-8-kV IEC ESD Protection | Drivers, Receivers, Transceivers | 6 | Active | The SN65C1167E and SN65C1168E consist of dual drivers and dual receivers with ±15kV ESD (Human Body Model [HBM]) and ±8-kV ESD (IEC61000-4-2 Air-Gap Discharge and Contact Discharge) for RS-422 bus pins. The devices meet the requirements of TIA/EIA-422-B and ITU recommendation V.11.
The SN65C1167E combines dual 3-state differential line drivers and 3-state differential line receivers, both of which operate from a single 5V power supply. The driver and receiver have active-high and active-low enables, respectively, which can be connected together externally to function as direction control.
SN65C1168E drivers have individual active-high enables.
The SN65C1167E and SN65C1168E consist of dual drivers and dual receivers with ±15kV ESD (Human Body Model [HBM]) and ±8-kV ESD (IEC61000-4-2 Air-Gap Discharge and Contact Discharge) for RS-422 bus pins. The devices meet the requirements of TIA/EIA-422-B and ITU recommendation V.11.
The SN65C1167E combines dual 3-state differential line drivers and 3-state differential line receivers, both of which operate from a single 5V power supply. The driver and receiver have active-high and active-low enables, respectively, which can be connected together externally to function as direction control.
SN65C1168E drivers have individual active-high enables. |
| Integrated Circuits (ICs) | 11 | Active | |
65C1406Triple Low-Power Drivers And Receivers | Interface | 3 | Obsolete | The SN65C1406 and SN75C1406 are low-power BiMOS devices containing three independent drivers and receivers that are used to interface data terminal equipment (DTE) with data circuit-terminating equipment (DCE). These devices are designed to conform to TIA/EIA-232-F. The drivers and receivers of the SN65C1406 and SN75C1406 are similar to those of the SN75C188 quadruple driver and SN75C189A quadruple receiver, respectively. The drivers have a controlled output slew rate that is limited to a maximum of 30 V/us, and the receivers have filters that reject input noise pulses shorter than 1 us. Both these features eliminate the need for external components.
The SN65C1406 and SN75C1406 are designed using low-power techniques in a BiMOS technology. In most applications, the receivers contained in these devices interface to single inputs of peripheral devices such as ACEs, UARTs, or microprocessors. By using sampling, such peripheral devices are usually insensitive to the transition times of the input signals. If this is not the case, or for other uses, it is recommended that the SN65C1406 and SN75C1406 receiver outputs be buffered by single Schmitt input gates or single gates of the HCMOS, ALS, or 74F logic families.
The SN65C1406 is characterized for operation from \x9640°C to 85°C. The SN75C1406 is characterized for operation from 0°C to 70°C.
The SN65C1406 and SN75C1406 are low-power BiMOS devices containing three independent drivers and receivers that are used to interface data terminal equipment (DTE) with data circuit-terminating equipment (DCE). These devices are designed to conform to TIA/EIA-232-F. The drivers and receivers of the SN65C1406 and SN75C1406 are similar to those of the SN75C188 quadruple driver and SN75C189A quadruple receiver, respectively. The drivers have a controlled output slew rate that is limited to a maximum of 30 V/us, and the receivers have filters that reject input noise pulses shorter than 1 us. Both these features eliminate the need for external components.
The SN65C1406 and SN75C1406 are designed using low-power techniques in a BiMOS technology. In most applications, the receivers contained in these devices interface to single inputs of peripheral devices such as ACEs, UARTs, or microprocessors. By using sampling, such peripheral devices are usually insensitive to the transition times of the input signals. If this is not the case, or for other uses, it is recommended that the SN65C1406 and SN75C1406 receiver outputs be buffered by single Schmitt input gates or single gates of the HCMOS, ALS, or 74F logic families.
The SN65C1406 is characterized for operation from \x9640°C to 85°C. The SN75C1406 is characterized for operation from 0°C to 70°C. |
| Drivers, Receivers, Transceivers | 3 | Active | |
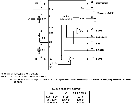
65C3221Automotive 3- to 5.5-V single channel 1Mbps RS-232 line driver/receiver with +/-15-kV ESD protection | Integrated Circuits (ICs) | 12 | Active | The SN65C3221E and SN75C3221E consist of one line driver, one line receiver, and a dual charge-pump circuit with ±15-kV IEC ESD protection pin to pin (serial-port connection pins, including GND). These devices provide the electrical interface between an asynchronous communication controller and the serial-port connector. The charge pump and four small external capacitors allow operation from a single 3-V to 5.5-V supply. These devices operate at data signaling rates up to 1 Mbit/s and a driver output slew rate of 24 V/µs to 150 V/µs.
Flexible control options for power management are available when the serial port is inactive. The auto-powerdown feature functions when FORCEON is low andFORCEOFFis high. During this mode of operation, if the devices do not sense a valid RS-232 signal on the receiver input, the driver output is disabled. IfFORCEOFFis set low andENis high, both the driver and receiver are shut off, and the supply current is reduced to 1 µA. Disconnecting the serial port or turning off the peripheral drivers causes the auto-powerdown condition to occur. Auto-powerdown can be disabled when FORCEON andFORCEOFFare high. With auto-powerdown enabled, the device is activated automatically when a valid signal is applied to the receiver input. TheINVALIDoutput notifies the user if an RS-232 signal is present at the receiver input.INVALIDis high (valid data) if the receiver input voltage is greater than 2.7 V or less than –2.7 V, or has been between –0.3 V and 0.3 V for less than 30 µs.INVALIDis low (invalid data) if the receiver input voltage is between –0.3 V and 0.3 V for more than 30 µs. See Figure 8-5 for receiver input levels.
spacer
The SN65C3221E and SN75C3221E consist of one line driver, one line receiver, and a dual charge-pump circuit with ±15-kV IEC ESD protection pin to pin (serial-port connection pins, including GND). These devices provide the electrical interface between an asynchronous communication controller and the serial-port connector. The charge pump and four small external capacitors allow operation from a single 3-V to 5.5-V supply. These devices operate at data signaling rates up to 1 Mbit/s and a driver output slew rate of 24 V/µs to 150 V/µs.
Flexible control options for power management are available when the serial port is inactive. The auto-powerdown feature functions when FORCEON is low andFORCEOFFis high. During this mode of operation, if the devices do not sense a valid RS-232 signal on the receiver input, the driver output is disabled. IfFORCEOFFis set low andENis high, both the driver and receiver are shut off, and the supply current is reduced to 1 µA. Disconnecting the serial port or turning off the peripheral drivers causes the auto-powerdown condition to occur. Auto-powerdown can be disabled when FORCEON andFORCEOFFare high. With auto-powerdown enabled, the device is activated automatically when a valid signal is applied to the receiver input. TheINVALIDoutput notifies the user if an RS-232 signal is present at the receiver input.INVALIDis high (valid data) if the receiver input voltage is greater than 2.7 V or less than –2.7 V, or has been between –0.3 V and 0.3 V for less than 30 µs.INVALIDis low (invalid data) if the receiver input voltage is between –0.3 V and 0.3 V for more than 30 µs. See Figure 8-5 for receiver input levels.
spacer |