T
Texas Instruments
| Series | Category | # Parts | Status | Description |
|---|---|---|---|---|
| Part | Spec A | Spec B | Spec C | Spec D | Description |
|---|---|---|---|---|---|
| Series | Category | # Parts | Status | Description |
|---|---|---|---|---|
| Part | Spec A | Spec B | Spec C | Spec D | Description |
|---|---|---|---|---|---|
| Part | Category | Description |
|---|---|---|
Texas Instruments | Integrated Circuits (ICs) | BUS DRIVER, BCT/FBT SERIES |
Texas Instruments | Integrated Circuits (ICs) | 12BIT 3.3V~3.6V 210MHZ PARALLEL VQFN-48-EP(7X7) ANALOG TO DIGITAL CONVERTERS (ADC) ROHS |
Texas Instruments | Integrated Circuits (ICs) | TMX320DRE311 179PIN UBGA 200MHZ |
Texas Instruments TPS61040DRVTG4Unknown | Integrated Circuits (ICs) | IC LED DRV RGLTR PWM 350MA 6WSON |
Texas Instruments LP3876ET-2.5Obsolete | Integrated Circuits (ICs) | IC REG LINEAR 2.5V 3A TO220-5 |
Texas Instruments LMS1585ACSX-ADJObsolete | Integrated Circuits (ICs) | IC REG LIN POS ADJ 5A DDPAK |
Texas Instruments INA111APG4Obsolete | Integrated Circuits (ICs) | IC INST AMP 1 CIRCUIT 8DIP |
Texas Instruments | Integrated Circuits (ICs) | AUTOMOTIVE, QUAD 36V 1.2MHZ OPERATIONAL AMPLIFIER |
Texas Instruments OPA340NA/3KG4Unknown | Integrated Circuits (ICs) | IC OPAMP GP 1 CIRCUIT SOT23-5 |
Texas Instruments PT5112AObsolete | Power Supplies - Board Mount | DC DC CONVERTER 8V 8W |
| Series | Category | # Parts | Status | Description |
|---|---|---|---|---|
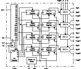
DAC880314-Bit, Quad Channel, Serial Interface, Multiplying Digital-to-Analog Converter | Data Acquisition | 3 | Active | The DAC8803 is a quad, 14-bit, current-output digital-to-analog converter (DAC) designed to operate from a single +2.7-V to 5-V supply.
The applied external reference input voltage VREFdetermines the full-scale output current. An internal feedback resistor (RFB) provides temperature tracking for the full-scale output when combined with an external I-to-V precision amplifier.
A doubled buffered serial data interface offers high-speed, 3-wire, SPI and microcontroller compatible inputs using serial data in (SDI), clock (CLK), and a chip select (CS). In addition, a serial data out pin (SDO) allows for daisy chaining when multiple packages are used. A common level-sensitive load DAC strobe (LDAC) input allows simultaneous update of all DAC outputs from previously loaded input registers. Additionally, an internal power-on reset forces the output voltage to zero at system turn on. An MSB pin allows system reset assertion (RS) to force all registers to zero code when MSB = 0, or to half-scale code when MSB = 1.
The DAC8803 is packaged in an SSOP package.
The DAC8803 is a quad, 14-bit, current-output digital-to-analog converter (DAC) designed to operate from a single +2.7-V to 5-V supply.
The applied external reference input voltage VREFdetermines the full-scale output current. An internal feedback resistor (RFB) provides temperature tracking for the full-scale output when combined with an external I-to-V precision amplifier.
A doubled buffered serial data interface offers high-speed, 3-wire, SPI and microcontroller compatible inputs using serial data in (SDI), clock (CLK), and a chip select (CS). In addition, a serial data out pin (SDO) allows for daisy chaining when multiple packages are used. A common level-sensitive load DAC strobe (LDAC) input allows simultaneous update of all DAC outputs from previously loaded input registers. Additionally, an internal power-on reset forces the output voltage to zero at system turn on. An MSB pin allows system reset assertion (RS) to force all registers to zero code when MSB = 0, or to half-scale code when MSB = 1.
The DAC8803 is packaged in an SSOP package. |
DAC880514-Bit, Dual Channel, Parallel Interface, Multiplying Digital-to-Analog Converter | Digital to Analog Converters (DAC) | 1 | Active | The DAC8805 dual, multiplying digital-to-analog converter (DAC) is designed to operate from a single 2.7V to 5.5V supply.
The applied external reference input voltage VREFdetermines the full-scale output current. An internal feedback resistor (RFB) provides temperature tracking for the full-scale output when combined with an external, current-to-voltage (I/V) precision amplifier.
A RSTSEL pin allows system reset assertion (RS) to force all registers to zero code when RSTSEL = '0', or to mid-scale code when RSTSEL = '1'. Additionally, an internal power-on reset forces all registers to zero or mid-scale code at power-up, depending on the state of the RSTSEL pin.
A parallel interface offers high-speed communications. The DAC8805 is packaged in a space-saving TSSOP-38 package and has an industry-standard pinout. The device is specified from -40°C to +125°C.
For a 16-bit, pin-compatible version, see the DAC8822.
The DAC8805 dual, multiplying digital-to-analog converter (DAC) is designed to operate from a single 2.7V to 5.5V supply.
The applied external reference input voltage VREFdetermines the full-scale output current. An internal feedback resistor (RFB) provides temperature tracking for the full-scale output when combined with an external, current-to-voltage (I/V) precision amplifier.
A RSTSEL pin allows system reset assertion (RS) to force all registers to zero code when RSTSEL = '0', or to mid-scale code when RSTSEL = '1'. Additionally, an internal power-on reset forces all registers to zero or mid-scale code at power-up, depending on the state of the RSTSEL pin.
A parallel interface offers high-speed communications. The DAC8805 is packaged in a space-saving TSSOP-38 package and has an industry-standard pinout. The device is specified from -40°C to +125°C.
For a 16-bit, pin-compatible version, see the DAC8822. |
DAC880614-Bit, Single Channel, Parallel Interface, Multiplying Digital-to-Analog Converter | Development Boards, Kits, Programmers | 3 | Active | The DAC8806, a multiplying digital-to-analog converter (DAC), is designed to operate from a single 2.7V to 5.5V supply.
The applied external reference input voltage VREFdetermines the full-scale output current. An internal feedback resistor (RFB) provides temperature tracking for the full-scale output when combined with an external, current-to-voltage (I/V) precision amplifier.
A parallel interface offers high-speed communications. The DAC8806 is packaged in a space-saving SSOP-28 package and has an industry-standard pinout.
The DAC8806, a multiplying digital-to-analog converter (DAC), is designed to operate from a single 2.7V to 5.5V supply.
The applied external reference input voltage VREFdetermines the full-scale output current. An internal feedback resistor (RFB) provides temperature tracking for the full-scale output when combined with an external, current-to-voltage (I/V) precision amplifier.
A parallel interface offers high-speed communications. The DAC8806 is packaged in a space-saving SSOP-28 package and has an industry-standard pinout. |
| Evaluation Boards | 12 | Active | ||
DAC881216-Bit, Dual Serial Input Multiplying Digital-to-Analog Converter | Digital to Analog Converters (DAC) | 3 | Active | The DAC8812 is a dual, 16-bit, current-output digital-to-analog converter (DAC) designed to operate from a single 2.7-V to 5.5-V supply.
The applied external reference input voltage VREFdetermines the full-scale output current. An internal feedback resistor (RFB) provides temperature tracking for the full-scale output when combined with an external I-to-V precision amplifier.
A double-buffered, serial data interface offers high-speed, 3-wire, SPI and microcontroller compatible inputs using serial data in (SDI), clock (CLK), and a chip-select (CS). A common level-sensitive load DAC strobe (LDAC) input allows simultaneous update of all DAC outputs from previously loaded input registers. Additionally, an internal power-on reset forces the output voltage to zero at system turnon. An MSB pin allows system reset assertion (RS) to force all registers to zero code when MSB = 0, or to midscale code when MSB = 1.
The DAC8812 is a dual, 16-bit, current-output digital-to-analog converter (DAC) designed to operate from a single 2.7-V to 5.5-V supply.
The applied external reference input voltage VREFdetermines the full-scale output current. An internal feedback resistor (RFB) provides temperature tracking for the full-scale output when combined with an external I-to-V precision amplifier.
A double-buffered, serial data interface offers high-speed, 3-wire, SPI and microcontroller compatible inputs using serial data in (SDI), clock (CLK), and a chip-select (CS). A common level-sensitive load DAC strobe (LDAC) input allows simultaneous update of all DAC outputs from previously loaded input registers. Additionally, an internal power-on reset forces the output voltage to zero at system turnon. An MSB pin allows system reset assertion (RS) to force all registers to zero code when MSB = 0, or to midscale code when MSB = 1. |
DAC881416-Bit, Quad, Serial Input Multiplying Digital to Analog Converter | Digital to Analog Converters (DAC) | 3 | Active | The DAC8814 is a quad, 16-bit, current-output digital-to-analog converter (DAC) designed to operate from a single +2.7-V to 5.0-V supply.
The applied external reference input voltage VREFdetermines the full-scale output current. An internal feedback resistor (RFB) provides temperature tracking for the full-scale output when combined with an external I-to-V precision amplifier.
A doubled buffered serial data interface offers high-speed, 3-wire, SPI and microcontroller compatible inputs using serial data in (SDI), clock (CLK), and a chip-select (CS). In addition, a serial data out pin (SDO) allows for daisy-chaining when multiple packages are used. A common level-sensitive load DAC strobe (LDAC) input allows simultaneous update of all DAC outputs from previously loaded input registers. Additionally, an internal power-on reset forces the output voltage to zero at system turn on. An MSB pin allows system reset assertion (RS) to force all registers to zero code when MSB = 0, or to half-scale code when MSB = 1.
The DAC8814 is available in an SSOP package.
The DAC8814 is a quad, 16-bit, current-output digital-to-analog converter (DAC) designed to operate from a single +2.7-V to 5.0-V supply.
The applied external reference input voltage VREFdetermines the full-scale output current. An internal feedback resistor (RFB) provides temperature tracking for the full-scale output when combined with an external I-to-V precision amplifier.
A doubled buffered serial data interface offers high-speed, 3-wire, SPI and microcontroller compatible inputs using serial data in (SDI), clock (CLK), and a chip-select (CS). In addition, a serial data out pin (SDO) allows for daisy-chaining when multiple packages are used. A common level-sensitive load DAC strobe (LDAC) input allows simultaneous update of all DAC outputs from previously loaded input registers. Additionally, an internal power-on reset forces the output voltage to zero at system turn on. An MSB pin allows system reset assertion (RS) to force all registers to zero code when MSB = 0, or to half-scale code when MSB = 1.
The DAC8814 is available in an SSOP package. |
DAC882016-Bit, Parallel Input Multiplying DAC | Data Acquisition | 4 | Active | The DAC8820, a multiplying digital-to-analog converter (DAC), is designed to operate from a single 2.7 V to 5.5 V supply.
The applied external reference input voltage VREFdetermines the full-scale output current. An internal feedback resistor (RFB) provides temperature tracking for the full-scale output when combined with an external, current-to-voltage (I/V) precision amplifier.
A parallel interface offers high-speed communications. The DAC8820 is packaged in a space-saving SSOP-28 package and has an industry-standard pinout.
The DAC8820, a multiplying digital-to-analog converter (DAC), is designed to operate from a single 2.7 V to 5.5 V supply.
The applied external reference input voltage VREFdetermines the full-scale output current. An internal feedback resistor (RFB) provides temperature tracking for the full-scale output when combined with an external, current-to-voltage (I/V) precision amplifier.
A parallel interface offers high-speed communications. The DAC8820 is packaged in a space-saving SSOP-28 package and has an industry-standard pinout. |
| Integrated Circuits (ICs) | 4 | Active | ||
DAC8830-EPEnhanced Product 16-Bit Ultra-Low Power Voltage-Output Digital-To-Analog Converter | Data Acquisition | 11 | Active | The DAC8830 and DAC8831 are single, 16-bit, serial-input, voltage-output digital-to-analog converters (DACs) operating from a single 3 V to 5 V power supply. These converters provide excellent linearity (1 LSB INL), low glitch, low noise, and fast settling (1.0 µS to 1/2 LSB of full-scale output) over the specified temperature range of -40°C to +85°C. The output is unbuffered, which reduces the power consumption and the error introduced by the buffer.
These parts feature a standard high-speed (clock up to 50 MHz), 3 V or 5 V SPI serial interface to communicate with a DSP or microprocessor.
The DAC8830 output is 0 V to VREF. However, the DAC8831 provides bipolar output (±VREF) when working with an external buffer. The DAC8830 and DAC8831 are both reset to zero code after power up. For optimum performance, a set of Kelvin connections to external reference and analog ground input are provided on the DAC8831.
The DAC8830 is available in an SO-8 package, and the DAC8831 in an SO-14 package. Both have industry standard pinouts. The DAC8831 is also available in a QFN-14 package.
The DAC8830 and DAC8831 are single, 16-bit, serial-input, voltage-output digital-to-analog converters (DACs) operating from a single 3 V to 5 V power supply. These converters provide excellent linearity (1 LSB INL), low glitch, low noise, and fast settling (1.0 µS to 1/2 LSB of full-scale output) over the specified temperature range of -40°C to +85°C. The output is unbuffered, which reduces the power consumption and the error introduced by the buffer.
These parts feature a standard high-speed (clock up to 50 MHz), 3 V or 5 V SPI serial interface to communicate with a DSP or microprocessor.
The DAC8830 output is 0 V to VREF. However, the DAC8831 provides bipolar output (±VREF) when working with an external buffer. The DAC8830 and DAC8831 are both reset to zero code after power up. For optimum performance, a set of Kelvin connections to external reference and analog ground input are provided on the DAC8831.
The DAC8830 is available in an SO-8 package, and the DAC8831 in an SO-14 package. Both have industry standard pinouts. The DAC8831 is also available in a QFN-14 package. |
DAC8831-EPEnhanced Product 16-Bit Ultra-Low Power Voltage-Output Digital-To-Analog Converter | Data Acquisition | 11 | Active | The DAC8830 and DAC8831 are single, 16-bit, serial-input, voltage-output digital-to-analog converters (DACs) operating from a single 3 V to 5 V power supply. These converters provide excellent linearity (1 LSB INL), low glitch, low noise, and fast settling (1.0 µS to 1/2 LSB of full-scale output) over the specified temperature range of -40°C to +85°C. The output is unbuffered, which reduces the power consumption and the error introduced by the buffer.
These parts feature a standard high-speed (clock up to 50 MHz), 3 V or 5 V SPI serial interface to communicate with a DSP or microprocessor.
The DAC8830 output is 0 V to VREF. However, the DAC8831 provides bipolar output (±VREF) when working with an external buffer. The DAC8830 and DAC8831 are both reset to zero code after power up. For optimum performance, a set of Kelvin connections to external reference and analog ground input are provided on the DAC8831.
The DAC8830 is available in an SO-8 package, and the DAC8831 in an SO-14 package. Both have industry standard pinouts. The DAC8831 is also available in a QFN-14 package.
The DAC8830 and DAC8831 are single, 16-bit, serial-input, voltage-output digital-to-analog converters (DACs) operating from a single 3 V to 5 V power supply. These converters provide excellent linearity (1 LSB INL), low glitch, low noise, and fast settling (1.0 µS to 1/2 LSB of full-scale output) over the specified temperature range of -40°C to +85°C. The output is unbuffered, which reduces the power consumption and the error introduced by the buffer.
These parts feature a standard high-speed (clock up to 50 MHz), 3 V or 5 V SPI serial interface to communicate with a DSP or microprocessor.
The DAC8830 output is 0 V to VREF. However, the DAC8831 provides bipolar output (±VREF) when working with an external buffer. The DAC8830 and DAC8831 are both reset to zero code after power up. For optimum performance, a set of Kelvin connections to external reference and analog ground input are provided on the DAC8831.
The DAC8830 is available in an SO-8 package, and the DAC8831 in an SO-14 package. Both have industry standard pinouts. The DAC8831 is also available in a QFN-14 package. |