| Integrated Circuits (ICs) | 1 | Active | The BQ77904 and BQ77905 devices are low-power battery pack protectors that implement a suite of voltage, current, and temperature protections without microcontroller (MCU) control. The device’s stackable interface provides simple scaling to support battery cell applications from 3 series to 20 series or more. Protection thresholds and delays are factory-programmed and available in a variety of configurations. Separate overtemperature and undertemperature thresholds for discharge (OTD and UTD) and charge (OTC and UTC) are provided for added flexibility.
The device achieves pack protection through the integrated independent CHG and DSG low-side NMOS FET drivers, which may be disabled through two control pins. These control pins may also be used to achieve cell protection solutions for higher series (6 series and beyond) in a simple and economical manner. To do this, simply cascade a higher device CHG and DSG outputs to the immediate lower device control pins. For a reduced component count, all protection faults use internal delay timers.
The BQ77904 and BQ77905 devices are low-power battery pack protectors that implement a suite of voltage, current, and temperature protections without microcontroller (MCU) control. The device’s stackable interface provides simple scaling to support battery cell applications from 3 series to 20 series or more. Protection thresholds and delays are factory-programmed and available in a variety of configurations. Separate overtemperature and undertemperature thresholds for discharge (OTD and UTD) and charge (OTC and UTC) are provided for added flexibility.
The device achieves pack protection through the integrated independent CHG and DSG low-side NMOS FET drivers, which may be disabled through two control pins. These control pins may also be used to achieve cell protection solutions for higher series (6 series and beyond) in a simple and economical manner. To do this, simply cascade a higher device CHG and DSG outputs to the immediate lower device control pins. For a reduced component count, all protection faults use internal delay timers. |
BQ77905083- to 5-series li-ion and li-phosphate ultra-low-power stackable battery protector | Evaluation Boards | 8 | Active | The BQ77904 and BQ77905 devices are low-power battery pack protectors that implement a suite of voltage, current, and temperature protections without microcontroller (MCU) control. The device’s stackable interface provides simple scaling to support battery cell applications from 3 series to 20 series or more. Protection thresholds and delays are factory-programmed and available in a variety of configurations. Separate overtemperature and undertemperature thresholds for discharge (OTD and UTD) and charge (OTC and UTC) are provided for added flexibility.
The device achieves pack protection through the integrated independent CHG and DSG low-side NMOS FET drivers, which may be disabled through two control pins. These control pins may also be used to achieve cell protection solutions for higher series (6 series and beyond) in a simple and economical manner. To do this, simply cascade a higher device CHG and DSG outputs to the immediate lower device control pins. For a reduced component count, all protection faults use internal delay timers.
The BQ77904 and BQ77905 devices are low-power battery pack protectors that implement a suite of voltage, current, and temperature protections without microcontroller (MCU) control. The device’s stackable interface provides simple scaling to support battery cell applications from 3 series to 20 series or more. Protection thresholds and delays are factory-programmed and available in a variety of configurations. Separate overtemperature and undertemperature thresholds for discharge (OTD and UTD) and charge (OTC and UTC) are provided for added flexibility.
The device achieves pack protection through the integrated independent CHG and DSG low-side NMOS FET drivers, which may be disabled through two control pins. These control pins may also be used to achieve cell protection solutions for higher series (6 series and beyond) in a simple and economical manner. To do this, simply cascade a higher device CHG and DSG outputs to the immediate lower device control pins. For a reduced component count, all protection faults use internal delay timers. |
| Power Management (PMIC) | 1 | Active | |
| Integrated Circuits (ICs) | 1 | Active | |
| Integrated Circuits (ICs) | 1 | Active | |
| Integrated Circuits (ICs) | 2 | Active | |
| Power Management (PMIC) | 2 | Active | |
BQ77908AStand-Alone Multi-Cell Li-Ion/Li-Polymer Precision Protector | Evaluation Boards | 2 | Active | The bq77908A is a battery protection and cell balancing device intended for Li-Ion and Li-Polymer battery packs.
The bq77908A monitors 4- to 8-series individual cell voltages and provides fast-acting outputs that may be used to drive N-channel MOSFETs to interrupt the power path. Activation delays and recovery methods for safety conditions are fully programmable in non-volatile memory.
Automatic cell balancing is provided using internal 50-mA cell circuits. A robust balancing algorithm ensures optimum performance by maintaining all cell voltages in balance. Balancing may be configured to operate at all times, only during charge, or can be disabled completely.
Additional advanced safety features of the bq77908A include the ability to control split power-path MOSFETs, an open-cell sense-line detection mechanism, and the ability to detect an open or shorted external temperature sensor fault condition.
Programmable Protection Functions
Fixed Hardware Protection Functions
The bq77908A is a battery protection and cell balancing device intended for Li-Ion and Li-Polymer battery packs.
The bq77908A monitors 4- to 8-series individual cell voltages and provides fast-acting outputs that may be used to drive N-channel MOSFETs to interrupt the power path. Activation delays and recovery methods for safety conditions are fully programmable in non-volatile memory.
Automatic cell balancing is provided using internal 50-mA cell circuits. A robust balancing algorithm ensures optimum performance by maintaining all cell voltages in balance. Balancing may be configured to operate at all times, only during charge, or can be disabled completely.
Additional advanced safety features of the bq77908A include the ability to control split power-path MOSFETs, an open-cell sense-line detection mechanism, and the ability to detect an open or shorted external temperature sensor fault condition.
Programmable Protection Functions
Fixed Hardware Protection Functions |
| Development Boards, Kits, Programmers | 3 | Obsolete | |
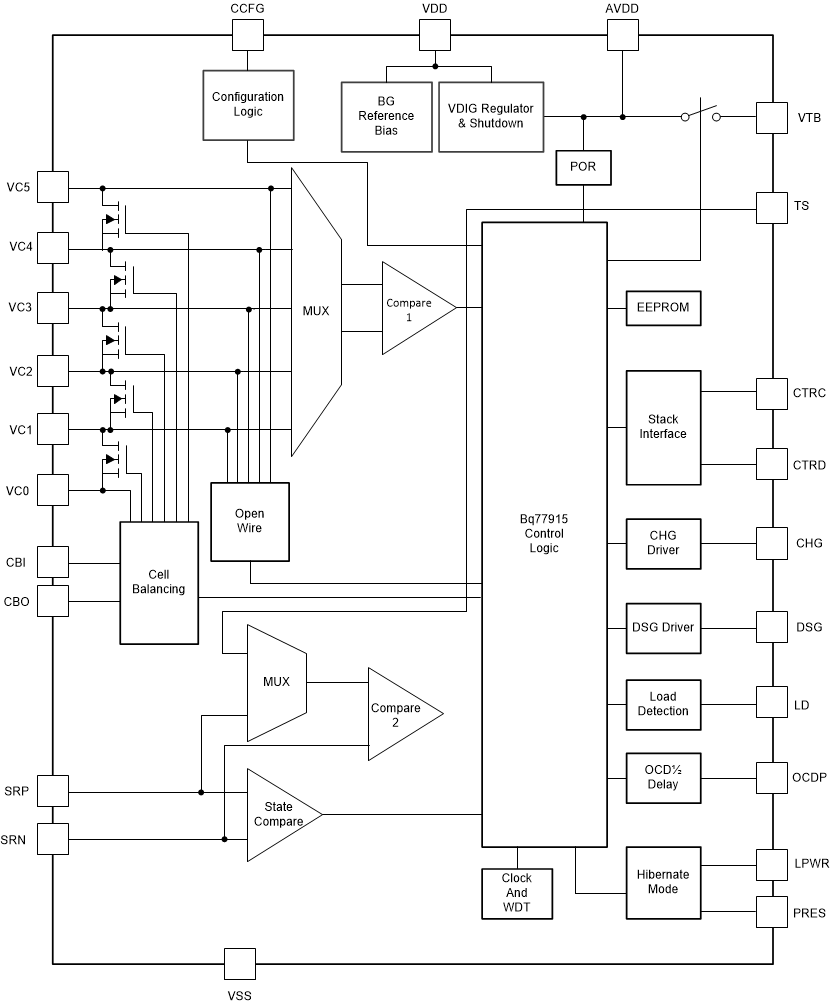
BQ77915133-series to 5-series stackable ultra-low-power primary protector with autonomous cell balancing | Evaluation Boards | 12 | Active | The BQ77915 device is a low-power battery pack protector that implements a suite of voltage, current, and temperature protections and a smart cell balancing algorithm without microcontroller (MCU) control. The device’s stackable interface provides simple scaling to support battery cell applications from 3 series to 20 series or more. Protection thresholds and delays are factory-programmed and available in a variety of configurations. Separate overtemperature and undertemperature thresholds for discharge (OTD and UTD) and charge (OTC and UTC) provide additional flexibility.
The BQ77915 device is a low-power battery pack protector that implements a suite of voltage, current, and temperature protections and a smart cell balancing algorithm without microcontroller (MCU) control. The device’s stackable interface provides simple scaling to support battery cell applications from 3 series to 20 series or more. Protection thresholds and delays are factory-programmed and available in a variety of configurations. Separate overtemperature and undertemperature thresholds for discharge (OTD and UTD) and charge (OTC and UTC) provide additional flexibility. |