T
Texas Instruments
| Series | Category | # Parts | Status | Description |
|---|---|---|---|---|
| Part | Spec A | Spec B | Spec C | Spec D | Description |
|---|---|---|---|---|---|
| Series | Category | # Parts | Status | Description |
|---|---|---|---|---|
| Part | Spec A | Spec B | Spec C | Spec D | Description |
|---|---|---|---|---|---|
| Part | Category | Description |
|---|---|---|
Texas Instruments | Integrated Circuits (ICs) | BUS DRIVER, BCT/FBT SERIES |
Texas Instruments | Integrated Circuits (ICs) | 12BIT 3.3V~3.6V 210MHZ PARALLEL VQFN-48-EP(7X7) ANALOG TO DIGITAL CONVERTERS (ADC) ROHS |
Texas Instruments | Integrated Circuits (ICs) | TMX320DRE311 179PIN UBGA 200MHZ |
Texas Instruments TPS61040DRVTG4Unknown | Integrated Circuits (ICs) | IC LED DRV RGLTR PWM 350MA 6WSON |
Texas Instruments LP3876ET-2.5Obsolete | Integrated Circuits (ICs) | IC REG LINEAR 2.5V 3A TO220-5 |
Texas Instruments LMS1585ACSX-ADJObsolete | Integrated Circuits (ICs) | IC REG LIN POS ADJ 5A DDPAK |
Texas Instruments INA111APG4Obsolete | Integrated Circuits (ICs) | IC INST AMP 1 CIRCUIT 8DIP |
Texas Instruments | Integrated Circuits (ICs) | AUTOMOTIVE, QUAD 36V 1.2MHZ OPERATIONAL AMPLIFIER |
Texas Instruments OPA340NA/3KG4Unknown | Integrated Circuits (ICs) | IC OPAMP GP 1 CIRCUIT SOT23-5 |
Texas Instruments PT5112AObsolete | Power Supplies - Board Mount | DC DC CONVERTER 8V 8W |
| Series | Category | # Parts | Status | Description |
|---|---|---|---|---|
BQ76940029 to 15-series cell li-ion and li-phosphate battery monitor (bq76940 family) | Evaluation Boards | 10 | Active | The BQ769x0 family of robust analog front-end (AFE) devices serves as part of a complete pack monitoring and protection solution for next-generation, high-power systems, such as light electric vehicles, power tools, and uninterruptible power supplies. The BQ769x0 is designed with low power in mind: Sub-blocks within the IC may be enabled or disabled to control the overall chip current consumption, and a SHIP mode provides a simple way to put the pack into an ultra-low power state.
The BQ76920 device supports up to 5-series cells or typical 18-V packs, the BQ76930 handles up to 10-series cells or typical 36-V packs, and the BQ76940 works for up to 15-series cells or typical 48-V packs. A variety of battery chemistries may be managed with these AFEs, including Li-ion, Li-iron phosphate, and more. Through I2C, a host controller can use the BQ769x0 to implement many battery pack management functions, such as monitoring (cell voltages, pack current, pack temperatures), protection (controlling charge/discharge FETs), and balancing. Integrated A/D converters enable a purely digital readout of critical system parameters, with calibration handled in TI’s manufacturing process.
The BQ769x0 family of robust analog front-end (AFE) devices serves as part of a complete pack monitoring and protection solution for next-generation, high-power systems, such as light electric vehicles, power tools, and uninterruptible power supplies. The BQ769x0 is designed with low power in mind: Sub-blocks within the IC may be enabled or disabled to control the overall chip current consumption, and a SHIP mode provides a simple way to put the pack into an ultra-low power state.
The BQ76920 device supports up to 5-series cells or typical 18-V packs, the BQ76930 handles up to 10-series cells or typical 36-V packs, and the BQ76940 works for up to 15-series cells or typical 48-V packs. A variety of battery chemistries may be managed with these AFEs, including Li-ion, Li-iron phosphate, and more. Through I2C, a host controller can use the BQ769x0 to implement many battery pack management functions, such as monitoring (cell voltages, pack current, pack temperatures), protection (controlling charge/discharge FETs), and balancing. Integrated A/D converters enable a purely digital readout of critical system parameters, with calibration handled in TI’s manufacturing process. |
BQ76942023-series to 10-series multicell battery monitor and protector | Development Boards, Kits, Programmers | 6 | Active | The Texas Instruments BQ76942 is a highly integrated, high accuracy battery monitor and protector for 3-series to 10-series Li-ion, Li-polymer, and LiFePO4battery packs. The device includes a high-accuracy monitoring system, a highly configurable protection subsystem, and support for autonomous or host-controlled cell balancing. Integration includes high-side charge-pump NFET drivers, dual programmable LDOs for external system use, and a host communication peripheral supporting 400-kHz I2C, SPI, and HDQ one-wire standards. The BQ76942 is available in a 48-pin TQFP package.
The Texas Instruments BQ76942 is a highly integrated, high accuracy battery monitor and protector for 3-series to 10-series Li-ion, Li-polymer, and LiFePO4battery packs. The device includes a high-accuracy monitoring system, a highly configurable protection subsystem, and support for autonomous or host-controlled cell balancing. Integration includes high-side charge-pump NFET drivers, dual programmable LDOs for external system use, and a host communication peripheral supporting 400-kHz I2C, SPI, and HDQ one-wire standards. The BQ76942 is available in a 48-pin TQFP package. |
BQ76952033-s to 16-s high-accuracy battery monitor and protector for Li-ion, Li-polymer and LiFePO4 | Evaluation Boards | 3 | Active | The Texas Instruments BQ76952 device is a highly integrated, high-accuracy battery monitor and protector for 3-series to 16-series Li-ion, Li-polymer, and LiFePO4battery packs. The device includes a high-accuracy monitoring system, a highly configurable protection subsystem, and support for autonomous or host controlled cell balancing. Integration includes high-side charge-pump NFET drivers, dual programmable LDOs for external system use, and a host communication peripheral supporting 400-kHz I2C, SPI, and HDQ one-wire standards. The BQ76952 device is available in a 48-pin TQFP package.
The Texas Instruments BQ76952 device is a highly integrated, high-accuracy battery monitor and protector for 3-series to 16-series Li-ion, Li-polymer, and LiFePO4battery packs. The device includes a high-accuracy monitoring system, a highly configurable protection subsystem, and support for autonomous or host controlled cell balancing. Integration includes high-side charge-pump NFET drivers, dual programmable LDOs for external system use, and a host communication peripheral supporting 400-kHz I2C, SPI, and HDQ one-wire standards. The BQ76952 device is available in a 48-pin TQFP package. |
BQ769723s-to-16s high-accuracy battery monitor and protector for Li-ion, Li-poly and LiFePO4 | Integrated Circuits (ICs) | 3 | Active | The Texas Instruments BQ76972 device is a highly integrated, high-accuracy battery monitor and protector for 3-series to 16-series Li-ion, Li-polymer, and LiFePO 4 battery packs. The device includes a high-accuracy monitoring system, a highly configurable protection subsystem, and support for autonomous or host controlled cell balancing. Integration includes high-side charge-pump NFET drivers, dual programmable LDOs for external system use, and a host communication peripheral supporting 400-kHz I 2C, SPI, and HDQ one-wire standards. The BQ76972 device is available in a 48-pin TQFP package.
The Texas Instruments BQ76972 device is a highly integrated, high-accuracy battery monitor and protector for 3-series to 16-series Li-ion, Li-polymer, and LiFePO 4 battery packs. The device includes a high-accuracy monitoring system, a highly configurable protection subsystem, and support for autonomous or host controlled cell balancing. Integration includes high-side charge-pump NFET drivers, dual programmable LDOs for external system use, and a host communication peripheral supporting 400-kHz I 2C, SPI, and HDQ one-wire standards. The BQ76972 device is available in a 48-pin TQFP package. |
BQ76PL102PowerLAN dual-cell li-ion battery monitor with powerpump cell balancing | Power Management (PMIC) | 2 | Active | The bq76PL102 PowerLAN dual-cell battery monitor is part of a complete scalable battery management system for use with arrays of up to 12 Li-Ion rechargeable cells. The bq76PL102 connects to one or two cells in a series string, performs voltage and temperature monitoring of each individual cell, and reports these parameters over the PowerLAN communication network. Together with a bq78PL114 master-gateway battery controller, the bq76PL102 forms a complete battery monitoring and management system for higher cell-count applications.
Partitioning of the battery monitor function on a per cell basis permits connection and measurement close to the cell. This results in superior accuracy and management over competing solutions. This scheme also facilitates the PowerPump cell balancing system, a technique which actively balances capacities of Li-Ion batteries without the excessive heat or limitations of bleed-balancing techniques.
The bq76PL102 PowerPump cell balancing technology uses a charge-transfer methodology which does not bleed off excess energy as heat, but instead moves energy dynamically from cell to cell as needed. Balancing is performed during all battery operational modes – charge, discharge, and rest. Balancing is automatically coordinated between all cells on a PowerLAN system. PowerPump balancing technology results in longer run time and longer cell life.
The PowerLAN communications architecture has been engineered to provide robust communications in tough EMI/RFI environments while avoiding the excessive power draw, high parts count, and elevated cost of other solutions. PowerLAN permits easy scalability using series connections of bq76PL102 dual-cell battery monitors. High-cell-count battery systems of up to 12 series cells are easily constructed without complicated high-voltage cell measurement restrictions.
The bq76PL102 works with the bq78PL114 master-gateway battery controller.
The bq76PL102 PowerLAN dual-cell battery monitor is part of a complete scalable battery management system for use with arrays of up to 12 Li-Ion rechargeable cells. The bq76PL102 connects to one or two cells in a series string, performs voltage and temperature monitoring of each individual cell, and reports these parameters over the PowerLAN communication network. Together with a bq78PL114 master-gateway battery controller, the bq76PL102 forms a complete battery monitoring and management system for higher cell-count applications.
Partitioning of the battery monitor function on a per cell basis permits connection and measurement close to the cell. This results in superior accuracy and management over competing solutions. This scheme also facilitates the PowerPump cell balancing system, a technique which actively balances capacities of Li-Ion batteries without the excessive heat or limitations of bleed-balancing techniques.
The bq76PL102 PowerPump cell balancing technology uses a charge-transfer methodology which does not bleed off excess energy as heat, but instead moves energy dynamically from cell to cell as needed. Balancing is performed during all battery operational modes – charge, discharge, and rest. Balancing is automatically coordinated between all cells on a PowerLAN system. PowerPump balancing technology results in longer run time and longer cell life.
The PowerLAN communications architecture has been engineered to provide robust communications in tough EMI/RFI environments while avoiding the excessive power draw, high parts count, and elevated cost of other solutions. PowerLAN permits easy scalability using series connections of bq76PL102 dual-cell battery monitors. High-cell-count battery systems of up to 12 series cells are easily constructed without complicated high-voltage cell measurement restrictions.
The bq76PL102 works with the bq78PL114 master-gateway battery controller. |
| Evaluation and Demonstration Boards and Kits | 4 | Obsolete | ||
BQ76PL536A-Q13 to 6 series cell lithium-ion battery monitor and secondary protection for automotive battery packs | Programmers, Emulators, and Debuggers | 7 | Active | The bq76PL536-Q1 is a stackable three to six series cell lithium-ion battery pack protector and analog front end (AFE) that incorporates a precision analog-to-digital converter (ADC); independent cell voltage and temperature protection; cell balancing, and a precision 5-V regulator to power user circuitry.
The bq76PL536-Q1 integrates a voltage translation and precision analog-to-digital converter system to measure battery cell voltages with high accuracy and speed.
The bq76PL536-Q1 provides full protection (secondary protection) for overvoltage, undervoltage, and overtemperature conditions. When safety thresholds are exceeded, the bq76PL536-Q1 sets the FAULT output. No external components are needed to configure or enable the protection features.
Cell voltage and temperature protection functions are independent of the ADC system. Programmable protection thresholds and detection delay times are stored in Error Check/Correct (ECC) OTP EPROM, which increases the flexibility and reliability of the battery management system.
The bq76PL536-Q1 is intended to be used with a host controller to maximize the functionality of the battery management system. However, the protection functions do not require a host controller.
The bq76PL536Q1 can be stacked vertically to monitor up to 192 cells without additional isolation components between ICs. A high-speed serial peripheral interface (SPI) bus operates between each bq76PL536-Q1 to provide reliable communications through a high-voltage battery cell stack.
The bq76PL536-Q1 is a stackable three to six series cell lithium-ion battery pack protector and analog front end (AFE) that incorporates a precision analog-to-digital converter (ADC); independent cell voltage and temperature protection; cell balancing, and a precision 5-V regulator to power user circuitry.
The bq76PL536-Q1 integrates a voltage translation and precision analog-to-digital converter system to measure battery cell voltages with high accuracy and speed.
The bq76PL536-Q1 provides full protection (secondary protection) for overvoltage, undervoltage, and overtemperature conditions. When safety thresholds are exceeded, the bq76PL536-Q1 sets the FAULT output. No external components are needed to configure or enable the protection features.
Cell voltage and temperature protection functions are independent of the ADC system. Programmable protection thresholds and detection delay times are stored in Error Check/Correct (ECC) OTP EPROM, which increases the flexibility and reliability of the battery management system.
The bq76PL536-Q1 is intended to be used with a host controller to maximize the functionality of the battery management system. However, the protection functions do not require a host controller.
The bq76PL536Q1 can be stacked vertically to monitor up to 192 cells without additional isolation components between ICs. A high-speed serial peripheral interface (SPI) bus operates between each bq76PL536-Q1 to provide reliable communications through a high-voltage battery cell stack. |
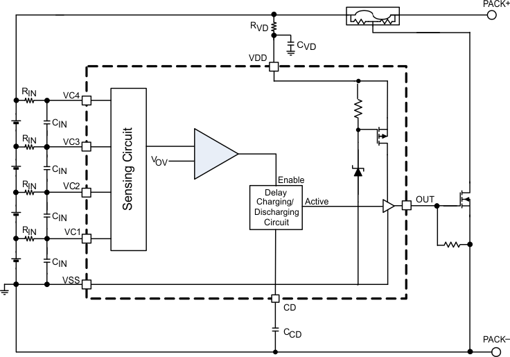
BQ771604Family Overvoltage Protection for 2 to 4-Series Cell Li-Ion Batts w Ext Delay Capacitor | Integrated Circuits (ICs) | 8 | Active | The BQ7716xy device family provides an overvoltage monitor and protector for Li-Ion battery pack systems. Each cell is monitored independently for an overvoltage condition. For quicker production-line testing, the BQ7716xy device provides a Customer Test Mode with greatly reduced delay time.
In the BQ7716xy device, an external delay timer is initiated upon detection of an overvoltage condition on any cell. Upon expiration of the delay timer, the output is triggered into its active state (either high or low, depending on the configuration). The external delay timer feature also includes the ability to detect an open or shorted delay capacitor on the CD pin, which will similarly trigger the output driver in an overvoltage condition.
The BQ7716xy device family provides an overvoltage monitor and protector for Li-Ion battery pack systems. Each cell is monitored independently for an overvoltage condition. For quicker production-line testing, the BQ7716xy device provides a Customer Test Mode with greatly reduced delay time.
In the BQ7716xy device, an external delay timer is initiated upon detection of an overvoltage condition on any cell. Upon expiration of the delay timer, the output is triggered into its active state (either high or low, depending on the configuration). The external delay timer feature also includes the ability to detect an open or shorted delay capacitor on the CD pin, which will similarly trigger the output driver in an overvoltage condition. |
BQ771802Family 2-5S Overvoltage Protector with Internal Delay Timer | Power Management (PMIC) | 6 | Active | The BQ7718xy family of products provides an overvoltage monitor and protector for Li-Ion battery pack systems. Each cell is monitored independently for an overvoltage condition. For quicker production-line testing, the BQ7718xy device provides a Customer Test Mode (CTM) with greatly reduced delay time.
In the BQ7718xy device, an internal delay timer is initiated upon detection of an overvoltage condition on any cell. Upon expiration of the delay timer, the output is triggered into its active state (either high or low depending on the configuration).
The BQ7718xy family of products provides an overvoltage monitor and protector for Li-Ion battery pack systems. Each cell is monitored independently for an overvoltage condition. For quicker production-line testing, the BQ7718xy device provides a Customer Test Mode (CTM) with greatly reduced delay time.
In the BQ7718xy device, an internal delay timer is initiated upon detection of an overvoltage condition on any cell. Upon expiration of the delay timer, the output is triggered into its active state (either high or low depending on the configuration). |
| Integrated Circuits (ICs) | 1 | Active | ||