T
Texas Instruments
| Series | Category | # Parts | Status | Description |
|---|---|---|---|---|
| Part | Spec A | Spec B | Spec C | Spec D | Description |
|---|---|---|---|---|---|
| Series | Category | # Parts | Status | Description |
|---|---|---|---|---|
| Part | Spec A | Spec B | Spec C | Spec D | Description |
|---|---|---|---|---|---|
| Part | Category | Description |
|---|---|---|
Texas Instruments BQ2002CSNTRG4Unknown | Integrated Circuits (ICs) | LINEAR BATTERY CHARGER NICD/NIMH 2000MA 0V TO 6V 8-PIN SOIC T/R |
Texas Instruments LM3676SDX-3.3Obsolete | Integrated Circuits (ICs) | IC REG BUCK 3.3V 600MA 8WSON |
Texas Instruments | Integrated Circuits (ICs) | TMX320DRE311 179PIN UBGA 200MHZ |
Texas Instruments UCC3580N-1G4Obsolete | Integrated Circuits (ICs) | IC REG CTRLR FWRD CONV 16DIP |
Texas Instruments LM2831YMF EVALObsolete | Development Boards Kits Programmers | EVAL BOARD FOR LM2831 |
Texas Instruments | Integrated Circuits (ICs) | BUFFER/LINE DRIVER 8-CH NON-INVERTING 3-ST CMOS 20-PIN SSOP T/R |
Texas Instruments | Integrated Circuits (ICs) | ANALOG OTHER PERIPHERALS |
Texas Instruments | Integrated Circuits (ICs) | RADIATION-HARDENED, QMLP 60V HAL |
Texas Instruments SN75LVDS051DRObsolete | Integrated Circuits (ICs) | IC TRANSCEIVER FULL 2/2 16SOIC |
Texas Instruments | Integrated Circuits (ICs) | AUTOMOTIVE OCTAL D-TYPE FLIP-FLO |
| Series | Category | # Parts | Status | Description |
|---|---|---|---|---|
| Power Management (PMIC) | 2 | Active | ||
UCC2540High Efficiency Secondary Side Synchronous Buck PWM Controller | Power Management (PMIC) | 2 | NRND | The UCC2540 is a secondary-side synchronous buck PWM controller for high current and low output voltage applications. It can be used either as the local secondary-side controller for isolated dc-dc converters using two-stage cascaded topologies or as a secondary-side post regulator (SSPR) for multiple output power supplies.
The UCC2540 runs with the synchronization signal from either the primary side or the high duty cycle quasi-dc output of bus converters or dc transformers. For higher efficiency, it also incorporates the Predictive Gate Drive™ technology that virtually eliminates body diode conduction losses in synchronous rectifiers.
The UCC2540 is available in the extended temperature range of –40°C to 105°C and is offered in thermally enhanced PowerPAD™ 20-pin HTSSOP (PWP) package. This space saving package with standard 20-pin TSSOP footprint has a drastically lower thermal resistance of 1.4°C/W øJCto accommodate the dual high-current drivers on board.
The UCC2540 is a secondary-side synchronous buck PWM controller for high current and low output voltage applications. It can be used either as the local secondary-side controller for isolated dc-dc converters using two-stage cascaded topologies or as a secondary-side post regulator (SSPR) for multiple output power supplies.
The UCC2540 runs with the synchronization signal from either the primary side or the high duty cycle quasi-dc output of bus converters or dc transformers. For higher efficiency, it also incorporates the Predictive Gate Drive™ technology that virtually eliminates body diode conduction losses in synchronous rectifiers.
The UCC2540 is available in the extended temperature range of –40°C to 105°C and is offered in thermally enhanced PowerPAD™ 20-pin HTSSOP (PWP) package. This space saving package with standard 20-pin TSSOP footprint has a drastically lower thermal resistance of 1.4°C/W øJCto accommodate the dual high-current drivers on board. |
| Power Management (PMIC) | 6 | NRND | ||
| DC/DC & AC/DC (Off-Line) SMPS Evaluation Boards | 1 | Obsolete | ||
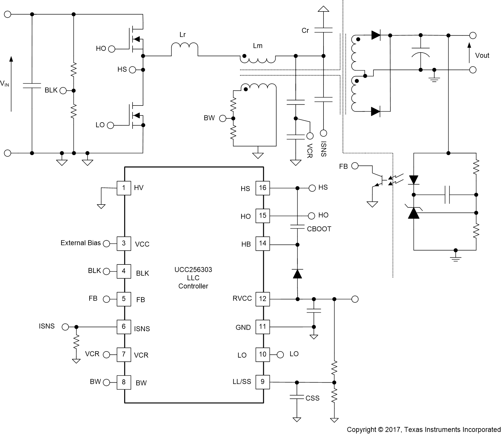
UCC256008-pin high-performance resonant mode LLC controller | Development Boards, Kits, Programmers | 4 | Active | The UCC25600 high performance, resonant mode controller is designed for dc-to-dc applications using resonant topologies, especially the LLC half-bridge resonant converter. This highly integrated controller implements frequency modulation control and complete system functions in only an 8-pin package. Switching to the UCC25600 will greatly simplify the system design and layout, and improve time to market, all at a price point lower than competitive 16-pin device offerings.
The internal oscillator supports the switching frequencies from 40 kHz to 350 kHz. This high-accuracy oscillator realizes the minimum switching frequency limiting with 4% tolerance, allowing the designer to avoid over-design of the power stage and, thus, further reducing overall system cost. The programmable dead time enables zero-voltage switching with minimum magnetizing current. This maximizes system efficiency across a variety of applications. The programmable soft-start timer maximizes design flexibility demanded by the varied requirements of end equipment using a half-bridge topology. By incorporating a 0.4-A source and 0.8-A sink driving capability, a low cost, reliable gate driver transformer is a real option.
The UCC25600 delivers complete system protection functions including overcurrent, UVLO, bias supply OVP, and overtemperature protection.
The UCC25600 high performance, resonant mode controller is designed for dc-to-dc applications using resonant topologies, especially the LLC half-bridge resonant converter. This highly integrated controller implements frequency modulation control and complete system functions in only an 8-pin package. Switching to the UCC25600 will greatly simplify the system design and layout, and improve time to market, all at a price point lower than competitive 16-pin device offerings.
The internal oscillator supports the switching frequencies from 40 kHz to 350 kHz. This high-accuracy oscillator realizes the minimum switching frequency limiting with 4% tolerance, allowing the designer to avoid over-design of the power stage and, thus, further reducing overall system cost. The programmable dead time enables zero-voltage switching with minimum magnetizing current. This maximizes system efficiency across a variety of applications. The programmable soft-start timer maximizes design flexibility demanded by the varied requirements of end equipment using a half-bridge topology. By incorporating a 0.4-A source and 0.8-A sink driving capability, a low cost, reliable gate driver transformer is a real option.
The UCC25600 delivers complete system protection functions including overcurrent, UVLO, bias supply OVP, and overtemperature protection. |
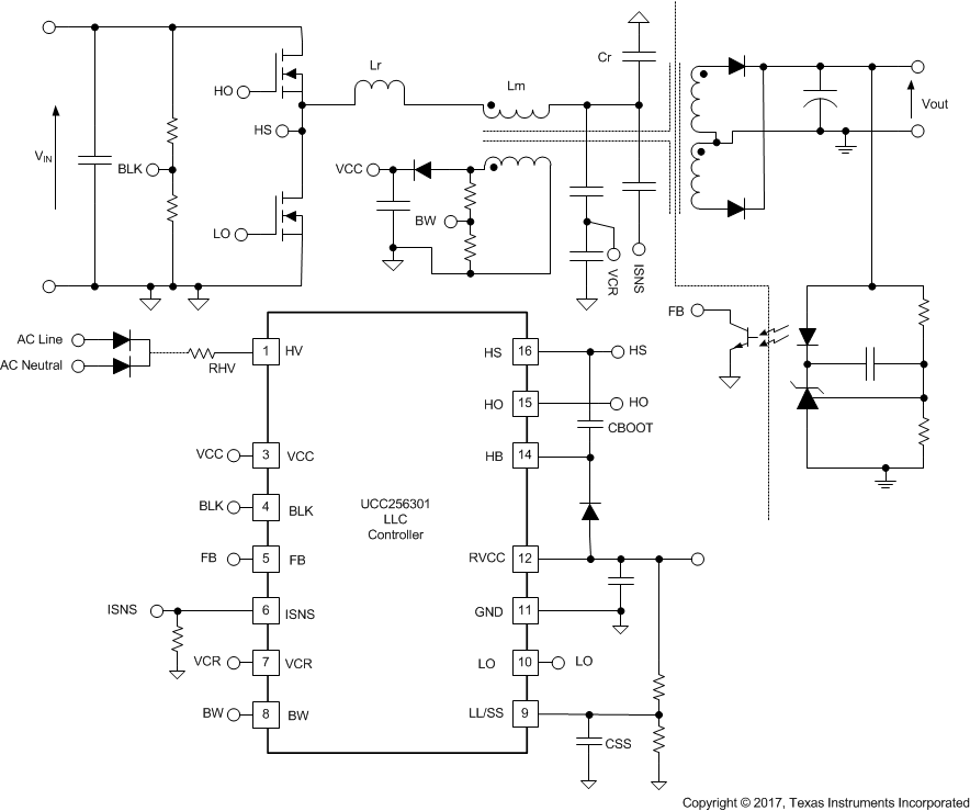
UCC25630Wide vin LLC resonant controller with high-voltage start up enabling low standby power | Evaluation Boards | 7 | Active | The UCC256301 is a fully featured LLC controller with integrated high-voltage gate driver. It has been designed to pair with a PFC stage to provide a complete power system using a minimum of external components. The resulting power system is designed to meet the most stringent requirements for standby power without the need for a separate standby power converter, and with PFC stage running all the time. UCC256301 includes a range of features designed to make LLC converter operation well controlled and robust. This device aims to unburden the LLC designer and allow mainstream applications to benefit from efficiency advantages of the LLC topology.
UCC256301 uses hybrid hysteretic control to provide best in class line and load transient response. The control effort is approximately linear proportional to average input current in one cycle. The control makes the open loop transfer function a first order system so that it’s very easy to compensate. The system is always stable with proper frequency compensation.
UCC256301 provides a high efficient burst mode with consistent burst power level during each burst on cycle. The burst power level is programmable and adaptively changes with input voltage, making the optimization of efficiency very easy.
The UCC256301 is a fully featured LLC controller with integrated high-voltage gate driver. It has been designed to pair with a PFC stage to provide a complete power system using a minimum of external components. The resulting power system is designed to meet the most stringent requirements for standby power without the need for a separate standby power converter, and with PFC stage running all the time. UCC256301 includes a range of features designed to make LLC converter operation well controlled and robust. This device aims to unburden the LLC designer and allow mainstream applications to benefit from efficiency advantages of the LLC topology.
UCC256301 uses hybrid hysteretic control to provide best in class line and load transient response. The control effort is approximately linear proportional to average input current in one cycle. The control makes the open loop transfer function a first order system so that it’s very easy to compensate. The system is always stable with proper frequency compensation.
UCC256301 provides a high efficient burst mode with consistent burst power level during each burst on cycle. The burst power level is programmable and adaptively changes with input voltage, making the optimization of efficiency very easy. |
UCC256301Wide vin LLC resonant controller with high-voltage start up enabling ultra-low standby power | Power Management (PMIC) | 1 | NRND | The UCC256301 is a fully featured LLC controller with integrated high-voltage gate driver. It has been designed to pair with a PFC stage to provide a complete power system using a minimum of external components. The resulting power system is designed to meet the most stringent requirements for standby power without the need for a separate standby power converter, and with PFC stage running all the time. UCC256301 includes a range of features designed to make LLC converter operation well controlled and robust. This device aims to unburden the LLC designer and allow mainstream applications to benefit from efficiency advantages of the LLC topology.
UCC256301 uses hybrid hysteretic control to provide best in class line and load transient response. The control effort is approximately linear proportional to average input current in one cycle. The control makes the open loop transfer function a first order system so that it’s very easy to compensate. The system is always stable with proper frequency compensation.
UCC256301 provides a high efficient burst mode with consistent burst power level during each burst on cycle. The burst power level is programmable and adaptively changes with input voltage, making the optimization of efficiency very easy.
The UCC256301 is a fully featured LLC controller with integrated high-voltage gate driver. It has been designed to pair with a PFC stage to provide a complete power system using a minimum of external components. The resulting power system is designed to meet the most stringent requirements for standby power without the need for a separate standby power converter, and with PFC stage running all the time. UCC256301 includes a range of features designed to make LLC converter operation well controlled and robust. This device aims to unburden the LLC designer and allow mainstream applications to benefit from efficiency advantages of the LLC topology.
UCC256301 uses hybrid hysteretic control to provide best in class line and load transient response. The control effort is approximately linear proportional to average input current in one cycle. The control makes the open loop transfer function a first order system so that it’s very easy to compensate. The system is always stable with proper frequency compensation.
UCC256301 provides a high efficient burst mode with consistent burst power level during each burst on cycle. The burst power level is programmable and adaptively changes with input voltage, making the optimization of efficiency very easy. |
UCC256302LLC resonant controller with high voltage start up enabling low standby power | DC DC Switching Controllers | 1 | NRND | The UCC256302 is a fully featured LLC controller with integrated high-voltage gate driver. It has been designed for use in offline AC-DC or isolated DC-DC to provide a complete power system using a minimum of external components. The resulting power system is designed to meet the most stringent requirements for standby power without the need for a separate standby power converter.
UCC256302 includes an integrated, high voltage startup function which eliminates the need for an external bias supply, reducing BOM count and minimizing solution size. UCC256302 uses hybrid hysteretic control to provide best in class line and load transient response. The control makes the open loop transfer function a first order system so that it’s very easy to compensate.
UCC256302 provides a high efficient burst mode with consistent burst power level during each burst on cycle. The burst power level is programmable and adaptively changes with input voltage, making the optimization of efficiency very easy.
Select the appropriate LLC resonant controller for your design with UCC25630x Selection Guide
The UCC256302 is a fully featured LLC controller with integrated high-voltage gate driver. It has been designed for use in offline AC-DC or isolated DC-DC to provide a complete power system using a minimum of external components. The resulting power system is designed to meet the most stringent requirements for standby power without the need for a separate standby power converter.
UCC256302 includes an integrated, high voltage startup function which eliminates the need for an external bias supply, reducing BOM count and minimizing solution size. UCC256302 uses hybrid hysteretic control to provide best in class line and load transient response. The control makes the open loop transfer function a first order system so that it’s very easy to compensate.
UCC256302 provides a high efficient burst mode with consistent burst power level during each burst on cycle. The burst power level is programmable and adaptively changes with input voltage, making the optimization of efficiency very easy.
Select the appropriate LLC resonant controller for your design with UCC25630x Selection Guide |
| Evaluation and Demonstration Boards and Kits | 1 | Active | ||
| Integrated Circuits (ICs) | 4 | Active | ||