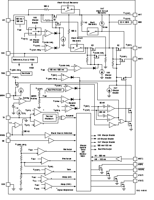
BQ24027Dual input USB/AC Adpater 1-cell Li-ion battery charger w/charge enable & AC present, No Taper | Power Management (PMIC) | 1 | Obsolete | The bqTINY-II series are highly-integrated, flexible Li-Ion linear charge and system power management devices for space-limited charger applications. In a single monolithic device, the bqTINY-II offers integrated USB-port and ac-adapter supply management with autonomous power-source selection, power-FET and current-sensor interfaces, high-accuracy current and voltage regulation, charge status, and charge termination.
The bqTINY-II automatically selects the USB-port or the ac-adapter as the power source for the system. In the USB configuration, the host can select from two preset charge rates of 100 mA or 500 mA. In the ac-adapter configuration, an external resistor sets the system or charge current.
The bqTINY-II charges the battery in three phases: conditioning, constant current, and constant voltage. Charge is terminated based on minimum current. An internal charge timer provides a backup safety for charge termination. The bqTINY-II automatically restarts the charge if the battery voltage falls below an internal threshold. The bqTINY-II automatically enters sleep mode when both supplies are removed.
Different versions of the bqTINY-II offer many additional features. These include a temperature-sensor input for detecting hot or cold battery packs, a power-good output (PG) indicating the presence of input power, a TTL-level charge-enable input (CE) used to disable or enable the charge process, and a TTL-level timer and taper-detect enable input (TTE) used to disable or enable the fast-charge timer and charge termination.
The bqTINY-II series are highly-integrated, flexible Li-Ion linear charge and system power management devices for space-limited charger applications. In a single monolithic device, the bqTINY-II offers integrated USB-port and ac-adapter supply management with autonomous power-source selection, power-FET and current-sensor interfaces, high-accuracy current and voltage regulation, charge status, and charge termination.
The bqTINY-II automatically selects the USB-port or the ac-adapter as the power source for the system. In the USB configuration, the host can select from two preset charge rates of 100 mA or 500 mA. In the ac-adapter configuration, an external resistor sets the system or charge current.
The bqTINY-II charges the battery in three phases: conditioning, constant current, and constant voltage. Charge is terminated based on minimum current. An internal charge timer provides a backup safety for charge termination. The bqTINY-II automatically restarts the charge if the battery voltage falls below an internal threshold. The bqTINY-II automatically enters sleep mode when both supplies are removed.
Different versions of the bqTINY-II offer many additional features. These include a temperature-sensor input for detecting hot or cold battery packs, a power-good output (PG) indicating the presence of input power, a TTL-level charge-enable input (CE) used to disable or enable the charge process, and a TTL-level timer and taper-detect enable input (TTE) used to disable or enable the fast-charge timer and charge termination. |
| Integrated Circuits (ICs) | 4 | Active | |
| Development Boards, Kits, Programmers | 1 | Active | |
BQ24032AStandalone 1-cell, 2-A battery charger - dynamic Power Path, output regulated to 4.4V, Vbat 4.2V | Evaluation Boards | 7 | Active | The bqTINY™ III-series of devices are highly integrated Li-ion linear chargers and system power-path management devices targeted at space-limited portable applications. The bqTINY III-series offer integrated USB-port and DC supply (AC adapter), power-path management with autonomous power-source selection, power FETs and current sensors, high accuracy current and voltage regulation, charge status, and charge termination, in a single monolithic device.
The bqTINY III-series powers the system while independently charging the battery. This feature reduces the charge and discharge cycles on the battery, allows for proper charge termination and allows the system to run with an absent or defective battery pack. This feature also allows for the system to instantaneously turn on from an external power source in the case of a deeply discharged battery pack. The IC design is focused on supplying continuous power to the system when available from the AC, USB, or battery sources.
The power select pin, PSEL, defines which input source is to be used first (primary source – AC or USB). If the primary source is not available, then the IC automatically switches over to the othersecondarysource if available or the battery as the last option. If the PSEL is set low, the USB input is selected first and if not available, the AC line is selected (if available) but programmed to a USB input limiting rate (100 mA/500 mA max). This feature allows the use of one input connector, where the host programs the PSEL pin according to what source is connected (AC adaptor or USB port).
The bq24038 replacesUSBPGwith pin VBSEL, to enable user selection of the charge voltage. In addition, pinACPGwas modified toPG.PGis active low when either ac power or USB power is detected.
The ISET1 pin programs the battery&3146;s fast charge constant current level with a resistor. During normal AC operation, the input supply provides power to both the OUT (System) and BAT pins. For peak or excessive loads (typically when operating from the USB power, PSEL = Low) that would cause the input source to enter current limit (or Q3 - USB FET limiting current) and its source and system voltage (OUT pin) to drop, the dynamic power-path management (DPPM) feature reduces the charging current attempting to prevent any further drop in system voltage. This feature allows the selection of a lower current rated adaptor based on the average load (ISYS-AVG+ IBAT-PGM) rather than a high peak transient load.
The bqTINY™ III-series of devices are highly integrated Li-ion linear chargers and system power-path management devices targeted at space-limited portable applications. The bqTINY III-series offer integrated USB-port and DC supply (AC adapter), power-path management with autonomous power-source selection, power FETs and current sensors, high accuracy current and voltage regulation, charge status, and charge termination, in a single monolithic device.
The bqTINY III-series powers the system while independently charging the battery. This feature reduces the charge and discharge cycles on the battery, allows for proper charge termination and allows the system to run with an absent or defective battery pack. This feature also allows for the system to instantaneously turn on from an external power source in the case of a deeply discharged battery pack. The IC design is focused on supplying continuous power to the system when available from the AC, USB, or battery sources.
The power select pin, PSEL, defines which input source is to be used first (primary source – AC or USB). If the primary source is not available, then the IC automatically switches over to the othersecondarysource if available or the battery as the last option. If the PSEL is set low, the USB input is selected first and if not available, the AC line is selected (if available) but programmed to a USB input limiting rate (100 mA/500 mA max). This feature allows the use of one input connector, where the host programs the PSEL pin according to what source is connected (AC adaptor or USB port).
The bq24038 replacesUSBPGwith pin VBSEL, to enable user selection of the charge voltage. In addition, pinACPGwas modified toPG.PGis active low when either ac power or USB power is detected.
The ISET1 pin programs the battery&3146;s fast charge constant current level with a resistor. During normal AC operation, the input supply provides power to both the OUT (System) and BAT pins. For peak or excessive loads (typically when operating from the USB power, PSEL = Low) that would cause the input source to enter current limit (or Q3 - USB FET limiting current) and its source and system voltage (OUT pin) to drop, the dynamic power-path management (DPPM) feature reduces the charging current attempting to prevent any further drop in system voltage. This feature allows the selection of a lower current rated adaptor based on the average load (ISYS-AVG+ IBAT-PGM) rather than a high peak transient load. |
| Integrated Circuits (ICs) | 2 | Active | |
| Power Management (PMIC) | 2 | Active | |
| Power Management (PMIC) | 3 | Active | |
BQ240501-cell, 1-A, Li-ion linear battery charger with automatic AC/USB detection | Battery Chargers | 1 | Active | The BQ2405x series of devices are highly integrated Li-Ion and Li-Pol linear chargers devices targeted at space-limited portable applications. The devices operate from either a USB port or AC adapter. The high-input voltage range with input overvoltage protection supports low-cost unregulated adapters.
The BQ2405x has a single power output that charges the battery. A system load can be placed in parallel with the battery as long as the average system load does not keep the battery from charging fully during the 10-hour safety timer.
The battery is charged in three phases: conditioning, constant current, and constant voltage. In all charge phases, an internal control loop monitors the IC junction temperature and reduces the charge current if an internal temperature threshold is exceeded.
The charger power stage and charge current sense functions are fully integrated. The charger function has high accuracy current and voltage regulation loops, charge status display, and charge termination. The precharge current and termination current threshold are programmed through an external resistor. The fast charge current value is also programmable through an external resistor.
The BQ2405x series of devices are highly integrated Li-Ion and Li-Pol linear chargers devices targeted at space-limited portable applications. The devices operate from either a USB port or AC adapter. The high-input voltage range with input overvoltage protection supports low-cost unregulated adapters.
The BQ2405x has a single power output that charges the battery. A system load can be placed in parallel with the battery as long as the average system load does not keep the battery from charging fully during the 10-hour safety timer.
The battery is charged in three phases: conditioning, constant current, and constant voltage. In all charge phases, an internal control loop monitors the IC junction temperature and reduces the charge current if an internal temperature threshold is exceeded.
The charger power stage and charge current sense functions are fully integrated. The charger function has high accuracy current and voltage regulation loops, charge status display, and charge termination. The precharge current and termination current threshold are programmed through an external resistor. The fast charge current value is also programmable through an external resistor. |
BQ240521-cell, 1-A, Li-ion battery charger with automatic AC/USB detection, Rntc=100k | Battery Chargers | 2 | Active | The BQ2405x series of devices are highly integrated Li-Ion and Li-Pol linear chargers devices targeted at space-limited portable applications. The devices operate from either a USB port or AC adapter. The high-input voltage range with input overvoltage protection supports low-cost unregulated adapters.
The BQ2405x has a single power output that charges the battery. A system load can be placed in parallel with the battery as long as the average system load does not keep the battery from charging fully during the 10-hour safety timer.
The battery is charged in three phases: conditioning, constant current, and constant voltage. In all charge phases, an internal control loop monitors the IC junction temperature and reduces the charge current if an internal temperature threshold is exceeded.
The charger power stage and charge current sense functions are fully integrated. The charger function has high accuracy current and voltage regulation loops, charge status display, and charge termination. The precharge current and termination current threshold are programmed through an external resistor. The fast charge current value is also programmable through an external resistor.
The BQ2405x series of devices are highly integrated Li-Ion and Li-Pol linear chargers devices targeted at space-limited portable applications. The devices operate from either a USB port or AC adapter. The high-input voltage range with input overvoltage protection supports low-cost unregulated adapters.
The BQ2405x has a single power output that charges the battery. A system load can be placed in parallel with the battery as long as the average system load does not keep the battery from charging fully during the 10-hour safety timer.
The battery is charged in three phases: conditioning, constant current, and constant voltage. In all charge phases, an internal control loop monitors the IC junction temperature and reduces the charge current if an internal temperature threshold is exceeded.
The charger power stage and charge current sense functions are fully integrated. The charger function has high accuracy current and voltage regulation loops, charge status display, and charge termination. The precharge current and termination current threshold are programmed through an external resistor. The fast charge current value is also programmable through an external resistor. |
| Battery Chargers | 2 | Obsolete | |