| Evaluation Boards | 1 | Active | |
BQ240611-cell, 1-A, linear Li-ion battery charger w/ thermal regulation, 10.5V OVP, charge sense | Evaluation Boards | 2 | Active | The bq2406x series are highly integrated Li-Ion and Li-Pol linear chargers, targeted at space-limited portable applications. The bq2406x series offers a variety of safety features and functional options, while still implementing a complete charging system in a small package. The battery is charged in three phases: conditioning, constant or thermally regulated current, and constant voltage. Charge is terminated based on minimum current. An internal programmable charge timer provides a backup safety feature for charge termination and is dynamically adjusted during the thermal regulation phase. The bq2406x automatically re-starts the charge if the battery voltage falls below an internal threshold; sleep mode is set when the external input supply is removed. Multiple versions of this device family enable easy design of the bq2406x in cradle chargers or in the end equipment, while using low cost or high-end AC adapters.
The bq2406x series are highly integrated Li-Ion and Li-Pol linear chargers, targeted at space-limited portable applications. The bq2406x series offers a variety of safety features and functional options, while still implementing a complete charging system in a small package. The battery is charged in three phases: conditioning, constant or thermally regulated current, and constant voltage. Charge is terminated based on minimum current. An internal programmable charge timer provides a backup safety feature for charge termination and is dynamically adjusted during the thermal regulation phase. The bq2406x automatically re-starts the charge if the battery voltage falls below an internal threshold; sleep mode is set when the external input supply is removed. Multiple versions of this device family enable easy design of the bq2406x in cradle chargers or in the end equipment, while using low cost or high-end AC adapters. |
| Evaluation Boards | 1 | Active | |
BQ240701-cell 2-A Li-ion linear battery charger, Power Path, Output regulated to 4.4V | Evaluation Boards | 2 | Active | The bq24070 and bq24071 are highly integrated Li-ion linear charger and system power-path management devices targeted at space-limited portable applications. The bq2407x devices offer DC supply (AC adapter) power-path management with autonomous power-source selection, power FETs and current sensors, high-accuracy current and voltage regulation, charge status, and charge termination, in a single monolithic device.
The bq2407x devices power the system while independently charging the battery. This feature reduces the charge and discharge cycles on the battery, allows for proper charge termination, and allows the system to run with an absent or defective battery pack. This feature also allows for the system to instantaneously turn on from an external power source in the case of a deeply discharged battery pack. The IC design is focused on supplying continuous power to the system when available from the AC adapter or battery sources.
The bq24070 and bq24071 are highly integrated Li-ion linear charger and system power-path management devices targeted at space-limited portable applications. The bq2407x devices offer DC supply (AC adapter) power-path management with autonomous power-source selection, power FETs and current sensors, high-accuracy current and voltage regulation, charge status, and charge termination, in a single monolithic device.
The bq2407x devices power the system while independently charging the battery. This feature reduces the charge and discharge cycles on the battery, allows for proper charge termination, and allows the system to run with an absent or defective battery pack. This feature also allows for the system to instantaneously turn on from an external power source in the case of a deeply discharged battery pack. The IC design is focused on supplying continuous power to the system when available from the AC adapter or battery sources. |
| Battery Chargers | 2 | Active | |
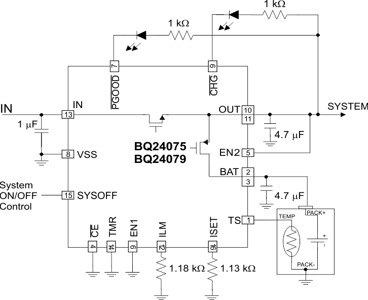
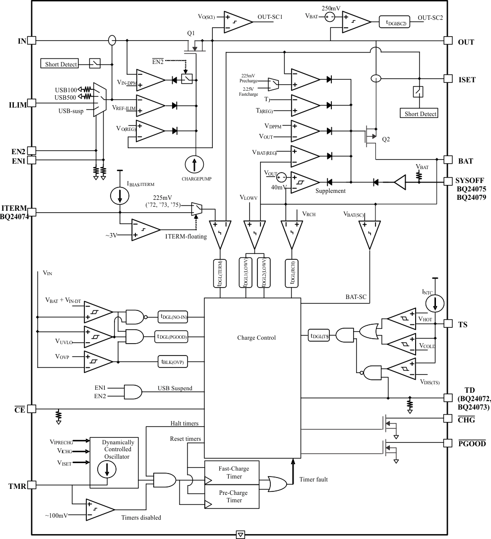
BQ24072Standalone 1-cell 1.5-A linear battery charger, Power Path, 4.2-V VBAT and VOUT=VBAT + 225mV | Development Boards, Kits, Programmers | 4 | Active | The BQ2407x series of devices are integrated Li-Ion linear chargers and system power path management devices targeted at space-limited portable applications. The devices operate from either a USB port or an AC adapter and support charge currents up to 1.5 A. The input voltage range with input overvoltage protection supports unregulated adapters. The USB input current limit accuracy and start up sequence allow the BQ2407x to meet USB-IF inrush current specifications. Additionally, the input dynamic power management (VIN-DPM) prevents the charger from crashing incorrectly configured USB sources.
The BQ2407x features dynamic power path management (DPPM) that powers the system while simultaneously and independently charging the battery. The DPPM circuit reduces the charge current when the input current limit causes the system output to fall to the DPPM threshold; thus, supplying the system load at all times while monitoring the charge current separately. This feature reduces the number of charge and discharge cycles on the battery, allows for proper charge termination and enables the system to run with a defective or absent battery pack.
Additionally, the regulated system input enables instant system turn-on when plugged in even with a totally discharged battery. The power path management architecture also lets the battery supplement the system current requirements when the adapter cannot deliver the peak system currents, thus enabling the use of a smaller adapter.
The battery is charged in three phases: conditioning, constant current, and constant voltage. In all charge phases, an internal control loop monitors the IC junction temperature and reduces the charge current if the internal temperature threshold is exceeded. The charger power stage and charge current sense functions are fully integrated. The charger function has high accuracy current and voltage regulation loops, charge status display, and charge termination. The input current limit and charge current are programmable using external resistors.
The BQ2407x series of devices are integrated Li-Ion linear chargers and system power path management devices targeted at space-limited portable applications. The devices operate from either a USB port or an AC adapter and support charge currents up to 1.5 A. The input voltage range with input overvoltage protection supports unregulated adapters. The USB input current limit accuracy and start up sequence allow the BQ2407x to meet USB-IF inrush current specifications. Additionally, the input dynamic power management (VIN-DPM) prevents the charger from crashing incorrectly configured USB sources.
The BQ2407x features dynamic power path management (DPPM) that powers the system while simultaneously and independently charging the battery. The DPPM circuit reduces the charge current when the input current limit causes the system output to fall to the DPPM threshold; thus, supplying the system load at all times while monitoring the charge current separately. This feature reduces the number of charge and discharge cycles on the battery, allows for proper charge termination and enables the system to run with a defective or absent battery pack.
Additionally, the regulated system input enables instant system turn-on when plugged in even with a totally discharged battery. The power path management architecture also lets the battery supplement the system current requirements when the adapter cannot deliver the peak system currents, thus enabling the use of a smaller adapter.
The battery is charged in three phases: conditioning, constant current, and constant voltage. In all charge phases, an internal control loop monitors the IC junction temperature and reduces the charge current if the internal temperature threshold is exceeded. The charger power stage and charge current sense functions are fully integrated. The charger function has high accuracy current and voltage regulation loops, charge status display, and charge termination. The input current limit and charge current are programmable using external resistors. |
BQ24073Standalone 1-cell 1.5-A linear battery charger, Power Path, 4.2-V VBAT and 4.4-V VOUT | Battery Chargers | 3 | Active | The BQ2407x series of devices are integrated Li-Ion linear chargers and system power path management devices targeted at space-limited portable applications. The devices operate from either a USB port or an AC adapter and support charge currents up to 1.5 A. The input voltage range with input overvoltage protection supports unregulated adapters. The USB input current limit accuracy and start up sequence allow the BQ2407x to meet USB-IF inrush current specifications. Additionally, the input dynamic power management (VIN-DPM) prevents the charger from crashing incorrectly configured USB sources.
The BQ2407x features dynamic power path management (DPPM) that powers the system while simultaneously and independently charging the battery. The DPPM circuit reduces the charge current when the input current limit causes the system output to fall to the DPPM threshold; thus, supplying the system load at all times while monitoring the charge current separately. This feature reduces the number of charge and discharge cycles on the battery, allows for proper charge termination and enables the system to run with a defective or absent battery pack.
Additionally, the regulated system input enables instant system turn-on when plugged in even with a totally discharged battery. The power path management architecture also lets the battery supplement the system current requirements when the adapter cannot deliver the peak system currents, thus enabling the use of a smaller adapter.
The battery is charged in three phases: conditioning, constant current, and constant voltage. In all charge phases, an internal control loop monitors the IC junction temperature and reduces the charge current if the internal temperature threshold is exceeded. The charger power stage and charge current sense functions are fully integrated. The charger function has high accuracy current and voltage regulation loops, charge status display, and charge termination. The input current limit and charge current are programmable using external resistors.
The BQ2407x series of devices are integrated Li-Ion linear chargers and system power path management devices targeted at space-limited portable applications. The devices operate from either a USB port or an AC adapter and support charge currents up to 1.5 A. The input voltage range with input overvoltage protection supports unregulated adapters. The USB input current limit accuracy and start up sequence allow the BQ2407x to meet USB-IF inrush current specifications. Additionally, the input dynamic power management (VIN-DPM) prevents the charger from crashing incorrectly configured USB sources.
The BQ2407x features dynamic power path management (DPPM) that powers the system while simultaneously and independently charging the battery. The DPPM circuit reduces the charge current when the input current limit causes the system output to fall to the DPPM threshold; thus, supplying the system load at all times while monitoring the charge current separately. This feature reduces the number of charge and discharge cycles on the battery, allows for proper charge termination and enables the system to run with a defective or absent battery pack.
Additionally, the regulated system input enables instant system turn-on when plugged in even with a totally discharged battery. The power path management architecture also lets the battery supplement the system current requirements when the adapter cannot deliver the peak system currents, thus enabling the use of a smaller adapter.
The battery is charged in three phases: conditioning, constant current, and constant voltage. In all charge phases, an internal control loop monitors the IC junction temperature and reduces the charge current if the internal temperature threshold is exceeded. The charger power stage and charge current sense functions are fully integrated. The charger function has high accuracy current and voltage regulation loops, charge status display, and charge termination. The input current limit and charge current are programmable using external resistors. |
| Development Boards, Kits, Programmers | 4 | Active | |
BQ24075TStandalone 1-cell 1.5-A linear battery charger, Power Path, 4.2-V VBAT, Voltage-based TS w/ SYSOFF | Evaluation Boards | 4 | Active | The BQ2407xT series of devices are integrated Li-ion linear chargers and system power path management devices targeted at space-limited portable applications. The devices operate from either a USB port or AC adapter and support charge currents up to 1.5A. The input voltage range with input over-voltage protection supports unregulated adapters. The USB input current limit accuracy and start up sequence allow the BQ2407xT to meet USB-IF inrush current specification. Additionally, the input dynamic power management (VIN- DPM) prevents the charger from crashing incorrectly configure USB sources.
The BQ2407xT features dynamic power path management (DPPM) that powers the system while simultaneously and independently charging the battery. The DPPM circuit reduces the charge current when the input current limit causes the system output to fall to the DPPM threshold; thus, supplying the system load at all times while monitoring the charge current separately. This feature reduces the number of charge and discharge cycles on the battery, allows for proper charge termination and enables the system to run with a defective or absent battery pack.
Additionally, the regulated system input enables instant system turn-on when plugged in even with a totally discharged battery. The power-path management architecture also permits the battery to supplement the system current requirements when the adapter cannot deliver the peak system currents, enabling the use of a smaller adapter.
The battery is charged in three phases: conditioning, constant current, and constant voltage. In all charge phases, an internal control loop monitors the IC junction temperature and reduces the charge current if the internal temperature threshold is exceeded. The charger power stage and charge current sense functions are fully integrated. The charger function has high accuracy current and voltage regulation loops, charge status display, and charge termination. The input current limit and charge current are programmable using external resistors.
The BQ2407xT series of devices are integrated Li-ion linear chargers and system power path management devices targeted at space-limited portable applications. The devices operate from either a USB port or AC adapter and support charge currents up to 1.5A. The input voltage range with input over-voltage protection supports unregulated adapters. The USB input current limit accuracy and start up sequence allow the BQ2407xT to meet USB-IF inrush current specification. Additionally, the input dynamic power management (VIN- DPM) prevents the charger from crashing incorrectly configure USB sources.
The BQ2407xT features dynamic power path management (DPPM) that powers the system while simultaneously and independently charging the battery. The DPPM circuit reduces the charge current when the input current limit causes the system output to fall to the DPPM threshold; thus, supplying the system load at all times while monitoring the charge current separately. This feature reduces the number of charge and discharge cycles on the battery, allows for proper charge termination and enables the system to run with a defective or absent battery pack.
Additionally, the regulated system input enables instant system turn-on when plugged in even with a totally discharged battery. The power-path management architecture also permits the battery to supplement the system current requirements when the adapter cannot deliver the peak system currents, enabling the use of a smaller adapter.
The battery is charged in three phases: conditioning, constant current, and constant voltage. In all charge phases, an internal control loop monitors the IC junction temperature and reduces the charge current if the internal temperature threshold is exceeded. The charger power stage and charge current sense functions are fully integrated. The charger function has high accuracy current and voltage regulation loops, charge status display, and charge termination. The input current limit and charge current are programmable using external resistors. |
BQ24076Standalone 1-cell 1.5-A linear charger, Power Path and 4.4-V VBAT | Evaluation Boards | 3 | Active | The bq2407x is a family of integrated Li-Ion battery linear chargers with system power path management functionality targeted at space-constrained portable applications. The devices operate from either a USB port or an AC adapter and support charge currents up to 1.5 A. The input voltage range with input overvoltage protection supports unregulated adapters. The USB input current limit accuracy and start up sequence allow the bq2407x to meet USB-IF inrush current specifications. Additionally, the input dynamic power management (VIN-DPM) prevents system crashes because of incorrectly configured USB sources and maximizes the power available from the adapter.
The bq2407x features dynamic power path management (DPPM) that powers the system while simultaneously and independently charging the battery. The DPPM circuit reduces the charge current when the input current limit causes the system output to fall to the DPPM threshold; thus, supplying the system load at all times while monitoring the charge current separately. This feature reduces the number of charge and discharge cycles on the battery, allows for proper charge termination and enables the system to run with a defective or absent battery pack.
Additionally, the regulated system input enables instant system turn-on when plugged in even with a totally discharged battery. The power-path management architecture also lets the battery supplement the system current requirements when the adapter cannot deliver the peak system currents, thus enabling the use of a smaller adapter.
The battery is charged in three phases: conditioning, constant current, and constant voltage. In all charge phases, an internal control loop monitors the IC junction temperature and reduces the charge current if the internal temperature threshold is exceeded. The charger power stage and charge current sense functions are fully integrated. The charger function has high accuracy current and voltage regulation loops, charge status display, and charge termination. The input current limit and charge current are programmable using external resistors.
The bq2407x is a family of integrated Li-Ion battery linear chargers with system power path management functionality targeted at space-constrained portable applications. The devices operate from either a USB port or an AC adapter and support charge currents up to 1.5 A. The input voltage range with input overvoltage protection supports unregulated adapters. The USB input current limit accuracy and start up sequence allow the bq2407x to meet USB-IF inrush current specifications. Additionally, the input dynamic power management (VIN-DPM) prevents system crashes because of incorrectly configured USB sources and maximizes the power available from the adapter.
The bq2407x features dynamic power path management (DPPM) that powers the system while simultaneously and independently charging the battery. The DPPM circuit reduces the charge current when the input current limit causes the system output to fall to the DPPM threshold; thus, supplying the system load at all times while monitoring the charge current separately. This feature reduces the number of charge and discharge cycles on the battery, allows for proper charge termination and enables the system to run with a defective or absent battery pack.
Additionally, the regulated system input enables instant system turn-on when plugged in even with a totally discharged battery. The power-path management architecture also lets the battery supplement the system current requirements when the adapter cannot deliver the peak system currents, thus enabling the use of a smaller adapter.
The battery is charged in three phases: conditioning, constant current, and constant voltage. In all charge phases, an internal control loop monitors the IC junction temperature and reduces the charge current if the internal temperature threshold is exceeded. The charger power stage and charge current sense functions are fully integrated. The charger function has high accuracy current and voltage regulation loops, charge status display, and charge termination. The input current limit and charge current are programmable using external resistors. |