AMC1303E0520±250-mV input, current sensing reinforced isolated modulator with 20-MHz int clock & Manchester code | Integrated Circuits (ICs) | 9 | Active | The AMC1303 (AMC1303x0510, AMC1303x0520, AMC1303x2510, and AMC1303x2520) is a family of precision, isolated delta-sigma (ΔΣ) modulators. The output is separated from the input circuitry by a capacitive isolation barrier that is highly resistant to magnetic interference. This barrier is certified to provide reinforced isolation of up to 7000VPK according to the DIN EN IEC 60747-17 (VDE 0884-17) and UL1577 standards, and supports a working voltage up to 1.5kVRMS
The input of the AMC1303 device is optimized for direct connection to shunt resistors or other, low-impedance signal sources. The small size, high DC accuracy, low temperature drift, and high common-mode transient immunity (CMTI) support accurate isolated current sensing in noisy high-voltage applications.
The output bitstream of the AMC1303 is synchronized to the internally generated clock and is Manchester coded (AMC1303Ex) or uncoded (AMC1303Mx). Combined with a digital low-pass filter (such as a Sinc-filter) the device achieves 85dB of dynamic range at an effective output data rate of 78kSPS.
The AMC1303 (AMC1303x0510, AMC1303x0520, AMC1303x2510, and AMC1303x2520) is a family of precision, isolated delta-sigma (ΔΣ) modulators. The output is separated from the input circuitry by a capacitive isolation barrier that is highly resistant to magnetic interference. This barrier is certified to provide reinforced isolation of up to 7000VPK according to the DIN EN IEC 60747-17 (VDE 0884-17) and UL1577 standards, and supports a working voltage up to 1.5kVRMS
The input of the AMC1303 device is optimized for direct connection to shunt resistors or other, low-impedance signal sources. The small size, high DC accuracy, low temperature drift, and high common-mode transient immunity (CMTI) support accurate isolated current sensing in noisy high-voltage applications.
The output bitstream of the AMC1303 is synchronized to the internally generated clock and is Manchester coded (AMC1303Ex) or uncoded (AMC1303Mx). Combined with a digital low-pass filter (such as a Sinc-filter) the device achieves 85dB of dynamic range at an effective output data rate of 78kSPS. |
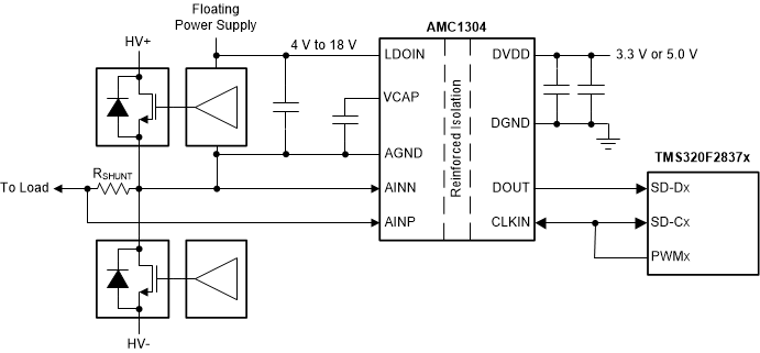
AMC1304L25-Q1Automotive, ±250-mV input, current sensing reinforced isolated modulator with LDO & LVDS Interface | Analog to Digital Converters (ADCs) Evaluation Boards | 13 | Active | The AMC1304 is a precision, delta-sigma (ΔΣ) modulator with the output separated from the input circuitry by a capacitive double isolation barrier that is highly resistant to magnetic interference. This barrier is certified to provide reinforced isolation of up to 7000 VPEAKaccording to the DIN VDE V 0884-11, UL1577 and CSA standards. Used in conjunction with isolated power supplies, the device prevents noise currents on a high common-mode voltage line from entering the local system ground and interfering with or damaging low voltage circuitry.
The input of the AMC1304 is optimized for direct connection to shunt resistors or other low voltage-level signal sources. The unique low input voltage range of the ±50-mV device allows significant reduction of the power dissipation through the shunt while supporting excellent ac and dc performance. By using an appropriate digital filter (that is, as integrated on theTMS320F2807xorTMS320F2837xfamilies) to decimate the bit stream, the device can achieve 16 bits of resolution with a dynamic range of 81 dB (13.2 ENOB) at a data rate of 78 kSPS.
On the high-side, the modulator is supplied by an integrated low-dropout (LDO) regulator that allows an unregulated input voltage between 4 V and 18 V (LDOIN). The isolated digital interface operates from a 3.3-V or 5-V power supply (DVDD).
The AMC1304 is available in a wide-body SOIC-16 (DW) package and is specified from –40°C to +125°C.
The AMC1304 is a precision, delta-sigma (ΔΣ) modulator with the output separated from the input circuitry by a capacitive double isolation barrier that is highly resistant to magnetic interference. This barrier is certified to provide reinforced isolation of up to 7000 VPEAKaccording to the DIN VDE V 0884-11, UL1577 and CSA standards. Used in conjunction with isolated power supplies, the device prevents noise currents on a high common-mode voltage line from entering the local system ground and interfering with or damaging low voltage circuitry.
The input of the AMC1304 is optimized for direct connection to shunt resistors or other low voltage-level signal sources. The unique low input voltage range of the ±50-mV device allows significant reduction of the power dissipation through the shunt while supporting excellent ac and dc performance. By using an appropriate digital filter (that is, as integrated on theTMS320F2807xorTMS320F2837xfamilies) to decimate the bit stream, the device can achieve 16 bits of resolution with a dynamic range of 81 dB (13.2 ENOB) at a data rate of 78 kSPS.
On the high-side, the modulator is supplied by an integrated low-dropout (LDO) regulator that allows an unregulated input voltage between 4 V and 18 V (LDOIN). The isolated digital interface operates from a 3.3-V or 5-V power supply (DVDD).
The AMC1304 is available in a wide-body SOIC-16 (DW) package and is specified from –40°C to +125°C. |
AMC1305M05-Q1Automotive, ±250-mV input, current sensing reinforced isolated modulator with LVDS Interface | Evaluation Boards | 13 | Active | The AMC1305 is a precision, delta-sigma (ΔΣ) modulator with the output separated from the input circuitry by a capacitive double isolation barrier that is highly resistant to magnetic interference. This barrier is certified to provide reinforced isolation of up to 7000 VPEAKaccording to the DIN VDE V 0884-11, UL1577, and CSA standards. Used in conjunction with isolated power supplies, the device prevents noise currents on a high common-mode voltage line from entering the local system ground and interfering with or damaging low voltage circuitry.
The AMC1305 is optimized for direct connection to shunt resistors or other low voltage level signal sources and supports excellent dc and ac performance. Shunt resistors are typically used to sense currents in motor drives, green energy generation systems, or other industrial applications. By using an appropriate digital filter (that is, as integrated on theTMS320F2837x) to decimate the bit stream, the device can achieve 16 bits of resolution with a dynamic range of 85 dB (13.8 ENOB) at a data rate of 78 kSPS.
On the high-side, the modulator is supplied with a nominal voltage of 5 V (AVDD), whereas the isolated digital interface operates from a 3.3-V or 5-V power supply (DVDD).
The AMC1305 is available in a wide-body SOIC-16 (DW) package and is specified from –40°C to +125°C.
The AMC1305 is a precision, delta-sigma (ΔΣ) modulator with the output separated from the input circuitry by a capacitive double isolation barrier that is highly resistant to magnetic interference. This barrier is certified to provide reinforced isolation of up to 7000 VPEAKaccording to the DIN VDE V 0884-11, UL1577, and CSA standards. Used in conjunction with isolated power supplies, the device prevents noise currents on a high common-mode voltage line from entering the local system ground and interfering with or damaging low voltage circuitry.
The AMC1305 is optimized for direct connection to shunt resistors or other low voltage level signal sources and supports excellent dc and ac performance. Shunt resistors are typically used to sense currents in motor drives, green energy generation systems, or other industrial applications. By using an appropriate digital filter (that is, as integrated on theTMS320F2837x) to decimate the bit stream, the device can achieve 16 bits of resolution with a dynamic range of 85 dB (13.8 ENOB) at a data rate of 78 kSPS.
On the high-side, the modulator is supplied with a nominal voltage of 5 V (AVDD), whereas the isolated digital interface operates from a 3.3-V or 5-V power supply (DVDD).
The AMC1305 is available in a wide-body SOIC-16 (DW) package and is specified from –40°C to +125°C. |
AMC1306E25±250-mV input, precision current sensing reinforced isolated modulator with Manchester code | ADCs/DACs - Special Purpose | 7 | Active | The AMC1306 is a precision, delta-sigma (ΔΣ) modulator with the output separated from the input circuitry by a capacitive double isolation barrier that is highly resistant to magnetic interference. This barrier is certified to provide reinforced isolation of up to 7000 VPEAKaccording to the DIN VDE V 0884-11 and UL1577 standards. Used in conjunction with isolated power supplies, this isolated modulator separates parts of the system that operate on different common-mode voltage levels and protects lower-voltage parts from damage.
The input of the AMC1306 is optimized for direct connection to shunt resistors or other low voltage-level signal sources. The unique low input voltage range of the ±50-mV device allows significant reduction of the power dissipation through the shunt and supports excellent ac and dc performance. The output bitstream of the AMC1306 is Manchester coded (AMC1306Ex) or uncoded (AMC1306Mx), depending on the derivate. By using an integrated digital filter (such as those in theTMS320F2807xorTMS320F2837xmicrocontroller families) to decimate the bitstream, the device can achieve 16 bits of resolution with a dynamic range of 85 dB at a data rate of 78 kSPS.
The bitstream output of the Manchester coded AMC1306Ex versions support single-wire data and clock transfer without having to consider the setup and hold time requirements of the receiving device.
The AMC1306 is a precision, delta-sigma (ΔΣ) modulator with the output separated from the input circuitry by a capacitive double isolation barrier that is highly resistant to magnetic interference. This barrier is certified to provide reinforced isolation of up to 7000 VPEAKaccording to the DIN VDE V 0884-11 and UL1577 standards. Used in conjunction with isolated power supplies, this isolated modulator separates parts of the system that operate on different common-mode voltage levels and protects lower-voltage parts from damage.
The input of the AMC1306 is optimized for direct connection to shunt resistors or other low voltage-level signal sources. The unique low input voltage range of the ±50-mV device allows significant reduction of the power dissipation through the shunt and supports excellent ac and dc performance. The output bitstream of the AMC1306 is Manchester coded (AMC1306Ex) or uncoded (AMC1306Mx), depending on the derivate. By using an integrated digital filter (such as those in theTMS320F2807xorTMS320F2837xmicrocontroller families) to decimate the bitstream, the device can achieve 16 bits of resolution with a dynamic range of 85 dB at a data rate of 78 kSPS.
The bitstream output of the Manchester coded AMC1306Ex versions support single-wire data and clock transfer without having to consider the setup and hold time requirements of the receiving device. |
AMC1306M05-Q1Automotive, ±50-mV input, precision current sensing reinforced isolated modulator | Integrated Circuits (ICs) | 1 | Active | The AMC1306M05-Q1 is a precision, delta-sigma (ΔΣ) modulator with the output separated from the input circuitry by an isolation barrier that is highly resistant to magnetic interference. This barrier is certified to provide reinforced isolation of up to 7070 VPEAKaccording to the DIN VDE V 0884-11 and UL1577 standards, and supports a working voltage up to 1.5 kVRMS. The isolation barrier separates parts of the system that operate on different common-mode voltage levels and protects the low-voltage side from voltages that can cause electrical damage or be harmful to an operator.
The input of the AMC1306M05-Q1 is optimized for direct connection to shunt resistors or other low voltage-level signal sources. The excellent DC accuracy and low temperature drift supports accurate current control in onboard chargers (OBC), DC/DC converters, traction inverters, or other high-voltage applications. By using an integrated digital filter (such as those in theTMS320F2807xorTMS320F2837xmicrocontroller families) to decimate the bitstream, the device can achieve 16 bits of resolution with a dynamic range of 85 dB at a data rate of 78 kSPS.
The AMC1306M05-Q1 is offered in a 8-pin, wide-body SOIC package, is AEC-Q100 qualified for automotive applications, and supports the temperature range from –40°C to +125°C.
The AMC1306M05-Q1 is a precision, delta-sigma (ΔΣ) modulator with the output separated from the input circuitry by an isolation barrier that is highly resistant to magnetic interference. This barrier is certified to provide reinforced isolation of up to 7070 VPEAKaccording to the DIN VDE V 0884-11 and UL1577 standards, and supports a working voltage up to 1.5 kVRMS. The isolation barrier separates parts of the system that operate on different common-mode voltage levels and protects the low-voltage side from voltages that can cause electrical damage or be harmful to an operator.
The input of the AMC1306M05-Q1 is optimized for direct connection to shunt resistors or other low voltage-level signal sources. The excellent DC accuracy and low temperature drift supports accurate current control in onboard chargers (OBC), DC/DC converters, traction inverters, or other high-voltage applications. By using an integrated digital filter (such as those in theTMS320F2807xorTMS320F2837xmicrocontroller families) to decimate the bitstream, the device can achieve 16 bits of resolution with a dynamic range of 85 dB at a data rate of 78 kSPS.
The AMC1306M05-Q1 is offered in a 8-pin, wide-body SOIC package, is AEC-Q100 qualified for automotive applications, and supports the temperature range from –40°C to +125°C. |
AMC1306M25-Q1Automotive, ±250-mV input, precision current sensing reinforced isolated modulator | ADCs/DACs - Special Purpose | 1 | Active | The AMC1306M25-Q1 is a precision, delta-sigma (ΔΣ) modulator with the output separated from the input circuitry by an isolation barrier that is highly resistant to magnetic interference. This barrier is certified to provide reinforced isolation of up to 7070 VPEAKaccording to the DIN VDE V 0884-11 and UL1577 standards, and supports a working voltage up to 1.5 kVRMS. The isolation barrier separates parts of the system that operate on different common-mode voltage levels and protects the low-voltage side from voltages that can cause electrical damage or be harmful to an operator.
The input of the AMC1306M25-Q1 is optimized for direct connection to shunt resistors or other low voltage-level signal sources. The excellent DC accuracy and low temperature drift supports accurate current control in onboard chargers (OBC), DC/DC converters, traction inverters, or other high-voltage applications. By using an integrated digital filter (such as those in theTMS320F2807xorTMS320F2837xmicrocontroller families) to decimate the bitstream, the device can achieve 16 bits of resolution with a dynamic range of 85 dB at a data rate of 78 kSPS.
The AMC1306M25-Q1 is offered in a 8-pin, wide-body SOIC package, is AEC-Q100 qualified for automotive applications, and supports the temperature range from –40°C to +125°C.
The AMC1306M25-Q1 is a precision, delta-sigma (ΔΣ) modulator with the output separated from the input circuitry by an isolation barrier that is highly resistant to magnetic interference. This barrier is certified to provide reinforced isolation of up to 7070 VPEAKaccording to the DIN VDE V 0884-11 and UL1577 standards, and supports a working voltage up to 1.5 kVRMS. The isolation barrier separates parts of the system that operate on different common-mode voltage levels and protects the low-voltage side from voltages that can cause electrical damage or be harmful to an operator.
The input of the AMC1306M25-Q1 is optimized for direct connection to shunt resistors or other low voltage-level signal sources. The excellent DC accuracy and low temperature drift supports accurate current control in onboard chargers (OBC), DC/DC converters, traction inverters, or other high-voltage applications. By using an integrated digital filter (such as those in theTMS320F2807xorTMS320F2837xmicrocontroller families) to decimate the bitstream, the device can achieve 16 bits of resolution with a dynamic range of 85 dB at a data rate of 78 kSPS.
The AMC1306M25-Q1 is offered in a 8-pin, wide-body SOIC package, is AEC-Q100 qualified for automotive applications, and supports the temperature range from –40°C to +125°C. |
AMC1306M25EReinforced isolated modulator with -55C extended temperature range | ADCs/DACs - Special Purpose | 1 | Active | The AMC1306M25E is a precision, delta-sigma (ΔΣ) modulator with the output separated from the input circuitry by an isolation barrier that is highly resistant to magnetic interference. This barrier is certified to provide reinforced isolation of up to 7070 VPEAKaccording to the DIN EN IEC 60747-17 (VDE 0884-17) and UL1577 standards, and supports a working voltage up to 1.5 kVRMS. The isolation barrier separates parts of the system that operate on different common-mode voltage levels and protects the low-voltage side from voltages that can cause electrical damage or be harmful to an operator.
The input of the AMC1306M25E is optimized for direct connection to shunt resistors or other low voltage-level signal sources. The excellent DC accuracy and low temperature drift supports accurate current control in onboard chargers (OBC), DC/DC converters, traction inverters, or other high-voltage applications. By using an integrated digital filter (such as those in theTMS320F2807xorTMS320F2837xmicrocontroller families) to decimate the bitstream, the device can achieve 16 bits of resolution with a dynamic range of 85 dB at a data rate of 78 kSPS.
The AMC1306M25E is offered in a 8-pin, wide-body SOIC package, is fully specified over the extended industrial temperature range of –40°C to +125°C, and supports operation down to –55°C.
The AMC1306M25E is a precision, delta-sigma (ΔΣ) modulator with the output separated from the input circuitry by an isolation barrier that is highly resistant to magnetic interference. This barrier is certified to provide reinforced isolation of up to 7070 VPEAKaccording to the DIN EN IEC 60747-17 (VDE 0884-17) and UL1577 standards, and supports a working voltage up to 1.5 kVRMS. The isolation barrier separates parts of the system that operate on different common-mode voltage levels and protects the low-voltage side from voltages that can cause electrical damage or be harmful to an operator.
The input of the AMC1306M25E is optimized for direct connection to shunt resistors or other low voltage-level signal sources. The excellent DC accuracy and low temperature drift supports accurate current control in onboard chargers (OBC), DC/DC converters, traction inverters, or other high-voltage applications. By using an integrated digital filter (such as those in theTMS320F2807xorTMS320F2837xmicrocontroller families) to decimate the bitstream, the device can achieve 16 bits of resolution with a dynamic range of 85 dB at a data rate of 78 kSPS.
The AMC1306M25E is offered in a 8-pin, wide-body SOIC package, is fully specified over the extended industrial temperature range of –40°C to +125°C, and supports operation down to –55°C. |
AMC130M03Three-channel, simultaneously-sampling, 16-bit, isolated delta-sigma ADC | Integrated Circuits (ICs) | 1 | Active | The AMC130M03 is a precision three-channel, data- and power-isolated, simultaneous-sampling, 16-bit, delta-sigma (ΔΣ) analog-to-digital converter (ADC). The AMC130M03 offers wide dynamic range, low power, and energy-measurement-specific features, making the device designed for energy metering and power metrology applications. The ADC inputs can be directly interfaced to a resistor-divider network or a shunt-current sensor because of the device high input impedance.
The AMC130M03 features a fully integrated isolated DC/DC converter that allows single-supply operation from the low-side of the device. The reinforced capacitive isolation barrier is certified according to VDE V 0884-17 and UL1577. This isolation barrier separates parts of the system that operate on different common-mode voltage levels and protects lower-voltage parts from damage, making the AMC130M03 an excellent choice for polyphase energy metering applications using shunt current sensors.
The AMC130M03 is a precision three-channel, data- and power-isolated, simultaneous-sampling, 16-bit, delta-sigma (ΔΣ) analog-to-digital converter (ADC). The AMC130M03 offers wide dynamic range, low power, and energy-measurement-specific features, making the device designed for energy metering and power metrology applications. The ADC inputs can be directly interfaced to a resistor-divider network or a shunt-current sensor because of the device high input impedance.
The AMC130M03 features a fully integrated isolated DC/DC converter that allows single-supply operation from the low-side of the device. The reinforced capacitive isolation barrier is certified according to VDE V 0884-17 and UL1577. This isolation barrier separates parts of the system that operate on different common-mode voltage levels and protects lower-voltage parts from damage, making the AMC130M03 an excellent choice for polyphase energy metering applications using shunt current sensors. |
AMC1311-Q1Automotive, 2-V input, precision voltage sensing reinforced isolated amplifier | Op Amp Evaluation Boards | 6 | Active | The AMC1311-Q1 is a precision, isolated amplifier with an output separated from the input circuitry by a capacitive isolation barrier that is highly resistant to magnetic interference. This barrier is certified to provide reinforced galvanic isolation of up to 5 kVRMSaccording to DIN EN IEC 60747-17 (VDE 0884-17) and UL1577 and supports a working voltage of up to 1500 VRMS.
The isolation barrier separates parts of the system that operate on different common-mode voltage levels and protects the low-voltage side from voltages that can cause electrical damage or be harmful to an operator.
The high-impedance input of the AMC1311-Q1 is optimized for connection to high-impedance resistive dividers or any other high-impedance voltage signal source. The excellent DC accuracy and low temperature drift support accurate, isolated voltage sensing and control in closed-loop systems. The integrated missing high-side supply voltage detection feature simplifies system-level design and diagnostics.
The AMC1311-Q1 is offered with two performance grade options: AMC1311-Q1 and AMC1311B-Q1.
The AMC1311-Q1 is a precision, isolated amplifier with an output separated from the input circuitry by a capacitive isolation barrier that is highly resistant to magnetic interference. This barrier is certified to provide reinforced galvanic isolation of up to 5 kVRMSaccording to DIN EN IEC 60747-17 (VDE 0884-17) and UL1577 and supports a working voltage of up to 1500 VRMS.
The isolation barrier separates parts of the system that operate on different common-mode voltage levels and protects the low-voltage side from voltages that can cause electrical damage or be harmful to an operator.
The high-impedance input of the AMC1311-Q1 is optimized for connection to high-impedance resistive dividers or any other high-impedance voltage signal source. The excellent DC accuracy and low temperature drift support accurate, isolated voltage sensing and control in closed-loop systems. The integrated missing high-side supply voltage detection feature simplifies system-level design and diagnostics.
The AMC1311-Q1 is offered with two performance grade options: AMC1311-Q1 and AMC1311B-Q1. |
AMC131M0124-bit, 32-kSPS, 1-channel, simultaneous-sampling, delta-sigma ADC | Integrated Circuits (ICs) | 1 | Active | The AMC131M01 is a precision, single-channel, data- and power-isolated, 24-bit, delta-sigma (ΔΣ), analog-to-digital converter (ADC). The AMC131M01 offers wide dynamic range, low power, and energy-measurement-specific features designed for energy metering and power metrology applications. The ADC inputs can be directly interfaced to a resistor-divider network or a shunt current sensor because of the device high input impedance.
The AMC131M01 features a fully integrated isolated DC/DC converter that allows single-supply operation from the low-side of the device. The reinforced capacitive isolation barrier is certified according to VDE 0884-17 and UL1577. This isolation barrier separates parts of the system that operate on different common-mode voltage levels and protects lower-voltage parts from damage, making the AMC131M01 an excellent choice for polyphase energy metering applications using shunt current sensors.
The AMC131M01 is a precision, single-channel, data- and power-isolated, 24-bit, delta-sigma (ΔΣ), analog-to-digital converter (ADC). The AMC131M01 offers wide dynamic range, low power, and energy-measurement-specific features designed for energy metering and power metrology applications. The ADC inputs can be directly interfaced to a resistor-divider network or a shunt current sensor because of the device high input impedance.
The AMC131M01 features a fully integrated isolated DC/DC converter that allows single-supply operation from the low-side of the device. The reinforced capacitive isolation barrier is certified according to VDE 0884-17 and UL1577. This isolation barrier separates parts of the system that operate on different common-mode voltage levels and protects lower-voltage parts from damage, making the AMC131M01 an excellent choice for polyphase energy metering applications using shunt current sensors. |