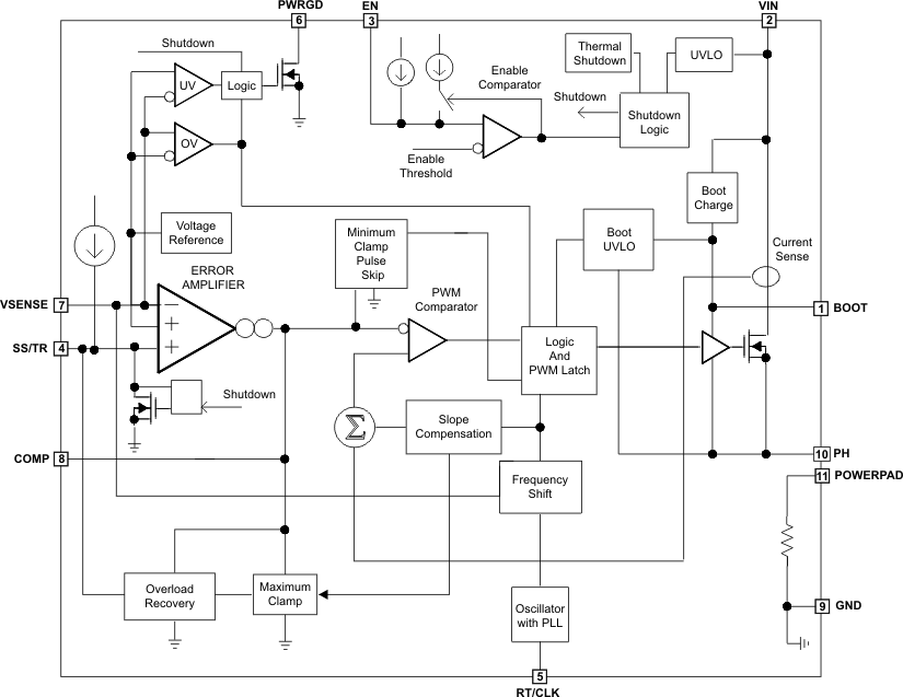
TPS57140TPS57140-EP 1.5-A 42-V STEP-DOWN DC-DC CONVERTER WITH Eco-mode™ CONTROL | Power Management (PMIC) | 3 | Active | The TPS57140-Q1 device is a 42-V, 1.5-A step-down regulator with an integrated high-side MOSFET. Current-mode control provides simple external compensation and flexible component selection. A low-ripple pulse-skip mode reduces the no-load, regulated output supply current to 116 μA. When the enable pin is in the low state, the shutdown current is reduced to 1.5 µA.
Undervoltage lockout is internally set at 2.5 V, but can be increased using the enable pin. The output voltage startup ramp is controlled by the slow-start pin that can also be configured for sequencing or tracking. An open-drain power-good signal indicates the output is within 92% to 109% of its nominal voltage.
A wide switching-frequency range allows optimization of efficiency and external component size. Frequency foldback and thermal shutdown protect the part during an overload condition.
The TPS57140-Q1 is available in a 10-pin thermally enhanced MSOP-PowerPAD package (DGQ) and a 10-pin VSON package (DRC).
The TPS57140-Q1 device is a 42-V, 1.5-A step-down regulator with an integrated high-side MOSFET. Current-mode control provides simple external compensation and flexible component selection. A low-ripple pulse-skip mode reduces the no-load, regulated output supply current to 116 μA. When the enable pin is in the low state, the shutdown current is reduced to 1.5 µA.
Undervoltage lockout is internally set at 2.5 V, but can be increased using the enable pin. The output voltage startup ramp is controlled by the slow-start pin that can also be configured for sequencing or tracking. An open-drain power-good signal indicates the output is within 92% to 109% of its nominal voltage.
A wide switching-frequency range allows optimization of efficiency and external component size. Frequency foldback and thermal shutdown protect the part during an overload condition.
The TPS57140-Q1 is available in a 10-pin thermally enhanced MSOP-PowerPAD package (DGQ) and a 10-pin VSON package (DRC). |
| Power Management (PMIC) | 1 | Active | |
| Integrated Circuits (ICs) | 4 | Active | |
TPS59116Complete DDR, DDR2, and DDR3 Memory Power Solution, Sync Buck Controller for Embedded Computing | Integrated Circuits (ICs) | 2 | Active | The TPS59116 provides a complete power supply for DDR/SSTL-2, DDR2/SSTL-18, and DDR3 memory systems. It integrates a synchronous buck controller with a 3-A sink/source tracking linear regulator and buffered low noise reference. The TPS59116 offers the lowest total solution cost in systems where space is at a premium. The TPS59116 synchronous controller runs fixed 400-kHz pseudo-constant frequency PWM with an adaptive on-time control that can be configured in D-CAP™ Mode for ease of use and fastest transient response or in current mode to support ceramic output capacitors. The 3-A sink/source LDO maintains fast transient response only requiring 20-µF (2 × 10 µF) of ceramic output capacitance. In addition, the LDO supply input is available externally to significantly reduce the total power losses. The TPS59116 supports all of the sleep state controls placing VTT at high-Z in S3 (suspend to RAM) and discharging VDDQ, VTT and VTTREF (soft-off) in S4/S5 (suspend to disk). TPS59116 has all of the protection features including thermal shutdown and is offered in both a 20-pin HTSSOP PowerPAD™ package and 24-pin 4×4 QFN.
The TPS59116 provides a complete power supply for DDR/SSTL-2, DDR2/SSTL-18, and DDR3 memory systems. It integrates a synchronous buck controller with a 3-A sink/source tracking linear regulator and buffered low noise reference. The TPS59116 offers the lowest total solution cost in systems where space is at a premium. The TPS59116 synchronous controller runs fixed 400-kHz pseudo-constant frequency PWM with an adaptive on-time control that can be configured in D-CAP™ Mode for ease of use and fastest transient response or in current mode to support ceramic output capacitors. The 3-A sink/source LDO maintains fast transient response only requiring 20-µF (2 × 10 µF) of ceramic output capacitance. In addition, the LDO supply input is available externally to significantly reduce the total power losses. The TPS59116 supports all of the sleep state controls placing VTT at high-Z in S3 (suspend to RAM) and discharging VDDQ, VTT and VTTREF (soft-off) in S4/S5 (suspend to disk). TPS59116 has all of the protection features including thermal shutdown and is offered in both a 20-pin HTSSOP PowerPAD™ package and 24-pin 4×4 QFN. |
| Power Management (PMIC) | 1 | Active | |
| DC/DC & AC/DC (Off-Line) SMPS Evaluation Boards | 3 | Obsolete | |
TPS59603Synchronous buck FET driver for high-frequency CPU core power in automotive applications | Integrated Circuits (ICs) | 1 | Active | The TPS59603-Q1 drivers are optimized for high-frequency CPU VCOREapplications. Advanced features such as reduced dead-time drive and auto zero crossing are used to optimize efficiency over the entire load range.
TheSKIPpin provides the option of CCM operation to support controlled management of the output voltage. In addition, the TPS59603-Q1 supports two low-power modes. With the PWM input in tri-state, quiescent current is reduced to 130 µA, with immediate response. WhenSKIPis held at tri-state, the current is reduced to 8 µA (typically 20 µs is required to resume switching). Paired with the appropriate TI controller, the drivers deliver an exceptionally high performance power supply system.
The TPS59603-Q1 device is packaged in a space saving, thermally-enhanced 8-pin, 2-mm x 2-mm wettable flanks WSON package and operates from –40°C to 125°C.
The TPS59603-Q1 drivers are optimized for high-frequency CPU VCOREapplications. Advanced features such as reduced dead-time drive and auto zero crossing are used to optimize efficiency over the entire load range.
TheSKIPpin provides the option of CCM operation to support controlled management of the output voltage. In addition, the TPS59603-Q1 supports two low-power modes. With the PWM input in tri-state, quiescent current is reduced to 130 µA, with immediate response. WhenSKIPis held at tri-state, the current is reduced to 8 µA (typically 20 µs is required to resume switching). Paired with the appropriate TI controller, the drivers deliver an exceptionally high performance power supply system.
The TPS59603-Q1 device is packaged in a space saving, thermally-enhanced 8-pin, 2-mm x 2-mm wettable flanks WSON package and operates from –40°C to 125°C. |
TPS59603-Q1Synchronous buck FET driver for high-frequency CPU core power in automotive applications | Power Management - Specialized | 1 | Active | The TPS59603-Q1 drivers are optimized for high-frequency CPU VCOREapplications. Advanced features such as reduced dead-time drive and auto zero crossing are used to optimize efficiency over the entire load range.
TheSKIPpin provides the option of CCM operation to support controlled management of the output voltage. In addition, the TPS59603-Q1 supports two low-power modes. With the PWM input in tri-state, quiescent current is reduced to 130 µA, with immediate response. WhenSKIPis held at tri-state, the current is reduced to 8 µA (typically 20 µs is required to resume switching). Paired with the appropriate TI controller, the drivers deliver an exceptionally high performance power supply system.
The TPS59603-Q1 device is packaged in a space saving, thermally-enhanced 8-pin, 2-mm x 2-mm wettable flanks WSON package and operates from –40°C to 125°C.
The TPS59603-Q1 drivers are optimized for high-frequency CPU VCOREapplications. Advanced features such as reduced dead-time drive and auto zero crossing are used to optimize efficiency over the entire load range.
TheSKIPpin provides the option of CCM operation to support controlled management of the output voltage. In addition, the TPS59603-Q1 supports two low-power modes. With the PWM input in tri-state, quiescent current is reduced to 130 µA, with immediate response. WhenSKIPis held at tri-state, the current is reduced to 8 µA (typically 20 µs is required to resume switching). Paired with the appropriate TI controller, the drivers deliver an exceptionally high performance power supply system.
The TPS59603-Q1 device is packaged in a space saving, thermally-enhanced 8-pin, 2-mm x 2-mm wettable flanks WSON package and operates from –40°C to 125°C. |
TPS59610Single Phase, D-CAP+™ Sync Buck Controller for IMVP6+ CPU and GPU in Embedded Computing | Special Purpose Regulators | 2 | Active | The TPS59610 is a fully Intel-compliant single-phase synchronous buck controller with integrated gate drivers designed for use in low-power CPUs and Intel integrated Graphics solutions for IMVP-6+ generation notebook systems. Advanced control features such as D-CAP+ architecture and OSR overshoot reduction provide fast transient response, lowest output capacitance and high efficiency. The TPS59610 DAC provides the 5-bit graphicsrenderVID. The TPS59610 provides the full compliment of IMVP6+ I/O includingVR_TT, and PMON. Adjustable control of VCOREslew rate and voltage positioning round out the IMVP6+ features. In addition, the TPS59610 includes two high-current FET gate drivers to drive external N-channel FETs with low switching loss.
The TPS59610 is a fully Intel-compliant single-phase synchronous buck controller with integrated gate drivers designed for use in low-power CPUs and Intel integrated Graphics solutions for IMVP-6+ generation notebook systems. Advanced control features such as D-CAP+ architecture and OSR overshoot reduction provide fast transient response, lowest output capacitance and high efficiency. The TPS59610 DAC provides the 5-bit graphicsrenderVID. The TPS59610 provides the full compliment of IMVP6+ I/O includingVR_TT, and PMON. Adjustable control of VCOREslew rate and voltage positioning round out the IMVP6+ features. In addition, the TPS59610 includes two high-current FET gate drivers to drive external N-channel FETs with low switching loss. |
| Special Purpose Regulators | 2 | Active | |