
TPS57140-EP Series
TPS57140-EP 1.5-A 42-V STEP-DOWN DC-DC CONVERTER WITH Eco-mode™ CONTROL
Manufacturer: Texas Instruments
Catalog
TPS57140-EP 1.5-A 42-V STEP-DOWN DC-DC CONVERTER WITH Eco-mode™ CONTROL
Key Features
• Qualified for Automotive ApplicationsAEC-Q100 Qualified with the Following Results:Device Temperature Grade 1: –40°C to +125°CDevice HBM ESD Classification Level 2Device CDM ESD Classification Level C4B3.5-V to 42-V Input Voltage Range200-mΩ High-Side MOSFETHigh Efficiency at Light Loads With Pulse-Skipping Eco-mode Control Scheme116-μA Operating Quiescent Current1.5-μA Shutdown Current100-kHz to 2.5-MHz Switching FrequencySynchronizes to External ClockAdjustable Slow Start and SequencingUndervoltage and Overvoltage Power-Good OutputAdjustable Undervoltage Lockout Voltage and Hysteresis0.8-V Internal Voltage ReferenceSupported by SwitcherPro Software Tool(www.ti.com/tool/switcherpro)All trademarks are the property of their respective owners.Qualified for Automotive ApplicationsAEC-Q100 Qualified with the Following Results:Device Temperature Grade 1: –40°C to +125°CDevice HBM ESD Classification Level 2Device CDM ESD Classification Level C4B3.5-V to 42-V Input Voltage Range200-mΩ High-Side MOSFETHigh Efficiency at Light Loads With Pulse-Skipping Eco-mode Control Scheme116-μA Operating Quiescent Current1.5-μA Shutdown Current100-kHz to 2.5-MHz Switching FrequencySynchronizes to External ClockAdjustable Slow Start and SequencingUndervoltage and Overvoltage Power-Good OutputAdjustable Undervoltage Lockout Voltage and Hysteresis0.8-V Internal Voltage ReferenceSupported by SwitcherPro Software Tool(www.ti.com/tool/switcherpro)All trademarks are the property of their respective owners.
Description
AI
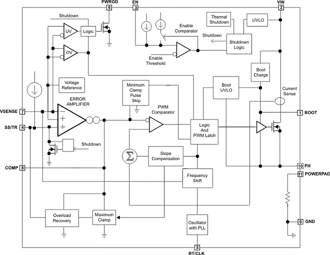
The TPS57140-Q1 device is a 42-V, 1.5-A step-down regulator with an integrated high-side MOSFET. Current-mode control provides simple external compensation and flexible component selection. A low-ripple pulse-skip mode reduces the no-load, regulated output supply current to 116 μA. When the enable pin is in the low state, the shutdown current is reduced to 1.5 µA.
Undervoltage lockout is internally set at 2.5 V, but can be increased using the enable pin. The output voltage startup ramp is controlled by the slow-start pin that can also be configured for sequencing or tracking. An open-drain power-good signal indicates the output is within 92% to 109% of its nominal voltage.
A wide switching-frequency range allows optimization of efficiency and external component size. Frequency foldback and thermal shutdown protect the part during an overload condition.
The TPS57140-Q1 is available in a 10-pin thermally enhanced MSOP-PowerPAD package (DGQ) and a 10-pin VSON package (DRC).
The TPS57140-Q1 device is a 42-V, 1.5-A step-down regulator with an integrated high-side MOSFET. Current-mode control provides simple external compensation and flexible component selection. A low-ripple pulse-skip mode reduces the no-load, regulated output supply current to 116 μA. When the enable pin is in the low state, the shutdown current is reduced to 1.5 µA.
Undervoltage lockout is internally set at 2.5 V, but can be increased using the enable pin. The output voltage startup ramp is controlled by the slow-start pin that can also be configured for sequencing or tracking. An open-drain power-good signal indicates the output is within 92% to 109% of its nominal voltage.
A wide switching-frequency range allows optimization of efficiency and external component size. Frequency foldback and thermal shutdown protect the part during an overload condition.
The TPS57140-Q1 is available in a 10-pin thermally enhanced MSOP-PowerPAD package (DGQ) and a 10-pin VSON package (DRC).


