| Power Management (PMIC) | 2 | Obsolete | |
TPS43000Multi-Topology (buck, boost, sepic) High Frequency DC/DC Controller | Evaluation Boards | 3 | Active | The TPS43000 is a high-frequency, voltage-mode, synchronous PWM controller that can be used in buck, boost, SEPIC, or flyback topologies. This highly flexible, full-featured controller is designed to drive a pair of external MOSFETs (one N-channel and one P-channel), enabling it for use with a wide range of output voltages and power levels. With an automatic PFM mode, a shutdown current of less than 1 uA, a sleep-mode current of less than 100 uA and a full operating current of less than 2 mA at 1 MHz, it is ideal for building highly efficient, dc-to-dc converters.
The TPS43000 operates over a wide input voltage range of 1.8 V to 9.0 V. Typical power sources are distributed power systems, two to four nickel or alkaline batteries, or one to two lithium-ion cells. It can be used to generate regulated output voltages from as low as 0.8 V to 8 V or higher. It operates either in a fixed-frequency mode, where the user programs the frequency (up to 2 MHz), or in an automatic PFM mode. In the automatic mode, the controller goes to sleep when the inductor current goes discontinuous, and wakes up when the output voltage has fallen by 2%. In this hysteretic mode of operation, very high efficiency can be maintained over a very wide range of load current. The device can also be synchronized to an external clock source using the dual function SYNC/SD input pin.
The TPS43000 features a selectable two-level current-limit circuit which senses the voltage drop across the energizing MOSFET. The user can select either pulse-by-pulse current limiting or hiccup mode overcurrent protection. The TPS43000 also features a low-power (LP) mode (which reduces gate charge losses in the N-channel MOSFET at high input/output voltages), undervoltage lockout, and soft-start. The TPS43000 is available in a 16-pin TSSOP (PW) package.
The TPS43000 is a high-frequency, voltage-mode, synchronous PWM controller that can be used in buck, boost, SEPIC, or flyback topologies. This highly flexible, full-featured controller is designed to drive a pair of external MOSFETs (one N-channel and one P-channel), enabling it for use with a wide range of output voltages and power levels. With an automatic PFM mode, a shutdown current of less than 1 uA, a sleep-mode current of less than 100 uA and a full operating current of less than 2 mA at 1 MHz, it is ideal for building highly efficient, dc-to-dc converters.
The TPS43000 operates over a wide input voltage range of 1.8 V to 9.0 V. Typical power sources are distributed power systems, two to four nickel or alkaline batteries, or one to two lithium-ion cells. It can be used to generate regulated output voltages from as low as 0.8 V to 8 V or higher. It operates either in a fixed-frequency mode, where the user programs the frequency (up to 2 MHz), or in an automatic PFM mode. In the automatic mode, the controller goes to sleep when the inductor current goes discontinuous, and wakes up when the output voltage has fallen by 2%. In this hysteretic mode of operation, very high efficiency can be maintained over a very wide range of load current. The device can also be synchronized to an external clock source using the dual function SYNC/SD input pin.
The TPS43000 features a selectable two-level current-limit circuit which senses the voltage drop across the energizing MOSFET. The user can select either pulse-by-pulse current limiting or hiccup mode overcurrent protection. The TPS43000 also features a low-power (LP) mode (which reduces gate charge losses in the N-channel MOSFET at high input/output voltages), undervoltage lockout, and soft-start. The TPS43000 is available in a 16-pin TSSOP (PW) package. |
| DC/DC & AC/DC (Off-Line) SMPS Evaluation Boards | 3 | Active | |
TPS43061Low Iq, Synchronous Boost Controller with Wide Input Voltage and 5.5V Gate Drive for Low Qg NexFETs | Power Management (PMIC) | 3 | Active | The TPS43060 and TPS43061 are low IQcurrent-mode synchronous boost controllers with wide-input voltage range from 4.5 to 38 V (40 V absolute max) and boosted output range up to 58 V. Synchronous rectification enables high-efficiency for high-current applications, and lossless inductor DCR sensing further improves efficiency. The resulting low-power losses combined with a 3-mm × 3-mm WQFN-16 package with PowerPAD™ supports high power-density and high-reliability boost converter solutions over extended (–40°C to 150°C) temperature range.
The TPS43060 includes a 7.5-V gate drive supply, which is suitable to drive a broad range of MOSFETs. The TPS43061 has a 5.5-V gate drive supply and driver strength optimized for low QgNexFET power MOSFETs. Also, TPS43061 provides an integrated bootstrap diode for the high-side gate driver to reduce the external parts count.
The TPS43060 and TPS43061 are low IQcurrent-mode synchronous boost controllers with wide-input voltage range from 4.5 to 38 V (40 V absolute max) and boosted output range up to 58 V. Synchronous rectification enables high-efficiency for high-current applications, and lossless inductor DCR sensing further improves efficiency. The resulting low-power losses combined with a 3-mm × 3-mm WQFN-16 package with PowerPAD™ supports high power-density and high-reliability boost converter solutions over extended (–40°C to 150°C) temperature range.
The TPS43060 includes a 7.5-V gate drive supply, which is suitable to drive a broad range of MOSFETs. The TPS43061 has a 5.5-V gate drive supply and driver strength optimized for low QgNexFET power MOSFETs. Also, TPS43061 provides an integrated bootstrap diode for the high-side gate driver to reduce the external parts count. |
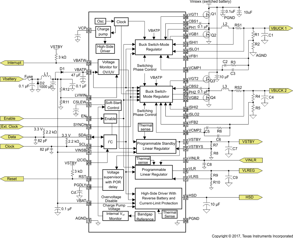
TPS43330Automotive 2V to 40V Low Iq Single Boost & Dual Synchronous Buck Controller | Power Management (PMIC) | 3 | Active | The TPS43330-Q1 and TPS43332-Q1 devices (TPS4333x-Q1) include two current-mode synchronous buck controllers and a voltage-mode boost controller. The TPS4333x-Q1 family of devices is ideally suited as a pre-regulator stage with low IQrequirements and for applications that must survive supply drops due to cranking events. The integrated boost controller allows the devices to operate down to 2 V at the input without seeing a drop on the buck regulator output stages. At light loads, the buck controllers can be enabled to operate automatically in low-power mode, consuming just 30 µA of quiescent current.
The buck controllers have independent soft-start capability and power-good indicators. Current foldback in the buck controllers and cycle-by-cycle current limitation in the boost controller provide external MOSFET protection. The switching frequency can be programed over 150 kHz to 600 kHz or synchronized to an external clock in the same range. Additionally, the TPS43332-Q1 device offers frequency-hopping spread-spectrum operation.
The TPS43330-Q1 and TPS43332-Q1 devices (TPS4333x-Q1) include two current-mode synchronous buck controllers and a voltage-mode boost controller. The TPS4333x-Q1 family of devices is ideally suited as a pre-regulator stage with low IQrequirements and for applications that must survive supply drops due to cranking events. The integrated boost controller allows the devices to operate down to 2 V at the input without seeing a drop on the buck regulator output stages. At light loads, the buck controllers can be enabled to operate automatically in low-power mode, consuming just 30 µA of quiescent current.
The buck controllers have independent soft-start capability and power-good indicators. Current foldback in the buck controllers and cycle-by-cycle current limitation in the boost controller provide external MOSFET protection. The switching frequency can be programed over 150 kHz to 600 kHz or synchronized to an external clock in the same range. Additionally, the TPS43332-Q1 device offers frequency-hopping spread-spectrum operation. |
| Power Management (PMIC) | 1 | Active | |
| Integrated Circuits (ICs) | 2 | Active | |
| Power Management (PMIC) | 1 | Active | |
TPS43335-Q1Automotive 2V to 40V low Iq single boost & dual synchronous buck controller | Integrated Circuits (ICs) | 1 | Active | The TPS43335-Q1 and TPS43336-Q1 include two current-mode synchronous buck controllers and a voltage-mode boost controller. The devices are ideally suited as a pre-regulator stage with low Iq requirements and for applications that must survive supply drops due to cranking events. The integrated boost controller allows the devices to operate down to 2 V at the input without seeing a drop on the buck regulator output stages. At light loads, one can enable the buck controllers to operate automatically in low-power mode, consuming just 30 µA of quiescent current.
The buck controllers have independent soft-start capability and power-good indicators. Current foldback in the buck controllers and cycle-by-cycle current limitation in the boost controller provide external MOSFET protection. One can program the switching frequency over 150 kHz to 600 kHz or synchronize it to an external clock in the same range. Additionally, the TPS43336-Q1 offers frequency-hopping spread-spectrum operation.
The TPS43335-Q1 and TPS43336-Q1 include two current-mode synchronous buck controllers and a voltage-mode boost controller. The devices are ideally suited as a pre-regulator stage with low Iq requirements and for applications that must survive supply drops due to cranking events. The integrated boost controller allows the devices to operate down to 2 V at the input without seeing a drop on the buck regulator output stages. At light loads, one can enable the buck controllers to operate automatically in low-power mode, consuming just 30 µA of quiescent current.
The buck controllers have independent soft-start capability and power-good indicators. Current foldback in the buck controllers and cycle-by-cycle current limitation in the boost controller provide external MOSFET protection. One can program the switching frequency over 150 kHz to 600 kHz or synchronize it to an external clock in the same range. Additionally, the TPS43336-Q1 offers frequency-hopping spread-spectrum operation. |
| Power Management (PMIC) | 1 | Active | |