T
Texas Instruments
| Series | Category | # Parts | Status | Description |
|---|---|---|---|---|
| Part | Spec A | Spec B | Spec C | Spec D | Description |
|---|---|---|---|---|---|
| Series | Category | # Parts | Status | Description |
|---|---|---|---|---|
| Part | Spec A | Spec B | Spec C | Spec D | Description |
|---|---|---|---|---|---|
| Part | Category | Description |
|---|---|---|
Texas Instruments BQ2002CSNTRG4Unknown | Integrated Circuits (ICs) | LINEAR BATTERY CHARGER NICD/NIMH 2000MA 0V TO 6V 8-PIN SOIC T/R |
Texas Instruments LM3676SDX-3.3Obsolete | Integrated Circuits (ICs) | IC REG BUCK 3.3V 600MA 8WSON |
Texas Instruments | Integrated Circuits (ICs) | TMX320DRE311 179PIN UBGA 200MHZ |
Texas Instruments UCC3580N-1G4Obsolete | Integrated Circuits (ICs) | IC REG CTRLR FWRD CONV 16DIP |
Texas Instruments LM2831YMF EVALObsolete | Development Boards Kits Programmers | EVAL BOARD FOR LM2831 |
Texas Instruments | Integrated Circuits (ICs) | BUFFER/LINE DRIVER 8-CH NON-INVERTING 3-ST CMOS 20-PIN SSOP T/R |
Texas Instruments | Integrated Circuits (ICs) | ANALOG OTHER PERIPHERALS |
Texas Instruments | Integrated Circuits (ICs) | RADIATION-HARDENED, QMLP 60V HAL |
Texas Instruments SN75LVDS051DRObsolete | Integrated Circuits (ICs) | IC TRANSCEIVER FULL 2/2 16SOIC |
Texas Instruments | Integrated Circuits (ICs) | AUTOMOTIVE OCTAL D-TYPE FLIP-FLO |
| Series | Category | # Parts | Status | Description |
|---|---|---|---|---|
TPS25000.13-1.4A adjustable ILIMIT, 1.8-5.25V, 80mΩ USB power switch + boost converter in Eco-mode | Evaluation Boards | 3 | Active | The TPS2500 and TPS2501 provide an integrated solution to meet USB 5-V power requirements from a 1.8-V to 5.25-V input supply. The features include a Hi-Speed USB compliant power output, output switch enable, current limit, and overcurrent fault reporting.
The 1.8-V to 5.25-V input can be supplied by sources including dc/dc regulated supplies (e.g., 3.3 V), or batteries such as single-cell Li+ or three-cell NiCd, NiMH, or alkaline.
The USB power-switch current limit is programmable via an external resistor from as low as 130 mA to as high as 1400 mA (typical). Two standard USB ports can be supported from a single TPS2500 or TPS2501 at the 1400-mA setting.
Additionally, the boost converter output is available as an auxiliary 5.1-V output to power additional loads. The total current supplied by the USB output and the auxiliary cannot exceed 1148 mA at VIN= 3 V.
The TPS2500 and TPS2501 provide an integrated solution to meet USB 5-V power requirements from a 1.8-V to 5.25-V input supply. The features include a Hi-Speed USB compliant power output, output switch enable, current limit, and overcurrent fault reporting.
The 1.8-V to 5.25-V input can be supplied by sources including dc/dc regulated supplies (e.g., 3.3 V), or batteries such as single-cell Li+ or three-cell NiCd, NiMH, or alkaline.
The USB power-switch current limit is programmable via an external resistor from as low as 130 mA to as high as 1400 mA (typical). Two standard USB ports can be supported from a single TPS2500 or TPS2501 at the 1400-mA setting.
Additionally, the boost converter output is available as an auxiliary 5.1-V output to power additional loads. The total current supplied by the USB output and the auxiliary cannot exceed 1148 mA at VIN= 3 V. |
TPS25010.13-1.4A adj. ILIMIT, 1.8-5.25V, 80mΩ USB power switch + boost converter in constant frequency | Power Management (PMIC) | 3 | Active | The TPS2500 and TPS2501 provide an integrated solution to meet USB 5-V power requirements from a 1.8-V to 5.25-V input supply. The features include a Hi-Speed USB compliant power output, output switch enable, current limit, and overcurrent fault reporting.
The 1.8-V to 5.25-V input can be supplied by sources including dc/dc regulated supplies (e.g., 3.3 V), or batteries such as single-cell Li+ or three-cell NiCd, NiMH, or alkaline.
The USB power-switch current limit is programmable via an external resistor from as low as 130 mA to as high as 1400 mA (typical). Two standard USB ports can be supported from a single TPS2500 or TPS2501 at the 1400-mA setting.
Additionally, the boost converter output is available as an auxiliary 5.1-V output to power additional loads. The total current supplied by the USB output and the auxiliary cannot exceed 1148 mA at VIN= 3 V.
The TPS2500 and TPS2501 provide an integrated solution to meet USB 5-V power requirements from a 1.8-V to 5.25-V input supply. The features include a Hi-Speed USB compliant power output, output switch enable, current limit, and overcurrent fault reporting.
The 1.8-V to 5.25-V input can be supplied by sources including dc/dc regulated supplies (e.g., 3.3 V), or batteries such as single-cell Li+ or three-cell NiCd, NiMH, or alkaline.
The USB power-switch current limit is programmable via an external resistor from as low as 130 mA to as high as 1400 mA (typical). Two standard USB ports can be supported from a single TPS2500 or TPS2501 at the 1400-mA setting.
Additionally, the boost converter output is available as an auxiliary 5.1-V output to power additional loads. The total current supplied by the USB output and the auxiliary cannot exceed 1148 mA at VIN= 3 V. |
TPS25050.1-1.1A adj. ILIMIT, 1.8-5.25V, 80mΩ USB power switch + 5.1V 1.1A boost converter & 0.2A 3.3V LDO | Integrated Circuits (ICs) | 1 | Active | The TPS2505 device provides an integrated solution to meet USB 5-V power requirements from a 1.8-V to 5.25-V input supply. The features include a 5.1-V, 1100-mA boost converter, a 200-mA, 3.3-V LDO linear regulator and dual USB 2.0 compliant power outputs with independent output switch enable, current limit, and overcurrent fault reporting.
The 1.8-V to 5.25-V input can be supplied by sources including DC-DC regulated supplies (for example, 3.3 V), or batteries such as single cell Li+, two-cell or three-cell NiCd, NiMH or alkaline.
The output trip current for the dual USB switches can be programmed through external resistors from as low as 100 mA to as high as 1100 mA.
An auxiliary 5.1-V output is provided, where the total current supplied by the USB outputs and the auxiliary by cannot exceed 1100 mA.
The TPS2505 device provides an integrated solution to meet USB 5-V power requirements from a 1.8-V to 5.25-V input supply. The features include a 5.1-V, 1100-mA boost converter, a 200-mA, 3.3-V LDO linear regulator and dual USB 2.0 compliant power outputs with independent output switch enable, current limit, and overcurrent fault reporting.
The 1.8-V to 5.25-V input can be supplied by sources including DC-DC regulated supplies (for example, 3.3 V), or batteries such as single cell Li+, two-cell or three-cell NiCd, NiMH or alkaline.
The output trip current for the dual USB switches can be programmed through external resistors from as low as 100 mA to as high as 1100 mA.
An auxiliary 5.1-V output is provided, where the total current supplied by the USB outputs and the auxiliary by cannot exceed 1100 mA. |
TPS2511Automotive catalog USB dedicated charging port controller and current limiting power switch | Power Management - Specialized | 4 | Active | The TPS2511-Q1 is a USB dedicated charging port (DCP) controller and current limiting power switch. An auto-detect feature monitors USB data line voltage, and automatically provides the correct electrical signatures on the data lines to charge compliant devices among the following charging schemes: Divider DCP, required to apply 2.7 V on D+ and 2.0 V on D– or 2.0 V on D+ and 2.7 V on D–;BC1.2 DCP, required to short D+ to D–;1.2 V on both D+ and D–.
The TPS2511-Q1 is a 80-mΩ power-distribution switch intended for applications where heavy capacitive loads and short-circuits are likely to be encountered. This device also provides hiccup mode when the output (OUT) voltage is less than 3.80 V typical or when an over-temperature protection occurs during an overload condition. Accurate and programmable current limit provides flexibility and convenience for applications. The TPS2511-Q1 provides aCSpin for USB cable resistance compensation and a EN pin to turn on and turn off the device.
The TPS2511-Q1 is a USB dedicated charging port (DCP) controller and current limiting power switch. An auto-detect feature monitors USB data line voltage, and automatically provides the correct electrical signatures on the data lines to charge compliant devices among the following charging schemes: Divider DCP, required to apply 2.7 V on D+ and 2.0 V on D– or 2.0 V on D+ and 2.7 V on D–;BC1.2 DCP, required to short D+ to D–;1.2 V on both D+ and D–.
The TPS2511-Q1 is a 80-mΩ power-distribution switch intended for applications where heavy capacitive loads and short-circuits are likely to be encountered. This device also provides hiccup mode when the output (OUT) voltage is less than 3.80 V typical or when an over-temperature protection occurs during an overload condition. Accurate and programmable current limit provides flexibility and convenience for applications. The TPS2511-Q1 provides aCSpin for USB cable resistance compensation and a EN pin to turn on and turn off the device. |
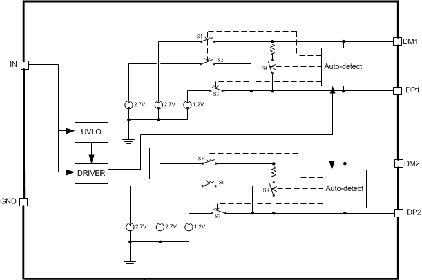
TPS2513Dual USB Dedicated Charging Port Controllers | Power Management - Specialized | 5 | Active | The TPS251xx devices are USB dedicated charging port (DCP) controllers. An auto-detect feature monitors USB data line voltage, and automatically provides the correct electrical signatures on the data lines to charge compliant devices among the following dedicated charging schemes:
The TPS251xx devices are USB dedicated charging port (DCP) controllers. An auto-detect feature monitors USB data line voltage, and automatically provides the correct electrical signatures on the data lines to charge compliant devices among the following dedicated charging schemes: |
TPS2513A-Q1Automotive USB Charge port dual DP/DM manager | Power Management - Specialized | 1 | Active | The TPS2513A-Q1 and TPS2514A-Q1 are USB dedicated charging port (DCP) controllers, used for the charging of most popular mobile phones and tablets. An auto-detect feature monitors USB data line voltage, and automatically provides the correct electrical signatures on the data lines to charge compliant devices among the following dedicated charging schemes:
Use with the TPS2561A-Q1 and TPS2513A-Q1 (dual channel), TPS2557-Q1 and TPS2514A-Q1 (single channel) for low loss, automotive qualified, USB Charging Port Solution capable of charging all of today’s popular phones and tablets.
The TPS2513A-Q1 and TPS2514A-Q1 are USB dedicated charging port (DCP) controllers, used for the charging of most popular mobile phones and tablets. An auto-detect feature monitors USB data line voltage, and automatically provides the correct electrical signatures on the data lines to charge compliant devices among the following dedicated charging schemes:
Use with the TPS2561A-Q1 and TPS2513A-Q1 (dual channel), TPS2557-Q1 and TPS2514A-Q1 (single channel) for low loss, automotive qualified, USB Charging Port Solution capable of charging all of today’s popular phones and tablets. |
TPS2514TPS2514A-Q1 USB dedicated charging port controller | Power Management (PMIC) | 6 | Active | The TPS2513A-Q1 and TPS2514A-Q1 are USB dedicated charging port (DCP) controllers, used for the charging of most popular mobile phones and tablets. An auto-detect feature monitors USB data line voltage, and automatically provides the correct electrical signatures on the data lines to charge compliant devices among the following dedicated charging schemes:
Use with the TPS2561A-Q1 and TPS2513A-Q1 (dual channel), TPS2557-Q1 and TPS2514A-Q1 (single channel) for low loss, automotive qualified, USB Charging Port Solution capable of charging all of today’s popular phones and tablets.
The TPS2513A-Q1 and TPS2514A-Q1 are USB dedicated charging port (DCP) controllers, used for the charging of most popular mobile phones and tablets. An auto-detect feature monitors USB data line voltage, and automatically provides the correct electrical signatures on the data lines to charge compliant devices among the following dedicated charging schemes:
Use with the TPS2561A-Q1 and TPS2513A-Q1 (dual channel), TPS2557-Q1 and TPS2514A-Q1 (single channel) for low loss, automotive qualified, USB Charging Port Solution capable of charging all of today’s popular phones and tablets. |
TPS252002.5-V to 6.5-V, 67mΩ, 2.1-2.7A automotive eFuse with reverse current blocking when off | Evaluation Boards | 5 | Active | The TPS25200-Q1 device is a 5-V eFuse with a precision current-limit and overvoltage clamp. The device provides robust protection for load and source during overvoltage and overcurrent events.
The TPS25200-Q1 device is an intelligent protected load-switch with a VINvalue tolerant to 20 V. In the event that an incorrect voltage is applied at the IN pin, the output clamps to 5.4 V to protect the load. If the voltage at the IN pin exceeds 7.6 V, the device disconnects the load to prevent damage to the device, load, or both.
The TPS25200-Q1 device has an internal 67-mΩ power switch and is intended for protecting the source, device, and load under a variety of abnormal conditions. The device provides up to 2.4 A of continuous load current. The current-limit is programmable from 85 mA to 2.7 A with a single resistor to ground. During overload events, the output current is limited to the level set by the RILIMresistor. If a persistent overload occurs, the device eventually enters thermal shutoff to prevent damage to the TPS25200-Q1 device.
The TPS25200-Q1 device is a 5-V eFuse with a precision current-limit and overvoltage clamp. The device provides robust protection for load and source during overvoltage and overcurrent events.
The TPS25200-Q1 device is an intelligent protected load-switch with a VINvalue tolerant to 20 V. In the event that an incorrect voltage is applied at the IN pin, the output clamps to 5.4 V to protect the load. If the voltage at the IN pin exceeds 7.6 V, the device disconnects the load to prevent damage to the device, load, or both.
The TPS25200-Q1 device has an internal 67-mΩ power switch and is intended for protecting the source, device, and load under a variety of abnormal conditions. The device provides up to 2.4 A of continuous load current. The current-limit is programmable from 85 mA to 2.7 A with a single resistor to ground. During overload events, the output current is limited to the level set by the RILIMresistor. If a persistent overload occurs, the device eventually enters thermal shutoff to prevent damage to the TPS25200-Q1 device. |
TPS25212.7-V to 5.7-V, 31-mΩ, 4-A eFuse with integrated reverse polarity protection | Current Regulation/Management | 1 | Active | The TPS2521x family of eFuses is a highly integrated circuit protection and power management solution in a small package. The devices provide multiple protection modes using very few external components and are a robust defense against overloads, short-circuits, voltage surges, reverse polarity and excessive inrush current. With integrated back-to-back FETs, reverse current flow from output to input is blocked at all times, making the device well suited for systems which need load side energy hold up storage in case input power supply fails.
Output current limit level can be set with a single external resistor. It is also possible to get an accurate sense of the output load current by measuring the voltage drop across the current limit resistor.
Applications with particular inrush current requirements can set the output slew rate with a single external capacitor. Loads are protected from input overvoltage conditions by clamping the output to a safe fixed maximum voltage (pin selectable).
The devices are available in a 2-mm × 2-mm, 10-pin HotRod QFN package for improved thermal performance and reduced system footprint.
The devices are characterized for operation over a junction temperature range of –40°C to +125°C.
The TPS2521x family of eFuses is a highly integrated circuit protection and power management solution in a small package. The devices provide multiple protection modes using very few external components and are a robust defense against overloads, short-circuits, voltage surges, reverse polarity and excessive inrush current. With integrated back-to-back FETs, reverse current flow from output to input is blocked at all times, making the device well suited for systems which need load side energy hold up storage in case input power supply fails.
Output current limit level can be set with a single external resistor. It is also possible to get an accurate sense of the output load current by measuring the voltage drop across the current limit resistor.
Applications with particular inrush current requirements can set the output slew rate with a single external capacitor. Loads are protected from input overvoltage conditions by clamping the output to a safe fixed maximum voltage (pin selectable).
The devices are available in a 2-mm × 2-mm, 10-pin HotRod QFN package for improved thermal performance and reduced system footprint.
The devices are characterized for operation over a junction temperature range of –40°C to +125°C. |
TPS252102.7-V to 5.7-V, 31-mΩ, 4-A eFuse with integrated reverse polarity protection | Power Management (PMIC) | 1 | Active | The TPS2521x family of eFuses is a highly integrated circuit protection and power management solution in a small package. The devices provide multiple protection modes using very few external components and are a robust defense against overloads, short-circuits, voltage surges, reverse polarity and excessive inrush current. With integrated back-to-back FETs, reverse current flow from output to input is blocked at all times, making the device well suited for systems which need load side energy hold up storage in case input power supply fails.
Output current limit level can be set with a single external resistor. It is also possible to get an accurate sense of the output load current by measuring the voltage drop across the current limit resistor.
Applications with particular inrush current requirements can set the output slew rate with a single external capacitor. Loads are protected from input overvoltage conditions by clamping the output to a safe fixed maximum voltage (pin selectable).
The devices are available in a 2-mm × 2-mm, 10-pin HotRod QFN package for improved thermal performance and reduced system footprint.
The devices are characterized for operation over a junction temperature range of –40°C to +125°C.
The TPS2521x family of eFuses is a highly integrated circuit protection and power management solution in a small package. The devices provide multiple protection modes using very few external components and are a robust defense against overloads, short-circuits, voltage surges, reverse polarity and excessive inrush current. With integrated back-to-back FETs, reverse current flow from output to input is blocked at all times, making the device well suited for systems which need load side energy hold up storage in case input power supply fails.
Output current limit level can be set with a single external resistor. It is also possible to get an accurate sense of the output load current by measuring the voltage drop across the current limit resistor.
Applications with particular inrush current requirements can set the output slew rate with a single external capacitor. Loads are protected from input overvoltage conditions by clamping the output to a safe fixed maximum voltage (pin selectable).
The devices are available in a 2-mm × 2-mm, 10-pin HotRod QFN package for improved thermal performance and reduced system footprint.
The devices are characterized for operation over a junction temperature range of –40°C to +125°C. |