T
Texas Instruments
| Series | Category | # Parts | Status | Description |
|---|---|---|---|---|
| Part | Spec A | Spec B | Spec C | Spec D | Description |
|---|---|---|---|---|---|
| Series | Category | # Parts | Status | Description |
|---|---|---|---|---|
| Part | Spec A | Spec B | Spec C | Spec D | Description |
|---|---|---|---|---|---|
| Part | Category | Description |
|---|---|---|
Texas Instruments | Integrated Circuits (ICs) | BUS DRIVER, BCT/FBT SERIES |
Texas Instruments | Integrated Circuits (ICs) | 12BIT 3.3V~3.6V 210MHZ PARALLEL VQFN-48-EP(7X7) ANALOG TO DIGITAL CONVERTERS (ADC) ROHS |
Texas Instruments | Integrated Circuits (ICs) | TMX320DRE311 179PIN UBGA 200MHZ |
Texas Instruments TPS61040DRVTG4Unknown | Integrated Circuits (ICs) | IC LED DRV RGLTR PWM 350MA 6WSON |
Texas Instruments LP3876ET-2.5Obsolete | Integrated Circuits (ICs) | IC REG LINEAR 2.5V 3A TO220-5 |
Texas Instruments LMS1585ACSX-ADJObsolete | Integrated Circuits (ICs) | IC REG LIN POS ADJ 5A DDPAK |
Texas Instruments INA111APG4Obsolete | Integrated Circuits (ICs) | IC INST AMP 1 CIRCUIT 8DIP |
Texas Instruments | Integrated Circuits (ICs) | AUTOMOTIVE, QUAD 36V 1.2MHZ OPERATIONAL AMPLIFIER |
Texas Instruments OPA340NA/3KG4Unknown | Integrated Circuits (ICs) | IC OPAMP GP 1 CIRCUIT SOT23-5 |
Texas Instruments PT5112AObsolete | Power Supplies - Board Mount | DC DC CONVERTER 8V 8W |
| Series | Category | # Parts | Status | Description |
|---|---|---|---|---|
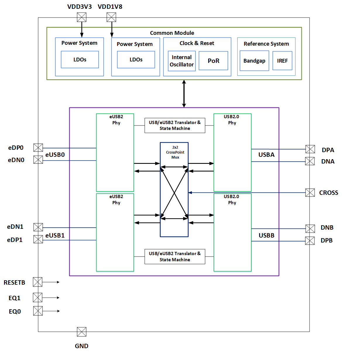
TUSB2E11USB 2.0-eUSB2 one-port repeater | Signal Buffers, Repeaters, Splitters | 3 | Active | The TUSB2E11 is a USB compliant eUSB2 to USB 2.0 repeater supporting both device and host modes.
The device supports USB low-speed (LS), full-speed (FS) signals, and high-speed (HS) signals.
The device has multiple patented designs to provide robust interoperability, optimum performance, and power.
For systems without an I2C interface, the device offers eight individual settings with three strap-pins for USB 2.0 channel Equivalent Series Resistance (ESR) up to 20Ω. Device variants are available for different levels of eUSB2 trace length compensation up to 10 inches.
The I2C interface permits additional flexibility for fine tuning of device RX equalization and TX amplitude, slew rate and pre-emphasis to pass electrical compliance tests and compensate for channel loss.
Various debug options are available through the three GPIO pins that can be configured to monitor various USB bus states or interrupt as well as CTA-936 UART mode that can provide SoC debug capabilities. GPIO0 and GPIO1 can be used as general purpose I2C to GPIOs bridge.
The TUSB2E11 is a USB compliant eUSB2 to USB 2.0 repeater supporting both device and host modes.
The device supports USB low-speed (LS), full-speed (FS) signals, and high-speed (HS) signals.
The device has multiple patented designs to provide robust interoperability, optimum performance, and power.
For systems without an I2C interface, the device offers eight individual settings with three strap-pins for USB 2.0 channel Equivalent Series Resistance (ESR) up to 20Ω. Device variants are available for different levels of eUSB2 trace length compensation up to 10 inches.
The I2C interface permits additional flexibility for fine tuning of device RX equalization and TX amplitude, slew rate and pre-emphasis to pass electrical compliance tests and compensate for channel loss.
Various debug options are available through the three GPIO pins that can be configured to monitor various USB bus states or interrupt as well as CTA-936 UART mode that can provide SoC debug capabilities. GPIO0 and GPIO1 can be used as general purpose I2C to GPIOs bridge. |
TUSB2E22eUSB2 to USB 2.0 Dual repeater | Interface | 1 | Active | TUSB2E22 enables implementation of USB 2.0 compliance port on newer processors using lower voltage processes.
TUSB2E22 is a USB-compliant eUSB2-USB 2.0 repeater supporting both device and host modes.
TUSB2E22 supports USB low-speed (LS) and full-speed (FS) signals and high-speed (HS) signals.
TUSB2E22 is designed to interface with eUSB2 eDSPr or eUSPr operating at 1.2V single-ended signaling.
TUSB2E22 has four levels of compensation settings through the EQ0 and EQ1 pins. These settings can be used to optimize compensation for different eUSB2 channel loss profiles.
TUSB2E22 enables implementation of USB 2.0 compliance port on newer processors using lower voltage processes.
TUSB2E22 is a USB-compliant eUSB2-USB 2.0 repeater supporting both device and host modes.
TUSB2E22 supports USB low-speed (LS) and full-speed (FS) signals and high-speed (HS) signals.
TUSB2E22 is designed to interface with eUSB2 eDSPr or eUSPr operating at 1.2V single-ended signaling.
TUSB2E22 has four levels of compensation settings through the EQ0 and EQ1 pins. These settings can be used to optimize compensation for different eUSB2 channel loss profiles. |
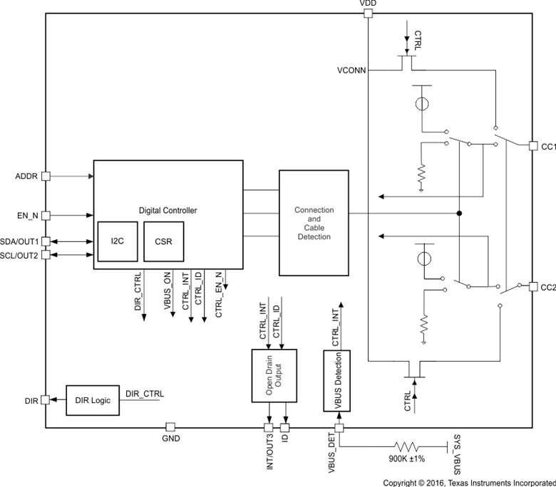
TUSB319-Q1Automotive USB Type-C DFP Port Controller | Evaluation Boards | 2 | Active | The TUSB319-Q1 is a USB Type-C Downstream Facing Port (DFP) controller. The TUSB319-Q1 monitors the USB Type-C Configuration Channel (CC) lines to determine when an USB device is attached. If an Upstream Facing Port (UFP) device is attached, the TUSB319-Q1 drives an open drain output ID that can be used in the system to apply VBUS power. The device also communicates the selectable VBUS current sourcing capability to the UFP via the CC lines.
The TUSB319-Q1 is a USB Type-C Downstream Facing Port (DFP) controller. The TUSB319-Q1 monitors the USB Type-C Configuration Channel (CC) lines to determine when an USB device is attached. If an Upstream Facing Port (UFP) device is attached, the TUSB319-Q1 drives an open drain output ID that can be used in the system to apply VBUS power. The device also communicates the selectable VBUS current sourcing capability to the UFP via the CC lines. |
TUSB320LAIUSB Type-C Configuration Channel Logic and Port Control | Development Boards, Kits, Programmers | 11 | Active | The TUSB320LI and TUSB320HI devices (remainder of this document called TUSB320 unless otherwise noted) enables USB Type-C ports with the configuration channel (CC) logic needed for Type-C ecosystems. The TUSB320 devices use the CC pins to determine port attach and detach, cable orientation, role detection, and port control for Type-C current mode. The TUSB320 devices can be configured as a downstream facing port (DFP), upstream facing port (UFP) or a dual role port (DRP) making it ideal for any application.
The TUSB320 devices alternate configuration as a DFP or UFP according to the Type-C specifications. The CC logic block monitors the CC1 and CC2 pins for pullup or pulldown resistances to determine when a USB port has been attached, the orientation of the cable, and the role detected. The CC logic detects the Type-C current mode as default, medium, or high depending on the role detected. VBUSdetection is implemented to determine a successful attach in UFP and DRP modes.
The devices operate over a wide supply range and have low-power consumption. The TUSB320 is available in two versions of enable: Active low enable called TUSB320LI and active high enable called TUSB320HI. The TUSB320 family of devices are available in industrial temperature ranges.
The TUSB320LI and TUSB320HI devices (remainder of this document called TUSB320 unless otherwise noted) enables USB Type-C ports with the configuration channel (CC) logic needed for Type-C ecosystems. The TUSB320 devices use the CC pins to determine port attach and detach, cable orientation, role detection, and port control for Type-C current mode. The TUSB320 devices can be configured as a downstream facing port (DFP), upstream facing port (UFP) or a dual role port (DRP) making it ideal for any application.
The TUSB320 devices alternate configuration as a DFP or UFP according to the Type-C specifications. The CC logic block monitors the CC1 and CC2 pins for pullup or pulldown resistances to determine when a USB port has been attached, the orientation of the cable, and the role detected. The CC logic detects the Type-C current mode as default, medium, or high depending on the role detected. VBUSdetection is implemented to determine a successful attach in UFP and DRP modes.
The devices operate over a wide supply range and have low-power consumption. The TUSB320 is available in two versions of enable: Active low enable called TUSB320LI and active high enable called TUSB320HI. The TUSB320 family of devices are available in industrial temperature ranges. |
| Evaluation and Demonstration Boards and Kits | 1 | Active | ||
TUSB321AIUSB Type-C Configuration Channel Logic and Port Control with VCONN | Embedded | 3 | Active | The TUSB321AI device enables USB Type-C ports with the configuration channel (CC) logic needed for Type-C ecosystems. The TUSB321AI device uses the CC pins to determine port attach and detach, cable orientation, role detection, and port control for Type-C current mode. The TUSB321AI device can be configured as a downstream facing port (DFP), upstream facing port (UFP) or a dual role port (DRP) making it ideal for any application.
The TUSB321AI device when configured as a DRP alternates configuration as a DFP or UFP according to the Type-C Specifications. The CC logic block monitors the CC1 and CC2 pins for pullup or pulldown resistances to determine when a USB port has been attached, the orientation of the cable, and the role detected. The CC logic detects the Type-C current mode as default, medium, or high depending on the role detected. VBUSdetection is implemented to determine a successful attach in UFP and DRP modes.
The device operates over a wide supply range and has low-power consumption. The TUSB321AI device is available in industrial and commercial temperature ranges.
The TUSB321AI device enables USB Type-C ports with the configuration channel (CC) logic needed for Type-C ecosystems. The TUSB321AI device uses the CC pins to determine port attach and detach, cable orientation, role detection, and port control for Type-C current mode. The TUSB321AI device can be configured as a downstream facing port (DFP), upstream facing port (UFP) or a dual role port (DRP) making it ideal for any application.
The TUSB321AI device when configured as a DRP alternates configuration as a DFP or UFP according to the Type-C Specifications. The CC logic block monitors the CC1 and CC2 pins for pullup or pulldown resistances to determine when a USB port has been attached, the orientation of the cable, and the role detected. The CC logic detects the Type-C current mode as default, medium, or high depending on the role detected. VBUSdetection is implemented to determine a successful attach in UFP and DRP modes.
The device operates over a wide supply range and has low-power consumption. The TUSB321AI device is available in industrial and commercial temperature ranges. |
TUSB322IUSB Type-C Configuration Channel Logic and Port Control With VCONN | Evaluation and Demonstration Boards and Kits | 2 | Active | The TUSB322I device enables USB Type-C ports with the configuration channel (CC) logic required for Type-C ecosystems. The TUSB322I device uses the CC pins to determine port attach and detach, cable orientation, role detection, and port control for Type-C current mode. The TUSB322I device can be configured as a downstream facing port (DFP), upstream facing port (UFP), or a dual role port (DRP), making the TUSB322I device ideal for any application.
The TUSB322I device alternates configuration as a DFP or UFP according to the Type-C Specifications. The CC logic block monitors the CC1 and CC2 pins for pullup or pulldown resistances to determine when a USB port has been attached, the orientation of the cable, and the role detected. The CC logic detects the Type-C current mode as default, medium, or high depending on the role detected. VBUSdetection is implemented to determine a successful attach in UFP and DRP modes. The TUSB322I will supply VCONN when an active cable is detected.
The device operates over a wide supply range and has low-power consumption. The TUSB322I device is available in industrial temperature ranges.
The TUSB322I device enables USB Type-C ports with the configuration channel (CC) logic required for Type-C ecosystems. The TUSB322I device uses the CC pins to determine port attach and detach, cable orientation, role detection, and port control for Type-C current mode. The TUSB322I device can be configured as a downstream facing port (DFP), upstream facing port (UFP), or a dual role port (DRP), making the TUSB322I device ideal for any application.
The TUSB322I device alternates configuration as a DFP or UFP according to the Type-C Specifications. The CC logic block monitors the CC1 and CC2 pins for pullup or pulldown resistances to determine when a USB port has been attached, the orientation of the cable, and the role detected. The CC logic detects the Type-C current mode as default, medium, or high depending on the role detected. VBUSdetection is implemented to determine a successful attach in UFP and DRP modes. The TUSB322I will supply VCONN when an active cable is detected.
The device operates over a wide supply range and has low-power consumption. The TUSB322I device is available in industrial temperature ranges. |
| Development Boards, Kits, Programmers | 1 | Obsolete | ||
| Development Boards, Kits, Programmers | 10 | Active | ||
TUSB4020BITwo-Port High-Speed 480Mbps USB 2.0 Hub | Interface | 1 | Active | The TUSB4020BI is a two-port USB 2.0 hub, which provides USB high-speed/full-speed connections on the upstream port and high-speed, full-speed, or low-speed connections on the two downstream ports. When the upstream port is connected to an electrical environment that supports high-speed and full-speed/low-speed connections, high-speed and full-speed/low-speed USB connectivity is enabled on the downstream ports. When the upstream port is connected to an electrical environment that only supports full-speed/low-speed connections, high-speed connectivity are disabled on the downstream ports.
The TUSB4020BI supports per port or ganged power switching and overcurrent protection.
An individually port power controlled hub switches power on or off to each downstream port as requested by the USB host. Also when an individually port power controlled hub senses an overcurrent event, only power to the affected downstream port is switched off.
A ganged hub switches on power to all the downstream ports when power is required to be on for any port. The power to the downstream ports is not switched off unless all ports are in a state that allows power to be removed. Also when a ganged hub senses an overcurrent event, power to all downstream ports is switched off.
The TUSB4020BI downstream ports provide support for battery charging applications by providing battery charging connected downstream port (CDP) handshaking support. The device also supports a dedicated charging port (DCP) mode when the upstream port is not connected. The DCP mode supports USB devices which support the USB Battery Charging and the Chinese Telecommunications Industry Standard YD/T 1591-2009. In addition, an automatic mode provides transparent support for BC devices and devices supporting Divider mode charging solutions when the upstream port is unconnected.
The TUSB4020BI provides terminal strap configuration for some features (including battery charging support) and customization through OTP ROM, I2C EEPROM or an I2C/SMBus target interface for PID, VID, custom port and phy configurations. Custom string support is also available when using an I2C EEPROM or the I2C/SMBus target interface.
The device is available in a 48-pin HTQFP package and is offered in an industrial version for operation over the temperature range of –40°C to 85°C.
The TUSB4020BI is a two-port USB 2.0 hub, which provides USB high-speed/full-speed connections on the upstream port and high-speed, full-speed, or low-speed connections on the two downstream ports. When the upstream port is connected to an electrical environment that supports high-speed and full-speed/low-speed connections, high-speed and full-speed/low-speed USB connectivity is enabled on the downstream ports. When the upstream port is connected to an electrical environment that only supports full-speed/low-speed connections, high-speed connectivity are disabled on the downstream ports.
The TUSB4020BI supports per port or ganged power switching and overcurrent protection.
An individually port power controlled hub switches power on or off to each downstream port as requested by the USB host. Also when an individually port power controlled hub senses an overcurrent event, only power to the affected downstream port is switched off.
A ganged hub switches on power to all the downstream ports when power is required to be on for any port. The power to the downstream ports is not switched off unless all ports are in a state that allows power to be removed. Also when a ganged hub senses an overcurrent event, power to all downstream ports is switched off.
The TUSB4020BI downstream ports provide support for battery charging applications by providing battery charging connected downstream port (CDP) handshaking support. The device also supports a dedicated charging port (DCP) mode when the upstream port is not connected. The DCP mode supports USB devices which support the USB Battery Charging and the Chinese Telecommunications Industry Standard YD/T 1591-2009. In addition, an automatic mode provides transparent support for BC devices and devices supporting Divider mode charging solutions when the upstream port is unconnected.
The TUSB4020BI provides terminal strap configuration for some features (including battery charging support) and customization through OTP ROM, I2C EEPROM or an I2C/SMBus target interface for PID, VID, custom port and phy configurations. Custom string support is also available when using an I2C EEPROM or the I2C/SMBus target interface.
The device is available in a 48-pin HTQFP package and is offered in an industrial version for operation over the temperature range of –40°C to 85°C. |