T
Texas Instruments
| Series | Category | # Parts | Status | Description |
|---|---|---|---|---|
| Part | Spec A | Spec B | Spec C | Spec D | Description |
|---|---|---|---|---|---|
| Series | Category | # Parts | Status | Description |
|---|---|---|---|---|
| Part | Spec A | Spec B | Spec C | Spec D | Description |
|---|---|---|---|---|---|
| Part | Category | Description |
|---|---|---|
Texas Instruments | Integrated Circuits (ICs) | BUS DRIVER, BCT/FBT SERIES |
Texas Instruments | Integrated Circuits (ICs) | 12BIT 3.3V~3.6V 210MHZ PARALLEL VQFN-48-EP(7X7) ANALOG TO DIGITAL CONVERTERS (ADC) ROHS |
Texas Instruments | Integrated Circuits (ICs) | TMX320DRE311 179PIN UBGA 200MHZ |
Texas Instruments TPS61040DRVTG4Unknown | Integrated Circuits (ICs) | IC LED DRV RGLTR PWM 350MA 6WSON |
Texas Instruments LP3876ET-2.5Obsolete | Integrated Circuits (ICs) | IC REG LINEAR 2.5V 3A TO220-5 |
Texas Instruments LMS1585ACSX-ADJObsolete | Integrated Circuits (ICs) | IC REG LIN POS ADJ 5A DDPAK |
Texas Instruments INA111APG4Obsolete | Integrated Circuits (ICs) | IC INST AMP 1 CIRCUIT 8DIP |
Texas Instruments | Integrated Circuits (ICs) | AUTOMOTIVE, QUAD 36V 1.2MHZ OPERATIONAL AMPLIFIER |
Texas Instruments OPA340NA/3KG4Unknown | Integrated Circuits (ICs) | IC OPAMP GP 1 CIRCUIT SOT23-5 |
Texas Instruments PT5112AObsolete | Power Supplies - Board Mount | DC DC CONVERTER 8V 8W |
| Series | Category | # Parts | Status | Description |
|---|---|---|---|---|
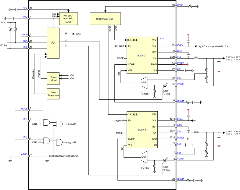
TPS56390018V Input, 3.5A/3.5A Dual Synchronous Step-down Regulator with Voltage Scaling | Integrated Circuits (ICs) | 1 | Active | The TPS563900 device is a monolithic dual-synchronous buck converter with a wide 4.5-V to 18-V operating input-voltage range that can operate in5-, 9-, 12-, or 15-V bus voltages and battery chemistries. Constant-frequency peak-current mode control simplifies the loop compensation and provides fast transient response.
External feedback resistors can be used to set the initial start-up voltage for each buck converter in the TPS563900 device. The feedback voltage reference for this start-up option is 0.6 V. When the voltage-identification (VID) DAC is updated through the I2C, the buck converter switches the feedback resistors from external to internal feedback resistors. The output voltage in each buck is programmable from 0.68 V to 1.95 V with 10-mV steps by I2C-controlled 7-bit VID.
Each buck converter in the TPS563900 device can also be I2C controlled for enabling and disabling the output voltage, reading the output voltage, setting the pulse skipping mode, and reading the power good status and the warning of die temperature.
The TPS563900 device features a dedicated enable pin when the I2C interface is not used. An independent soft-start pin provides flexibility in power-up programmability. Cycle-by-cycle overcurrent protection and hiccup-mode operation limit MOSFET power dissipation in short circuit or over-loading fault conditions. Low-side reverse overcurrent protection also prevents excessive sinking current from damaging the converter.
The TPS563900 device also features a light-load pulse-skipping mode (PSM) that can be controlled by the I2C or MODE pin configuration. The PSM mode allows a power loss reduction on the input power supplied to the system to achieve high efficiency at light loading.
The TPS563900 device is available in a 32-lead thermally-enhanced HTSSOP (DAP) package.
The TPS563900 device is a monolithic dual-synchronous buck converter with a wide 4.5-V to 18-V operating input-voltage range that can operate in5-, 9-, 12-, or 15-V bus voltages and battery chemistries. Constant-frequency peak-current mode control simplifies the loop compensation and provides fast transient response.
External feedback resistors can be used to set the initial start-up voltage for each buck converter in the TPS563900 device. The feedback voltage reference for this start-up option is 0.6 V. When the voltage-identification (VID) DAC is updated through the I2C, the buck converter switches the feedback resistors from external to internal feedback resistors. The output voltage in each buck is programmable from 0.68 V to 1.95 V with 10-mV steps by I2C-controlled 7-bit VID.
Each buck converter in the TPS563900 device can also be I2C controlled for enabling and disabling the output voltage, reading the output voltage, setting the pulse skipping mode, and reading the power good status and the warning of die temperature.
The TPS563900 device features a dedicated enable pin when the I2C interface is not used. An independent soft-start pin provides flexibility in power-up programmability. Cycle-by-cycle overcurrent protection and hiccup-mode operation limit MOSFET power dissipation in short circuit or over-loading fault conditions. Low-side reverse overcurrent protection also prevents excessive sinking current from damaging the converter.
The TPS563900 device also features a light-load pulse-skipping mode (PSM) that can be controlled by the I2C or MODE pin configuration. The PSM mode allows a power loss reduction on the input power supplied to the system to achieve high efficiency at light loading.
The TPS563900 device is available in a 32-lead thermally-enhanced HTSSOP (DAP) package. |
| Integrated Circuits (ICs) | 3 | Active | ||
TPS5642473-V to 16-V input voltage, 4-A FCCM mode, synchronous buck converter in SOT-563 package | Integrated Circuits (ICs) | 1 | Active | The TPS56424x is simple, easy-to-use, high power density, high efficiency synchronous buck converter. The device supports input voltage ranging from 3 V to 16 V and up to 4-A continuous current with a SOT-563 package.
The TPS56424x uses D-CAP3 topology to provide a fast transient response and support low-ESR output capacitors with no requirement for external compensation. It has two grounds, GND and AGND, which should be connected together for optimal thermal performance. AGND also provides a good load and line regulation. The device can support up to 95% duty operation.
The TPS564242 operates in Eco-mode, which maintains high efficiency during light loading. The TPS564247 operates in FCCM mode, which keeps the same frequency and lower output ripple during all load conditions. It integrates complete protection through OVP, OCP, UVLO, OTP, and UVP with hiccup. The device is available in 1.6-mm × 1.6-mm SOT-563 package and has an optimized pinout for easy PCB layout. The junction temperature is specified from –40°C to 125°C.
The TPS56424x is simple, easy-to-use, high power density, high efficiency synchronous buck converter. The device supports input voltage ranging from 3 V to 16 V and up to 4-A continuous current with a SOT-563 package.
The TPS56424x uses D-CAP3 topology to provide a fast transient response and support low-ESR output capacitors with no requirement for external compensation. It has two grounds, GND and AGND, which should be connected together for optimal thermal performance. AGND also provides a good load and line regulation. The device can support up to 95% duty operation.
The TPS564242 operates in Eco-mode, which maintains high efficiency during light loading. The TPS564247 operates in FCCM mode, which keeps the same frequency and lower output ripple during all load conditions. It integrates complete protection through OVP, OCP, UVLO, OTP, and UVP with hiccup. The device is available in 1.6-mm × 1.6-mm SOT-563 package and has an optimized pinout for easy PCB layout. The junction temperature is specified from –40°C to 125°C. |
TPS5642573-V to 17-V input voltage, 4-A FCCM mode, synchronous buck converter | Power Management (PMIC) | 1 | Active | The TPS56425x is a simple, easy-to-use, high efficiency, high power density, synchronous buck converter with input voltage ranging from 3 V to 17 V and supports up to 4-A continuous current at output voltages between 0.6 V and 10 V.
The TPS56425x employs D-CAP3 control mode to provide a fast transient response and to support low-ESR output capacitors with no requirement for external compensation. The device can support up to 97% duty cycle operation. Integrated bootstrap capacitor helps achieve single layer PCB and can save total BOM cost.
The TPS564252 operates in Eco-mode, which maintains high efficiency during light loading. The TPS564257 operates in FCCM mode, which keeps the same frequency and lower output ripple during all load conditions. The TPS564255 operates in OOA mode, which prevents audio noise generation. The device integrates complete protection through OVP, OCP, UVLO, OTP, and UVP with hiccup.
The device is available in 1.6 mm × 1.6 mm SOT-563 package. The junction temperature is specified from –40°C to 125°C.
The TPS56425x is a simple, easy-to-use, high efficiency, high power density, synchronous buck converter with input voltage ranging from 3 V to 17 V and supports up to 4-A continuous current at output voltages between 0.6 V and 10 V.
The TPS56425x employs D-CAP3 control mode to provide a fast transient response and to support low-ESR output capacitors with no requirement for external compensation. The device can support up to 97% duty cycle operation. Integrated bootstrap capacitor helps achieve single layer PCB and can save total BOM cost.
The TPS564252 operates in Eco-mode, which maintains high efficiency during light loading. The TPS564257 operates in FCCM mode, which keeps the same frequency and lower output ripple during all load conditions. The TPS564255 operates in OOA mode, which prevents audio noise generation. The device integrates complete protection through OVP, OCP, UVLO, OTP, and UVP with hiccup.
The device is available in 1.6 mm × 1.6 mm SOT-563 package. The junction temperature is specified from –40°C to 125°C. |
TPS564284.5V to 18V Input, 4-A Synchronous Step-Down Converter with Advanced Eco-mode™ | DC/DC & AC/DC (Off-Line) SMPS Evaluation Boards | 4 | Active | The TPS56428 is a D-CAP2 mode synchronous buck converter which is optimized for various power bus regulation needs with a cost effective, low component count, low standby current solution.
The D-CAP2 mode control provides a fast transient response with no external compensation components. This adaptive on-time control supports seamless transition between PWM mode at higher load conditions and advanced Eco-mode operation at light loads. Advanced Eco-mode™ maintains higher efficiency during lighter load conditions than traditional skip mode.
The TPS56428 also has a proprietary circuit to adopt to both low equivalent series resistance (ESR) output capacitors, such as POSCAP or SP-CAP, and ultra-low ESR ceramic capacitors. The device operates from 4.5-V to 18 V VIN input and its output voltage can be programmed between 0.6V and 7.0V. The device also features a fixed 1-ms soft start and a power-good output.
The TPS56428 is available in 8-pin SOIC-8 and 14-pin QFN packages designed to operate over the ambient temperature range of –40°C to 85°C.
The TPS56428 is a D-CAP2 mode synchronous buck converter which is optimized for various power bus regulation needs with a cost effective, low component count, low standby current solution.
The D-CAP2 mode control provides a fast transient response with no external compensation components. This adaptive on-time control supports seamless transition between PWM mode at higher load conditions and advanced Eco-mode operation at light loads. Advanced Eco-mode™ maintains higher efficiency during lighter load conditions than traditional skip mode.
The TPS56428 also has a proprietary circuit to adopt to both low equivalent series resistance (ESR) output capacitors, such as POSCAP or SP-CAP, and ultra-low ESR ceramic capacitors. The device operates from 4.5-V to 18 V VIN input and its output voltage can be programmed between 0.6V and 7.0V. The device also features a fixed 1-ms soft start and a power-good output.
The TPS56428 is available in 8-pin SOIC-8 and 14-pin QFN packages designed to operate over the ambient temperature range of –40°C to 85°C. |
TPS5652017V Input, 5A Synchronous Step-Down Regulator with Voltage Scaling | Voltage Regulators - DC DC Switching Regulators | 2 | Active | The TPS56X20 is a synchronous DC-DC converter IC (integrated circuit) with a voltage scaling control to power up micro-processors (MCUs) requiring core voltage (VCORE) tune-ups. After the initial power-up, the output voltage can be programmed/scaled by VID codes sent over an I2C compatible bus.
This step-down (buck) converter employs an adaptive on-time D-CAP2 mode control which provides a very fast transient response with no external components. Unlike traditional voltage-/current-mode controls, the D-CAP2 supports seamless transition between PWM mode for higher load and Eco-mode™ for light load. Eco-mode maintains high efficiency in light-load.
The TPS56X20 supports both ultra-low ESR ceramic capacitors and low equivalent series resistance (ESR) output capacitors, such as POSCAP or SP-CAP. The device is optimized for a small 1.0µH to 2.2µH inductor saving PCB area.
The TPS56X20 devices are available in the HTSSOP package.
The TPS56X20 is a synchronous DC-DC converter IC (integrated circuit) with a voltage scaling control to power up micro-processors (MCUs) requiring core voltage (VCORE) tune-ups. After the initial power-up, the output voltage can be programmed/scaled by VID codes sent over an I2C compatible bus.
This step-down (buck) converter employs an adaptive on-time D-CAP2 mode control which provides a very fast transient response with no external components. Unlike traditional voltage-/current-mode controls, the D-CAP2 supports seamless transition between PWM mode for higher load and Eco-mode™ for light load. Eco-mode maintains high efficiency in light-load.
The TPS56X20 supports both ultra-low ESR ceramic capacitors and low equivalent series resistance (ESR) output capacitors, such as POSCAP or SP-CAP. The device is optimized for a small 1.0µH to 2.2µH inductor saving PCB area.
The TPS56X20 devices are available in the HTSSOP package. |
TPS5652014.5V to 17V, 5A, Synchronous Step-Down Voltage Regulator in SOT23 | DC/DC & AC/DC (Off-Line) SMPS Evaluation Boards | 3 | Active | The TPS565201 is a simple, easy-to-use, 5-A synchronous step-down converter.
The device is optimized to operate with minimum external component counts and also optimized to achieve low standby current.
This switch mode power supply (SMPS) device employs D-CAP2™ control, which provides fast transient response and requires no external compensation components. D-CAP2 also allows the use of low-equivalent series resistance (ESR) specialty polymer capacitors and ceramic output capacitors.
The TPS565201 operates in pulse skip mode, maintaining high efficiency during light load operation.
The TPS565201 device is available in a 6-pin 1.6-mm × 2.9-mm SOT (DDC) package, and operates over a –40°C to 125°C junction temperature range.
The TPS565201 is a simple, easy-to-use, 5-A synchronous step-down converter.
The device is optimized to operate with minimum external component counts and also optimized to achieve low standby current.
This switch mode power supply (SMPS) device employs D-CAP2™ control, which provides fast transient response and requires no external compensation components. D-CAP2 also allows the use of low-equivalent series resistance (ESR) specialty polymer capacitors and ceramic output capacitors.
The TPS565201 operates in pulse skip mode, maintaining high efficiency during light load operation.
The TPS565201 device is available in a 6-pin 1.6-mm × 2.9-mm SOT (DDC) package, and operates over a –40°C to 125°C junction temperature range. |
| Power Management (PMIC) | 2 | Active | ||
TPS5652423-V to 16-V input voltage, 5-A ECO mode, synchronous buck converter in SOT-563 package | Voltage Regulators - DC DC Switching Regulators | 1 | Active | The TPS56524x is simple, easy-to-use, high power density, high efficiency synchronous buck converter. The device supports input voltage ranging from 3 V to 16 V and up to 5-A continuous current with a SOT-563 package.
The TPS56524x uses D-CAP3 topology to provide a fast transient response and support low-ESR output capacitors with no requirement for external compensation. It has two grounds, GND and AGND, which should be connected together for optimal thermal performance. AGND also provides a good load and line regulation. The device can support up to 98% duty operation.
The TPS565242 operates in Eco-mode, which maintains high efficiency during light loading. The TPS565247 operates in FCCM mode, which keeps the same frequency and lower output ripple during all load conditions. It integrates complete protection through OVP, OCP, UVLO, OTP, and UVP with hiccup. The device is available in 1.6-mm × 1.6-mm SOT-563 package and has an optimized pinout for easy PCB layout. The junction temperature is specified from –40°C to 125°C.
The TPS56524x is simple, easy-to-use, high power density, high efficiency synchronous buck converter. The device supports input voltage ranging from 3 V to 16 V and up to 5-A continuous current with a SOT-563 package.
The TPS56524x uses D-CAP3 topology to provide a fast transient response and support low-ESR output capacitors with no requirement for external compensation. It has two grounds, GND and AGND, which should be connected together for optimal thermal performance. AGND also provides a good load and line regulation. The device can support up to 98% duty operation.
The TPS565242 operates in Eco-mode, which maintains high efficiency during light loading. The TPS565247 operates in FCCM mode, which keeps the same frequency and lower output ripple during all load conditions. It integrates complete protection through OVP, OCP, UVLO, OTP, and UVP with hiccup. The device is available in 1.6-mm × 1.6-mm SOT-563 package and has an optimized pinout for easy PCB layout. The junction temperature is specified from –40°C to 125°C. |
TPS5652473-V to 16-V input voltage, 5-A FCCM mode, synchronous buck converter in SOT-563 package | Voltage Regulators - DC DC Switching Regulators | 1 | Active | The TPS56524x is simple, easy-to-use, high power density, high efficiency synchronous buck converter. The device supports input voltage ranging from 3 V to 16 V and up to 5-A continuous current with a SOT-563 package.
The TPS56524x uses D-CAP3 topology to provide a fast transient response and support low-ESR output capacitors with no requirement for external compensation. It has two grounds, GND and AGND, which should be connected together for optimal thermal performance. AGND also provides a good load and line regulation. The device can support up to 98% duty operation.
The TPS565242 operates in Eco-mode, which maintains high efficiency during light loading. The TPS565247 operates in FCCM mode, which keeps the same frequency and lower output ripple during all load conditions. It integrates complete protection through OVP, OCP, UVLO, OTP, and UVP with hiccup. The device is available in 1.6-mm × 1.6-mm SOT-563 package and has an optimized pinout for easy PCB layout. The junction temperature is specified from –40°C to 125°C.
The TPS56524x is simple, easy-to-use, high power density, high efficiency synchronous buck converter. The device supports input voltage ranging from 3 V to 16 V and up to 5-A continuous current with a SOT-563 package.
The TPS56524x uses D-CAP3 topology to provide a fast transient response and support low-ESR output capacitors with no requirement for external compensation. It has two grounds, GND and AGND, which should be connected together for optimal thermal performance. AGND also provides a good load and line regulation. The device can support up to 98% duty operation.
The TPS565242 operates in Eco-mode, which maintains high efficiency during light loading. The TPS565247 operates in FCCM mode, which keeps the same frequency and lower output ripple during all load conditions. It integrates complete protection through OVP, OCP, UVLO, OTP, and UVP with hiccup. The device is available in 1.6-mm × 1.6-mm SOT-563 package and has an optimized pinout for easy PCB layout. The junction temperature is specified from –40°C to 125°C. |