T
Texas Instruments
| Series | Category | # Parts | Status | Description |
|---|---|---|---|---|
| Part | Spec A | Spec B | Spec C | Spec D | Description |
|---|---|---|---|---|---|
| Series | Category | # Parts | Status | Description |
|---|---|---|---|---|
| Part | Spec A | Spec B | Spec C | Spec D | Description |
|---|---|---|---|---|---|
| Series | Category | # Parts | Status | Description |
|---|---|---|---|---|
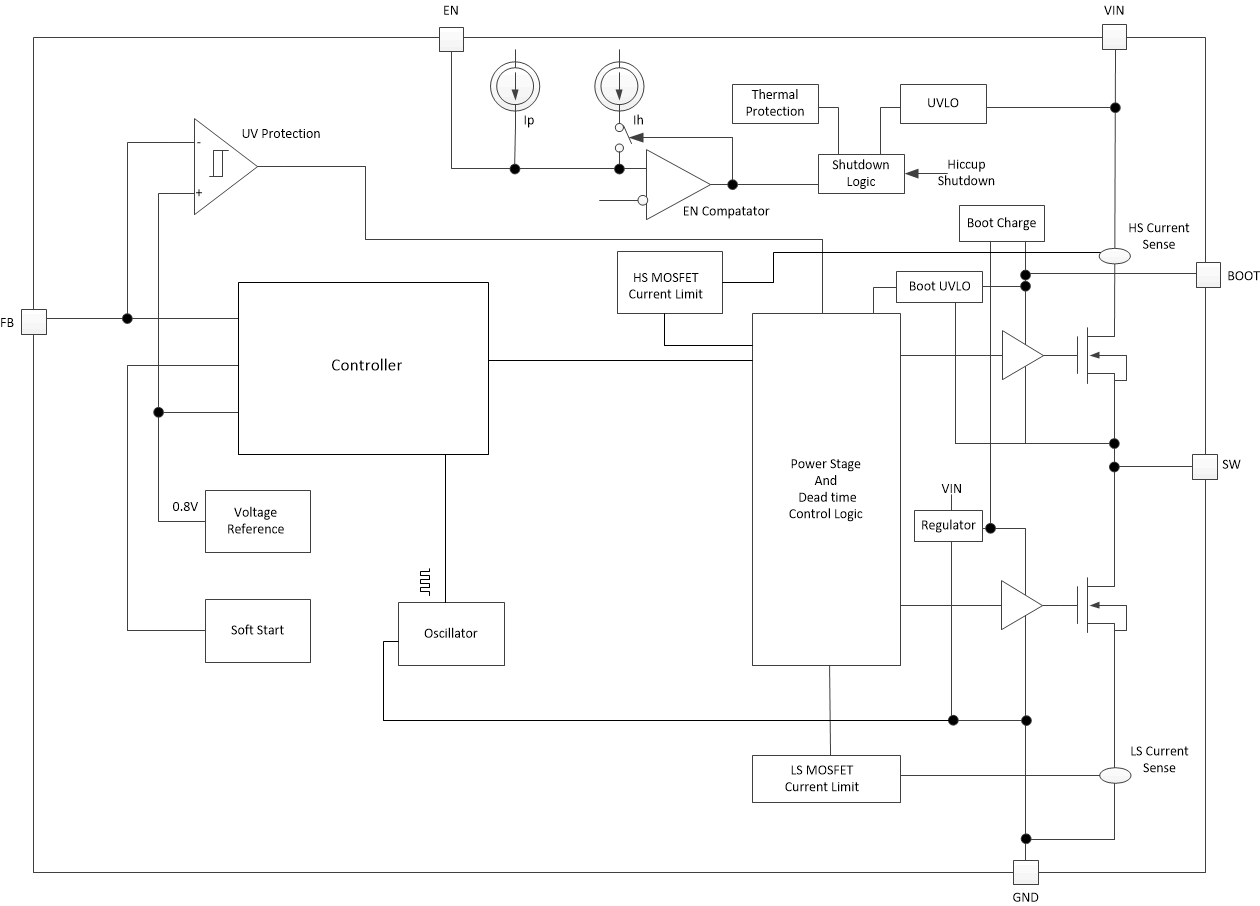
TPS5632124.2-V to 18-V, 3-A, 1.2-MHz, synchronous buck converter with eco-mode and selectable FCCM | Voltage Regulators - DC DC Switching Regulators | 1 | Active | The TPS563212 is a cost-effective and highly flexible synchronous buck converter that provides selectable Eco-mode operation or FCCM (force continuous conduction mode) operation. A selectable power-good indicator or external soft start is also configurable through the MODE pin. Power sequencing is possible by correctly configuring the Enable pin, power-good indicator, or external soft start. A wide input voltage range of 4.2 V to 18 V supports a wide variety of common input rails like 12 V and 15 V. The device supports up to 3-A continuous output current at output voltages between 0.6 V and 7 V.
The device provides fast transient response with true fixed switching frequency through the use of the advanced emulated current mode (AECM) control topology. With internal smart loop bandwidth control, the device provides fast transient response over a wide output voltage range without the need for external compensation.
Cycle-by-cycle current limit on the high-side peak current protects the device in overload situations and is enhanced by a low-side valley current limit, which prevents current runaway. Hiccup mode would be triggered under overvoltage protection (OVP), undervoltage protection (UVP), UVLO protection, and thermal shutdown.
The device is available in a 1.6-mm × 2.1-mm SOT-5X3 package.
The TPS563212 is a cost-effective and highly flexible synchronous buck converter that provides selectable Eco-mode operation or FCCM (force continuous conduction mode) operation. A selectable power-good indicator or external soft start is also configurable through the MODE pin. Power sequencing is possible by correctly configuring the Enable pin, power-good indicator, or external soft start. A wide input voltage range of 4.2 V to 18 V supports a wide variety of common input rails like 12 V and 15 V. The device supports up to 3-A continuous output current at output voltages between 0.6 V and 7 V.
The device provides fast transient response with true fixed switching frequency through the use of the advanced emulated current mode (AECM) control topology. With internal smart loop bandwidth control, the device provides fast transient response over a wide output voltage range without the need for external compensation.
Cycle-by-cycle current limit on the high-side peak current protects the device in overload situations and is enhanced by a low-side valley current limit, which prevents current runaway. Hiccup mode would be triggered under overvoltage protection (OVP), undervoltage protection (UVP), UVLO protection, and thermal shutdown.
The device is available in a 1.6-mm × 2.1-mm SOT-5X3 package. |
TPS563219A17V Input, 3A Synchronous Step-Down Regulator in SOT-23 With Power-good and Soft-start | Evaluation Boards | 6 | Active | The TPS562219A and TPS563219A are simple, easy-to-use, 2-A, 3-A synchronous step-down converters in 8 pin SOT-23 package.
The devices are optimized to operate with minimum external component counts and optimized to achieve low standby current.
These switch mode power supply (SMPS) devices employ D-CAP2™ mode control providing a fast transient response and supporting both low equivalent series resistance (ESR) output capacitors such as specialty polymer and ultra-low ESR ceramic capacitors with no external compensation components.
The devices always operate in continuous conduction mode, which reduces the output ripple voltage in light load compared to discontinuous conduction mode . The TPS562219A and TPS563219A are available in a 8-pin 1.6 × 2.9 (mm) SOT (DDF) package, and specified from –40°C to 85°C of ambient temperature.
The TPS562219A and TPS563219A are simple, easy-to-use, 2-A, 3-A synchronous step-down converters in 8 pin SOT-23 package.
The devices are optimized to operate with minimum external component counts and optimized to achieve low standby current.
These switch mode power supply (SMPS) devices employ D-CAP2™ mode control providing a fast transient response and supporting both low equivalent series resistance (ESR) output capacitors such as specialty polymer and ultra-low ESR ceramic capacitors with no external compensation components.
The devices always operate in continuous conduction mode, which reduces the output ripple voltage in light load compared to discontinuous conduction mode . The TPS562219A and TPS563219A are available in a 8-pin 1.6 × 2.9 (mm) SOT (DDF) package, and specified from –40°C to 85°C of ambient temperature. |
| Power Management (PMIC) | 3 | Active | ||
TPS56324017-V, 3-A, 1.4-MHz synchronous step-down voltage regulator | Power Management (PMIC) | 1 | Active | The TPS563240 is a simple, easy-to-use, 3-A synchronous step-down regulator in SOT-23 package. The peak transient output current can be 3.5 A.
The devices are optimized to operate with minimum external component counts and also optimized to achieve low standby current.
This switching regulator employs D-CAP3 mode control providing a fast transient response and supporting both low-equivalent series resistance (ESR) output capacitors such as specialty polymer and ultra-low ESR ceramic capacitors with no external compensation components.
TPS563240 operates in pulse skip mode, which maintains high efficiency during light load operation. The TPS563240 maintain Fsw over 25-kHz under light load condition. The TPS563240 is available in a 6-pin 1.6-mm × 2.9-mm SOT (DDC) package, and specified from a –40°C to 125°C junction temperature.
The TPS563240 is a simple, easy-to-use, 3-A synchronous step-down regulator in SOT-23 package. The peak transient output current can be 3.5 A.
The devices are optimized to operate with minimum external component counts and also optimized to achieve low standby current.
This switching regulator employs D-CAP3 mode control providing a fast transient response and supporting both low-equivalent series resistance (ESR) output capacitors such as specialty polymer and ultra-low ESR ceramic capacitors with no external compensation components.
TPS563240 operates in pulse skip mode, which maintains high efficiency during light load operation. The TPS563240 maintain Fsw over 25-kHz under light load condition. The TPS563240 is available in a 6-pin 1.6-mm × 2.9-mm SOT (DDC) package, and specified from a –40°C to 125°C junction temperature. |
TPS56324917-V, 3-A, constant 1.4-MHz synchronous step-down voltage regulator | Voltage Regulators - DC DC Switching Regulators | 2 | Active | The TPS563249 is a simple, easy-to-use, 3 A synchronous step-down converter in SOT-23 package.
The device is optimized to operate with minimum external component counts and also optimized to achieve low standby current.
This switching regulator employs D-CAP3 mode control providing a fast transient response and supporting both low-equivalent series resistance (ESR) output capacitors such as specialty polymer and ultra-low ESR ceramic capacitors with no external compensation components.
TPS563249 operates in Forced Continuous Conduction Mode (FCCM), which maintains fixed 1.4 MHz switching frequency during light load operation and eliminates system interference. The TPS563249 is available in a 6-pin 1.6-mm × 2.9-mm SOT (DDC) package, and specified from a –40°C to 125°C junction temperature.
The TPS563249 is a simple, easy-to-use, 3 A synchronous step-down converter in SOT-23 package.
The device is optimized to operate with minimum external component counts and also optimized to achieve low standby current.
This switching regulator employs D-CAP3 mode control providing a fast transient response and supporting both low-equivalent series resistance (ESR) output capacitors such as specialty polymer and ultra-low ESR ceramic capacitors with no external compensation components.
TPS563249 operates in Forced Continuous Conduction Mode (FCCM), which maintains fixed 1.4 MHz switching frequency during light load operation and eliminates system interference. The TPS563249 is available in a 6-pin 1.6-mm × 2.9-mm SOT (DDC) package, and specified from a –40°C to 125°C junction temperature. |
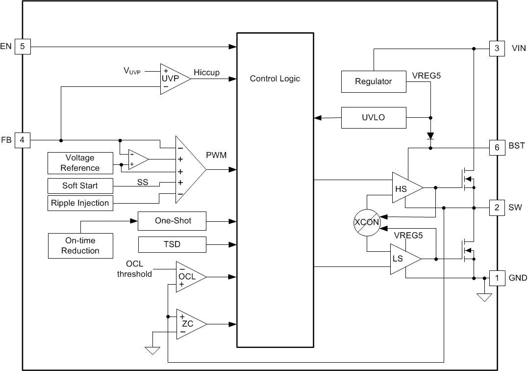
TPS5632523-V to 17-V input voltage, 3-A, 1.2-Mhz synchronous buck converter in SOT563 | Integrated Circuits (ICs) | 1 | Active | The TPS56325x is a simple, easy-to-use, high efficiency, high power density, synchronous buck converter with input voltage ranging from 3 V to 17 V and supports up to 3-A continuous current at output voltages between 0.6 V and 10 V.
The TPS56325x employs D-CAP3 control mode to provide a fast transient response and to support low-ESR output capacitors with no requirement for external compensation. The device can support up to 95% duty cycle operation. Integrated bootstrap capacitor helps achieve single layer PCB and can save total BOM cost.
The TPS563252 operates in Eco-mode, which maintains high efficiency during light loading. The TPS563257 operates in FCCM mode, which keeps the same frequency and lower output ripple during all load conditions. The device integrates complete protection through OVP, OCP, UVLO, OTP, and UVP with hiccup.
The device is available in 1.6 mm × 1.6 mm SOT-563 package. The junction temperature is specified from –40°C to 125°C.
The TPS56325x is a simple, easy-to-use, high efficiency, high power density, synchronous buck converter with input voltage ranging from 3 V to 17 V and supports up to 3-A continuous current at output voltages between 0.6 V and 10 V.
The TPS56325x employs D-CAP3 control mode to provide a fast transient response and to support low-ESR output capacitors with no requirement for external compensation. The device can support up to 95% duty cycle operation. Integrated bootstrap capacitor helps achieve single layer PCB and can save total BOM cost.
The TPS563252 operates in Eco-mode, which maintains high efficiency during light loading. The TPS563257 operates in FCCM mode, which keeps the same frequency and lower output ripple during all load conditions. The device integrates complete protection through OVP, OCP, UVLO, OTP, and UVP with hiccup.
The device is available in 1.6 mm × 1.6 mm SOT-563 package. The junction temperature is specified from –40°C to 125°C. |
TPS5632573-V to 17-V input voltage, 3-A, 1.2-MHz synchronous buck converter in SOT563 | Voltage Regulators - DC DC Switching Regulators | 1 | Active | The TPS56325x is a simple, easy-to-use, high efficiency, high power density, synchronous buck converter with input voltage ranging from 3 V to 17 V and supports up to 3-A continuous current at output voltages between 0.6 V and 10 V.
The TPS56325x employs D-CAP3 control mode to provide a fast transient response and to support low-ESR output capacitors with no requirement for external compensation. The device can support up to 95% duty cycle operation. Integrated bootstrap capacitor helps achieve single layer PCB and can save total BOM cost.
The TPS563252 operates in Eco-mode, which maintains high efficiency during light loading. The TPS563257 operates in FCCM mode, which keeps the same frequency and lower output ripple during all load conditions. The device integrates complete protection through OVP, OCP, UVLO, OTP, and UVP with hiccup.
The device is available in 1.6 mm × 1.6 mm SOT-563 package. The junction temperature is specified from –40°C to 125°C.
The TPS56325x is a simple, easy-to-use, high efficiency, high power density, synchronous buck converter with input voltage ranging from 3 V to 17 V and supports up to 3-A continuous current at output voltages between 0.6 V and 10 V.
The TPS56325x employs D-CAP3 control mode to provide a fast transient response and to support low-ESR output capacitors with no requirement for external compensation. The device can support up to 95% duty cycle operation. Integrated bootstrap capacitor helps achieve single layer PCB and can save total BOM cost.
The TPS563252 operates in Eco-mode, which maintains high efficiency during light loading. The TPS563257 operates in FCCM mode, which keeps the same frequency and lower output ripple during all load conditions. The device integrates complete protection through OVP, OCP, UVLO, OTP, and UVP with hiccup.
The device is available in 1.6 mm × 1.6 mm SOT-563 package. The junction temperature is specified from –40°C to 125°C. |
TPS563313-V synchronous buck controller with fixed 3.3-V output | DC DC Switching Controllers | 1 | LTB | The TPS5615 family of synchronous-buck regulator controllers provides an accurate supply voltage to DSPs. The output voltage is internally set by a resistive divider with an accuracy of 1% over the full operating temperature range. A hysteretic controller with user-selectable hysteresis is used to dramatically reduce overshoot and undershoot caused by load transients. Propagation delay from the comparator inputs to the output drivers is less than 250 ns. Overcurrent shutdown and crossover protection for the output drivers combine to eliminate destructive faults in the output FETs. PWRGD monitors the output voltage and pulls the open-collector output low when the output drops below 93% of the nominal output voltage. An overvoltage circuit disables the output drivers if the output voltage rises 15% above the nominal value. The inhibit pin can be used to control power sequencing. Inhibit and undervoltage lockout assures that the 12-V supply voltage and system supply voltage (5 V or 3.3 V) are within proper operating limits before the controller starts. The output driver circuits include 2-A drivers with internal 8-V gate-voltage regulators that can easily provide sufficient power for today's high-powered DSPs. The high-side driver can be configured either as a ground-referenced driver or as a floating bootstrap driver. The TPS5615 family is available in a 28-pin TSSOP PowerPadTM
PowerPAD is a trademark of Texas Instruments Incorporated.package. It operates over a junction temperature range of 0°C to 125°C.
The TPS5615 family of synchronous-buck regulator controllers provides an accurate supply voltage to DSPs. The output voltage is internally set by a resistive divider with an accuracy of 1% over the full operating temperature range. A hysteretic controller with user-selectable hysteresis is used to dramatically reduce overshoot and undershoot caused by load transients. Propagation delay from the comparator inputs to the output drivers is less than 250 ns. Overcurrent shutdown and crossover protection for the output drivers combine to eliminate destructive faults in the output FETs. PWRGD monitors the output voltage and pulls the open-collector output low when the output drops below 93% of the nominal output voltage. An overvoltage circuit disables the output drivers if the output voltage rises 15% above the nominal value. The inhibit pin can be used to control power sequencing. Inhibit and undervoltage lockout assures that the 12-V supply voltage and system supply voltage (5 V or 3.3 V) are within proper operating limits before the controller starts. The output driver circuits include 2-A drivers with internal 8-V gate-voltage regulators that can easily provide sufficient power for today's high-powered DSPs. The high-side driver can be configured either as a ground-referenced driver or as a floating bootstrap driver. The TPS5615 family is available in a 28-pin TSSOP PowerPadTM
PowerPAD is a trademark of Texas Instruments Incorporated.package. It operates over a junction temperature range of 0°C to 125°C. |
TPS5633003.8-V to 28-V Input, 3-A synchronous buck converter in SOT-583 package | Integrated Circuits (ICs) | 1 | Active | The TPS563300 is a high-efficiency, easy-to-use synchronous buck converter with a wide input voltage range of 3.8 V to 28 V, and supports up to 3-A continuous output current and 0.8-V to 22-V output voltage.
The device employs fixed-frequency peak current control mode for fast transient response and good line and load regulation. The optimized internal loop compensation eliminates external compensation components over a wide range of output voltage and operation frequency. Pulse frequency modulation (PFM) mode maximizes the light load efficiency. The low quiescent current feature is beneficial for long battery life time in low-power operation. The device also has a frequency spread spectrum feature, which helps with lowering down EMI noise.
The device provides complete protections including OTP, OVP, UVLO, cycle-by-cycle OC limit, and UVP with hiccup mode. This device is in a small SOT583 (1.6-mm × 2.1-mm) package with 0.5-mm pin pitch, and has an optimized pinout for easy PCB layout and promotes good EMI performance.
The TPS563300 is a high-efficiency, easy-to-use synchronous buck converter with a wide input voltage range of 3.8 V to 28 V, and supports up to 3-A continuous output current and 0.8-V to 22-V output voltage.
The device employs fixed-frequency peak current control mode for fast transient response and good line and load regulation. The optimized internal loop compensation eliminates external compensation components over a wide range of output voltage and operation frequency. Pulse frequency modulation (PFM) mode maximizes the light load efficiency. The low quiescent current feature is beneficial for long battery life time in low-power operation. The device also has a frequency spread spectrum feature, which helps with lowering down EMI noise.
The device provides complete protections including OTP, OVP, UVLO, cycle-by-cycle OC limit, and UVP with hiccup mode. This device is in a small SOT583 (1.6-mm × 2.1-mm) package with 0.5-mm pin pitch, and has an optimized pinout for easy PCB layout and promotes good EMI performance. |
TPS563394.5-V to 24-V input, 3-A output synchronous buck converter | Evaluation Boards | 2 | Active | The TPS56339 is a 4.5-V to 24-V input voltage range, 3-A synchronous buck converter. The device includes two integrated switching MOSFETs, internal loop compensation and 5-ms internal soft-start to reduce component count. By employing the SOT-23 (6) package, the device achieves the high power density and offers small footprint on PCB.
The TPS56339 employs Advanced Emulated Current Mode (AECM) control that can get fast transient response with fixed frequency. The internal adaptive loop adjustment eliminates the need for external compensation over a wide voltage output range.
Cycle-by-cycle current limit on the high-side protects the device in current overload conditions and is enhanced by a low-side sourcing current limit which prevents current runaway. Hiccup protection will be triggered under undervoltage and thermal shutdown protections.
The TPS56339 is a 4.5-V to 24-V input voltage range, 3-A synchronous buck converter. The device includes two integrated switching MOSFETs, internal loop compensation and 5-ms internal soft-start to reduce component count. By employing the SOT-23 (6) package, the device achieves the high power density and offers small footprint on PCB.
The TPS56339 employs Advanced Emulated Current Mode (AECM) control that can get fast transient response with fixed frequency. The internal adaptive loop adjustment eliminates the need for external compensation over a wide voltage output range.
Cycle-by-cycle current limit on the high-side protects the device in current overload conditions and is enhanced by a low-side sourcing current limit which prevents current runaway. Hiccup protection will be triggered under undervoltage and thermal shutdown protections. |
| Part | Category | Description |
|---|---|---|
Texas Instruments | Integrated Circuits (ICs) | BUS DRIVER, BCT/FBT SERIES |
Texas Instruments | Integrated Circuits (ICs) | 12BIT 3.3V~3.6V 210MHZ PARALLEL VQFN-48-EP(7X7) ANALOG TO DIGITAL CONVERTERS (ADC) ROHS |
Texas Instruments | Integrated Circuits (ICs) | TMX320DRE311 179PIN UBGA 200MHZ |
Texas Instruments TPS61040DRVTG4Unknown | Integrated Circuits (ICs) | IC LED DRV RGLTR PWM 350MA 6WSON |
Texas Instruments LP3876ET-2.5Obsolete | Integrated Circuits (ICs) | IC REG LINEAR 2.5V 3A TO220-5 |
Texas Instruments LMS1585ACSX-ADJObsolete | Integrated Circuits (ICs) | IC REG LIN POS ADJ 5A DDPAK |
Texas Instruments INA111APG4Obsolete | Integrated Circuits (ICs) | IC INST AMP 1 CIRCUIT 8DIP |
Texas Instruments | Integrated Circuits (ICs) | AUTOMOTIVE, QUAD 36V 1.2MHZ OPERATIONAL AMPLIFIER |
Texas Instruments OPA340NA/3KG4Unknown | Integrated Circuits (ICs) | IC OPAMP GP 1 CIRCUIT SOT23-5 |
Texas Instruments PT5112AObsolete | Power Supplies - Board Mount | DC DC CONVERTER 8V 8W |