| Integrated Circuits (ICs) | 3 | Active | |
TPS43330A-Q1Automotive 2V to 40V Low Iq Single Boost & Dual Synchronous Buck Controller | DC/DC & AC/DC (Off-Line) SMPS Evaluation Boards | 2 | Active | The TPS43330A-Q1 device includes two current-mode synchronous-buck controllers and a voltage-mode boost controller. The device is ideally suited as a pre-regulator stage with low IQrequirements and for applications that must survive supply drops due to cranking events. The integrated boost controller allows the device to operate down to 2 V at the input without seeing a drop on the buck regulator output stages. At light loads, the buck controllers enable to operate automatically in low-power mode, consuming just 30 µA of quiescent current.
The buck controllers have independent soft-start capability and power-good indicators. Current foldback in the buck controllers and cycle-by-cycle current limitation in the boost controller provide external MOSFET protection. The switching frequency is programable over 150 to 600 kHz or is synchronized to an external clock in the same range.
The TPS43330A-Q1 device includes two current-mode synchronous-buck controllers and a voltage-mode boost controller. The device is ideally suited as a pre-regulator stage with low IQrequirements and for applications that must survive supply drops due to cranking events. The integrated boost controller allows the device to operate down to 2 V at the input without seeing a drop on the buck regulator output stages. At light loads, the buck controllers enable to operate automatically in low-power mode, consuming just 30 µA of quiescent current.
The buck controllers have independent soft-start capability and power-good indicators. Current foldback in the buck controllers and cycle-by-cycle current limitation in the boost controller provide external MOSFET protection. The switching frequency is programable over 150 to 600 kHz or is synchronized to an external clock in the same range. |
TPS43331-Q1Automotive 5V to 30V Dual LDO & Dual Synchronous Buck Controller | Power Management (PMIC) | 1 | Active | The TPS43331-Q1 is a multi-rail output voltage regulator, with two synchronous switch mode controllers and two linear regulators. In addition, there is a reverse protected high side switch and voltage supervisor for monitoring the standby regulator and input voltage. The regulator outputs and high side switch are controlled either by discrete inputs for certain outputs and serial interface using the I2C configuration for outputs not controlled by discrete inputs.
The standby linear regulator (VSTBY) is high voltage tolerant and can be connected directly to the vehicle battery, the quiescent current is typically 65 µA to maintain a regulated output with light loads.
The TPS43331-Q1 is a multi-rail output voltage regulator, with two synchronous switch mode controllers and two linear regulators. In addition, there is a reverse protected high side switch and voltage supervisor for monitoring the standby regulator and input voltage. The regulator outputs and high side switch are controlled either by discrete inputs for certain outputs and serial interface using the I2C configuration for outputs not controlled by discrete inputs.
The standby linear regulator (VSTBY) is high voltage tolerant and can be connected directly to the vehicle battery, the quiescent current is typically 65 µA to maintain a regulated output with light loads. |
TPS43332-Q1Automotive 2V to 40V Single Boost & Dual Synchronous Buck Controller with Freq. Spread Spectrum | Power Management (PMIC) | 1 | Active | The TPS43330-Q1 and TPS43332-Q1 devices (TPS4333x-Q1) include two current-mode synchronous buck controllers and a voltage-mode boost controller. The TPS4333x-Q1 family of devices is ideally suited as a pre-regulator stage with low IQrequirements and for applications that must survive supply drops due to cranking events. The integrated boost controller allows the devices to operate down to 2 V at the input without seeing a drop on the buck regulator output stages. At light loads, the buck controllers can be enabled to operate automatically in low-power mode, consuming just 30 µA of quiescent current.
The buck controllers have independent soft-start capability and power-good indicators. Current foldback in the buck controllers and cycle-by-cycle current limitation in the boost controller provide external MOSFET protection. The switching frequency can be programed over 150 kHz to 600 kHz or synchronized to an external clock in the same range. Additionally, the TPS43332-Q1 device offers frequency-hopping spread-spectrum operation.
The TPS43330-Q1 and TPS43332-Q1 devices (TPS4333x-Q1) include two current-mode synchronous buck controllers and a voltage-mode boost controller. The TPS4333x-Q1 family of devices is ideally suited as a pre-regulator stage with low IQrequirements and for applications that must survive supply drops due to cranking events. The integrated boost controller allows the devices to operate down to 2 V at the input without seeing a drop on the buck regulator output stages. At light loads, the buck controllers can be enabled to operate automatically in low-power mode, consuming just 30 µA of quiescent current.
The buck controllers have independent soft-start capability and power-good indicators. Current foldback in the buck controllers and cycle-by-cycle current limitation in the boost controller provide external MOSFET protection. The switching frequency can be programed over 150 kHz to 600 kHz or synchronized to an external clock in the same range. Additionally, the TPS43332-Q1 device offers frequency-hopping spread-spectrum operation. |
TPS43333-Q1Automotive 2V to 40V Low Iq Single Boost & Dual Synchronous Buck Controller | DC DC Switching Controllers | 1 | Active | The TPS43333-Q1 includes two current-mode synchronous buck controllers and a voltage-mode boost controller. The device is ideal for use as a pre-regulator stage with low Iq requirements and for applications that must survive supply drops due to cranking events. The integrated boost controller allows the device to operate down to 2 V at the input without seeing a drop on the buck-regulator output stages. At light loads, one can enable the buck controllers to operate automatically in low-power mode, consuming just 30 µA of quiescent current.
The buck controllers have independent soft-start capability and power-good indicators. Current foldback in the buck controllers and cycle-by-cycle current limitation in the boost controller provide external MOSFET protection. The switching frequency is programmable over 150 kHz to 600 kHz or can synchronize to an external clock in the same range.
The TPS43333-Q1 includes two current-mode synchronous buck controllers and a voltage-mode boost controller. The device is ideal for use as a pre-regulator stage with low Iq requirements and for applications that must survive supply drops due to cranking events. The integrated boost controller allows the device to operate down to 2 V at the input without seeing a drop on the buck-regulator output stages. At light loads, one can enable the buck controllers to operate automatically in low-power mode, consuming just 30 µA of quiescent current.
The buck controllers have independent soft-start capability and power-good indicators. Current foldback in the buck controllers and cycle-by-cycle current limitation in the boost controller provide external MOSFET protection. The switching frequency is programmable over 150 kHz to 600 kHz or can synchronize to an external clock in the same range. |
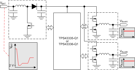
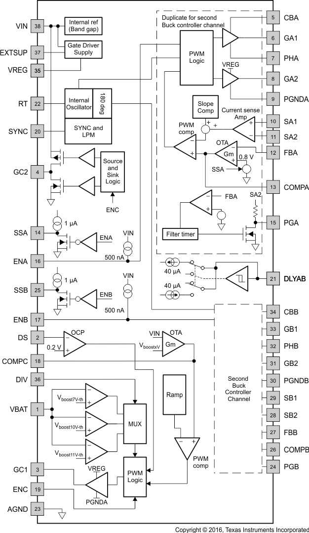
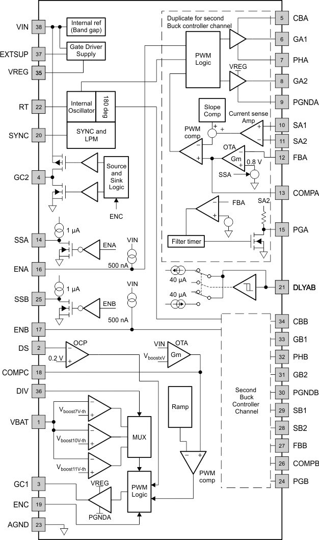
TPS43335-Q1Automotive 2V to 40V low Iq single boost & dual synchronous buck controller | DC DC Switching Controllers | 1 | Active | The TPS43335-Q1 and TPS43336-Q1 include two current-mode synchronous buck controllers and a voltage-mode boost controller. The devices are ideally suited as a pre-regulator stage with low Iq requirements and for applications that must survive supply drops due to cranking events. The integrated boost controller allows the devices to operate down to 2 V at the input without seeing a drop on the buck regulator output stages. At light loads, one can enable the buck controllers to operate automatically in low-power mode, consuming just 30 µA of quiescent current.
The buck controllers have independent soft-start capability and power-good indicators. Current foldback in the buck controllers and cycle-by-cycle current limitation in the boost controller provide external MOSFET protection. One can program the switching frequency over 150 kHz to 600 kHz or synchronize it to an external clock in the same range. Additionally, the TPS43336-Q1 offers frequency-hopping spread-spectrum operation.
The TPS43335-Q1 and TPS43336-Q1 include two current-mode synchronous buck controllers and a voltage-mode boost controller. The devices are ideally suited as a pre-regulator stage with low Iq requirements and for applications that must survive supply drops due to cranking events. The integrated boost controller allows the devices to operate down to 2 V at the input without seeing a drop on the buck regulator output stages. At light loads, one can enable the buck controllers to operate automatically in low-power mode, consuming just 30 µA of quiescent current.
The buck controllers have independent soft-start capability and power-good indicators. Current foldback in the buck controllers and cycle-by-cycle current limitation in the boost controller provide external MOSFET protection. One can program the switching frequency over 150 kHz to 600 kHz or synchronize it to an external clock in the same range. Additionally, the TPS43336-Q1 offers frequency-hopping spread-spectrum operation. |
TPS43336-Q1Automotive 2V to 40V Single Boost & Dual Synchronous Buck Controller with Freq. Spread Spectrum | Integrated Circuits (ICs) | 1 | Active | The TPS43335-Q1 and TPS43336-Q1 include two current-mode synchronous buck controllers and a voltage-mode boost controller. The devices are ideally suited as a pre-regulator stage with low Iq requirements and for applications that must survive supply drops due to cranking events. The integrated boost controller allows the devices to operate down to 2 V at the input without seeing a drop on the buck regulator output stages. At light loads, one can enable the buck controllers to operate automatically in low-power mode, consuming just 30 µA of quiescent current.
The buck controllers have independent soft-start capability and power-good indicators. Current foldback in the buck controllers and cycle-by-cycle current limitation in the boost controller provide external MOSFET protection. One can program the switching frequency over 150 kHz to 600 kHz or synchronize it to an external clock in the same range. Additionally, the TPS43336-Q1 offers frequency-hopping spread-spectrum operation.
The TPS43335-Q1 and TPS43336-Q1 include two current-mode synchronous buck controllers and a voltage-mode boost controller. The devices are ideally suited as a pre-regulator stage with low Iq requirements and for applications that must survive supply drops due to cranking events. The integrated boost controller allows the devices to operate down to 2 V at the input without seeing a drop on the buck regulator output stages. At light loads, one can enable the buck controllers to operate automatically in low-power mode, consuming just 30 µA of quiescent current.
The buck controllers have independent soft-start capability and power-good indicators. Current foldback in the buck controllers and cycle-by-cycle current limitation in the boost controller provide external MOSFET protection. One can program the switching frequency over 150 kHz to 600 kHz or synchronize it to an external clock in the same range. Additionally, the TPS43336-Q1 offers frequency-hopping spread-spectrum operation. |
TPS43337-Q1Automotive 2V to 40V Low Iq Single Boost & Dual Fixed Output Voltage Synchronous Buck Controller | Power Management (PMIC) | 1 | Active | The TPS43337-Q1 includes two current-mode synchronous buck controllers and a voltage-mode boost controller. The device is ideally suited as a pre-regulator stage with low IQrequirements and for systems that must survive supply drops due to cranking events. The integrated boost controller allows the device to operate down to 2 V at the input without seeing a drop on the buck regulator output stages. At light loads, the buck controllers enable to operate automatically in low power-mode, consuming just 34 µA of quiescent current.
The buck controllers have independent soft-start capability and power-good indicators. Current foldback in the buck controllers and cycle-by-cycle current limitation in the boost controller provide external MOSFET protection. The switching frequency is programable over 150 to 600 kHz or is synchronized to an external clock in the same range
The TPS43337-Q1 includes two current-mode synchronous buck controllers and a voltage-mode boost controller. The device is ideally suited as a pre-regulator stage with low IQrequirements and for systems that must survive supply drops due to cranking events. The integrated boost controller allows the device to operate down to 2 V at the input without seeing a drop on the buck regulator output stages. At light loads, the buck controllers enable to operate automatically in low power-mode, consuming just 34 µA of quiescent current.
The buck controllers have independent soft-start capability and power-good indicators. Current foldback in the buck controllers and cycle-by-cycle current limitation in the boost controller provide external MOSFET protection. The switching frequency is programable over 150 to 600 kHz or is synchronized to an external clock in the same range |
TPS43340-Q1Automotive 4V to 40V dual synchronous buck controller, 2A buck converter, and 300mA LDO | DC/DC & AC/DC (Off-Line) SMPS Evaluation Boards | 2 | Active | The TPS43340-Q1 is a quad rail power supply featuring two synchronous Buck Controller with 0.6-A gate drive, one synchronous 2-A Buck Converter and a 300-mA LDO with low quiescent current. The device is designed to power the entire system including MCU and DSP straight from the car battery respectively input voltages up to 40 V. The device features integrated short-circuit and overcurrent protection on the gate-drive outputs for the buck regulator controllers and independent current-foldback control for each buck regulator supply during regulator output short to ground. Each output supply incorporates a soft start to ensure that on initial power up these regulated outputs are not in current limit. Implementation of reset delay on power up allows the outputs of Buck1, Buck2, Buck3 and the linear regulator to get to stable regulation. An external capacitor sets the delay to a maximum range of 300 ms. Each power-supply output has adjustable output voltage based on the external resistor-network settings. The device has sequencing control during power up and power down of the output rails, based on the enable-and-disable control or soft start.
The TPS43340-Q1 is a quad rail power supply featuring two synchronous Buck Controller with 0.6-A gate drive, one synchronous 2-A Buck Converter and a 300-mA LDO with low quiescent current. The device is designed to power the entire system including MCU and DSP straight from the car battery respectively input voltages up to 40 V. The device features integrated short-circuit and overcurrent protection on the gate-drive outputs for the buck regulator controllers and independent current-foldback control for each buck regulator supply during regulator output short to ground. Each output supply incorporates a soft start to ensure that on initial power up these regulated outputs are not in current limit. Implementation of reset delay on power up allows the outputs of Buck1, Buck2, Buck3 and the linear regulator to get to stable regulation. An external capacitor sets the delay to a maximum range of 300 ms. Each power-supply output has adjustable output voltage based on the external resistor-network settings. The device has sequencing control during power up and power down of the output rails, based on the enable-and-disable control or soft start. |
| DC/DC & AC/DC (Off-Line) SMPS Evaluation Boards | 2 | Active | The TPS43350-Q1 and TPS43351-Q1 include two current-mode synchronous buck controllers designed for the harsh environment in automotive applications. The devices are ideal for use in a multi-rail system with low quiescent requirements, as they automatically operate in low-power mode (consuming typically 30 µA) at light loads. The devices offer protection features such as thermal, soft-start, and overcurrent protection. During short-circuit conditions of the regulator output, activation of the current-foldback feature can limit the current through the MOSFETs for control of power dissipation. The two independent soft-start inputs allow ramp-up of the output voltage independently during start-up.
The programmable range of the switching frequency is from 150 kHz to 600 kHz, as is the frequency of an external clock to which the devices can synchronize. Additionally, the TPS43351-Q1 offers frequency-hopping spread-spectrum operation.
The TPS43350-Q1 and TPS43351-Q1 include two current-mode synchronous buck controllers designed for the harsh environment in automotive applications. The devices are ideal for use in a multi-rail system with low quiescent requirements, as they automatically operate in low-power mode (consuming typically 30 µA) at light loads. The devices offer protection features such as thermal, soft-start, and overcurrent protection. During short-circuit conditions of the regulator output, activation of the current-foldback feature can limit the current through the MOSFETs for control of power dissipation. The two independent soft-start inputs allow ramp-up of the output voltage independently during start-up.
The programmable range of the switching frequency is from 150 kHz to 600 kHz, as is the frequency of an external clock to which the devices can synchronize. Additionally, the TPS43351-Q1 offers frequency-hopping spread-spectrum operation. |