TPD1E10B06-Q112-pF, ±5.5V, ±30-kV ESD protection diode in 0402 and SOD-523 package | Evaluation Boards | 4 | Active | The TPD1E10B06-Q1 device is a bidirectional TVS ESD protection diode in a small 0402 package convenient for space contrained applications and an industry standard leaded SOD-523 package that enables automatic optical inspection (AOI). The TPD1E10B06-Q1 is rated to dissipate ESD strikes above the maximum level specified in the IEC 61000-4-2 international standard (Level 4) since ESD voltages can easily reach 5000 V, which is more than enough to damage many integrated circuits, but during extreme conditions the voltages can be significantly higher. For example, in a low humidity environment voltages can exceed 20,000 V.
The low dynamic resistance and low clamping voltage ensures system level protection against transient events, providing sufficient protection on designs that are exposed to ESD events. This device also features a 12-pF IO capacitance making it ideal for audio lines, push buttons, memory interfaces, or GPIOs.
This device is also available without automotive qualification:TPD1E10B06.
The TPD1E10B06-Q1 device is a bidirectional TVS ESD protection diode in a small 0402 package convenient for space contrained applications and an industry standard leaded SOD-523 package that enables automatic optical inspection (AOI). The TPD1E10B06-Q1 is rated to dissipate ESD strikes above the maximum level specified in the IEC 61000-4-2 international standard (Level 4) since ESD voltages can easily reach 5000 V, which is more than enough to damage many integrated circuits, but during extreme conditions the voltages can be significantly higher. For example, in a low humidity environment voltages can exceed 20,000 V.
The low dynamic resistance and low clamping voltage ensures system level protection against transient events, providing sufficient protection on designs that are exposed to ESD events. This device also features a 12-pF IO capacitance making it ideal for audio lines, push buttons, memory interfaces, or GPIOs.
This device is also available without automotive qualification:TPD1E10B06. |
TPD1E10B09-Q110-pF, ±9V, ±20-kV ESD protection diode with 6-A 8/20-uS surge in 0402 Package | Circuit Protection | 2 | Active | The TPD1E10B09-Q1 device is a bidirectional electrostatic discharge (ESD) transient voltage suppression (TVS) diode in a small 0402 industry standard package. This TVS protection diode is convenient for component placement in space-saving applications and features low R DYN and high IEC rating. The TPD1E10B09-Q1 is rated to dissipate ESD strikes above the maximum level specified in the IEC 61000-4-2 international standard (Level 4) offering ±20-kV contact discharge and ±20-kV IEC air-gap protection. ESD voltages can easily reach 5-kV and during extreme conditions these voltages can be significantly higher, causing damages to many integrated circuits. For example, in a low humidity environment voltages can exceed 20-kV.
The low dynamic resistance (0.5 Ω) and low clamping voltage (13 V at 1-A IPP) allows for system level protection against transient events, providing robust protection on designs that are exposed to ESD events. This device also features a 10-pF IO capacitance making it an excellent choice for audio lines, push buttons, memory interfaces, or GPIOs.
This device is also available without automotive qualification:TPD1E10B09.
The TPD1E10B09-Q1 device is a bidirectional electrostatic discharge (ESD) transient voltage suppression (TVS) diode in a small 0402 industry standard package. This TVS protection diode is convenient for component placement in space-saving applications and features low R DYN and high IEC rating. The TPD1E10B09-Q1 is rated to dissipate ESD strikes above the maximum level specified in the IEC 61000-4-2 international standard (Level 4) offering ±20-kV contact discharge and ±20-kV IEC air-gap protection. ESD voltages can easily reach 5-kV and during extreme conditions these voltages can be significantly higher, causing damages to many integrated circuits. For example, in a low humidity environment voltages can exceed 20-kV.
The low dynamic resistance (0.5 Ω) and low clamping voltage (13 V at 1-A IPP) allows for system level protection against transient events, providing robust protection on designs that are exposed to ESD events. This device also features a 10-pF IO capacitance making it an excellent choice for audio lines, push buttons, memory interfaces, or GPIOs.
This device is also available without automotive qualification:TPD1E10B09. |
TPD1E1B041-pF, ±3.6-V, ±30-kV ESD protection diode with 6.3-A 8/20-uS surge & low clamping in 0402 packa | TVS Diodes | 2 | Active | The TPD1E1B04 is a bidirectional TVS ESD protection diode featuring low RDYNand low clamping voltage. The TPD1E1B04 is rated to dissipate ESD strikes at the maximum level specified in the IEC 61000-4-2 international standard (Level 4).
The ultra-low dynamic resistance (0.15 Ω) and extremely low clamping voltage (8.5 V at 16-A TLP) ensure system level protection against transient events. This device features a 1-pF IO capacitance making it ideal for protecting interfaces such as USB 2.0.
The TPD1E1B04 is offered in the industry standard 0402 (DPY) package.
The TPD1E1B04 is a bidirectional TVS ESD protection diode featuring low RDYNand low clamping voltage. The TPD1E1B04 is rated to dissipate ESD strikes at the maximum level specified in the IEC 61000-4-2 international standard (Level 4).
The ultra-low dynamic resistance (0.15 Ω) and extremely low clamping voltage (8.5 V at 16-A TLP) ensure system level protection against transient events. This device features a 1-pF IO capacitance making it ideal for protecting interfaces such as USB 2.0.
The TPD1E1B04 is offered in the industry standard 0402 (DPY) package. |
TPD1E6B066pF ±5V ±15kV ESD protection diode in 0201 package | TVS Diodes | 2 | Active | The TPD1E6B06 device is a single-channel TVS diode for electrostatic discharge (ESD) protection in a small 0201 package. The TPD1E6B06 is rated to dissipate ESD strikes above the maximum level specified in the IEC 61000-4-2 international standard (Level 4), with ±15-kV contact discharge and ±15-kV air-gap ESD protection. The device has a back-to-back TVS diode configuration for bipolar or bidirectional signal support. The 6-pF line capacitance is suitable to provide transient voltage suppression circuit protection for a wide range of applications, supporting data rates up to800 Mbps.
Typical application interfaces for the TPD1E6B06 are audio lines (microphone, earphone, and speakerphone), SD interfacing, keypad or other buttons, as well as the VBUS and ID pins of USB ports. With its industry-standard 0201 package, The TPD1E6B06 has an extremely small footprint, making it ideal for space-saving end equipment like mobile phones, tablets, and wearables.
The TPD1E6B06 device is a single-channel TVS diode for electrostatic discharge (ESD) protection in a small 0201 package. The TPD1E6B06 is rated to dissipate ESD strikes above the maximum level specified in the IEC 61000-4-2 international standard (Level 4), with ±15-kV contact discharge and ±15-kV air-gap ESD protection. The device has a back-to-back TVS diode configuration for bipolar or bidirectional signal support. The 6-pF line capacitance is suitable to provide transient voltage suppression circuit protection for a wide range of applications, supporting data rates up to800 Mbps.
Typical application interfaces for the TPD1E6B06 are audio lines (microphone, earphone, and speakerphone), SD interfacing, keypad or other buttons, as well as the VBUS and ID pins of USB ports. With its industry-standard 0201 package, The TPD1E6B06 has an extremely small footprint, making it ideal for space-saving end equipment like mobile phones, tablets, and wearables. |
| Power Management (PMIC) | 2 | Active | |
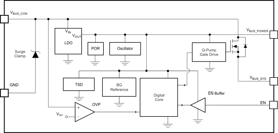
TPD1S514USB charger over voltage Surge and ESD protection | Evaluation Boards | 4 | Active | The TPD1S514 Family consists of single-chip protection solutions for 5-V, 9-V or 12-V USB VBUSlines, or other power buses. The bidirectional nFET switch ensures safe current flow in both charging and host mode while protecting the internal system circuits from any over voltage condition at the VBUS_CONpin. On the VBUS_CONpin, this device can handle over voltage protection up to 30-V DC. After theENpin toggles low, any device in the TPD1S514 Family waits 20 ms before turning ON the nFET through a soft start delay.
Typical application interfaces for the TPD1S514 Family are VBUSlines in USB connectors typically found in cell phones, tablets, eBooks, and portable media players. The TPD1S514 Family can also be applied to any system using an interface for a 5-V, 9-V, or 12-V power rail.
The TPD1S514 Family consists of single-chip protection solutions for 5-V, 9-V or 12-V USB VBUSlines, or other power buses. The bidirectional nFET switch ensures safe current flow in both charging and host mode while protecting the internal system circuits from any over voltage condition at the VBUS_CONpin. On the VBUS_CONpin, this device can handle over voltage protection up to 30-V DC. After theENpin toggles low, any device in the TPD1S514 Family waits 20 ms before turning ON the nFET through a soft start delay.
Typical application interfaces for the TPD1S514 Family are VBUSlines in USB connectors typically found in cell phones, tablets, eBooks, and portable media players. The TPD1S514 Family can also be applied to any system using an interface for a 5-V, 9-V, or 12-V power rail. |
| Development Boards, Kits, Programmers | 1 | Obsolete | |
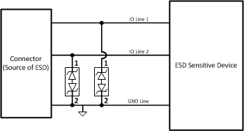
TPD2E001-Q1Automotive Dual 1.5-pF, 5.5-V, ±8-kV ESD protection diode with VCC pin for USB 2.0 | TVS Diodes | 6 | Active | The TPD2E001 is a low-capacitance ±15-kV ESD-protection diode array designed to protect sensitive electronics attached to communication lines. Each channel consists of a pair of diodes that steer ESD current pulses to VCCor GND. The TPD2E001 protects against ESD pulses up to ±15-kV Human-Body Model (HBM), ±8-kV Contact Discharge, and ±15-kV Air-Gap Discharge, as specified in IEC 61000-4-2. This device has a 1.5-pF capacitance per channel, making it ideal for use in high-speed data IO interfaces.
The TPD2E001 is a two-channel device intended for USB and USB 2.0 applications.
The TPD2E001 is available in the DRL package and is specified for –40°C to 85°C operation.
The TPD2E001 is a low-capacitance ±15-kV ESD-protection diode array designed to protect sensitive electronics attached to communication lines. Each channel consists of a pair of diodes that steer ESD current pulses to VCCor GND. The TPD2E001 protects against ESD pulses up to ±15-kV Human-Body Model (HBM), ±8-kV Contact Discharge, and ±15-kV Air-Gap Discharge, as specified in IEC 61000-4-2. This device has a 1.5-pF capacitance per channel, making it ideal for use in high-speed data IO interfaces.
The TPD2E001 is a two-channel device intended for USB and USB 2.0 applications.
The TPD2E001 is available in the DRL package and is specified for –40°C to 85°C operation. |
| Transient Voltage Suppressors (TVS) | 3 | Active | |
TPD2E009Dual 0.7-pF, 5.5-V, ±8-kV ESD protection diode with 5-A surge rating | Transient Voltage Suppressors (TVS) | 1 | Active | The TPD2E009 device provides two ESD protection diodes with flow-through pin mapping for ease of board layout. This device has been designed to protect sensitive components which are connected to ultra high-speed data and transmission lines. The TPD2E009 offers transient voltage suppression for Level 4 of IEC 61000-4-2 Contact ESD protection. TVS protection up to a 5-A (8/20 µs) peak pulse-current rating per the IEC 61000-4-5 (lightning) specification is also provided.
The monolithic silicon technology allows matching between the differential signal pairs. The less than 0.05-pF differential capacitance ensures that the differential signal distortion due to added ESD circuit protection remains minimal. The low capacitance(0.7-pF) is suitable for high-speed data rates up to6 Gbps.
The TPD2E009 TVS diode is offered in a DRT (1 mm × 0.8 mm) package for space-saving portable applications. The industry standard DBZ (2.92 mm × 1.3 mm) package offers additional flexibility in the board layout for the system designer.
Typical applications for the TPD2E009 line of ESD protection products are: HDMI, USB, eSATA, and ethernet interfaces in notebooks, DVD and media players, set-top boxes, and portable computers.
The TPD2E009 device provides two ESD protection diodes with flow-through pin mapping for ease of board layout. This device has been designed to protect sensitive components which are connected to ultra high-speed data and transmission lines. The TPD2E009 offers transient voltage suppression for Level 4 of IEC 61000-4-2 Contact ESD protection. TVS protection up to a 5-A (8/20 µs) peak pulse-current rating per the IEC 61000-4-5 (lightning) specification is also provided.
The monolithic silicon technology allows matching between the differential signal pairs. The less than 0.05-pF differential capacitance ensures that the differential signal distortion due to added ESD circuit protection remains minimal. The low capacitance(0.7-pF) is suitable for high-speed data rates up to6 Gbps.
The TPD2E009 TVS diode is offered in a DRT (1 mm × 0.8 mm) package for space-saving portable applications. The industry standard DBZ (2.92 mm × 1.3 mm) package offers additional flexibility in the board layout for the system designer.
Typical applications for the TPD2E009 line of ESD protection products are: HDMI, USB, eSATA, and ethernet interfaces in notebooks, DVD and media players, set-top boxes, and portable computers. |