TPD12S520HDMI recei-Ver port protection and interface device | Specialized | 1 | Active | The TPD12S520 is a single-chip electro-static discharge (ESD) circuit protection device for the high-definition multimedia interface (HDMI) receiver port. While providing ESD protection with transient voltage suppression (TVS) diodes, the TVS protection adds little or no additional glitch in the high-speed differential signals. The high-speed transition minimized differential signaling (TMDS) ESD protection lines add only 0.8-pF capacitance.
The low-speed control lines offer voltage-level shifting to eliminate the need for an external voltage level-shifter IC. The control line TVS diodes add 3.5-pF capacitance to the control lines. The 38-pin DBT package offers a seamless layout routing option to eliminate the routing glitch for the differential signal pairs. The DBT package pitch (0.5 mm) matches with the HDMI connector pitch. In addition, the pin mapping follows the same order as the HDMI connector pin mapping. This HDMI receiver port protection and interface device is designed specifically for HDMI receiver-interface protection. The 24-pin RMN package offers flow through routing using only two layers for highly integrated, space-efficient full HDMI protection.
The TPD12S520 is a single-chip electro-static discharge (ESD) circuit protection device for the high-definition multimedia interface (HDMI) receiver port. While providing ESD protection with transient voltage suppression (TVS) diodes, the TVS protection adds little or no additional glitch in the high-speed differential signals. The high-speed transition minimized differential signaling (TMDS) ESD protection lines add only 0.8-pF capacitance.
The low-speed control lines offer voltage-level shifting to eliminate the need for an external voltage level-shifter IC. The control line TVS diodes add 3.5-pF capacitance to the control lines. The 38-pin DBT package offers a seamless layout routing option to eliminate the routing glitch for the differential signal pairs. The DBT package pitch (0.5 mm) matches with the HDMI connector pitch. In addition, the pin mapping follows the same order as the HDMI connector pin mapping. This HDMI receiver port protection and interface device is designed specifically for HDMI receiver-interface protection. The 24-pin RMN package offers flow through routing using only two layers for highly integrated, space-efficient full HDMI protection. |
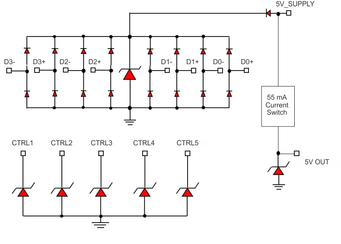
TPD12S521HDMI transmitter port protection and interface device | Integrated Circuits (ICs) | 1 | Active | The TPD12S521 is a single-chip electro-static discharge (ESD) circuit protection device for the high-definition multimedia interface (HDMI) transmitter port. While providing ESD protection with transient voltage suppression (TVS) diodes, the TVS protection adds little or no additional glitch in the high-speed differential signals. The high-speed transition minimized differential signaling (TMDS) ESD protection lines add only 0.8-pF capacitance.
The low-speed control lines offer voltage-level shifting to eliminate the need for an external voltage level-shifter IC. The control line TVS diodes add 3.5-pF capacitance to the control lines. The 38-pin DBT package offers a seamless layout routing option to eliminate the routing glitch for the differential signal pairs. The DBT package pitch (0.5 mm) matches with the HDMI connector pitch. In addition, the pin mapping follows the same order as the HDMI connector pin mapping. The TPD12S521 provides an on-chip current limiting switch with output ratings of 55 mA at pin 38. This enables HDMI receiver detection even when the receiver device is powered off.
The TPD12S521 is a single-chip electro-static discharge (ESD) circuit protection device for the high-definition multimedia interface (HDMI) transmitter port. While providing ESD protection with transient voltage suppression (TVS) diodes, the TVS protection adds little or no additional glitch in the high-speed differential signals. The high-speed transition minimized differential signaling (TMDS) ESD protection lines add only 0.8-pF capacitance.
The low-speed control lines offer voltage-level shifting to eliminate the need for an external voltage level-shifter IC. The control line TVS diodes add 3.5-pF capacitance to the control lines. The 38-pin DBT package offers a seamless layout routing option to eliminate the routing glitch for the differential signal pairs. The DBT package pitch (0.5 mm) matches with the HDMI connector pitch. In addition, the pin mapping follows the same order as the HDMI connector pin mapping. The TPD12S521 provides an on-chip current limiting switch with output ratings of 55 mA at pin 38. This enables HDMI receiver detection even when the receiver device is powered off. |
TPD13S52313-channel HDMI Port solution with ESD protection and current-limit load switch | TVS Diodes | 2 | Active | The TPD13S523 device is a single-chip integrated IEC 61000-4-2 ESD protection solution for HDMI 1.4 or HDMI 1.3 interfaces. This device offers 13 channels of TVS diodes with flow-through pin mapping that matches HDMI connector high-speed lines. While providing ESD protection, the TPD13S523 adds little to no additional distortion to the high-speed differential signals. The monolithic integrated circuit technology ensures that there is excellent matching between the two-signal pair of the differential line (< 0.05-pF differential matching between TMDS lines). This offers an advantage over discrete ESD solutions where variations between two different ESD protection circuits may significantly degrade the differential signal quality.
The TPD13S523 incorporates an on-chip current limited load switch that is compliant with HDMI 5-V out electrical specifications. The short-circuit protection at 5V_OUT ensures that the device is not damaged in case there is an accidental short to GND. The load switch also incorporates a reverse-current blocking feature which ensures that the HDMI driver side is not erroneously turned on when two HDMI drivers are connected together.
Typical applications for the TPD13S523 include set top boxes (STB), e-books, tablets, smart phones, and camcorders.
The TPD13S523 device is a single-chip integrated IEC 61000-4-2 ESD protection solution for HDMI 1.4 or HDMI 1.3 interfaces. This device offers 13 channels of TVS diodes with flow-through pin mapping that matches HDMI connector high-speed lines. While providing ESD protection, the TPD13S523 adds little to no additional distortion to the high-speed differential signals. The monolithic integrated circuit technology ensures that there is excellent matching between the two-signal pair of the differential line (< 0.05-pF differential matching between TMDS lines). This offers an advantage over discrete ESD solutions where variations between two different ESD protection circuits may significantly degrade the differential signal quality.
The TPD13S523 incorporates an on-chip current limited load switch that is compliant with HDMI 5-V out electrical specifications. The short-circuit protection at 5V_OUT ensures that the device is not damaged in case there is an accidental short to GND. The load switch also incorporates a reverse-current blocking feature which ensures that the HDMI driver side is not erroneously turned on when two HDMI drivers are connected together.
Typical applications for the TPD13S523 include set top boxes (STB), e-books, tablets, smart phones, and camcorders. |
| Development Boards, Kits, Programmers | 1 | Obsolete | |
TPD1E01B040.18-pF, ±3.6-V, ±15-kV ESD protection diode in 0402 & 0201 packages for USB-C | Transient Voltage Suppressors (TVS) | 3 | Active | The TPD1E01B04 is a bidirectional TVS ESD protection diode array for USB Type-C and Thunderbolt 3 circuit protection. The TPD1E01B04 is rated to dissipate ESD strikes at the maximum level specified in the IEC 61000-4-2 international standard (Level 4).
This device features a 0.18 to 0.20-pF (typical) IO capacitance making it ideal for protecting high-speed interfaces up to 20 Gbps such as USB 3.1 Gen2 and Thunderbolt 3. The low dynamic resistance and low clamping voltage ensure system level protection against transient events.
The TPD1E01B04 is offered in the industry standard 0201 (DPL) package and 0402 (DPY) packages.
The TPD1E01B04 is a bidirectional TVS ESD protection diode array for USB Type-C and Thunderbolt 3 circuit protection. The TPD1E01B04 is rated to dissipate ESD strikes at the maximum level specified in the IEC 61000-4-2 international standard (Level 4).
This device features a 0.18 to 0.20-pF (typical) IO capacitance making it ideal for protecting high-speed interfaces up to 20 Gbps such as USB 3.1 Gen2 and Thunderbolt 3. The low dynamic resistance and low clamping voltage ensure system level protection against transient events.
The TPD1E01B04 is offered in the industry standard 0201 (DPL) package and 0402 (DPY) packages. |
TPD1E01B04-Q1Automotive 0.2pF ±3.6V ESD protection diode in 0402 package for high-speed interfaces | Transient Voltage Suppressors (TVS) | 1 | Active | The TPD1E01B04-Q1 is a bidirectional TVS ESD protection diode for USB Type-C and FPD-Link circuit protection. The TPD1E01B04-Q1 is rated to dissipate ESD strikes at the maximum level specified in the IEC 61000-4-2 international standard (Level 4).
This device features a 0.20-pF (typical) IO capacitance making it ideal for protecting high-speed interfaces up to 20 Gbps such as USB 3.1 Gen2 and FPD-Link. The low dynamic resistance and low clamping voltage ensure system level protection against transient events.
The TPD1E01B04-Q1 is offered in the industry standard 0402 (DPY) package.
The TPD1E01B04-Q1 is a bidirectional TVS ESD protection diode for USB Type-C and FPD-Link circuit protection. The TPD1E01B04-Q1 is rated to dissipate ESD strikes at the maximum level specified in the IEC 61000-4-2 international standard (Level 4).
This device features a 0.20-pF (typical) IO capacitance making it ideal for protecting high-speed interfaces up to 20 Gbps such as USB 3.1 Gen2 and FPD-Link. The low dynamic resistance and low clamping voltage ensure system level protection against transient events.
The TPD1E01B04-Q1 is offered in the industry standard 0402 (DPY) package. |
TPD1E04U040.5-pF, 3.6-V, ±16-kV ESD protection diode with in 0402 & 0201 packages for HDMI 2.0 & USB 3.0 | Evaluation and Demonstration Boards and Kits | 11 | Active | The TPD1E04U04 is a unidirectional TVS ESD protection diode for HDMI 2.0 and USB 3.0 circuit protection. The TPD1E04U04 is rated to dissipate ESD strikes above the maximum level specified in the IEC 61000-4-2 international standard (Level 4).
This device features a 0.5-pF IO capacitance making it ideal for protecting high-speed interfaces up to 6 Gbps such as HDMI 2.0 and USB 3.0. The low dynamic resistance and ultra-low clamping voltage ensure system level protection against transient events for sensitive SoCs.
The TPD1E04U04 is offered in the industry standard 0402 (DPY) and 0201 (DPL) packages.
The TPD1E04U04 is a unidirectional TVS ESD protection diode for HDMI 2.0 and USB 3.0 circuit protection. The TPD1E04U04 is rated to dissipate ESD strikes above the maximum level specified in the IEC 61000-4-2 international standard (Level 4).
This device features a 0.5-pF IO capacitance making it ideal for protecting high-speed interfaces up to 6 Gbps such as HDMI 2.0 and USB 3.0. The low dynamic resistance and ultra-low clamping voltage ensure system level protection against transient events for sensitive SoCs.
The TPD1E04U04 is offered in the industry standard 0402 (DPY) and 0201 (DPL) packages. |
TPD1E05U06-Q10.5-pF, 5.5-V, ±12-kV ESD protection diode in 0402 package for High Speed Interfaces | Circuit Protection | 2 | Active | The TPDxE05U06 is a family of unidirectional Transient Voltage Suppressor (TVS) based Electrostatic Discharge (ESD) protection diodes with ultra-low capacitance. Each device can dissipate ESD strikes above the maximum level specified by the IEC 61000-4-2 international standard. The TPDxE05U06 ultra-low loading capacitance makes the device and excellent choice for protecting any high-speed signal pins.
Typical applications for TPDxE05U06 includes high speed signal lines in HDMI 1.4b, HDMI 2.0, USB 3.0, MHL, LVDS, DisplayPort, PCI-Express, eSata, and V-by-One HS.
The TPDxE05U06 is a family of unidirectional Transient Voltage Suppressor (TVS) based Electrostatic Discharge (ESD) protection diodes with ultra-low capacitance. Each device can dissipate ESD strikes above the maximum level specified by the IEC 61000-4-2 international standard. The TPDxE05U06 ultra-low loading capacitance makes the device and excellent choice for protecting any high-speed signal pins.
Typical applications for TPDxE05U06 includes high speed signal lines in HDMI 1.4b, HDMI 2.0, USB 3.0, MHL, LVDS, DisplayPort, PCI-Express, eSata, and V-by-One HS. |
TPD1E0B040.13-pF, ±3.6-V, ±8-kV ESD protection diode in 0402 & 0201 packages for USB-C & Antenna | TVS Diodes | 2 | Active | The TPD1E0B04 is a bidirectional TVS ESD protection diode array for USB Type-C and Thunderbolt 3 circuit protection. The TPD1E0B04 is rated to dissipate ESD strikes at the maximum level specified in the IEC 61000-4-2 international standard (Level 4).
This device features a 0.13-pF IO capacitance per channel (DPL package) making it ideal for protecting high-speed interfaces up to 20 Gbps such as USB 3.1 Gen 2, Thunderbolt 3, and Antenna. The low dynamic resistance and low clamping voltage ensure system level protection against transient events.
The TPD1E0B04 is offered in the industry standard 0201 (DPL) and 0402 (DPY) packages.
The TPD1E0B04 is a bidirectional TVS ESD protection diode array for USB Type-C and Thunderbolt 3 circuit protection. The TPD1E0B04 is rated to dissipate ESD strikes at the maximum level specified in the IEC 61000-4-2 international standard (Level 4).
This device features a 0.13-pF IO capacitance per channel (DPL package) making it ideal for protecting high-speed interfaces up to 20 Gbps such as USB 3.1 Gen 2, Thunderbolt 3, and Antenna. The low dynamic resistance and low clamping voltage ensure system level protection against transient events.
The TPD1E0B04 is offered in the industry standard 0201 (DPL) and 0402 (DPY) packages. |
| Evaluation and Demonstration Boards and Kits | 1 | Obsolete | |