T
Texas Instruments
| Series | Category | # Parts | Status | Description |
|---|---|---|---|---|
| Part | Spec A | Spec B | Spec C | Spec D | Description |
|---|---|---|---|---|---|
| Series | Category | # Parts | Status | Description |
|---|---|---|---|---|
| Part | Spec A | Spec B | Spec C | Spec D | Description |
|---|---|---|---|---|---|
| Part | Category | Description |
|---|---|---|
Texas Instruments | Integrated Circuits (ICs) | BUS DRIVER, BCT/FBT SERIES |
Texas Instruments | Integrated Circuits (ICs) | 12BIT 3.3V~3.6V 210MHZ PARALLEL VQFN-48-EP(7X7) ANALOG TO DIGITAL CONVERTERS (ADC) ROHS |
Texas Instruments | Integrated Circuits (ICs) | TMX320DRE311 179PIN UBGA 200MHZ |
Texas Instruments TPS61040DRVTG4Unknown | Integrated Circuits (ICs) | IC LED DRV RGLTR PWM 350MA 6WSON |
Texas Instruments LP3876ET-2.5Obsolete | Integrated Circuits (ICs) | IC REG LINEAR 2.5V 3A TO220-5 |
Texas Instruments LMS1585ACSX-ADJObsolete | Integrated Circuits (ICs) | IC REG LIN POS ADJ 5A DDPAK |
Texas Instruments INA111APG4Obsolete | Integrated Circuits (ICs) | IC INST AMP 1 CIRCUIT 8DIP |
Texas Instruments | Integrated Circuits (ICs) | AUTOMOTIVE, QUAD 36V 1.2MHZ OPERATIONAL AMPLIFIER |
Texas Instruments OPA340NA/3KG4Unknown | Integrated Circuits (ICs) | IC OPAMP GP 1 CIRCUIT SOT23-5 |
Texas Instruments PT5112AObsolete | Power Supplies - Board Mount | DC DC CONVERTER 8V 8W |
| Series | Category | # Parts | Status | Description |
|---|---|---|---|---|
TLC5928316 channel constant current LED driver with pre-charge FET | Integrated Circuits (ICs) | 3 | Active | The TLC59283 is a 16-channel, constant-current sink light-emitting diode (LED) driver. Each channel can be individually controlled with a simple serial communications protocol that is compatible with 3.3V or 5V CMOS logic levels, depending on the operating VCC. When the serial data buffer is loaded, a LAT rising edge transfers the data to the OUTn outputs. The BLANK pin can be used to turn off all OUTn outputs during power-on and output data latching to prevent unwanted image displays during these times. The constant-current value of all 16 channels is set by a single external resistor.
Each constant-current output has a pre-charge field-effect transistor (FET) that can reduce ghosting on the multiplexing (dynamic) drive LED display. Multiple TLC59283s can be cascaded together to control additional LEDs from the same processor.
The TLC59283 is a 16-channel, constant-current sink light-emitting diode (LED) driver. Each channel can be individually controlled with a simple serial communications protocol that is compatible with 3.3V or 5V CMOS logic levels, depending on the operating VCC. When the serial data buffer is loaded, a LAT rising edge transfers the data to the OUTn outputs. The BLANK pin can be used to turn off all OUTn outputs during power-on and output data latching to prevent unwanted image displays during these times. The constant-current value of all 16 channels is set by a single external resistor.
Each constant-current output has a pre-charge field-effect transistor (FET) that can reduce ghosting on the multiplexing (dynamic) drive LED display. Multiple TLC59283s can be cascaded together to control additional LEDs from the same processor. |
TLC5928416-channel, constant-current LED driver | Integrated Circuits (ICs) | 2 | Active | The TLC59284 is a 16-channel, constant-current sink light-emitting diode (LED) driver. Each channel can be individually controlled with a simple serial communications protocol that is compatible with 3.3-V or 5-V CMOS logic levels, depending on the operating VCC. When the serial data buffer is loaded, a LAT rising edge transfers the data to the OUTnoutputs. The BLANK pin can be used to turn off all OUTnoutputs during power-on and output data latching to prevent unwanted image displays during these times. The constant-current value of all 16 channels is set by a single external resistor.
The TLC59284 is a 16-channel, constant-current sink light-emitting diode (LED) driver. Each channel can be individually controlled with a simple serial communications protocol that is compatible with 3.3-V or 5-V CMOS logic levels, depending on the operating VCC. When the serial data buffer is loaded, a LAT rising edge transfers the data to the OUTnoutputs. The BLANK pin can be used to turn off all OUTnoutputs during power-on and output data latching to prevent unwanted image displays during these times. The constant-current value of all 16 channels is set by a single external resistor. |
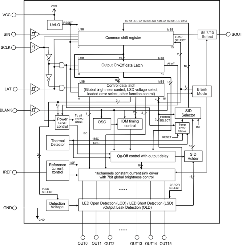
TLC592916-ch constant current LED driver with 7-bit global brightness, power-Save, and self-diagnostics | Power Management (PMIC) | 4 | Active | The TLC5929 is a 16-channel constant current sink LED driver. Each channel can be turned on or off by writing data to an internal register. The constant current value of all 16 channels is set by a single external resistor with 128 steps for the global brightness control (BC).
The TLC5929 has six error flags: LED open detection (LOD), LED short detection (LSD), output leakage detection (OLD), reference current terminal short detection (ISF), pre-thermal warning (PTW) and thermal error flag (TEF). In addition, the LOD and LSD functions have invisible detection mode (IDM) that can detect those errors even when the output is off. The error detection results can be read via a serial interface port.
The TLC5929 also has a power-save mode that sets the total current consumption to 10 µA (typ) when all outputs are off.
The TLC5929 is a 16-channel constant current sink LED driver. Each channel can be turned on or off by writing data to an internal register. The constant current value of all 16 channels is set by a single external resistor with 128 steps for the global brightness control (BC).
The TLC5929 has six error flags: LED open detection (LOD), LED short detection (LSD), output leakage detection (OLD), reference current terminal short detection (ISF), pre-thermal warning (PTW) and thermal error flag (TEF). In addition, the LOD and LSD functions have invisible detection mode (IDM) that can detect those errors even when the output is off. The error detection results can be read via a serial interface port.
The TLC5929 also has a power-save mode that sets the total current consumption to 10 µA (typ) when all outputs are off. |
TLC592918/16-channel, constant current LED driver with low Quiescent current and Full self-diagnosis | LED Drivers | 2 | Active | The TLC59291 is a 8/16-channel constant current sink LED driver. Each channel can be turned on-off by writing data to an internal register. The constant current value of all 16 channels is set by a single external resistor and 128 steps for the global brightness control (BC).
The TLC59291 has six type error flags: LED open detection (LOD), LED short detection (LSD), output leak detection (OLD), reference terminal short detection (ISF), Pre thermal warning (PTW) and thermal error flag (TEF). In addition, the LOD and LSD functions have invisible detection mode (IDM) that can detect those errors even when the output is off. The error detection results can be read via a serial interface port.
The TLC59291 has low quiescent current in normal mode, it also has a power-save mode that sets the total current consumption to 10 µA (typical) when all outputs are off.
The TLC59291 is a 8/16-channel constant current sink LED driver. Each channel can be turned on-off by writing data to an internal register. The constant current value of all 16 channels is set by a single external resistor and 128 steps for the global brightness control (BC).
The TLC59291 has six type error flags: LED open detection (LOD), LED short detection (LSD), output leak detection (OLD), reference terminal short detection (ISF), Pre thermal warning (PTW) and thermal error flag (TEF). In addition, the LOD and LSD functions have invisible detection mode (IDM) that can detect those errors even when the output is off. The error detection results can be read via a serial interface port.
The TLC59291 has low quiescent current in normal mode, it also has a power-save mode that sets the total current consumption to 10 µA (typical) when all outputs are off. |
TLC593012 channel LED driver | Integrated Circuits (ICs) | 2 | Active | The TLC5930 is a constant-current sink driver with an adjustable current value, and 1024 gray scale display that uses pulse width control. The output current is 0.2 mA to 40 mA with 12 bits of RGBx4. The maximum current value of the constant-current output can be set by one external resistor.
The TLC5930 includes three kinds of brightness adjustment functions: one adjusts the plane brightness between devices, changing the current values of all outputs uniformly. The second adjusts the frequency division to controls overall panel brightness, and the third adjusts the dot correction per LED, changing the current values of independent output.
The TLC5930 also includes color–tone correction function for correcting color per dot (pixel) and OVM function for constant-current output terminals used for LED failure detection.
Other features include the thermal error flag (TEF). The active wire-check (AWC) to check the communication between the controller and the device. The LED leakage-detect (LKD) to detect the reverse leakage on the LED. The GCLK error flag (GEF) and the HSYNC error flag (HEF) by monitoring the gray-scale clock count, and the dual source gray-scale clock (DSG) function to switch the gray-scale clock to the external input clock or to switch the internally-generated clock.
The TLC5930 requires three signals for standard operation: data input and gray-scale clock. Only three-signal line and 24-pin HTSSOP package reduce board area and total cost.
The TLC5930 is a constant-current sink driver with an adjustable current value, and 1024 gray scale display that uses pulse width control. The output current is 0.2 mA to 40 mA with 12 bits of RGBx4. The maximum current value of the constant-current output can be set by one external resistor.
The TLC5930 includes three kinds of brightness adjustment functions: one adjusts the plane brightness between devices, changing the current values of all outputs uniformly. The second adjusts the frequency division to controls overall panel brightness, and the third adjusts the dot correction per LED, changing the current values of independent output.
The TLC5930 also includes color–tone correction function for correcting color per dot (pixel) and OVM function for constant-current output terminals used for LED failure detection.
Other features include the thermal error flag (TEF). The active wire-check (AWC) to check the communication between the controller and the device. The LED leakage-detect (LKD) to detect the reverse leakage on the LED. The GCLK error flag (GEF) and the HSYNC error flag (HEF) by monitoring the gray-scale clock count, and the dual source gray-scale clock (DSG) function to switch the gray-scale clock to the external input clock or to switch the internally-generated clock.
The TLC5930 requires three signals for standard operation: data input and gray-scale clock. Only three-signal line and 24-pin HTSSOP package reduce board area and total cost. |
| LED Driver Evaluation Boards | 3 | Obsolete | ||
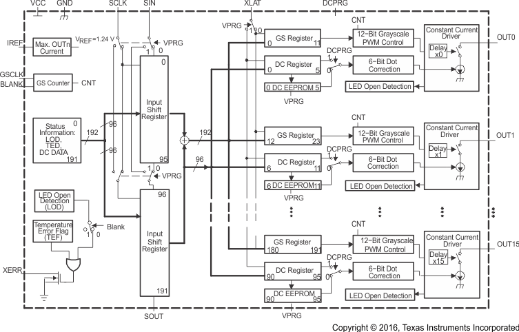
TLC5940-EPEnhanced Product 16 Channel LED Driver With DOT Correction and Grayscale PWM Control | LED Driver Evaluation Boards | 10 | Active | The TLC5940-EP is a 16-channel, constant-current sink LED driver. Each channel has an individually adjustable 4096-step grayscale PWM brightness control and a 64-step, constant-current sink (dot correction). The dot correction adjusts the brightness variations between LED channels and other LED drivers. The dot correction data is stored in an integrated EEPROM. Both grayscale control and dot correction are accessible via a serial interface. A single external resistor sets the maximum current value of all 16 channels.
The TLC5940-EP features two error information circuits. The LED open detection (LOD) indicates a broken or disconnected LED at an output terminal. The thermal error flag (TEF) indicates an overtemperature condition.
The TLC5940-EP is a 16-channel, constant-current sink LED driver. Each channel has an individually adjustable 4096-step grayscale PWM brightness control and a 64-step, constant-current sink (dot correction). The dot correction adjusts the brightness variations between LED channels and other LED drivers. The dot correction data is stored in an integrated EEPROM. Both grayscale control and dot correction are accessible via a serial interface. A single external resistor sets the maximum current value of all 16 channels.
The TLC5940-EP features two error information circuits. The LED open detection (LOD) indicates a broken or disconnected LED at an output terminal. The thermal error flag (TEF) indicates an overtemperature condition. |
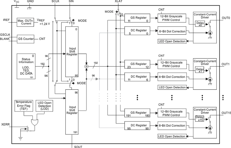
TLC5940116-channel LED driver with dot correction and grayscale PWM control | Integrated Circuits (ICs) | 4 | Active | The TLC59401 is a 16-channel, constant-current sink, LED driver. Each channel has an individually adjustable 4096-step grayscale PWM brightness control and a 64-step constant-current sink (dot correction). The dot correction adjusts the brightness variations between LED channels and other LED drivers. Both grayscale control and dot correction are accessible via a serial interface. A single external resistor sets the maximum current value of all 16 channels.
The TLC59401 features two error information circuits. The LED open detection (LOD) indicates a broken or disconnected LED at an output terminal. The thermal error flag (TEF) indicates an over-temperature condition.
The TLC59401 is a 16-channel, constant-current sink, LED driver. Each channel has an individually adjustable 4096-step grayscale PWM brightness control and a 64-step constant-current sink (dot correction). The dot correction adjusts the brightness variations between LED channels and other LED drivers. Both grayscale control and dot correction are accessible via a serial interface. A single external resistor sets the maximum current value of all 16 channels.
The TLC59401 features two error information circuits. The LED open detection (LOD) indicates a broken or disconnected LED at an output terminal. The thermal error flag (TEF) indicates an over-temperature condition. |
TLC5941-Q1Automotive catalog 16 channel LED driver with dot correction and grayscale PWM control | LED Drivers | 8 | Active | The TLC5941-Q1 device is a 16-channel, constant-current sink, LED driver. Each channel has an individually adjustable 4096-step grayscale PWM brightness control and a 64-step constant-current sink (dot correction), which both are accessible via a serial interface. This device features two fault diagnostic circuits. The LED open detection (LOD) indicates a broken or disconnected LED at an output terminal. The thermal error flag (TEF) indicates an over temperature condition.
The TLC5941-Q1 features two error information circuits. The LED open detection (LOD) indicates a broken or disconnected LED at an output terminal. The thermal error flag (TEF) indicates an overtemperature condition.
The TLC5941-Q1 device is a 16-channel, constant-current sink, LED driver. Each channel has an individually adjustable 4096-step grayscale PWM brightness control and a 64-step constant-current sink (dot correction), which both are accessible via a serial interface. This device features two fault diagnostic circuits. The LED open detection (LOD) indicates a broken or disconnected LED at an output terminal. The thermal error flag (TEF) indicates an over temperature condition.
The TLC5941-Q1 features two error information circuits. The LED open detection (LOD) indicates a broken or disconnected LED at an output terminal. The thermal error flag (TEF) indicates an overtemperature condition. |
| LED Drivers | 5 | Obsolete | ||