TLC595224-channel constant-current LED driver with global brightness and LED open Short Detection | Power Management (PMIC) | 2 | Active | The TLC5952 device is a 24-channel, constant-current sink driver. Each channel can be turned on or off with internal register data. The output channels are grouped into three groups of eight channels each. Each channel group has a 128-step global brightness control (BC) function. Both on-off data and BC are writable via a serial interface. The maximum current value of all 24 channels is set by a single external resistor.
The TLC5952 device has three error detection circuits: LED-open detection (LOD), LED-shorted detection (LSD), and a thermal error flag (TEF). The error detection is read via a serial interface.
The TLC5952 device is a 24-channel, constant-current sink driver. Each channel can be turned on or off with internal register data. The output channels are grouped into three groups of eight channels each. Each channel group has a 128-step global brightness control (BC) function. Both on-off data and BC are writable via a serial interface. The maximum current value of all 24 channels is set by a single external resistor.
The TLC5952 device has three error detection circuits: LED-open detection (LOD), LED-shorted detection (LSD), and a thermal error flag (TEF). The error detection is read via a serial interface. |
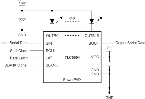
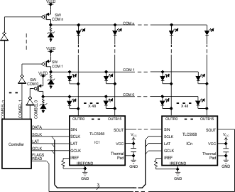
TLC595448ch LED driver with global brightness control, LED open/Short Detection and power-Save Mode | Integrated Circuits (ICs) | 2 | Active | The TLC5954 is a 48-channel, constant-current sink LED driver. Each channel can be turned on or off by writing data to an internal register. The output channels (OUTX) are grouped into three groups of 16 channels. Each channel group (R, G, and B) has a 128-step global brightness control (BC) function. The maximum current value of all 48 channels can be set with an 8-step maximum current control (MC) function. The device has two error flags: LED open detection (LOD) and LED short detection (LSD). The error flags can be read via a serial interface port. The device also has a power-save mode that sets the total current consumption to 7 µA (typ) when all outputs are off.
The TLC5954 is a 48-channel, constant-current sink LED driver. Each channel can be turned on or off by writing data to an internal register. The output channels (OUTX) are grouped into three groups of 16 channels. Each channel group (R, G, and B) has a 128-step global brightness control (BC) function. The maximum current value of all 48 channels can be set with an 8-step maximum current control (MC) function. The device has two error flags: LED open detection (LOD) and LED short detection (LSD). The error flags can be read via a serial interface port. The device also has a power-save mode that sets the total current consumption to 7 µA (typ) when all outputs are off. |
TLC595548ch, 16bit PWM LED driver with dot-correction, brightness control, open/Short Detection | Power Management (PMIC) | 4 | Active | The TLC5955 is a 48-channel, constant-current sink driver. Each channel has an individually-adjustable, pulse width modulation (PWM), grayscale (GS) brightness control with 65,536 steps and 128 steps of constant-current dot correction (DC). DC adjusts brightness deviation between channels. All channels have a 128-step global brightness control (BC). BC adjusts brightness deviation between the R, G, B color group. The eight-step maximum current control (MC) selects the maximum output current range for all channels of each color group. GS, DC, BC, and MC data are accessible with a serial interface port.
The TLC5955 has two error flags: LED open detection (LOD) and LED short detection (LSD). The error detection results can be read with a serial interface port.
The TLC5955 is a 48-channel, constant-current sink driver. Each channel has an individually-adjustable, pulse width modulation (PWM), grayscale (GS) brightness control with 65,536 steps and 128 steps of constant-current dot correction (DC). DC adjusts brightness deviation between channels. All channels have a 128-step global brightness control (BC). BC adjusts brightness deviation between the R, G, B color group. The eight-step maximum current control (MC) selects the maximum output current range for all channels of each color group. GS, DC, BC, and MC data are accessible with a serial interface port.
The TLC5955 has two error flags: LED open detection (LOD) and LED short detection (LSD). The error detection results can be read with a serial interface port. |
TLC595748-channel, 16bit ES-PWM LED driver w/ pre-charge FET, LED open Detection and caterpillar cancelling | Integrated Circuits (ICs) | 1 | Active | The TLC5957 is a 48-channel constant current sink driver. Each channel has an individually-adjustable, 65536-step, pulse width modulation (PWM) grayscale (GS) brightness control.
The output channels are divided into three groups, each group has a 512 step color brightness control (CC), CC adjusts brightness between colors. The maximum current value of all 48 channels can be set by 8-step global brightness control (BC). BC adjusts brightness deviation between LED drivers. GS, CC and BC data are accessible via a serial interface port.
TLC5957 has one error flag: LED open detection (LOD), which can be read via a serial interface port. Each constant-current has a pre-charge field- effect transistor (FET), which can remove ghosting and improve display performance on the multiplexing LED display. Besides, TLC5957 has an enhanced circuit, it can cancel the caterpillar effect caused by LED open.
TLC5957 has a poker data transmission mode; GS data length can be configured from 9 bit to 16 bit according to PWM bits in each sub-segment. Poker Mode can significantly increase visual refresh rate in multiplexing applications.
The TLC5957 is a 48-channel constant current sink driver. Each channel has an individually-adjustable, 65536-step, pulse width modulation (PWM) grayscale (GS) brightness control.
The output channels are divided into three groups, each group has a 512 step color brightness control (CC), CC adjusts brightness between colors. The maximum current value of all 48 channels can be set by 8-step global brightness control (BC). BC adjusts brightness deviation between LED drivers. GS, CC and BC data are accessible via a serial interface port.
TLC5957 has one error flag: LED open detection (LOD), which can be read via a serial interface port. Each constant-current has a pre-charge field- effect transistor (FET), which can remove ghosting and improve display performance on the multiplexing LED display. Besides, TLC5957 has an enhanced circuit, it can cancel the caterpillar effect caused by LED open.
TLC5957 has a poker data transmission mode; GS data length can be configured from 9 bit to 16 bit according to PWM bits in each sub-segment. Poker Mode can significantly increase visual refresh rate in multiplexing applications. |
TLC595848 channel, 16 bit ES-PWM, LED driver with pre-charge FET, LED open detection and 48k bit memory | Power Management (PMIC) | 2 | Active | The TLC5958 is a 48 channels constant-current sink driver for multiplexing system with 1 to 32 duty ratio. Each channel has an individually-adjustable, 65536-step, pulse width modulation (PWM) grayscale (GS).
48K bit display memory is implemented to increase the visual refresh rate and to decrease the GS data writing frequency.
The output channels are grouped into three groups, each group has 16 channels. Each group has a 512-step color brightness control (CC) function. The maximum current value of all 48 channels can be set by 8-step global brightness control (BC) function. CC and BC can be used to adjust the brightness deviation between LED drivers. GS, CC, and BC data are accessible via a serial interface port.
Send request viaemailfor Application Note:Build High Density, High Refresh Rate, Multiplexing LED Panel with TLC5958.
The TLC5958 has one error flag: LED open detection (LOD), which can be read via a serial interface port. The TLC5958 also has a power-save mode that sets the total current consumption to 0.8mA (typ) when all outputs are off.
The TLC5958 is a 48 channels constant-current sink driver for multiplexing system with 1 to 32 duty ratio. Each channel has an individually-adjustable, 65536-step, pulse width modulation (PWM) grayscale (GS).
48K bit display memory is implemented to increase the visual refresh rate and to decrease the GS data writing frequency.
The output channels are grouped into three groups, each group has 16 channels. Each group has a 512-step color brightness control (CC) function. The maximum current value of all 48 channels can be set by 8-step global brightness control (BC) function. CC and BC can be used to adjust the brightness deviation between LED drivers. GS, CC, and BC data are accessible via a serial interface port.
Send request viaemailfor Application Note:Build High Density, High Refresh Rate, Multiplexing LED Panel with TLC5958.
The TLC5958 has one error flag: LED open detection (LOD), which can be read via a serial interface port. The TLC5958 also has a power-save mode that sets the total current consumption to 0.8mA (typ) when all outputs are off. |
TLC5958148-channel, 16-bit ESPWM LED driver with pre-charge FET, LOD Caterpillar and support 32-multiplexing | Integrated Circuits (ICs) | 1 | Active | The TLC59581/82are 48-channel constant-current sink drivers. Each channel has an individually-adjustable, 65536-step, pulse width modulation (PWM) grayscale (GS) brightness control.
The TLC59581 can support 32-multiplexing while TLC59582 can support 16-multiplexing.
The output channels are divided into three groups. Each group has a 512-step color brightness control (CC). CC adjusts brightness control between colors. The maximum current value of all 48 channels can be set by 8-step global brightness control (BC). BC adjusts brightness deviation between LED drivers. GS, CC and BC data are accessible through a serial interface port.
See application noteBuild High Density, High Refresh Rate, Multiplexing LED Panel with TLC59581, SLVA744.
The TLC59581/82 device has one error flag: the LED open detection (LOD), which can be read through a serial interface port. To resolve this caterpillar issue caused by an open LED, the TLC59581/82 device has an enhanced circuit for caterpillar canceling, thermal shut down (TSD) and IREFresistor short protection (ISP), which ensures a higher system reliability. The TLC59581/82 device also has a power-save mode that sets the total current consumption to 0.8 mA (typical) when all outputs are off. The TLC59581/82 device is a good solution to improve display performance of a multiplexing panel for low-grayscale patterns.
The TLC59581/82are 48-channel constant-current sink drivers. Each channel has an individually-adjustable, 65536-step, pulse width modulation (PWM) grayscale (GS) brightness control.
The TLC59581 can support 32-multiplexing while TLC59582 can support 16-multiplexing.
The output channels are divided into three groups. Each group has a 512-step color brightness control (CC). CC adjusts brightness control between colors. The maximum current value of all 48 channels can be set by 8-step global brightness control (BC). BC adjusts brightness deviation between LED drivers. GS, CC and BC data are accessible through a serial interface port.
See application noteBuild High Density, High Refresh Rate, Multiplexing LED Panel with TLC59581, SLVA744.
The TLC59581/82 device has one error flag: the LED open detection (LOD), which can be read through a serial interface port. To resolve this caterpillar issue caused by an open LED, the TLC59581/82 device has an enhanced circuit for caterpillar canceling, thermal shut down (TSD) and IREFresistor short protection (ISP), which ensures a higher system reliability. The TLC59581/82 device also has a power-save mode that sets the total current consumption to 0.8 mA (typical) when all outputs are off. The TLC59581/82 device is a good solution to improve display performance of a multiplexing panel for low-grayscale patterns. |
TLC5958248-channel, 16-bit ESPWM LED driver with pre-charge FET, LOD Caterpillar and 16-multiplexing support | LED Drivers | 2 | Active | The TLC59581/82are 48-channel constant-current sink drivers. Each channel has an individually-adjustable, 65536-step, pulse width modulation (PWM) grayscale (GS) brightness control.
The TLC59581 can support 32-multiplexing while TLC59582 can support 16-multiplexing.
The output channels are divided into three groups. Each group has a 512-step color brightness control (CC). CC adjusts brightness control between colors. The maximum current value of all 48 channels can be set by 8-step global brightness control (BC). BC adjusts brightness deviation between LED drivers. GS, CC and BC data are accessible through a serial interface port.
See application noteBuild High Density, High Refresh Rate, Multiplexing LED Panel with TLC59581, SLVA744.
The TLC59581/82 device has one error flag: the LED open detection (LOD), which can be read through a serial interface port. To resolve this caterpillar issue caused by an open LED, the TLC59581/82 device has an enhanced circuit for caterpillar canceling, thermal shut down (TSD) and IREFresistor short protection (ISP), which ensures a higher system reliability. The TLC59581/82 device also has a power-save mode that sets the total current consumption to 0.8 mA (typical) when all outputs are off. The TLC59581/82 device is a good solution to improve display performance of a multiplexing panel for low-grayscale patterns.
The TLC59581/82are 48-channel constant-current sink drivers. Each channel has an individually-adjustable, 65536-step, pulse width modulation (PWM) grayscale (GS) brightness control.
The TLC59581 can support 32-multiplexing while TLC59582 can support 16-multiplexing.
The output channels are divided into three groups. Each group has a 512-step color brightness control (CC). CC adjusts brightness control between colors. The maximum current value of all 48 channels can be set by 8-step global brightness control (BC). BC adjusts brightness deviation between LED drivers. GS, CC and BC data are accessible through a serial interface port.
See application noteBuild High Density, High Refresh Rate, Multiplexing LED Panel with TLC59581, SLVA744.
The TLC59581/82 device has one error flag: the LED open detection (LOD), which can be read through a serial interface port. To resolve this caterpillar issue caused by an open LED, the TLC59581/82 device has an enhanced circuit for caterpillar canceling, thermal shut down (TSD) and IREFresistor short protection (ISP), which ensures a higher system reliability. The TLC59581/82 device also has a power-save mode that sets the total current consumption to 0.8 mA (typical) when all outputs are off. The TLC59581/82 device is a good solution to improve display performance of a multiplexing panel for low-grayscale patterns. |
TLC59608-channel LED driver controller with integrated Intelligent Thermal controller | Integrated Circuits (ICs) | 2 | Active | The TLC5960 is an eight-channel PWM LED driver with four intelligent headroom voltage monitor (iHVM) outputs. The LED drivers have scalable, high-voltage capability and provide 1% maximum current matching accuracy between LED strings. To achieve optimal efficiency, the iHVM automatically optimizes the external dc/dc converter output voltage to compensate for the forward-voltage variations of the LED.
Compared to a conventional HVM solution that requires several MOSFETs, capacitors, and resistors, the iHVM is designed to use only a single external resistor. The LED driver design is capable of up to 250kHz PWM dimming, and also provides an analog brightness dimming interface. This device easily adapts to various LED and power configurations with a single voltage input rail. Full protection and diagnostic functions are provided to protect the entire system, such as LED open/short detection (LOD/LSD), FET open/short detection (FOD/FSD) and thermal shutdown (TSD). In case of failure, the TLC5960 automatically disconnects the failed channel(s) from the operating channels and pulls down the open drain fault buffer (XFLT) to signal an error status.
The TLC5960 is an eight-channel PWM LED driver with four intelligent headroom voltage monitor (iHVM) outputs. The LED drivers have scalable, high-voltage capability and provide 1% maximum current matching accuracy between LED strings. To achieve optimal efficiency, the iHVM automatically optimizes the external dc/dc converter output voltage to compensate for the forward-voltage variations of the LED.
Compared to a conventional HVM solution that requires several MOSFETs, capacitors, and resistors, the iHVM is designed to use only a single external resistor. The LED driver design is capable of up to 250kHz PWM dimming, and also provides an analog brightness dimming interface. This device easily adapts to various LED and power configurations with a single voltage input rail. Full protection and diagnostic functions are provided to protect the entire system, such as LED open/short detection (LOD/LSD), FET open/short detection (FOD/FSD) and thermal shutdown (TSD). In case of failure, the TLC5960 automatically disconnects the failed channel(s) from the operating channels and pulls down the open drain fault buffer (XFLT) to signal an error status. |
| Power Management (PMIC) | 2 | Obsolete | |
TLC597112-channel, 16-bit ES-PWM RGB LED driver with 3.3V Linear Regulator | Power Management (PMIC) | 3 | Active | The TLC5971 device is a 12-channel, constant-current sink driver. Each output channel has individually adjustable currents with 65536 PWM grayscale (GS) steps. Also, each color group can be controlled by 128 constant-current sink steps with the global brightness control (BC) function. GS control and BC are accessible through a two-wire signal interface. The maximum current value for each channel is set by a single external resistor. All constant-current outputs are turned off when the IC is in an overtemperature condition.
The TLC5971 device is a 12-channel, constant-current sink driver. Each output channel has individually adjustable currents with 65536 PWM grayscale (GS) steps. Also, each color group can be controlled by 128 constant-current sink steps with the global brightness control (BC) function. GS control and BC are accessible through a two-wire signal interface. The maximum current value for each channel is set by a single external resistor. All constant-current outputs are turned off when the IC is in an overtemperature condition. |