THS73533-Channel Low Power Video Amp w/I2C Control, Selectable Filters, 0dB Gain, 2:1 MUX | Integrated Circuits (ICs) | 3 | Active | Fabricated using the new complimentary silicon-germanium (SiGe) BiCom-III process, the THS7353 is a low-power, single-supply 2.7-V to 5-V, 3-channel integrated video buffer. It incorporates a selectable 5thorder Butterworth anti-aliasing / DAC reconstruction filter to eliminate data converter images. The 9-MHz is a perfect choice for SDTV video including composite, S-Video, and 480i/576i Y′P′BP′Ror G′B′R′ (R′G′B′) video. The 16-MHz filter is ideal for EDTV 480p/576p Y′P′BP′R, G′B′R′, and VGA signals. The 35-MHz filter is useful for HDTV 720p/1080i Y′P′BP′R, G′B′R′, and SVGA/XGA signals. For 1080p or SXGA/UXGA signals, the filter can be bypassed allowing a 150-MHz bandwidth, 300-V/µs amplifier to buffer the signal.
Each channel of the THS7353 is individually I2C configurable for all functions which makes it flexible for any application. Its rail-to-rail output stage allows for both ac and dc coupling applications. The externally controlled gain adjust pin allows for fine tuning of the gain such as line driving, compensating for cable losses, or Sin-X/X compensation.
As part of the THS7353 flexibility, the 2:1 MUX input can be selected for ac or dc coupled inputs. The ac coupled modes include a sync-tip clamp option for CVBS/Y′/G′B′R′ with sync or a fixed bias for the C′/P′B/P′Rchannels. The dc input options include a dc input or a dc + 250-mV input offset shift to allow for a full sync dynamic range at the output with 0-V input.
The THS7353 is the perfect choice for all video buffer applications. The 16.2-mA total quiescent current (54 mW total power) makes it an excellent choice for USB powered or portable video applications. While fully disabled, the THS7353 consumes less than 1 µA.
Fabricated using the new complimentary silicon-germanium (SiGe) BiCom-III process, the THS7353 is a low-power, single-supply 2.7-V to 5-V, 3-channel integrated video buffer. It incorporates a selectable 5thorder Butterworth anti-aliasing / DAC reconstruction filter to eliminate data converter images. The 9-MHz is a perfect choice for SDTV video including composite, S-Video, and 480i/576i Y′P′BP′Ror G′B′R′ (R′G′B′) video. The 16-MHz filter is ideal for EDTV 480p/576p Y′P′BP′R, G′B′R′, and VGA signals. The 35-MHz filter is useful for HDTV 720p/1080i Y′P′BP′R, G′B′R′, and SVGA/XGA signals. For 1080p or SXGA/UXGA signals, the filter can be bypassed allowing a 150-MHz bandwidth, 300-V/µs amplifier to buffer the signal.
Each channel of the THS7353 is individually I2C configurable for all functions which makes it flexible for any application. Its rail-to-rail output stage allows for both ac and dc coupling applications. The externally controlled gain adjust pin allows for fine tuning of the gain such as line driving, compensating for cable losses, or Sin-X/X compensation.
As part of the THS7353 flexibility, the 2:1 MUX input can be selected for ac or dc coupled inputs. The ac coupled modes include a sync-tip clamp option for CVBS/Y′/G′B′R′ with sync or a fixed bias for the C′/P′B/P′Rchannels. The dc input options include a dc input or a dc + 250-mV input offset shift to allow for a full sync dynamic range at the output with 0-V input.
The THS7353 is the perfect choice for all video buffer applications. The 16.2-mA total quiescent current (54 mW total power) makes it an excellent choice for USB powered or portable video applications. While fully disabled, the THS7353 consumes less than 1 µA. |
| Development Boards, Kits, Programmers | 2 | Obsolete | |
THS73606-Channel Video Amplifier with 3-SD and 3-SD/ED/HD/Full-HD Filters and High Gain | Video Amps and Modules | 2 | Active | Fabricated using the revolutionary, complementary Silicon-Germanium (SiGe) BiCom3X process, the THS7360 is a low-power, single-supply, 2.7-V to 5-V, six-channel integrated video buffer. It incorporates three SDTV filter channels and three selectable filter (SF) channels with SD/ED/HD/Full-HD (also known as True-HD) HDTV filtering. All filters feature sixth-order Butterworth characteristics that are useful as digital-to-analog converter (DAC) reconstruction filters or as analog-to-digital converter (ADC) anti-aliasing filters.
The THS7360 also has flexible input coupling capabilities that can be configured for either ac- or dc-coupled inputs. The 120-mV output level shift allows for a full sync dynamic range at the output with 0-V input. The ac-coupled modes include a transparent sync-tip clamp option for CVBS, Y’, and G’B’R’ signals. AC-coupled biasing for C’/P’B/P’Rchannels can easily be achieved by adding an external resistor to VS+.
The THS7360 is an ideal choice for all video buffer applications. Its rail-to-rail output stage with 5.6-V/V gain (for SD channels) and 4.5-V/V gain (for SF channels) allows for both ac and dc line driving. The ability to drive two lines, or 75-loads, allows for maximum flexibility as a video line driver. The 24.5-mA total quiescent current at 3.3 V and 0.1 µA (disabled mode) makes it a good choice for systems that must meet power-sensitive Energy Star standards.
The THS7360 is available in a TSSOP-20 package that is lead-free and green (RoHS-compliant).
Fabricated using the revolutionary, complementary Silicon-Germanium (SiGe) BiCom3X process, the THS7360 is a low-power, single-supply, 2.7-V to 5-V, six-channel integrated video buffer. It incorporates three SDTV filter channels and three selectable filter (SF) channels with SD/ED/HD/Full-HD (also known as True-HD) HDTV filtering. All filters feature sixth-order Butterworth characteristics that are useful as digital-to-analog converter (DAC) reconstruction filters or as analog-to-digital converter (ADC) anti-aliasing filters.
The THS7360 also has flexible input coupling capabilities that can be configured for either ac- or dc-coupled inputs. The 120-mV output level shift allows for a full sync dynamic range at the output with 0-V input. The ac-coupled modes include a transparent sync-tip clamp option for CVBS, Y’, and G’B’R’ signals. AC-coupled biasing for C’/P’B/P’Rchannels can easily be achieved by adding an external resistor to VS+.
The THS7360 is an ideal choice for all video buffer applications. Its rail-to-rail output stage with 5.6-V/V gain (for SD channels) and 4.5-V/V gain (for SF channels) allows for both ac and dc line driving. The ability to drive two lines, or 75-loads, allows for maximum flexibility as a video line driver. The 24.5-mA total quiescent current at 3.3 V and 0.1 µA (disabled mode) makes it a good choice for systems that must meet power-sensitive Energy Star standards.
The THS7360 is available in a TSSOP-20 package that is lead-free and green (RoHS-compliant). |
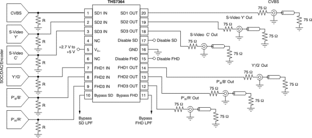
THS73646-Ch Video Amp w/ 3-SD & 3-Full-HD Filters & 6-dB Gain | Integrated Circuits (ICs) | 1 | Active | Fabricated using the revolutionary, complementary Silicon-Germanium (SiGe) BiCom3X process, the THS7364 is a low-power, single-supply, 2.7-V to 5-V, six-channel integrated video buffer. It incorporates three SDTV filters and three Full-HD (also known as True-HD) HDTV filters. All filters feature bypassable sixth-order Butterworth characteristics that are useful as digital-to-analog converter (DAC) reconstruction filters or as analog-to-digital converter (ADC) anti-aliasing filters.
The THS7364 has flexible input coupling capabilities, and can be configured for either ac- or dc-coupled inputs. The 300-mV output level shift allows for a full sync dynamic range at the output with 0-V input. AC-coupled modes include a transparent sync-tip clamp for CVBS, Y’, and G’B’R’ signals. AC-coupled biasing for C’/P’B/P’Rchannels can easily be achieved by adding an external resistor to VS+.
The THS7364 is an ideal choice for a wide range of video buffer applications. Its rail-to-rail output stage with 6-dB gain allows for both ac and dc line driving. The ability to drive two lines, or 75-loads, allows for maximum flexibility as a video line driver. The 23.4-mA total quiescent current at 3.3 V and 0.1 µA (disabled mode) makes it well-suited for systems that must meet power-sensitive Energy Star standards.
The THS7364 is available in a TSSOP-20 package that is lead-free and green (RoHS-compliant).
Fabricated using the revolutionary, complementary Silicon-Germanium (SiGe) BiCom3X process, the THS7364 is a low-power, single-supply, 2.7-V to 5-V, six-channel integrated video buffer. It incorporates three SDTV filters and three Full-HD (also known as True-HD) HDTV filters. All filters feature bypassable sixth-order Butterworth characteristics that are useful as digital-to-analog converter (DAC) reconstruction filters or as analog-to-digital converter (ADC) anti-aliasing filters.
The THS7364 has flexible input coupling capabilities, and can be configured for either ac- or dc-coupled inputs. The 300-mV output level shift allows for a full sync dynamic range at the output with 0-V input. AC-coupled modes include a transparent sync-tip clamp for CVBS, Y’, and G’B’R’ signals. AC-coupled biasing for C’/P’B/P’Rchannels can easily be achieved by adding an external resistor to VS+.
The THS7364 is an ideal choice for a wide range of video buffer applications. Its rail-to-rail output stage with 6-dB gain allows for both ac and dc line driving. The ability to drive two lines, or 75-loads, allows for maximum flexibility as a video line driver. The 23.4-mA total quiescent current at 3.3 V and 0.1 µA (disabled mode) makes it well-suited for systems that must meet power-sensitive Energy Star standards.
The THS7364 is available in a TSSOP-20 package that is lead-free and green (RoHS-compliant). |
THS73656-Channel Video Amplifier with 3-SD and 3-HD 6th-Order Filters and 6-dB | Integrated Circuits (ICs) | 2 | Active | Fabricated using the revolutionary, complementary Silicon-Germanium (SiGe) BiCom3X process, the THS7365 is a low-power, single-supply, 2.7-V to 5-V, six-channel integrated video buffer. It incorporates three standard-definition (SDTV) and three high-definition (HDTV) filter channels. All filters feature bypassable sixth-order Butterworth filter characteristics that are useful as digital-to-analog converter (DAC) reconstruction filters or as analog-to-digital converter (ADC) anti-aliasing filters.
The THS7365 has flexible input coupling capabilities that can be configured for either ac- or dc-coupled inputs. The 300-mV output level shift allows for a full sync dynamic range at the output with 0-V input. The ac-coupled modes include a transparent sync-tip clamp for composite video (CVBS), Y', and R'G'B' signals with sync. AC-coupled biasing for C'/P'B/P'Rchannels can easily be achieved by adding an external resistor to VS+.
The THS7365 is an ideal choice for all video buffer applications. Its rail-to-rail output stage with 6-dB gain allows for both ac and dc line driving. The ability to drive two lines per channel, or 75-loads, allows for maximum flexibility as a video line driver. The 20.7-mA total quiescent current at 3.3 V and 0.1 µA (disabled mode) makes it an excellent choice for power-sensitive video applications.
The THS7365 is available in a TSSOP-20 package that is lead-free and green (RoHS-compliant).
Fabricated using the revolutionary, complementary Silicon-Germanium (SiGe) BiCom3X process, the THS7365 is a low-power, single-supply, 2.7-V to 5-V, six-channel integrated video buffer. It incorporates three standard-definition (SDTV) and three high-definition (HDTV) filter channels. All filters feature bypassable sixth-order Butterworth filter characteristics that are useful as digital-to-analog converter (DAC) reconstruction filters or as analog-to-digital converter (ADC) anti-aliasing filters.
The THS7365 has flexible input coupling capabilities that can be configured for either ac- or dc-coupled inputs. The 300-mV output level shift allows for a full sync dynamic range at the output with 0-V input. The ac-coupled modes include a transparent sync-tip clamp for composite video (CVBS), Y', and R'G'B' signals with sync. AC-coupled biasing for C'/P'B/P'Rchannels can easily be achieved by adding an external resistor to VS+.
The THS7365 is an ideal choice for all video buffer applications. Its rail-to-rail output stage with 6-dB gain allows for both ac and dc line driving. The ability to drive two lines per channel, or 75-loads, allows for maximum flexibility as a video line driver. The 20.7-mA total quiescent current at 3.3 V and 0.1 µA (disabled mode) makes it an excellent choice for power-sensitive video applications.
The THS7365 is available in a TSSOP-20 package that is lead-free and green (RoHS-compliant). |
THS73686-Ch Video Amp w/ 3-SD & 3-SD/ED/HD/Full-HD Filters & 6-dB Gain | Video Amps and Modules | 2 | Active | Fabricated using the revolutionary, complementary Silicon-Germanium (SiGe) BiCom3X process, the THS7368 is a low-power, single-supply, 2.7-V to 5-V, six-channel integrated video buffer. It incorporates three SDTV filters and three selectable SD/ED/HD/Full-HD (also known as True-HD) HDTV filters. All filters feature bypassable sixth-order Butterworth characteristics that are useful as digital-to-analog converter (DAC) reconstruction filters or as analog-to-digital converter (ADC) anti-aliasing filters.
The THS7368 has flexible input coupling capabilities that can be configured for either ac- or dc-coupled inputs. The 300-mV output level shift allows for a full sync dynamic range at the output with 0-V input. The ac-coupled modes include a transparent sync-tip clamp for CVBS, Y', and G'B'R' signals. AC-coupled biasing for C'/P'B/P'Rchannels can easily be achieved by adding an external resistor to VS+.
The THS7368 is an ideal choice for all video buffer applications. Its rail-to-rail output stage with 6-dB gain allows for both ac and dc line driving. The ability to drive two lines, or 75-loads, allows for maximum flexibility as a video line driver. The 23.4-mA total quiescent current at 3.3 V and 0.1 µA (disabled mode) makes it a good choice for systems that must meet power-sensitive Energy Star standards.
The THS7368 is available in a TSSOP-20 package that is lead-free and green (RoHS-compliant).
Fabricated using the revolutionary, complementary Silicon-Germanium (SiGe) BiCom3X process, the THS7368 is a low-power, single-supply, 2.7-V to 5-V, six-channel integrated video buffer. It incorporates three SDTV filters and three selectable SD/ED/HD/Full-HD (also known as True-HD) HDTV filters. All filters feature bypassable sixth-order Butterworth characteristics that are useful as digital-to-analog converter (DAC) reconstruction filters or as analog-to-digital converter (ADC) anti-aliasing filters.
The THS7368 has flexible input coupling capabilities that can be configured for either ac- or dc-coupled inputs. The 300-mV output level shift allows for a full sync dynamic range at the output with 0-V input. The ac-coupled modes include a transparent sync-tip clamp for CVBS, Y', and G'B'R' signals. AC-coupled biasing for C'/P'B/P'Rchannels can easily be achieved by adding an external resistor to VS+.
The THS7368 is an ideal choice for all video buffer applications. Its rail-to-rail output stage with 6-dB gain allows for both ac and dc line driving. The ability to drive two lines, or 75-loads, allows for maximum flexibility as a video line driver. The 23.4-mA total quiescent current at 3.3 V and 0.1 µA (disabled mode) makes it a good choice for systems that must meet power-sensitive Energy Star standards.
The THS7368 is available in a TSSOP-20 package that is lead-free and green (RoHS-compliant). |
| Evaluation Boards | 3 | Obsolete | |
THS73724-Channel Video Amplifier with 1-SD and 3-Full-HD Filters with 6-dB Gain | Linear | 1 | Active | Fabricated using the revolutionary, complementary Silicon-Germanium (SiGe) BiCom3X process, the THS7372 is a low-power, single-supply, 2.7-V to 5-V, four-channel integrated video buffer. It incorporates one SDTV filter and three fixed Full-HD (also known as True-HD) HDTV filters. All filters feature sixth-order Butterworth characteristics that are useful as digital-to-analog converter (DAC) reconstruction filters or as analog-to-digital converter (ADC) anti-aliasing filters.
The THS7372 has flexible input coupling capabilities, and can be configured for either ac- or dc-coupled inputs. The 300-mV output level shift allows for a full sync dynamic range at the output with 0-V input. AC-coupled modes include a transparent sync-tip clamp for CVBS, Y’, and G’B’R’ signals. AC-coupled biasing for P’B/P’Rchannels can easily be achieved by adding an external resistor to VS+.
The THS7372 is an ideal choice for a wide range of video buffer applications. Its rail-to-rail output stage with 6-dB gain allows for both ac and dc line driving. The ability to drive two lines, or 75-Ω loads, allows for maximum flexibility as a video line driver. The 23.4-mA total quiescent current at 3.3 V and 0.1 µA (disabled mode) makes it well-suited for systems that must meet power-sensitive Energy Star® standards.
The THS7372 is available in a TSSOP-14 package that is lead-free and green (RoHS-compliant).
Fabricated using the revolutionary, complementary Silicon-Germanium (SiGe) BiCom3X process, the THS7372 is a low-power, single-supply, 2.7-V to 5-V, four-channel integrated video buffer. It incorporates one SDTV filter and three fixed Full-HD (also known as True-HD) HDTV filters. All filters feature sixth-order Butterworth characteristics that are useful as digital-to-analog converter (DAC) reconstruction filters or as analog-to-digital converter (ADC) anti-aliasing filters.
The THS7372 has flexible input coupling capabilities, and can be configured for either ac- or dc-coupled inputs. The 300-mV output level shift allows for a full sync dynamic range at the output with 0-V input. AC-coupled modes include a transparent sync-tip clamp for CVBS, Y’, and G’B’R’ signals. AC-coupled biasing for P’B/P’Rchannels can easily be achieved by adding an external resistor to VS+.
The THS7372 is an ideal choice for a wide range of video buffer applications. Its rail-to-rail output stage with 6-dB gain allows for both ac and dc line driving. The ability to drive two lines, or 75-Ω loads, allows for maximum flexibility as a video line driver. The 23.4-mA total quiescent current at 3.3 V and 0.1 µA (disabled mode) makes it well-suited for systems that must meet power-sensitive Energy Star® standards.
The THS7372 is available in a TSSOP-14 package that is lead-free and green (RoHS-compliant). |
THS73734-Channel Video Amplifier with 1-SD and 3-HD Sixth-Order Filters and 6-dB Gain | Amplifiers | 1 | Active | Fabricated using the revolutionary, complementary Silicon-Germanium (SiGe) BiCom3X process, the THS7373 is a low-power, single-supply, 3-V to 5-V, four-channel integrated video buffer. It incorporates one standard-definition (CVBS) and three high-definition (HD) filter channels. All filters feature sixth-order Butterworth characteristics that are useful as digital-to-analog converter (DAC) reconstruction filters or as analog-to-digital converter (ADC) anti-aliasing filters. The HD filters can be bypassed to support 1080p60 video or up to quad extended graphics array (QXGA) RGB video.
As part of the THS7373 flexibility, the input can be configured for ac- or dc-coupled inputs. The 300-mV output level shift allows for a full sync dynamic range at the output with 0-V input. The ac-coupled modes include a transparent sync-tip clamp option for composite video (CVBS), Y′, and G′B′R′ signals. AC-coupled biasing for C′/P′B/P′Rchannels can easily be achieved by adding an external resistor to VS+.
The THS7373 rail-to-rail output stage with 6-dB gain allows for both ac and dc line driving. The ability to drive two lines, or 75-Ω loads, allows for maximum flexibility as a video line driver. The 16.2-mA total quiescent current at 3.3 V and 0.1 µA (disabled mode) makes it an excellent choice for power-sensitive video applications.
The THS7373 is available in a small TSSOP-14 package that is lead-free and green (RoHS-compliant).
Fabricated using the revolutionary, complementary Silicon-Germanium (SiGe) BiCom3X process, the THS7373 is a low-power, single-supply, 3-V to 5-V, four-channel integrated video buffer. It incorporates one standard-definition (CVBS) and three high-definition (HD) filter channels. All filters feature sixth-order Butterworth characteristics that are useful as digital-to-analog converter (DAC) reconstruction filters or as analog-to-digital converter (ADC) anti-aliasing filters. The HD filters can be bypassed to support 1080p60 video or up to quad extended graphics array (QXGA) RGB video.
As part of the THS7373 flexibility, the input can be configured for ac- or dc-coupled inputs. The 300-mV output level shift allows for a full sync dynamic range at the output with 0-V input. The ac-coupled modes include a transparent sync-tip clamp option for composite video (CVBS), Y′, and G′B′R′ signals. AC-coupled biasing for C′/P′B/P′Rchannels can easily be achieved by adding an external resistor to VS+.
The THS7373 rail-to-rail output stage with 6-dB gain allows for both ac and dc line driving. The ability to drive two lines, or 75-Ω loads, allows for maximum flexibility as a video line driver. The 16.2-mA total quiescent current at 3.3 V and 0.1 µA (disabled mode) makes it an excellent choice for power-sensitive video applications.
The THS7373 is available in a small TSSOP-14 package that is lead-free and green (RoHS-compliant). |
THS73744-Ch SDTV (Component and Composite) Video Amplifier with 9.5MHz Filters and 6dB Gain | Evaluation and Demonstration Boards and Kits | 3 | Active | Fabricated using the revolutionary complementary Silicon-Germanium (SiGe) BiCom3X process, the THS7374 is a low-power, single-supply 3 V to 5 V four-channel integrated video buffer. It incorporates a sixth-order Butterworth filter (able to be bypassed) which is useful as a digital-to-analog converter (DAC) reconstruction filter or an analog-to-digital converter (ADC) anti-aliasing filter. The 9.5-MHz filter is a perfect choice for SDTV video that includes composite (CVBS), s-video, Y'U'V', G'B'R' (R'G'B'), and Y'P'BP'R480i/576i.
As part of the THS7374 flexibility, the input can be configured for either ac or dc-coupled inputs. The 300-mV output level shift allows for a full sync dynamic range at the output with 0-V input. The ac-coupled modes include a transparent sync-tip clamp option for CVBS, Y', and G'B'R' signals with sync. AC-coupled biasing for C'/P'B/P'Rchannels can easily be achieved by adding an external resistor.
The THS7374 is the perfect choice for all video buffer applications. Its rail-to-rail output stage with 6-dB gain allows for both ac and dc line driving. The ability to drive two lines per channel, or 75-Ω loads, allows for maximum flexibility as a video line driver. The 9.6-mA total quiescent current at 3.3 V and 0.1-µA disabled current makes it an excellent choice for portable or other power-sensitive applications.
The THS7374 is available in a TSSOP-14 package that is lead-free and green (RoHS) compliant.
Fabricated using the revolutionary complementary Silicon-Germanium (SiGe) BiCom3X process, the THS7374 is a low-power, single-supply 3 V to 5 V four-channel integrated video buffer. It incorporates a sixth-order Butterworth filter (able to be bypassed) which is useful as a digital-to-analog converter (DAC) reconstruction filter or an analog-to-digital converter (ADC) anti-aliasing filter. The 9.5-MHz filter is a perfect choice for SDTV video that includes composite (CVBS), s-video, Y'U'V', G'B'R' (R'G'B'), and Y'P'BP'R480i/576i.
As part of the THS7374 flexibility, the input can be configured for either ac or dc-coupled inputs. The 300-mV output level shift allows for a full sync dynamic range at the output with 0-V input. The ac-coupled modes include a transparent sync-tip clamp option for CVBS, Y', and G'B'R' signals with sync. AC-coupled biasing for C'/P'B/P'Rchannels can easily be achieved by adding an external resistor.
The THS7374 is the perfect choice for all video buffer applications. Its rail-to-rail output stage with 6-dB gain allows for both ac and dc line driving. The ability to drive two lines per channel, or 75-Ω loads, allows for maximum flexibility as a video line driver. The 9.6-mA total quiescent current at 3.3 V and 0.1-µA disabled current makes it an excellent choice for portable or other power-sensitive applications.
The THS7374 is available in a TSSOP-14 package that is lead-free and green (RoHS) compliant. |