| Drivers, Receivers, Transceivers | 3 | Active | The four differential line drivers are designed for data transmission over twisted-pair or parallel-wire transmission lines. They meet the requirements of ANSI Standard EIA/TIA-422-B and ITU Recommendations V.11 and are compatible with 3-state TTL circuits. Advanced low-power Schottky technology provides high speed without the usual power penalties. Standby supply current is typically only 26mA, while typical propagation delay time is less than 10ns.
High-impedance inputs maintain low input currents, less than µA for a high level and less than 100µA for a low level. Complementary output-enable inputs (G and G) allow these devices to be enabled at either a high input level or low input level. The SN75ALS192 is capable of data rates in excess of 20 Mbit/s and is designed to operate with the SN75ALS193 quadruple line receiver.
The SN75ALS192 is characterized for operation from 0°C to 70°C.
The four differential line drivers are designed for data transmission over twisted-pair or parallel-wire transmission lines. They meet the requirements of ANSI Standard EIA/TIA-422-B and ITU Recommendations V.11 and are compatible with 3-state TTL circuits. Advanced low-power Schottky technology provides high speed without the usual power penalties. Standby supply current is typically only 26mA, while typical propagation delay time is less than 10ns.
High-impedance inputs maintain low input currents, less than µA for a high level and less than 100µA for a low level. Complementary output-enable inputs (G and G) allow these devices to be enabled at either a high input level or low input level. The SN75ALS192 is capable of data rates in excess of 20 Mbit/s and is designed to operate with the SN75ALS193 quadruple line receiver.
The SN75ALS192 is characterized for operation from 0°C to 70°C. |
| Integrated Circuits (ICs) | 2 | Obsolete | The SN75ALS193 is a monolithic quadruple line receiver with 3-state outputs designed using advanced low-power Schottky technology. This technology provides combined improvements in bar design, tooling production, and wafer fabrication. This, in turn, provides significantly lower power requirements and permits much higher data throughput than other designs. This device meets the specifications of ANSI Standards EIA/TIA-422-B and EIA/TIA-423-A and ITU Recommendations V.10 and V.11. It features 3-state outputs that permit direct connection to a bus-organized system with a fail-safe design that ensures the outputs will always be high if the inputs are open.
The device is optimized for balanced multipoint bus transmission at rates up to 20 megabits per second. The input features high input impedance, input hysteresis for increased noise immunity, and an input sensitivity of ± 200 mV over a common-mode input voltage range of –7 to 7 V. It also features active-high and active-low enable functions that are common to the four channels. The SN75ALS193 is designed for optimum performance when used with the ’ALS192 quadruple differential line driver.
The SN75ALS193 is characterized for operation from 0°C to 70°C.
The SN75ALS193 is a monolithic quadruple line receiver with 3-state outputs designed using advanced low-power Schottky technology. This technology provides combined improvements in bar design, tooling production, and wafer fabrication. This, in turn, provides significantly lower power requirements and permits much higher data throughput than other designs. This device meets the specifications of ANSI Standards EIA/TIA-422-B and EIA/TIA-423-A and ITU Recommendations V.10 and V.11. It features 3-state outputs that permit direct connection to a bus-organized system with a fail-safe design that ensures the outputs will always be high if the inputs are open.
The device is optimized for balanced multipoint bus transmission at rates up to 20 megabits per second. The input features high input impedance, input hysteresis for increased noise immunity, and an input sensitivity of ± 200 mV over a common-mode input voltage range of –7 to 7 V. It also features active-high and active-low enable functions that are common to the four channels. The SN75ALS193 is designed for optimum performance when used with the ’ALS192 quadruple differential line driver.
The SN75ALS193 is characterized for operation from 0°C to 70°C. |
| Drivers, Receivers, Transceivers | 5 | Active | These four differential line drivers are designed for data transmission over twisted-pair or parallel-wire transmission lines. They meet the requirements of ANSI Standard EIA/TIA-422-B and ITU Recommendation V.11 and are compatible with 3-state TTL circuits. Advanced low-power Schottky technology provides high speed without the usual power penalty. Standby supply current is typically only 26mA. Typical propagation delay time is less than 10ns, and enable/disable times are typically less than 16ns.
High-impedance inputs keep input currents low: less than 1µA for a high level and less than 100µA for a low level. The driver circuits can be enabled in pairs by separate active-high enable inputs. The SN75ALS194 is capable of data rates in excess of 20 megabits per second and is designed to operates with the SN75ALS195 quadruple line receiver.
The SN75ALS194 is characterized for operation from 0°C to 70°C.
These four differential line drivers are designed for data transmission over twisted-pair or parallel-wire transmission lines. They meet the requirements of ANSI Standard EIA/TIA-422-B and ITU Recommendation V.11 and are compatible with 3-state TTL circuits. Advanced low-power Schottky technology provides high speed without the usual power penalty. Standby supply current is typically only 26mA. Typical propagation delay time is less than 10ns, and enable/disable times are typically less than 16ns.
High-impedance inputs keep input currents low: less than 1µA for a high level and less than 100µA for a low level. The driver circuits can be enabled in pairs by separate active-high enable inputs. The SN75ALS194 is capable of data rates in excess of 20 megabits per second and is designed to operates with the SN75ALS195 quadruple line receiver.
The SN75ALS194 is characterized for operation from 0°C to 70°C. |
| Integrated Circuits (ICs) | 1 | Active | The SN55ALS195 and SN75ALS195 are four differential line receivers with 3-state outputs designed using advanced low-power Schottky technology. This technology provides combined improvements in die design, tooling production, and wafer fabrication, which in turn, provide lower power consumption and permit much higher data throughput than other designs. The devices meet the specifications of ANSI Standards EIA/TIA-422-B and EIA/TIA-423-A and ITU Recommendations V.10 and V.11. The 3-state outputs permit direct connection to a bus-organized system with a fail-safe design that ensures the outputs will always be high if the inputs are open.
The devices are optimized for balanced multipoint bus transmission at rates up to 20 megabits per second. The input features high input impedance, input hysteresis for increased noise immunity, and an input sensitivity of ±200 mV over a common-mode input voltage range of ±7 V. The devices also feature an active-high enable function for each of two receiver pairs. The SN55ALS195 and SN75ALS195 are designed for optimum performance when used with the SN55ALS194 and SN75ALS194 quadruple differential line drivers.
The SN55ALS195 is characterized for operation over the full military temperature range of -55°C to 125°C. The SN75ALS195 is characterized for operation from 0°C to 70°C.
H = high level, L = low level, X = irrelevant, ? = indeterminate,Z = high impedance (off)
The SN55ALS195 and SN75ALS195 are four differential line receivers with 3-state outputs designed using advanced low-power Schottky technology. This technology provides combined improvements in die design, tooling production, and wafer fabrication, which in turn, provide lower power consumption and permit much higher data throughput than other designs. The devices meet the specifications of ANSI Standards EIA/TIA-422-B and EIA/TIA-423-A and ITU Recommendations V.10 and V.11. The 3-state outputs permit direct connection to a bus-organized system with a fail-safe design that ensures the outputs will always be high if the inputs are open.
The devices are optimized for balanced multipoint bus transmission at rates up to 20 megabits per second. The input features high input impedance, input hysteresis for increased noise immunity, and an input sensitivity of ±200 mV over a common-mode input voltage range of ±7 V. The devices also feature an active-high enable function for each of two receiver pairs. The SN55ALS195 and SN75ALS195 are designed for optimum performance when used with the SN55ALS194 and SN75ALS194 quadruple differential line drivers.
The SN55ALS195 is characterized for operation over the full military temperature range of -55°C to 125°C. The SN75ALS195 is characterized for operation from 0°C to 70°C.
H = high level, L = low level, X = irrelevant, ? = indeterminate,Z = high impedance (off) |
| Integrated Circuits (ICs) | 3 | Obsolete | The SN75ALSI97 is a monolithic, quadruple line receiver with 3-state outputs designed using advanced, low-power, Schottky technology. This technology provides combined improvements in bar design, tooling production, and wafer fabrication. This, in turn, provides significantly lower power requirements and permits much higher data throughput than other designs. The device meets the specifications of ITU Recommendations V.10, V.11, X.26, and X.27. The 3-state outputs feature permits direct connection to a bus-organized system with a fail-safe design that makes sure the outputs is always high if the inputs are open.
The device is optimized for balanced, multipoint bus transmission at rates up to 20 megabits per second. The input features high-input impedance, input hysteresis for increased noise immunity, and an input sensitivity of ±300 mV over a common-mode input voltage range of −7 V to 7 V. The device also features active-high and active-low enable functions that are common to the four channels. The device is designed for optimum performance when used with the SN75ALS192 quadruple differential line driver.
The SN75ALS197 is characterized for operation from 0°C to 70°C.
The SN75ALSI97 is a monolithic, quadruple line receiver with 3-state outputs designed using advanced, low-power, Schottky technology. This technology provides combined improvements in bar design, tooling production, and wafer fabrication. This, in turn, provides significantly lower power requirements and permits much higher data throughput than other designs. The device meets the specifications of ITU Recommendations V.10, V.11, X.26, and X.27. The 3-state outputs feature permits direct connection to a bus-organized system with a fail-safe design that makes sure the outputs is always high if the inputs are open.
The device is optimized for balanced, multipoint bus transmission at rates up to 20 megabits per second. The input features high-input impedance, input hysteresis for increased noise immunity, and an input sensitivity of ±300 mV over a common-mode input voltage range of −7 V to 7 V. The device also features active-high and active-low enable functions that are common to the four channels. The device is designed for optimum performance when used with the SN75ALS192 quadruple differential line driver.
The SN75ALS197 is characterized for operation from 0°C to 70°C. |
| Integrated Circuits (ICs) | 3 | Active | The SN75ALS199 is a monolithic, quadruple line receiver with 3-state outputs designed using advanced, low-power, Schottky technology. This technology provides combined improvements in bar design, tooling production, and wafer fabrication, providing significantly less power consumption and permitting much higher data throughput than other designs. The device meets the specification of ITU Recommendations V.10, V.11, X.26, and X.27.
The SN75ALS199 features 3-state outputs that permit direct connection to a bus-organized system with a fail-safe design that ensures the ouptuts will always be high if the inputs are open. The device is optimized for balanced multipoint bus transmission at rates up to 20 megabits per second. The input features high-input impedance, input hysteresis for increased noise immunity, and an input sensitivity of ±300 mV over a common-mode input voltage range of ±7 V. It also features an active-high enable function for each of two receiver pairs. The SN75ALS199 is designed for optimum performance when used with the SN75ALS194 quadruple, differential line driver.
The SN75ALS199 is characterized for operation from 0°C to 70°C.
The SN75ALS199 is a monolithic, quadruple line receiver with 3-state outputs designed using advanced, low-power, Schottky technology. This technology provides combined improvements in bar design, tooling production, and wafer fabrication, providing significantly less power consumption and permitting much higher data throughput than other designs. The device meets the specification of ITU Recommendations V.10, V.11, X.26, and X.27.
The SN75ALS199 features 3-state outputs that permit direct connection to a bus-organized system with a fail-safe design that ensures the ouptuts will always be high if the inputs are open. The device is optimized for balanced multipoint bus transmission at rates up to 20 megabits per second. The input features high-input impedance, input hysteresis for increased noise immunity, and an input sensitivity of ±300 mV over a common-mode input voltage range of ±7 V. It also features an active-high enable function for each of two receiver pairs. The SN75ALS199 is designed for optimum performance when used with the SN75ALS194 quadruple, differential line driver.
The SN75ALS199 is characterized for operation from 0°C to 70°C. |
SN75C1154Quadruple Low-Power Drivers/Receivers | Integrated Circuits (ICs) | 2 | Active | The SN65C1164 and SN75C1154 are low-power BiMOS devices containing four independent drivers and receivers that are used to interface data terminal equipment (DTE) with data circuit-terminating equipment (DCE). These devices are designed to conform to TIA/EIA-232-F. The drivers and receivers of the SN65C1154 and SN75C1154 are similar to those of the SN75C188 quadruple driver and SN75C189A quadruple receiver, respectively. The drivers have a controlled output slew rate that is limited to a maximum of 30 V/µs and the receivers have filters that reject input noise pulses of shorter than 1 µs. Both these features eliminate the need for external components.
The SN65C1154 and SN75C1154 have been designed using low-power techniques in a BiMOS technology. In most applications, the receivers contained in these devices interface to single inputs of peripheral devices such as ACEs, UARTs, or microprocessors. By using sampling, such peripheral devices usually are insensitive to the transition times of the input signals. If this is not the case, or for other uses, it is recommended that the SN65C1154 and SN75C1154 receiver outputs be buffered by single Schmitt input gates or single gates of the HCMOS, ALS, or 74F logic families.
The SN65C1164 and SN75C1154 are low-power BiMOS devices containing four independent drivers and receivers that are used to interface data terminal equipment (DTE) with data circuit-terminating equipment (DCE). These devices are designed to conform to TIA/EIA-232-F. The drivers and receivers of the SN65C1154 and SN75C1154 are similar to those of the SN75C188 quadruple driver and SN75C189A quadruple receiver, respectively. The drivers have a controlled output slew rate that is limited to a maximum of 30 V/µs and the receivers have filters that reject input noise pulses of shorter than 1 µs. Both these features eliminate the need for external components.
The SN65C1154 and SN75C1154 have been designed using low-power techniques in a BiMOS technology. In most applications, the receivers contained in these devices interface to single inputs of peripheral devices such as ACEs, UARTs, or microprocessors. By using sampling, such peripheral devices usually are insensitive to the transition times of the input signals. If this is not the case, or for other uses, it is recommended that the SN65C1154 and SN75C1154 receiver outputs be buffered by single Schmitt input gates or single gates of the HCMOS, ALS, or 74F logic families. |
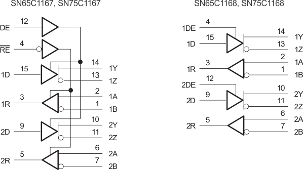
SN75C1167Dual Differential Drivers And Receivers | Integrated Circuits (ICs) | 5 | Active | The SN65C1167, SN75C1167, SN65C1168, and SN75C1168 dual drivers and receivers are integrated circuits designed for balanced transmission lines. The devices meet TIA/EIA-422-B and ITU recommendation V.11.
The SN65C1167 and SN75C1167 combine dual 3-state differential line drivers and 3-state differential line receivers, both of which operate from a single 5V power supply. The driver and receiver have active-high and active-low enables, respectively, which can be connected together externally to function as direction control. The SN65C1168 and SN75C1168 drivers have individual active-high enables.
The SN65C1167, SN75C1167, SN65C1168, and SN75C1168 dual drivers and receivers are integrated circuits designed for balanced transmission lines. The devices meet TIA/EIA-422-B and ITU recommendation V.11.
The SN65C1167 and SN75C1167 combine dual 3-state differential line drivers and 3-state differential line receivers, both of which operate from a single 5V power supply. The driver and receiver have active-high and active-low enables, respectively, which can be connected together externally to function as direction control. The SN65C1168 and SN75C1168 drivers have individual active-high enables. |
SN75C1168Dual Differential Drivers And Receivers | Drivers, Receivers, Transceivers | 9 | Active | The SN65C1167, SN75C1167, SN65C1168, and SN75C1168 dual drivers and receivers are integrated circuits designed for balanced transmission lines. The devices meet TIA/EIA-422-B and ITU recommendation V.11.
The SN65C1167 and SN75C1167 combine dual 3-state differential line drivers and 3-state differential line receivers, both of which operate from a single 5V power supply. The driver and receiver have active-high and active-low enables, respectively, which can be connected together externally to function as direction control. The SN65C1168 and SN75C1168 drivers have individual active-high enables.
The SN65C1167, SN75C1167, SN65C1168, and SN75C1168 dual drivers and receivers are integrated circuits designed for balanced transmission lines. The devices meet TIA/EIA-422-B and ITU recommendation V.11.
The SN65C1167 and SN75C1167 combine dual 3-state differential line drivers and 3-state differential line receivers, both of which operate from a single 5V power supply. The driver and receiver have active-high and active-low enables, respectively, which can be connected together externally to function as direction control. The SN65C1168 and SN75C1168 drivers have individual active-high enables. |
SN75C1406Triple Low-Power Drivers And Receivers | Integrated Circuits (ICs) | 5 | Active | The SN65C1406 and SN75C1406 are low-power BiMOS devices containing three independent drivers and receivers that are used to interface data terminal equipment (DTE) with data circuit-terminating equipment (DCE). These devices are designed to conform to TIA/EIA-232-F. The drivers and receivers of the SN65C1406 and SN75C1406 are similar to those of the SN75C188 quadruple driver and SN75C189A quadruple receiver, respectively. The drivers have a controlled output slew rate that is limited to a maximum of 30 V/us, and the receivers have filters that reject input noise pulses shorter than 1 us. Both these features eliminate the need for external components.
The SN65C1406 and SN75C1406 are designed using low-power techniques in a BiMOS technology. In most applications, the receivers contained in these devices interface to single inputs of peripheral devices such as ACEs, UARTs, or microprocessors. By using sampling, such peripheral devices are usually insensitive to the transition times of the input signals. If this is not the case, or for other uses, it is recommended that the SN65C1406 and SN75C1406 receiver outputs be buffered by single Schmitt input gates or single gates of the HCMOS, ALS, or 74F logic families.
The SN65C1406 is characterized for operation from \x9640°C to 85°C. The SN75C1406 is characterized for operation from 0°C to 70°C.
The SN65C1406 and SN75C1406 are low-power BiMOS devices containing three independent drivers and receivers that are used to interface data terminal equipment (DTE) with data circuit-terminating equipment (DCE). These devices are designed to conform to TIA/EIA-232-F. The drivers and receivers of the SN65C1406 and SN75C1406 are similar to those of the SN75C188 quadruple driver and SN75C189A quadruple receiver, respectively. The drivers have a controlled output slew rate that is limited to a maximum of 30 V/us, and the receivers have filters that reject input noise pulses shorter than 1 us. Both these features eliminate the need for external components.
The SN65C1406 and SN75C1406 are designed using low-power techniques in a BiMOS technology. In most applications, the receivers contained in these devices interface to single inputs of peripheral devices such as ACEs, UARTs, or microprocessors. By using sampling, such peripheral devices are usually insensitive to the transition times of the input signals. If this is not the case, or for other uses, it is recommended that the SN65C1406 and SN75C1406 receiver outputs be buffered by single Schmitt input gates or single gates of the HCMOS, ALS, or 74F logic families.
The SN65C1406 is characterized for operation from \x9640°C to 85°C. The SN75C1406 is characterized for operation from 0°C to 70°C. |